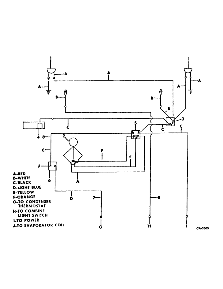
Запчасти Case IH 915 (13-10) - SUPERSTRUCTURE, OPERATORS CAB WIRING (05) - SUPERSTRUCTURE

Схема запчастей Case IH 915 - (13-10) - SUPERSTRUCTURE, OPERATORS CAB WIRING (05) - SUPERSTRUCTURE
4
5
3
7
6
1
2
1
8
FIT
1:1
100%

Артикул

Название

Примечание

Количество

1

LIGHT ASSY, refer to group 8 under lights for unit listing

2шт.

2

MOTOR ASSY, blower, refer to this group under operators cab blower for unit listing

1шт.

3

SWITCH, blower, refer to this group under operators cab blower for unit listing

1шт.

4

LIGHT ASSY, dome, refer to this group under operators cab blower for unit listing

1шт.

5

SWITCH, blower, refer to this group under operators cab blower for unit listing

1шт.

6

SWITCH, thermostat, refer to this group under air conditiong and evaporator for unit listing

1шт.

7

WIRE THERMOSTAT TO CONDENSER, use 88 in. of 16 ga. wire from 100 ft. roll marked 995056R1, 1 type hi terminal, 1 terminal 377279C1 and 2 heat-shrink sleeves 1 in. long

1шт.

8

WIRE, blower switch to thermostat, use 6 in. of 16 ga. wire from 100 ft. roll marked 995056R1, 2 terminals 915073R1 and 2 heat-shrink sleeves 1 in. long

1шт.

Выбрано товаров: 8