Запчасти Case IH 915 (10-24) - HYDRAULICS, WHEEL BRAKE, LEVER, PEDAL AND MASTER, BRAKE CYLINDER (07) - HYDRAULICS

Схема запчастей Case IH 915 - (10-24) - HYDRAULICS, WHEEL BRAKE, LEVER, PEDAL AND MASTER, BRAKE CYLINDER (07) - HYDRAULICS
23
17
21
11
3
10
22
18
8
5
12
6
9
4
12
14
9
16
7
25
15
19
20
2
5
6
13
2
24
FIT
1:1
100%

Артикул

Название

Примечание

Количество

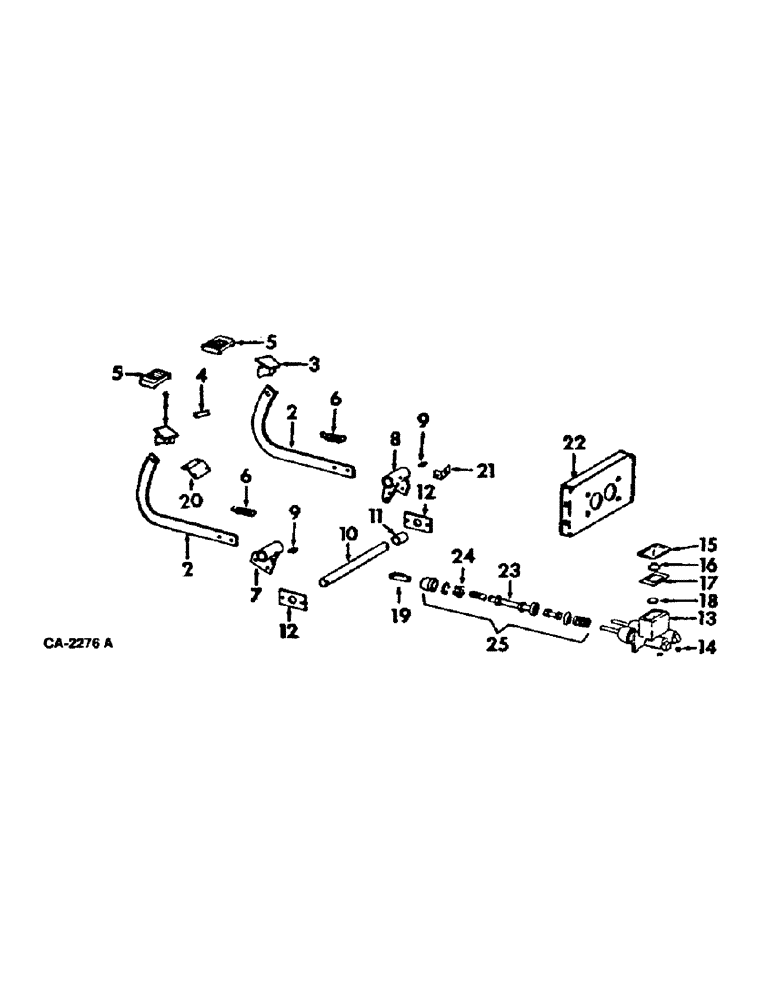
1

163426C1

PEDAL

left, wheel brake

1шт.

2

164670C1

LEVER, wheel brake pedal

2шт.

18494R1

BOLT,Hex, 3/8" - 16 x 1", Gr 2

3/8 x 1 hex-hd mach

6шт.

120377

NUT,3/8" - 16, Gr 5

6шт.

120382

LOCK WASHER,Helical Spring, 3/8"

WASHER, LOCK, 3/8"

6шт.

3

163427C1

PEDAL

right wheel brake

1шт.

4

614251R11

BAR

ASSY, brake locking

1шт.

17271R1

LOCK PIN,1/8" x 7/8", Slotted

PIN, 1/8" x 7/8", Slotted

1шт.

5

863426R1

PAD

wheel brake

2шт.

6

398763R2

SPRING

wheel brake pedal return

2шт.

187988

COTTER PIN,3/16" x 1 1/4"

PIN, SPLIT (COTTER), 3/16" x 1 1/4"

2шт.

7

165902C1

PIVOT, wheel brake pedal LH

1шт.

8

165903C1

PIVOT, wheel brake pedal RH

1шт.

9

80717

LUBE NIPPLE,45 Degree, 1/8" NPT x 7/8" lg

FITTING, 1/8-27 x 45 deg lub

2шт.

10

164776C1

SHAFT, wheel brake pivot

1шт.

20382R1

PIN, 3/16 x 1-1/2 cotter

2шт.

591715R1

WASHER

1-1/32 x 1-1/2 x 16 ga

4шт.

11

151478C1

SPACER,1 1/4" Tube x 1 5/8"

brake pivot shaft

1шт.

12

165901C1

BAR

SUPPORT, wheel brace pivot shaft

1шт.

18764R1

HARDWARE,Hex, 5/16"-18 x 3/4", G2

BOLT, 5/16 x 3/4 hex-hd mach

4шт.

120376

NUT,5/16"-18, G5

4шт.

80681

LOCK WASHER,5/16"

WASHER, LOCK, 5/16"

4шт.

13

672828R91

CYLINDER

ASSY, brake master

1шт.

120377

NUT,3/8" - 16, Gr 5

4шт.

18495R1

BOLT,Hex, 3/8" - 16 x 1 1/4", Gr 2

3/8 x 1-1/4 hex-hd mach

4шт.

120382

LOCK WASHER,Helical Spring, 3/8"

WASHER, LOCK, 3/8"

4шт.

14

284588C1

INSERT

fitting body

2шт.

15

868351R1

CAP

master cylinder filler

1шт.

180050

BOLT,Hex, 1/4" - 20 x 2 3/4", Gr 5

SCREW, 1/4-20 x 2-3/1 hex-hd cap

1шт.

120392

WASHER,1/4", SAE

.281 x .625 x .051

1шт.

16

673857R1

SLEEVE

automatic adjuster

1шт.

17

868447R1

GASKET

filler cap

1шт.

18

673856R1

X

RING, external retainer

1шт.

19

144243

CLEVIS

3/8-24 adj rod end

1шт.

120369

NUT,3/8"-24, G5

2шт.

121222

COTTER PIN,3/32" x 3/4"

PIN, SPLIT (COTTER), 3/32" x 3/4"

2шт.

138084

SPLIT PIN/SAFETY PIN

PIN, 3/8 x 1-3/32 rod end

2шт.

20

165899C1

SUPPORT, wheel brake return spring

1шт.

16897R1

CARRIAGE BOLT,Short Nk, 5/16" - 18 x 3/4", Gr 2, Full Thd

BOLT, 5/16 x 3/4 sq-nk crg

2шт.

120376

NUT,5/16"-18, G5

2шт.

80681

LOCK WASHER,5/16"

WASHER, LOCK, 5/16"

2шт.

21

165900C1

ANGLE

CLIP, wheel brake pivot shaft right support

1шт.

22

164581C1

SUPPORT, brake master cylinder

1шт.

18508R1

CARRIAGE BOLT,Short Nk, 3/8" - 16 x 3/4", Gr 2, Full Thd

BOLT, 3/8 x 3/4 sq-nk crg

4шт.

120377

NUT,3/8" - 16, Gr 5

4шт.

120382

LOCK WASHER,Helical Spring, 3/8"

WASHER, LOCK, 3/8"

4шт.

23

965560R1

ROD

master cylinder push

2шт.

124925

JAM NUT,Jam, 3/8"-24, G5

2шт.

24

965561R1

RETAINER

push rod

2шт.

25

201594C1

PACKAGE

KIT, master cylinder repair, does not include ref. no 23 & 24

1шт.

Выбрано товаров: 50