Запчасти Case IH 915 (21-08) - THRESHING CYLINDER AND CONCAVE, VARIABLE CYLINDER DRIVE (14) - THRESHING

Схема запчастей Case IH 915 - (21-08) - THRESHING CYLINDER AND CONCAVE, VARIABLE CYLINDER DRIVE (14) - THRESHING
21
26
34
25
56
53
21
23
1
37
9
7
50
39
54
42
18
40
15
33
35
51
48
8
19
49
32
45
44
59
41
22
2
27
58
46
55
38
24
13
12
16
30
4
17
36
43
52
11
53
5
3
28
29
6
14
10
31
57
20
47
35
21
FIT
1:1
100%

Артикул

Название

Примечание

Количество

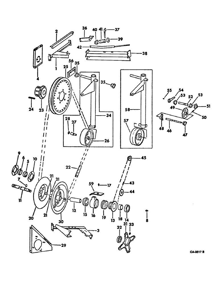
1

168291C1

SUPPORT ASSY, variable cylinder drive jackshaft upper

1шт.

18494R1

BOLT,Hex, 3/8" - 16 x 1", Gr 2

3/8 x 1 hex-hd mach

4шт.

120377

NUT,3/8" - 16, Gr 5

4шт.

120382

LOCK WASHER,Helical Spring, 3/8"

WASHER, LOCK, 3/8"

4шт.

2

168294C1

ANGLE, variable cylinder drive upper jackshaft support tie

1шт.

18778R1

SCREW,Hex, 3/8"-16 x 3/4", G2

BOLT, 3/8 x 3/4 hex-hd mach

2шт.

120377

NUT,3/8" - 16, Gr 5

2шт.

120382

LOCK WASHER,Helical Spring, 3/8"

WASHER, LOCK, 3/8"

2шт.

3

168286C2

SUPPORT ASSY, variable cylinder drive jackshaft lower

1шт.

18494R1

BOLT,Hex, 3/8" - 16 x 1", Gr 2

3/8 x 1 hex-hd mach

4шт.

120377

NUT,3/8" - 16, Gr 5

4шт.

120382

LOCK WASHER,Helical Spring, 3/8"

WASHER, LOCK, 3/8"

4шт.

4

168803C1

SUPPORT ASSY, variable cyl drive inner bearing

1шт.

17140R1

CARRIAGE BOLT,Short Nk, 1/2" - 13 x 1 1/4", Gr 2, Full Thd

BOLI,1/2 x 1-1/4 sq-nk crg

4шт.

455000

BOLT,Hex, 1/2" - 13 x 1 1/4", Gr 8

1/2 x 1-1/4 hex-hd type 8

6шт.

120378

NUT,Hex, 1/2" - 13, Gr 5

NUT, 1/2"-13, G5

4шт.

366864C1

LOCK WASHER,1/2"

1/2"

1шт.

120384

WASHER,1/2"

LOCK, 1/2"

4шт.

607895R1

WASHER

17/32 x 1 x 11 GA

3шт.

5

172404C91

BALL BEARING,42.86mm ID x 85mm OD x 22mm W

BEARING, variable pulley jackshaft inner

1шт.

6

629724R1

COLLAR w/SET SCREW, variable pulley jackshaft inner

1шт.

7

382432R1

O-RING,1.984" ID x 0.139" Width

2 x 2-1/4 x 1/8

2шт.

8

80711

LUBE NIPPLE,65 Degree, 1/8" NPT x 7/8" lg

FITTING, 1/8 x 67-1/2 deg lub

1шт.

9

152920C91

FLANGE

W/65 deg lub inner jackshaft

1шт.

10

152921C1

FLANGE

inner jackshaft brg

1шт.

11

173160C1

SHAFT

variable pulley jack

1шт.

19392R1

LOCK NUT,1 1/8"-12, G5

NUT, 1-1/8 nylon insert

1шт.

478258R1

WASHER

1-5/32 x 1-3/4 x 11 ga

1шт.

12

173158C1

SLEEVE

variable cyl pulley drive

1шт.

13

174277C1

SLEEVE

variable cyl pulley control, RH 26-T, serial no 9137 and below, 9253, 9242, 9346 and above

1шт.

13

SLEEVE, varaible cyl pulley control RH 26-T, serial nos. 9138 to 9252 and 9254, 9346 and below, order 1-165992C1, 1-168200C1, 1-174277C1

1шт.

14

174279C91

BALL BEARING,2.5" ID x 4.082 mm OD x 0.875 mm

BEARING, variable cyl pulley control male sleeve

1шт.

15

165992C91

BALL BEARING,2.778" ID x 4.266" OD x 0.875"

BEARING, variable cyl pulley control RH female sleeve, serial no 9137 and below, 9253, 9254, 9346 and above

1шт.

15

BEARING, variable cyl pulley control RH female sleeve, serial nos 9138 to 9252, 9255 to 9345, order 1-165992C91, 1-168200C1, 1-174277C1

1шт.

16

168200C1

SLEEVE

variable cylinder pulley control, serial no 9137 and below 9253, 9254, 9346 and above

1шт.

16

SLEEVE, variable cyl pulley control, serial no 9138 to 9252; 9255 to 9345 order 1-165992C91, 1-168200C1, 1-174277C1

1шт.

17

219-86

LUBE NIPPLE,1/8" NPTF

FITTING, 1/8 str lub self tapping

1шт.

18

174278C1

SPACER

variable cyl control RH sleeve

1шт.

19

168362C2

COVER

variable cyl drive control sleeve

1шт.

20

163883C11

PULLEY

ASSY, variable cyl fixed half driven, grain, corn and rice 18 in. OD, includes ref no. 21

1шт.

20

174184C91

PULLEY ASSY, variable cyl fixed half, edible bean, 18 in OD, includes ref no 21

1шт.

21

633433R1

BEARING

BUSHING, variable cylinder pulley

3шт.

22

164006C1

V-BELT,2.00" W x 116.48" L

Variable Cylinder Drive 2.00" W x 116.48" L

1шт.

23

172713C1

HUB

variable cyl drive pulley

1шт.

24

172303C1

KEY

1/2 x 6 sq parallel hard

1шт.

25

172712C11

PULLEY

variable cyl drive, 20 in. OD

1шт.

226092R1

BOLT,Hex, 7/16" - 14 x 1 1/2", Gr 8

7/16 x 1-1/2 hex-hd type B

6шт.

9418646

NUT,7/16"-14, G8

7/16 hex type B

6шт.

390306R1

WASHER, .469 x .922 x .065 hard

1шт.

26

164024C3

PULLEY

variable cyl drive belt idler 8 in OD, for use w/168568C1 lever assy ref no 34 and 559203R91 bearing ref 27

1шт.

271796

BOLT,Hex, 3/4" - 16 x 2 3/4", Gr 5

SCREW, 3/4 1-3/4 hex-hd cap

1шт.

27

559205R91

BEARING ASSY,15.92 mm ID x 30 mm OD x 82.55 mm

variable cyl drive belt idler pulley, for use w/164024C3 pulley ref no 26 and 168568C1 lever ref no 34 and 559203R1 snap ring

1шт.

28

559203R1

SNAP RING,#118, 1.260", Int, Spiral

RING, variable cyl drive belt idler snap, for use w/164024C3 pulley ref no 26 and 168568C1 lever ref no 34 and 559205R91 bearing ref no 27

1шт.

29

168283C1

SUPPORT, variable cylinder drive jackshaft outer bearing bracket

1шт.

17351R1

CARRIAGE BOLT,Short Sq Nk, 3/8" - 16 x 1", Gr 2

BOLT, 3/8 x 1 sq-nk crg

7шт.

120377

NUT,3/8" - 16, Gr 5

7шт.

120382

LOCK WASHER,Helical Spring, 3/8"

WASHER, LOCK, 3/8"

7шт.

20803R1

WASHER

13/32 x 1 x 11 ga

6шт.

30

163882C11

PULLEY

w/pins variable cylinder adj half driven, 18 in. OD, grain, corn and rice

1шт.

30

174185C1

PULLEY, w/pins variable cylinder adj half driven, bean, 18 inch OD

1шт.

31

174182C92

BRACKET W/BRG, jackshaft outer brg, includes ref no. 32

1шт.

18685R1

CARRIAGE BOLT,Short Sq Nk, 3/8" - 16 x 1 1/2", Gr 2

BOLT, 3/8 x 1-1/4 sq-nk crg

2шт.

482256R1

BEARING LOCK NUT,Flg, USR, 3/8"-16

3/8 flange lock

4шт.

181643

BOLT,Hex, 3/8" - 24 x 1 1/2", Gr 5

SCREW, 3/8 x 1-1/2 hex-hd cap

2шт.

20803R1

WASHER

13/32 x 1 x 11 ga

4шт.

32

174180C91

BALL BEARING

BEARING, variable cylinder jackshaft outer RH (Replaces 174180R91)

1шт.

33

219-8

LUBE NIPPLE,1/4" - 28 NPTF

FITTING, 1/4-28 str lub (Replaces 109454)

1шт.

34

168568C1

LEVER ASSY, variable cyl drive belt, for use w/164024C3 pulley ref no 26 and 559203R1 snap ring ref no 28 and 559205R91 bearing ref no 27

1шт.

35

157428C91

BUSHING

BEARING, belt tightener pivot shaft side flange

2шт.

18764R1

HARDWARE,Hex, 5/16"-18 x 3/4", G2

BOLT, 5/16 x 3/4 hex-hd mach

4шт.

120376

NUT,5/16"-18, G5

4шт.

80681

LOCK WASHER,5/16"

WASHER, LOCK, 5/16"

4шт.

36

168572C1

ANCHOR ASSY, variable cylinder drive

1шт.

17351R1

CARRIAGE BOLT,Short Sq Nk, 3/8" - 16 x 1", Gr 2

BOLT, 3/8 x 1 sq-nk crg

1шт.

120377

NUT,3/8" - 16, Gr 5

1шт.

120382

LOCK WASHER,Helical Spring, 3/8"

WASHER, LOCK, 3/8"

1шт.

20803R1

WASHER

13/32 x 1 x 11 ga

1шт.

37

168753C1

PLATE, variable drive tightener frame

1шт.

17351R1

CARRIAGE BOLT,Short Sq Nk, 3/8" - 16 x 1", Gr 2

BOLT, 3/8 x 1 sq nk crg

2шт.

482256R1

BEARING LOCK NUT,Flg, USR, 3/8"-16

3/8 flange

2шт.

38

168575C1

ANCHOR ASSY, variable cyl drive belt tightener

1шт.

18494R1

BOLT,Hex, 3/8" - 16 x 1", Gr 2

3/8 x 1 hex-hd mach

2шт.

17351R1

CARRIAGE BOLT,Short Sq Nk, 3/8" - 16 x 1", Gr 2

BOLT, 3/8 x 1 sq-nk crg

4шт.

18708R1

BOLT,Short NK, 1/2"-13 x 1 3/4", G2

1/2 x 1-3/4 sq-nk crg

1шт.

482256R1

BEARING LOCK NUT,Flg, USR, 3/8"-16

3/8 flange lock

4шт.

120378

NUT,Hex, 1/2" - 13, Gr 5

NUT, 1/2"-13, G5

1шт.

120384

WASHER,1/2"

LOCK, 1/2"

1шт.

39

168579C1

RETAINER, variable cyl drive belt tightener spring

1шт.

40

168580C1

RETAINER, variable cyl drive belt spring ball

1шт.

41

608347R1

SPRING

variable speed drive belt tightener

1шт.

42

168581C1

LINK ASSY, variable cylinder drive tightener drawbolt

1шт.

22244R1

LOCK NUT

3/4 nylon insert

1шт.

217973

COTTER PIN,1/4" x 1 1/4"

Pin, Split (Cotter), 1/4" x 1-1/4"

1шт.

22283R1

O-RING,-156, 70 Duro, 4.237" ID x .103" Thk

PIN, 3/4 x 1-1/2 std-hd-dld

1шт.

366112R1

WASHER

25/32 x 1-1/4 x 11 ga

1шт.

43

CHAIN, variable speed cylinder adj control lower, use 21 links from 10 foot roll marked 569088R91, two connecting links 457113R91, two offset links 457114R91 and one roller link 457112R91

1шт.

44

171784C1

SPROCKET ASSY.

SPROCKET, lower adj control chain tightener 6-T

1шт.

120238

JAM NUT,Jam, 1/2"-13, G5

1/2 hex jam

1шт.

487374R1

BEARING LOCK NUT,Flg, USR, 1/2"-13

1/2 flange lock

1шт.

180181

BOLT,Hex, 1/2" - 13 x 2", Gr 5

SCREW, 1/2 x 2 hex-hd cap

1шт.

45

164302C1

SPROCKET ASSY.

SPROCKET, variable speed cyl drive upper control shaft 8-T

1шт.

21648R1

LOCK PIN,1/4" x 1 1/4", Slotted

Pin, 1/4" x 1 1/4", Slotted

1шт.

46

164305C4

SHAFT, variable cylinder speed upper control

1шт.

47

382508R91

BEARING ASSY,0.752" ID x 0.81"

BEARING, variable cylinder speed upper control shaft

1шт.

938017R1

FLANGE NUT,Flg, USR, 5/16"-18

5/16 flange lock

2шт.

477-73108

SERRATED SCREW,Sl Truss Hd, 5/16" - 18 x 1/2"

5/16 x 1/2 slt-truss-hd

2шт.

48

165909C91

BUSHING

BEARING, variable cyl speed upper control shaft pillow block

1шт.

938017R1

FLANGE NUT,Flg, USR, 5/16"-18

5/16 flange lock

2шт.

135270

SERRATED SCREW,5/16" - 18 x 3/4"

5/16 x 3/4 slt-truss-hd

2шт.

49

164793C1

SPROCKET, variable cyl speed upper control shaft 18-T

1шт.

21648R1

LOCK PIN,1/4" x 1 1/4", Slotted

Pin, 1/4" x 1 1/4", Slotted

1шт.

50

CHAIN ASSY, variable speed cyl drive console adjusting, use 31 links from 10 ft roll marked 569088R91 and one connecting link 457113R91

1шт.

51

164302C1

SPROCKET ASSY.

SPROCKET, variable speed control console shaft 8-T

1шт.

21465R1

PIN, 1/4 x 1-1/4 slt spring

1шт.

52

164303C2

SHAFT, variable speed control console

1шт.

21648R1

LOCK PIN,1/4" x 1 1/4", Slotted

Pin, 1/4" x 1 1/4", Slotted

1шт.

178375R1

WASHER

25/32 x 1-1/4 x 16 ga

1шт.

53

382508R91

BEARING ASSY,0.752" ID x 0.81"

BEARING, variable speed control console

2шт.

16897R1

CARRIAGE BOLT,Short Nk, 5/16" - 18 x 3/4", Gr 2, Full Thd

BOLT, 5/16 x 3/4 sq-nk crg

4шт.

120376

NUT,5/16"-18, G5

4шт.

80681

LOCK WASHER,5/16"

WASHER, LOCK, 5/16"

4шт.

54

170282C1

HANDLE

cyl speed adj. ratchet

1шт.

55

124549

WOODRUFF KEY,#9, 3/16" x 3/4", HT

1шт.

56

169213C1

PLATE, tightener pivot inner bearing support

1шт.

16897R1

CARRIAGE BOLT,Short Nk, 5/16" - 18 x 3/4", Gr 2, Full Thd

BOLT, 5/16 x 3/4 sq-nk crg

2шт.

120376

NUT,5/16"-18, G5

2шт.

80681

LOCK WASHER,5/16"

WASHER, LOCK, 5/16"

2шт.

20893R1

WASHER

11/32 x 1 x 11 ga

2шт.

18508R1

CARRIAGE BOLT,Short Nk, 3/8" - 16 x 3/4", Gr 2, Full Thd

BOLT, 3/8 x 3/4 sq-nk crg

2шт.

482256R1

BEARING LOCK NUT,Flg, USR, 3/8"-16

3/8 flange lock

2шт.

57

174510C91

PULLEY ASSY.

PULLEY ASSY, variable cyl drive belt idler, 8 in OD, for use w/180205C1 lever ref no 58

1шт.

58

180250C1

LEVER ASSY, variable cyl drive belt, for use w/174510C91 pulley ref no 57

1шт.

59

168216C1

BAR

variable cylinder drive control stop

1шт.

180122

BOLT,Hex, 3/8" - 16 x 1", Gr 5

3/8 x 1-1/2 hex-hd cap

1шт.

120377

NUT,3/8" - 16, Gr 5

1шт.

12382

RING

WASHER, 3/8 lock

1шт.

Выбрано товаров: 136