Запчасти Case IH 915 (07-02) - DRIVE TRAIN, FINAL DRIVE Drive Train

Схема запчастей Case IH 915 - (07-02) - DRIVE TRAIN, FINAL DRIVE Drive Train
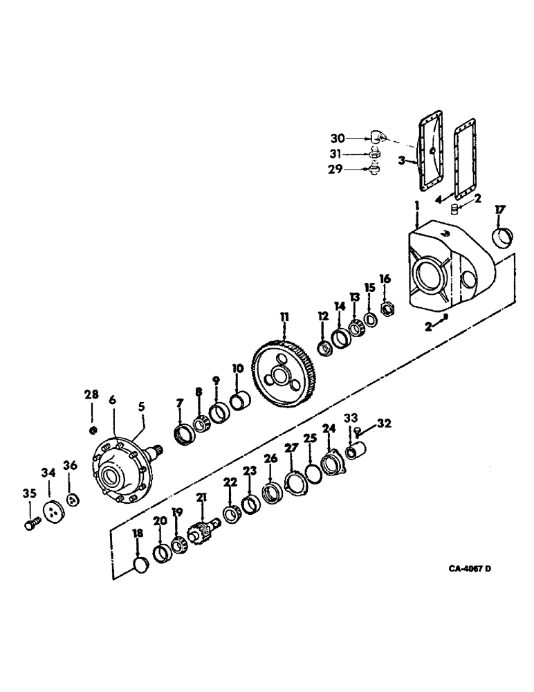
6
4
32
11
7
30
28
5
27
19
20
22
14
21
33
31
2
2
36
12
29
10
15
25
17
9
18
26
3
23
16
8
35
34
1
13
24
FIT
1:1
100%

Артикул

Название

Примечание

Количество

1

401901R2

HOUSING

final drive

2шт.

2

9409947

DRAIN PLUG,Sq Soc, 3/4"-14 NPTF

PLUG, 3/4-14 auto sq-hd pipe

2шт.

3

403894R2

COVER ASSY

housing

2шт.

541313R1

BOLT,Hex Serr Flg, 3/8" - 16 x 3/4"

SCREW, 3/8 x 3/4 hed-hd flange

1шт.

4

196435C1

GASKET

final drive housing cover

2шт.

5

63284C92

SHAFT

final drive, includes ref nos. 6, 34, 35, 36, serial no 13666 and above, rubbed tires

2шт.

6

565130R3

BOLT,3/4" - 16 x 2 5/8", Class 8

wheel

20шт.

7

401905R91

OIL SEAL,98.93mm ID x 152.58mm OD x 15.88mm Thk

outer bearing cage

2шт.

8

283444C91

BEARING ASSY,85.03mm ID x 46.67mm W

BEARING ASSY, shaft roller cone

2шт.

9

18241H

BEARING, CUP,150.09mm OD x 36.51mm W

BEARING ASSY, shaft roller cup

2шт.

10

401906R1

SPACER

gear outer

2шт.

11

401907R1

GEAR

drive 66-T

2шт.

12

401908R1

SPACER

final drive

2шт.

13

ST2018A

BEARING ASSY,66.67mm ID x 30.24mm W

shaft inner cone

2шт.

14

ST967

BEARING, CUP,2.5" ID x 4.4385" OD x 1.1955"

BEARING ASSY, shaft inner cup

2шт.

15

403896R1

WASHER

WASHER, final drive

2шт.

16

147030R1

SLOTTED NUT

shaft 2-13NS thread

2шт.

17233R1

COTTER PIN,1/8" x 2 1/2"

1/8" x 2 1/2"

1шт.

17

403895R1

COVER

main shaft

1шт.

28

429-1112

NUT,3/4"-16, G5

3/4-16 wheel bolt

20шт.

18

57719C1

PLUG

expansion, S/N 26000 and below

2шт.

19

401911R91

BEARING ASSY,44.45mm ID x 31.75mm W

BEARING ASSY, pinion shaft outer cone

1шт.

20

61012R1

BEARING, CUP,93.66mm OD x 25.4mm W

BEARING, pinion shaft oute bearing cup

2шт.

21

401912R1

SHAFT

pinion

2шт.

22

M53320

BEARING ASSY

inner cone

2шт.

23

50320R1

BEARING CUP

inner cup

2шт.

24

401913R1

CAGE

pinion inner bearing

2шт.

25

257642R1

O-RING,0.139" Thk x 4.234" ID, -244, Cl 5, 75 Duro

4-1/4 x 4-1/2 x 1/8

2шт.

26

401914R91

OIL SEAL,54.28mm ID x 85.22mm OD x 11.13mm Thk

bearing cage (Replaces 401914R1)

2шт.

179818

BOLT,Hex, 5/16" - 18 x 1", Gr 5

6шт.

27

401915R1

SHIM

pinion inner brg .003

1шт.

27

401916R1

SHIM

pinion inner brg .005

1шт.

27

401917R1

SHIM

pinion inner brg .007

1шт.

27

184033C1

SHIM

pinion inner brg .030

1шт.

25548R1

WASHER

.812 x 1.500 x .219 phc hdn

20шт.

29

110891H

BREATHER,1/8"-27 NPT, Short, w/washer

ASSY, oil

2шт.

30

141621

ELBOW,90 Degree, 3/4" NPT Street

3/4 90 deg street, rice only

2шт.

31

21276R1

ADAPTER,3/4" NPT Male x 1/8" NPT Fem

REDUCER, 3/4 x 1/8 pipe

2шт.

32

27653R1

BOLT,Hex, 3/8" - 16 x 3 1/2", Gr 8

3/8 x 3-1/2 dld type

2шт.

654049R1

LOCK NUT

WASHER, .906 x 1.500 x .164 pln

2шт.

21864R1

COTTER PIN

.114 dia. 5 type cot

2шт.

33

401875R1

SLEEVE

PACKAGE, axle shaft sleeve

2шт.

34

121797C1

WASHER

final drive shaft

1шт.

35

875933C1

BOLT,Hex, 5/8" - 11 x 2 1/4", Drilled

axle retainer

6шт.

WIRE, bolt retaining no. 19 bwg. .042 x 8-1/2 in.

2шт.

36

121789C1

FAN

SHIM, final drive shaft .015

1шт.

36

121799C1

SHIM

final drive shaft .018

1шт.

36

121800C1

SHIM

final drive shaft .021

1шт.

Выбрано товаров: 48