Запчасти Case IH 915 (07-04) - DRIVE TRAIN, TRANSMISSION Drive Train

Схема запчастей Case IH 915 - (07-04) - DRIVE TRAIN, TRANSMISSION Drive Train
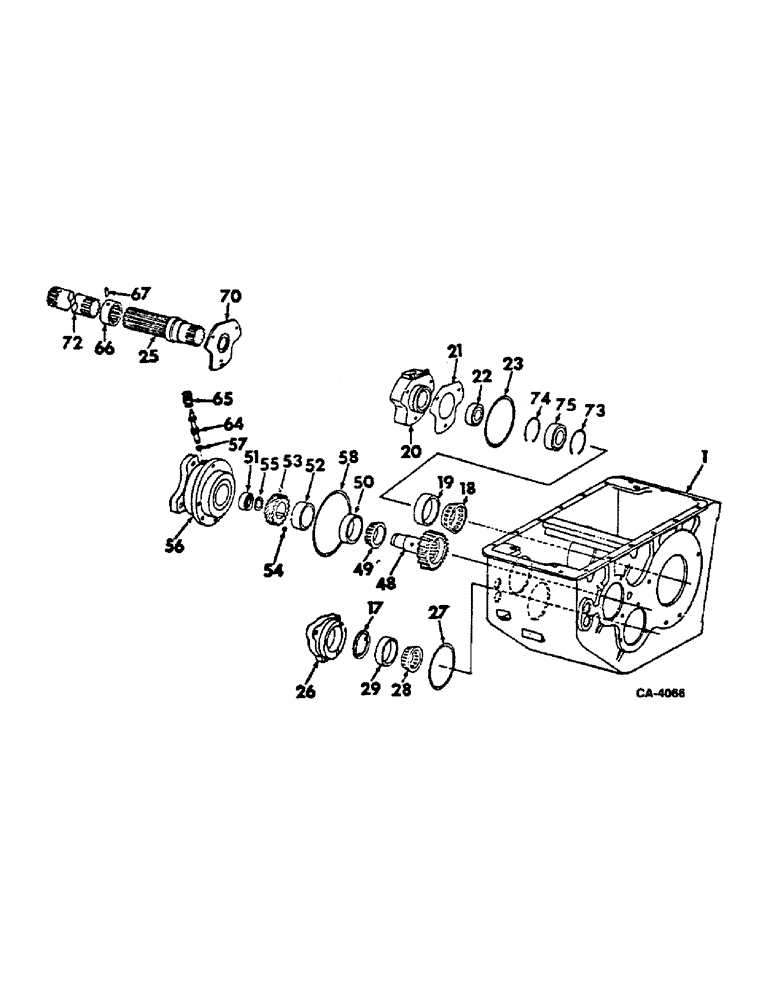
27
52
55
49
72
19
57
18
48
21
75
67
54
26
25
50
73
56
70
1
20
23
66
28
58
29
64
17
22
74
65
53
51
FIT
1:1
100%

Артикул

Название

Примечание

Количество

1

401873R1

CASE

transmission

1шт.

2

320185C1

PLUG

3/4-14 sq-soc mag pipe

1шт.

3

9409947

DRAIN PLUG,Sq Soc, 3/4"-14 NPTF

PLUG, 3/4-14 auto sq-soc pipe

1шт.

4

9410358

PLUG

9/16-18 C-Z st-thd o-ring

2шт.

5

364839R1

O-RING,0.078" Thk x 0.468" ID, -906, Cl 6, 90 Duro

6-1, 90 Duro, .468" ID x .078" Thk

1шт.

6

588801R1

SPRING

bear shift lock ball

2шт.

7

16016R1

BALL

1/2 cr stl

2шт.

8

16014R1

BALL

7/16 cr stl

2шт.

9

401859R3

COVER, transmission case

1шт.

179837

BOLT,Hex, 3/8" - 16 x 3/4", Gr 5

18шт.

10

110891H

BREATHER,1/8"-27 NPT, Short, w/washer

trans case oil

1шт.

11

401860R1

GASKET

trans case cover

1шт.

12

404081R1

CASE ASSY.

CASE ASSY, differential

1шт.

13

404085R1

GEAR

diff driven, 66 T

1шт.

14

361061R3

PINION

diff bevel, 10 T

4шт.

15

404084R1

PINION

GEAR, diff bevel, 20 T

2шт.

16

393637R2

DIFF. SPIDER

SPIDER, differential

1шт.

17

530704R1

THRUST WASHER

WASHER, thrust

1шт.

18

ST2096

BEARING ASSY,73.03mm ID x 25.4mm W

diff roller cone

2шт.

19

ST981

BEARING CONE,112.71mm OD x 19.05mm W

BEARING, diff roller cup

2шт.

20

HOUSING, brake, refer to group 10 under transmission and parking brake for unit listing

2шт.

413-1036

BOLT,Hex, 5/8" - 11 x 2-1/4", Gr 5

SCREW, 5/8-11 x 2-1/4 hed-hd cap

7шт.

27434R1

BOLT,Hex, 5/8" - 11 x 2 1/4", Gr 8

5/8 x 2-1/4 phc p/t type 8

1шт.

21

401898R1

SHIM

brake housing .003

1шт.

21

401899R1

SHIM

brake housing .005

1шт.

21

401900R1

SHIM

brake housing .007

1шт.

22

184072C1

OIL SEAL,55.88mm ID x 76.2mm OD x 9.5mm Thk

housing oil

2шт.

23

22292R1

O-RING,4.725" ID x 5.275" OD x 0.275"

4-3/4 x 5-1/4 x 1/4

2шт.

24

401872R91

SEAL,73.03mm ID x 110.24mm OD x 11.1mm Thk

brake adapter hsg cover

2шт.

25

130879C1

SHAFT

differential

2шт.

26

403362R2

CAGE

bearing cap

1шт.

179841

BOLT,Hex, 3/8" - 16 x 1 1/4", Gr 5

3/8-16 x 1-1/4 hed-hd cap

3шт.

27

355740R1

O-RING,0.139" Thk x 3.734" ID, -240, Cl 5, 75 Duro

3-3/4 x 4 x 1/8

3шт.

28

131311C91

ROLLER BEARING,1.3755" ID x 2.8448" OD x 1"

BRG ASSY, diff pinion shaft roller cone

1шт.

29

131312C1

BEARING CUP

BRG, diff pinion shaft roller cup

1шт.

30

530699R1

PINION

GEAR, spool, 59, 39, 27 T

1шт.

31

675708R91

NEEDLE BEARING

BEARING, spool gear

2шт.

32

401878R1

SHAFT

& GEAR, diff pinion, 14 T

1шт.

33

401879R1

SPACER,54.1mm ID x 79.2mm OD x 6.28mm L

spool gear

1шт.

34

406606R1

GEAR

change driven 41-T, 32-41 gears for corn & rice

1шт.

34

401881R1

GEAR

change, driven 37-T, 36-37 gears for grain

1шт.

35

196693H1

RING

change driven snap

2шт.

36

ST791

TAPERED BEARING,1.6255" ID x 3.376" OD x 1.202"

BEARING ASSY, pinion shaft roller cone

1шт.

37

ST951

TAPERED BEARING,1.6255" ID x 3.376" OD x 1.202"

BEARING, diff pinion shaft roller cup

1шт.

38

403363R1

BEARING CAP,73.4 mm ID x 101.5 mm OD x 54.1 mm

CAGE, bearing cap

1шт.

413-622

BOLT,Hex, 3/8" - 16 x 1-3/8", Gr 5

SCREW, 3/8-16 x 1-3/8 hex-hd cap

3шт.

39

401883R1

SHIM

brg cap ret, .003

1шт.

39

401884R1

SHIM

.005

1шт.

39

401885R1

SHIM

.007

1шт.

40

401886R1

SHAFT

& GEAR, change drive 36-T, 36-37 gears for grain

1шт.

40

406607R1

GEAR WHEEL

SHAFT & GEAR, change drive 32-T, 32-41 gears for corn & rice

1шт.

41

50212VA

ROLLER BEARING,33.35mm ID x 24.01mm W

BEARING ASSY, change drive shaft roller cone

1шт.

42

50213V

BEARING CUP

BEARING, change drive shaft roller cup

1шт.

43

530700R1

GEAR

2nd & 3rd sliding, 26 & 46 T

1шт.

44

401889R1

GEAR

1st sliding, 58 T

1шт.

45

290099C91

TAPERED BEARING,39.69mm ID x 22.1mm W

BEARING ASSY, input drive shaft roller cone

1шт.

46

290100C1

BEARING CUP,73.05mm OD x 17.78mm W

BEARING, input drive shaft roller cup

1шт.

47

130791C1

BEARING CAP,65.5 mm ID x 101.51 mm OD x 58.7 mm

brg ret

1шт.

413-622

BOLT,Hex, 3/8" - 16 x 1-3/8", Gr 5

SCREW, 3/8-16 x 1-3/8 hed-hd cap

3шт.

48

401890R1

SHAFT

input pinion

1шт.

49

300426R91

BEARING ASSY,45.618 mm ID x 25.4 mm

BEARING ASSY, input pinion shaft cone

1шт.

50

130503H

BEARING CUP

BEARING, input pinion shaft cup

1шт.

51

359950R1

BEARING

needle

1шт.

52

406310R1

SPACER, gear

1шт.

53

406311R1

GEAR, drive 5-T speedometer, 32, 41 gears for corn & rice

1шт.

53

406312R1

GEAR, drive 7-T speedometer, 36, 37 gears for grain

1шт.

54

17008R1

BALL,1/4" Dia

1шт.

55

336000R1

SNAP RING,#175, 1.640", Ext

RING, gear ret snap

1шт.

56

406309R2

HOUSING ASSY, input, includes ref no. 57

1шт.

NLS

NO LONGER SERVICED

4шт.

57

BUSHING, speedometer driven gear, refer to group 11 under instruments and gauges for unit listing

1шт.

58

22291R1

O-RING,0.21" Thk x 4.35" ID, -348, Cl 5, 75 Duro

4-3/4 x 4-3/4 x 3/16

1шт.

59

530701R1

SHAFT, 2nd & 3rd gear shifter

1шт.

60

530702R1

SHAFT, 1st gear shifter

1шт.

61

401897R2

FORK

gear shifter

2шт.

62

573985R1

SET SCREW,Sq Hd, 3/8"-24 x 1"

SCREW, shifter fork set

2шт.

114494

NUT,Jam, 3/8"-24, G5

2шт.

63

549712R1

OIL SEAL

shifter rail oil

4шт.

64

GEAR, speedometer driven 16-T, 36/37 gears, standard w/18 4-26 or 23.1-16 main wheel tires, rice special, refer to group 11 under, instruments and gauges for unit listing

1шт.

64

GEAR, speedometer driven 14-T, 32/41 gears, standard for rice w/rubber tires, special for 28.1-26 main wheel tires, refer to group 11 under insturments and gauges for unit listing

1шт.

64

GEAR, speedometer driven 14-T, 36/37 gears, standard for 28.1-26 main wheel tires, refer to group 11 under instruments and gauges for unit listing

1шт.

64

GEAR, speedometer driven 16-T, 32/41 gears, standard for corn special, optional for bean and windrow special w/18.4-26 or 23.1-26 main wheel tires, refer to group 11 under instruments and gauges for unit listing

1шт.

65

SLEEVE, speedometer gear, refer to group 11 under instruments and gauges for unit listing

1шт.

66

401875R31

SLEEVE

PACKAGE, axle shaft sleeve

2шт.

67

27653R1

BOLT,Hex, 3/8" - 16 x 3 1/2", Gr 8

3/8 x 3.38 type 8 phc

2шт.

654049R1

LOCK NUT

3/8-16 pln slt-hex

2шт.

21864R1

COTTER PIN

.114 dia S type cotter

2шт.

68

404171R1

BOLT,1/4" - 20 x 4"

diff case

12шт.

69

381368R1

NUT,Hex, 1/2" - 20, Gr 8

1/2-20 hex. thick

12шт.

70

401871R11

COVER

ASSY, brake adapter housing

2шт.

179885

BOLT,Hex, 1/2" - 13 x 1 1/2", Gr 5

6шт.

71

59896C1

SHAFT

axle drive LH, rubber tires

1шт.

71

196102C1

SHAFT, LH axle drive, 25.17 in., track

1шт.

72

59899C1

SHAFT, axle drive RH, rubber tires

1шт.

72

196103C1

SHAFT, axle drive RH, 34, 37 in., track

1шт.

73

289134R1

SNAP RING,3.938", Int, #393

Ring, Snap, , brake hsg 3.938", Int, #393

2шт.

74

358059R1

SNAP RING

RING, differential shaft snap

2шт.

75

ST265

BALL BEARING,55mm ID x 100mm OD x 21mm Thk

BEARING, differential shaft

2шт.

76

121210

PIPE,Nipple, 1/4" NPT x 4 1/2"

1шт.

77

105420

REDUCER FITTING

REDUCER, pipe 1/4 x 1/8

1шт.

Выбрано товаров: 100