Запчасти Case IH 915 (25-07) - ELEVATORS, TAILINGS ELEVATOR Elevators

Схема запчастей Case IH 915 - (25-07) - ELEVATORS, TAILINGS ELEVATOR Elevators
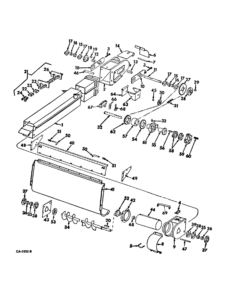
15
37
47
9
65
57
35
46
21
55
51
5
51
28
49
17
69
13
56
32
18
36
8
33
31
35
59
11
20
64
60
27
37
17
42
24
22
43
62
30
44
26
29
3
14
53
17
52
61
16
66
39
45
54
68
58
19
63
41
23
17
38
34
40
38
16
1
48
12
50
67
25
2
4
10
10
6
3
50
15
36
7
FIT
1:1
100%

Артикул

Название

Примечание

Количество

1

169397C1

HOUSING

ASSY, tailings elevators

1шт.

18495R1

BOLT,Hex, 3/8" - 16 x 1 1/4", Gr 2

3/8 x 1-1/4 hex-hd mach

2шт.

120377

NUT,3/8" - 16, Gr 5

2шт.

120382

LOCK WASHER,Helical Spring, 3/8"

WASHER, LOCK, 3/8"

2шт.

607891

WASHER, 13/32 x 1 x 16 ga

8шт.

2

160420C92

HEAD

ASSY, tailings elevator, serial no 19000 and below

1шт.

2

196230C1

HEAD ASSY.

HEAD ASSY, tailings elevator, serial no 19001 and above

1шт.

120375

NUT,Hex, 1/4" - 20, Gr 5

1шт.

492-11025

LOCK WASHER,1/4"

WASHER, LOCK, 1/4"

1шт.

18673R1

CARRIAGE BOLT,Short Sq Nk, 5/16" - 18 x 1/2", Gr 2

BOLT, 5/16 x 1/2 crg type 1

1шт.

938017R1

FLANGE NUT,Flg, USR, 5/16"-18

5/16 flange lock

1шт.

18626R1

CARRIAGE BOLT,Short Sq Nk, 1/4" - 20 x 1/2", Gr 2

BOLT, 1/4 x 1/2 crg type 1

1шт.

3

611421R1

BOLT,Hex, 7/16" - 14 x 3 1/2", Full Thd

7/16 x 3-1/2 C-Z hex-hd mach

2шт.

271501

SOCKET

NUT, 7/16 C-Z hex

4шт.

4

155909C1

LATCH

tailings elevator boot door

1шт.

648002

KNIFE

1/8" x 3/4"

1шт.

21879R1

HEADED PIN,1/4" x 1 1/4"

PIN, 1/4 x 1-1/4 znd std-hd

1шт.

5

664360R1

BOLT,U, 1/4" - 20 x 69.65"

U-BOLT, tailings elevator boot door

1шт.

9413946

LOCK NUT,1/4"-20, GA

NUT, 1/4-20 cad hex. lock

2шт.

6

157140C1

DOOR

tailings elevator head top

1шт.

16888R1

HARDWARE,Short NK, 5/16"-18 x 1 1/4", G2

BOLT, 5/16 x 1-1/4 C-Z sq-nk crg

1шт.

935736R1

NUT, WING

NUT, 5/16 wing

1шт.

619855R1

WASHER

11/32 x 3/4 x 16 ga C-Z

1шт.

7

568671R1

PIN

tailings elevator head door hinge

1шт.

8

184560C91

DOOR

tailings elevator boot, not perforated

1шт.

8

174193C1

DOOR

tailings elevator boot, perforated

1шт.

9

156131C92

BOOT

ASSY, tailings elevator

1шт.

18673R1

CARRIAGE BOLT,Short Sq Nk, 5/16" - 18 x 1/2", Gr 2

BOLT, 5/16 x 1/2 sq-nk crg

6шт.

938017R1

FLANGE NUT,Flg, USR, 5/16"-18

5/16 flange lock

6шт.

10

170584C11

BRACKET

SUPPORT ASSY, tailings elevator head shaft brg

2шт.

16897R1

CARRIAGE BOLT,Short Nk, 5/16" - 18 x 3/4", Gr 2, Full Thd

BOLT, 5/16 x 3/4 C-Z sq-nk crg

4шт.

24658R1

BOLT, 5/16 x 7 znd sq-nk crg

1шт.

120376

NUT,5/16"-18, G5

5шт.

80681

LOCK WASHER,5/16"

WASHER, LOCK, 5/16"

5шт.

134238R1

WASHER

11/32 x 1 x 16 ga C-Z

1шт.

11

160427C1

SHAFT

tailings elevator head

1шт.

668752R1

WASHER

29/32 x 1-1/4 x 16 ga znd

4шт.

21220R1

WASHER

29/32 x 1-1/4 x 11 ga znd

8шт.

12

157243C1

SPACER

tailings elevator head shaft RH

1шт.

13

160429C1

SPACER

tailings elevator head shaft LH

1шт.

14

160430C1

SHIELD

tailings elevator head shaft

1шт.

15

160314C91

BALL BEARING,22.23mm ID x 52.05mm OD x 16.56mm W

BEARING, tailings elevator head shaft

2шт.

16

565618R11

RETAINER

COLLAR W/SET SCREW, tailings

2шт.

17

612031R1

FLANGED BEARING

tailings elevator head shaft brg

4шт.

16897R1

CARRIAGE BOLT,Short Nk, 5/16" - 18 x 3/4", Gr 2, Full Thd

BOLT, 5/16 x 3/4 znd sq-nk crg

4шт.

120376

NUT,5/16"-18, G5

4шт.

80681

LOCK WASHER,5/16"

WASHER, LOCK, 5/16"

4шт.

18

168696C1

SPROCKET ASSY.

SPROCKET, tailings elevator upper conveyor chain 7T

1шт.

19

126-121

WOODRUFF KEY,#A, 1/4" x 7/8", HT

1/4 x 7/8 Woodruff, hard

1шт.

20

155308C1

KEY

1/4 x 1-5/16 sq parallel-hard

1шт.

21

160432C91

CONVEYOR

W/FLIGHTS, tailings elevator, rubber flight

1шт.

21

160434C91

CONVEYOR W/FLIGHTS, tailings elevator, steel flight

1шт.

22

588566R91

LINK

tailings elevator conveyor chain roller

1шт.

23

150722C91

LINK

ASSY, tailings elevator conveyor chain attaching

1шт.

24

588562R91

CHAIN LINK

LINK, tailings elevator conveyor chain offset

1шт.

25

588564R11

LINK

tailings elevator conveyor chain connecting

1шт.

26

152237C91

PADDLE

FLIGHT ASSY, tailings elevator, rubber flight

1шт.

26

153299C91

CONVEYOR

FLIGHT ASSY, tailings elevator, parts accessory, steel flight

1шт.

558430R1

RIVET

5/16 x 19/32 tubular

1шт.

27

162180C1

SPROCKET ASSY.

SPROCKET, tailings elevator driven 33-T

1шт.

18475R1

BOLT,Hex, 5/16" - 18 x 1 1/4", Gr 2

5/8 x 1-1/4 hex-hd mach

4шт.

120376

NUT,5/16"-18, G5

4шт.

80681

LOCK WASHER,5/16"

WASHER, LOCK, 5/16"

4шт.

28

939278R1

HUB

tailings elevator driven sprocket

1шт.

124824

NUT,Hex, 5/16" - 18

5/16 hex jam

2шт.

178758

SET SCREW,Sq Hd, 5/16" - 18 x 3/4", Cup Pt

SCREW, 5/16 x 3/4 sq-hd cup-pt set

2шт.

29

124551

SCREW

1/4 x 7/8 Woodruff A hard

1шт.

30

631905R91

SPROCKET

tailings elevator drive idler 17-T

1шт.

18722R1

CARRIAGE BOLT,Sq Nk, 5/8" - 11 x 2 1/2", Gr 2

BOLT, 5/8 x 2-1/2 sq-nk crg

1шт.

280374

NUT,Hex, 5/8" - 11, Gr 5

5/8 hex

1шт.

492-11062

BEARING WASHER,5/8"

WASHER, LOCK, 5/8"

1шт.

608701R1

WASHER

21/32 x 1-1/4 x 16 ga

3шт.

22585R1

WASHER, 21/32 x 1-1/4 x 12 ga sq

1шт.

31

CHAIN ASSY, tailings elevator drive, use 135 links from 10-ft roll marked 1791 D one connecting link 1310 D and three offset links 1315 D

1шт.

32

SHAFT ASSY, elevator jackshaft, refer to this group under grain elevator drive for unit listing

1шт.

33

109461

LUBE NIPPLE,1/8"-27 x .66 lg

NIPPLE, LUBE, 1/8"-27 x .66 lg

1шт.

34

169433C1

AUGER

ASSY, tailings

1шт.

35

482303R92

BALL BEARING,1.0005" ID x 52 mm OD x 0.84375"

tailings auger

2шт.

36

455102R11

COLLAR

W/SET SCREW, tailings auger brg lkg

2шт.

37

937518R91

FLANGE

W/STR LUB FITTING TAILINGS AUGER BRG

2шт.

16897R1

CARRIAGE BOLT,Short Nk, 5/16" - 18 x 3/4", Gr 2, Full Thd

BOLT, 5/16 x 3/4 C-Z sq-nk crg

6шт.

120376

NUT,5/16"-18, G5

12шт.

80681

LOCK WASHER,5/16"

WASHER, LOCK, 5/16"

6шт.

38

937517R1

FLANGE

tailings auger brg grooved

2шт.

39

589389R1

CYLINDER END CAP

SHIELD, tailings auger brg dust

2шт.

40

175179C1

GATE ASSY

TAILGATE ASSY, tailings trough

1шт.

41

164263C91

TROUGH

ASSY, tailings

1шт.

18673R1

CARRIAGE BOLT,Short Sq Nk, 5/16" - 18 x 1/2", Gr 2

BOLT, 5/16 x 1/2 C-Z sq-nk crg

13шт.

120376

NUT,5/16"-18, G5

13шт.

938017R1

FLANGE NUT,Flg, USR, 5/16"-18

5/16 C-Z flange lock

7шт.

477-73108

SERRATED SCREW,Sl Truss Hd, 5/16" - 18 x 1/2"

5/16 x 1/2 C-Z slt-truss hd

7шт.

80681

LOCK WASHER,5/16"

WASHER, LOCK, 5/16"

13шт.

42

160324C21

FLANGE

ASSY, tailings auger brg plt RH

1шт.

43

160323C1

BAR

STRIP, tailings auger left side

1шт.

16897R1

CARRIAGE BOLT,Short Nk, 5/16" - 18 x 3/4", Gr 2, Full Thd

BOLT, 5/16 x 3/4 C-Z sq-nk crg

4шт.

120376

NUT,5/16"-18, G5

4шт.

80681

LOCK WASHER,5/16"

WASHER, LOCK, 5/16"

4шт.

44

168472C1

ASSEMBLY

SECTION ASSY, tailings elevator to trough, not perforated

1шт.

44

168537C1

EXTENSION

SECTION, tailings elevator to trough, perforated

1шт.

18764R1

HARDWARE,Hex, 5/16"-18 x 3/4", G2

BOLT, 5/16 x 3/4 hex-hd mach

3шт.

120376

NUT,5/16"-18, G5

3шт.

80681

LOCK WASHER,5/16"

WASHER, LOCK, 5/16"

3шт.

45

M80215

SPACER

tailings elevator drive idler

1шт.

46

568673R1

PIPE

SPACER, tailings elevator head

1шт.

47

U17024

PIN

tailings elevator boot door hinge

1шт.

48

177441C1

BRACKET, tailgate support LH

1шт.

18764R1

HARDWARE,Hex, 5/16"-18 x 3/4", G2

BOLT, 5/16 x 3/4 znd hex-hd mach

6шт.

938017R1

FLANGE NUT,Flg, USR, 5/16"-18

5/16 znd flange lock

6шт.

49

177442C1

BRACKET, tailgate support RH

1шт.

18764R1

HARDWARE,Hex, 5/16"-18 x 3/4", G2

BOLT, 5/16 x 3/4 hex-hd mach

6шт.

938017R1

FLANGE NUT,Flg, USR, 5/16"-18

5/16 flange lock

6шт.

50

611044R1

AXLE PIN,6.35mm OD

PIN, tailings trough tailgate lock

2шт.

121223

COTTER PIN,1/16" x 3/4"

PIN, SPLIT (COTTER), 1/16" x 3/4"

2шт.

21784R1

WASHER

17/64 x 1/2 x 16 ga C-Z

2шт.

51

606245R1

SPRING

tailings trough tailgate lock

2шт.

52

165292C1

SPROCKET ASSY.

SPROCKET, tailings elevator lower conveyor chain 6T

1шт.

53

589389R1

CYLINDER END CAP

SHIELD, tailings auger brg dust LH

1шт.

54

164196C1

SPROCKET ASSY.

SPROCKET, elevator drive slip clutch 26-T

1шт.

18785R1

BOLT,Hex, 3/8"-16 x 3", G2

3/8 x 3 hex-hd mach

4шт.

120377

NUT,3/8" - 16, Gr 5

4шт.

120382

LOCK WASHER,Helical Spring, 3/8"

WASHER, LOCK, 3/8"

4шт.

55

162177C1

HOLDER

elevator slip clutch spring

1шт.

56

568879R1

KEY, 5/16 x 2 square

1шт.

57

162178C1

SPACER, elevator drive slip clutch

1шт.

58

B12170

RATCHET,Clutch Slip, 94.49mm

elevator drive slip clutch

2шт.

59

632152R2

RETAINER

elevator drive slip clutch spring

1шт.

12685R1

BOLT,Sq Nk, 3/8" x 3 1/4"

3/8 x 3-1/4 sq-nk crg

4шт.

425-126

SLOTTED NUT,3/8"-16, G5

NUT, 3/8 slt-hed

4шт.

121222

COTTER PIN,3/32" x 3/4"

PIN, SPLIT (COTTER), 3/32" x 3/4"

4шт.

619856R1

WASHER

25/32 x 1 16 ga

1шт.

60

M973

SPRING

SP[RING, elevator slip clutch

4шт.

61

162176C1

HUB

elevator slip clutch

1шт.

62

168686C1

SPROCKET ASSY.

SPROCKET, tailings elevator drive 31-T

1шт.

63

167323C1

SUPPORT

elevator slip clutch alaram switch

1шт.

938017R1

FLANGE NUT,Flg, USR, 5/16"-18

5/16 flange lock

4шт.

648002

KNIFE

1/8" x 3/4"

1шт.

477-73108

SERRATED SCREW,Sl Truss Hd, 5/16" - 18 x 1/2"

5/16 x 1/2 slt-truss-hd

4шт.

21870R1

WASHER

17/64 x 3/4 x 16 ga

3шт.

21963R1

HEADED PIN,1/4" x 2 1/2"

PIN, 1/4 x 2-1/4 std-hd

1шт.

64

167324C1

HINGE

STRIP, elevator slip clutch alarm switch, not used w/monitor control

1шт.

648002

KNIFE

1/8" x 3/4"

1шт.

23099R1

HEADED PIN,5/16" x 3"

PIN, 5/16 x 3 std-hd alp

1шт.

65

585464R1

SPACER

tailings auger shaft

1шт.

66

M296

SPRING

elevator slip clutch alarm switch return

1шт.

67

574649R91

SWITCH

ASSY, elevator slip clutch alarm

1шт.

134530

NUT,Hex, #6 - 32

2шт.

436670

SCREW,Slotted Pan Hd, #6-32 x 1 1/4"

no 6 x 1-1/4 slt-pan-hd

2шт.

131044

LOCK WASHER

Lock, #6

2шт.

495-31016

WASHER,#6

.16 x .38 x .04

1шт.

68

175806C91

BOLT ASSY, elevator slip clutch alarm switch

1шт.

124829

JAM NUT,Hex, 3/8" - 16, Gr 5

2шт.

69

196299C1

STRAP, tailings elevator tie, serial no 19001 and above

1шт.

12872R1

BOLT,Short NK, 5/16"-18 x 1", G2, Full Thd

CARRIAGE, Short NK, 5/16"-18 x 1", G2, Full Thd

2шт.

938017R1

FLANGE NUT,Flg, USR, 5/16"-18

5/16 hex

2шт.

Выбрано товаров: 154