Запчасти Case IH 915 (26-09) - GRAIN TANK, GRAIN TANK LEVELING, BEAN Grain Tank

Схема запчастей Case IH 915 - (26-09) - GRAIN TANK, GRAIN TANK LEVELING, BEAN Grain Tank
19
18
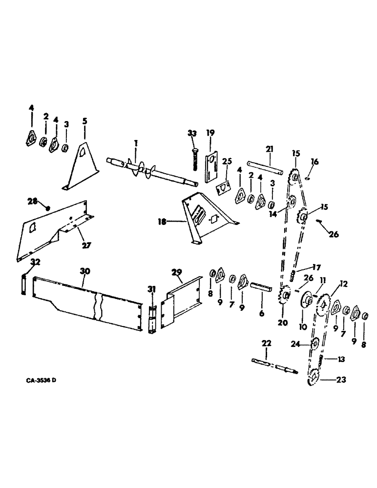
1
3
9
31
4
30
4
28
15
21
32
2
26
17
4
2
6
9
7
12
8
13
33
20
7
3
5
11
27
24
10
9
4
16
9
14
15
22
25
8
23
26
29
FIT
1:1
100%

Артикул

Название

Примечание

Количество

1

161538C92

AUGER

ASSY, grain tank leveling

1шт.

20885R1

WASHER

1-5/32 x 2 x 16 ga

4шт.

2

160796C91

BALL BEARING,25.4mm ID x 51.99mm OD x 16.56mm W

BEARING, raised leveling auger jackshaft

2шт.

3

564853R11

COLLAR

W/SET SCREW, raised leveling auger jackshaft lkg

2шт.

4

571424R1

FLANGE

raised leveling auger jackshaft brg

4шт.

16897R1

CARRIAGE BOLT,Short Nk, 5/16" - 18 x 3/4", Gr 2, Full Thd

BOLT, 5/16 x 3/4 znd sq-nk crg

6шт.

120376

NUT,5/16"-18, G5

6шт.

80681

LOCK WASHER,5/16"

WASHER, LOCK, 5/16"

6шт.

5

164794C1

PANEL, bearing support LH, serial no 12000 and below

1шт.

5

180227C1

PANEL, bearing support LH, serial no, Serial Range: 12001-19000

1шт.

18508R1

CARRIAGE BOLT,Short Nk, 3/8" - 16 x 3/4", Gr 2, Full Thd

BOLT, 3/8 x 3/4 hex-hd mach

3шт.

120377

NUT,3/8" - 16, Gr 5

3шт.

126382

WASHER, 3/8 med lock

3шт.

6

161554C1

SHAFT

raised leveling auger jack

1шт.

591715R1

WASHER

1.031 x 1.500 x .054

7шт.

7

160796C91

BALL BEARING,25.4mm ID x 51.99mm OD x 16.56mm W

BEARING, raised leveling auger

2шт.

8

564853R11

COLLAR

W/SET SCREW

2шт.

9

571424R1

FLANGE

raised leveling auger jackshaft

4шт.

16897R1

CARRIAGE BOLT,Short Nk, 5/16" - 18 x 3/4", Gr 2, Full Thd

BOLT, 5/16 x 3/4 sq-nk crg

6шт.

120376

NUT,5/16"-18, G5

6шт.

80681

LOCK WASHER,5/16"

WASHER, LOCK, 5/16"

6шт.

10

161549C1

HUB

raised leveling auger driven sprocket

1шт.

11

Y24430

KEY,1/4" Sq x 1 1/2", Par

1/4 x 1-1/2 sq parallel

1шт.

12

162180C1

SPROCKET ASSY.

SPROCKET, grain elevator jackshaft driven 33 T

1шт.

18474R1

BOLT,Hex, 5/16" - 18 x 1", Gr 2

5/16 x 1 znd hex-hd mach

4шт.

120376

NUT,5/16"-18, G5

4шт.

80681

LOCK WASHER,5/16"

WASHER, LOCK, 5/16"

4шт.

13

CHAIN ASSY, jackshaft drive, use 139 link from 10-ft roll marked 1791 D, two offset connecting links, 1315D and one connecting link 1310 D

1шт.

14

594706R91

SPROCKET ASSY.,15T

SPROCKET ASSY, leveling auger and elevator drive chain tightener

1шт.

18721R1

CARRIAGE BOLT,Sq Nk, 5/8" - 11 x 2 1/4", Gr 2

BOLT, 5/8 x 2-1/4 crg type 1

1шт.

280374

NUT,Hex, 5/8" - 11, Gr 5

5/8 hex

1шт.

492-11062

BEARING WASHER,5/8"

WASHER, LOCK, 5/8"

1шт.

589068R1

WASHER

21/32 x 1-1/4 x 11 ga

3шт.

608701R1

WASHER

.656 x 1.250 x .054

1шт.

22858R1

SQ HOLE WASHER,41/64" x 1 1/4" x .105", Sq Hole

21/32 sq x 1-1/4 x 12 ga

2шт.

15

168687C1

DRIVE SPROCKET

SPROCKET ASSY, elevator and leveling auger driven 19-T-314 rpm

2шт.

15

162463C1

SPROCKET ASSY, elevator and leveling auger driven 27-T-227 rpm, 221 rpm shipped loose

1шт.

20340R1

COTTER PIN,1/4" x 1 1/2"

Pin, Split (Cotter), 1/4" x 1 1/2"

1шт.

21789R1

WASHER

1-1/32 x 1-1/4 x 16 ga

2шт.

16

124553

WOODRUFF KEY,#15, 1/4" x 1", HT

2шт.

17

CHAIN ASSY, elevator and auger drive, use 139 links from A 10-ft roll marked 1-791 D, and one offset link 1315 D and two connecting links 1310 D

1шт.

17

CHAIN ASSY, elevator and auger drive extension, use 5 links from 10-ft roll marked 1791 D and one connecting link 1310 D

1шт.

18

166692C93

SUPPORT ASSY, elevator drive shaft

1шт.

16897R1

CARRIAGE BOLT,Short Nk, 5/16" - 18 x 3/4", Gr 2, Full Thd

BOLT, 5/16 x 3/4 sq-nk crg

6шт.

120376

NUT,5/16"-18, G5

6шт.

80681

LOCK WASHER,5/16"

WASHER, LOCK, 5/16"

6шт.

19

168243C1

SUPPORT

ASSY, elevator drive shaft

1шт.

18508R1

CARRIAGE BOLT,Short Nk, 3/8" - 16 x 3/4", Gr 2, Full Thd

BOLT, 3/8 x 3/4 sq-nk crg

2шт.

120377

NUT,3/8" - 16, Gr 5

2шт.

120382

LOCK WASHER,Helical Spring, 3/8"

WASHER, LOCK, 3/8"

2шт.

20

168687C1

DRIVE SPROCKET

SPROCKET ASSY, grain elevator and leveling auger drive 19-T

1шт.

21

SHAFT, grain elevator drive extension, refer to group 25 under grain elevator drive for unit listing

1шт.

22

SHAFT, elevator jack, refer to group 25 under grain elevator drive for unit listing

1шт.

23

SPROCKET, elevator drive slip clutch 26-T, refer to group 25 under tailings elevator for unit listing

1шт.

24

631905R91

SPROCKET

ASSY, grain tank leveling auger drive chain tightener 17-T

1шт.

18449R1

BOLT,Short NK, 5/8"-11 x 3", G2

5/8 x 3 crg type 1

1шт.

280374

NUT,Hex, 5/8" - 11, Gr 5

5/8 hex

1шт.

589068R1

WASHER

21/32 x 1-1/4 x 11 ga

1шт.

608701R1

WASHER

21/32 x 1-1/4 x 16 ga

1шт.

492-11062

BEARING WASHER,5/8"

WASHER, LOCK, 5/8"

1шт.

25

172411C1

PLATE, grain tank leveling auger RH brg

1шт.

16897R1

CARRIAGE BOLT,Short Nk, 5/16" - 18 x 3/4", Gr 2, Full Thd

BOLT, 5/16 x 3/4 sq-nk crg

2шт.

120376

NUT,5/16"-18, G5

2шт.

80681

LOCK WASHER,5/16"

WASHER, LOCK, 5/16"

2шт.

120393

BEARING WASHER,5/16", SAE

WASHER, 11/32 x 11/16 x .051

2шт.

271898R1

WASHER, 1-1/32 x 1-1/4 x 16 ga

1шт.

26

Q53

KEY,1/4" Sq x 1", Par

1шт.

27

196228C1

SUPPORT ASSY, grain tank LH extension, serial no 19001 and above

1шт.

16897R1

CARRIAGE BOLT,Short Nk, 5/16" - 18 x 3/4", Gr 2, Full Thd

BOLT, 5/16 x 3/4 sq-nk crg

3шт.

18508R1

CARRIAGE BOLT,Short Nk, 3/8" - 16 x 3/4", Gr 2, Full Thd

BOLT, 3/8 x 3/4 sq-nk crg

4шт.

938017R1

FLANGE NUT,Flg, USR, 5/16"-18

5/16 flange lock

2шт.

482256R1

BEARING LOCK NUT,Flg, USR, 3/8"-16

3/8 flange lock

2шт.

28

128157

GROMMET,3/8" ID x 27/32" x .062", Diag Cut

1шт.

29

196218C1

SUPPORT, grain tank RH extension, serial no 19001 and above

1шт.

18673R1

CARRIAGE BOLT,Short Sq Nk, 5/16" - 18 x 1/2", Gr 2

BOLT, 5/16 x 1/2 sq-nk crg

3шт.

120376

NUT,5/16"-18, G5

3шт.

80681

LOCK WASHER,5/16"

WASHER, LOCK, 5/16"

3шт.

30

196220C1

SUPPORT, extension rear side, serial no 19001 and above

1шт.

18673R1

CARRIAGE BOLT,Short Sq Nk, 5/16" - 18 x 1/2", Gr 2

BOLT, 5/16 x 1/2 sq-hd crg

8шт.

120376

NUT,5/16"-18, G5

8шт.

80681

LOCK WASHER,5/16"

WASHER, LOCK, 5/16"

8шт.

31

196222C1

ANGLE, corne LH, serial no 19001 and above

1шт.

18673R1

CARRIAGE BOLT,Short Sq Nk, 5/16" - 18 x 1/2", Gr 2

BOLT, 5/16 x 1/2 sq-nk crg

4шт.

120376

NUT,5/16"-18, G5

4шт.

80681

LOCK WASHER,5/16"

WASHER, LOCK, 5/16"

4шт.

32

196221C1

ANGLE, corner RH, serial no 19001 and above

1шт.

18673R1

CARRIAGE BOLT,Short Sq Nk, 5/16" - 18 x 1/2", Gr 2

BOLT, 5/16 x 1/2 sq-hd crg

6шт.

120376

NUT,5/16"-18, G5

6шт.

80681

LOCK WASHER,5/16"

WASHER, LOCK, 5/16"

6шт.

33

611421R1

BOLT,Hex, 7/16" - 14 x 3 1/2", Full Thd

elevator drive shaft tightener

1шт.

271501

SOCKET

NUT, 7/16 type 5

1шт.

Выбрано товаров: 91