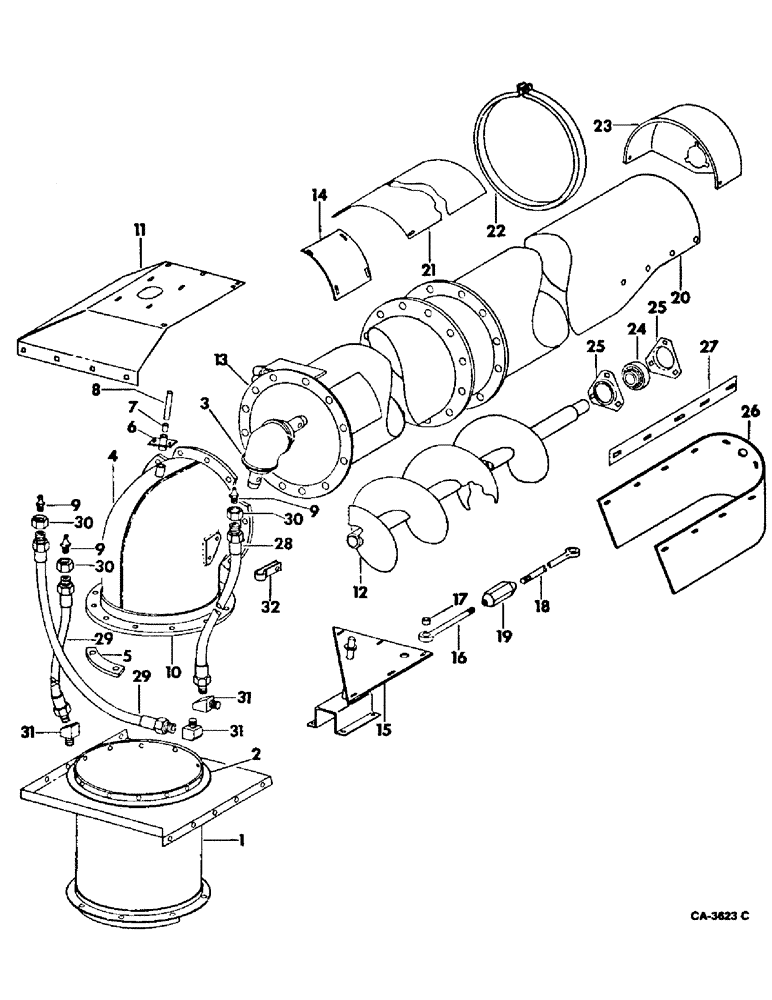
Запчасти Case IH 915 (26-20) - GRAIN TANK, GRAIN TANK UNLOADER UPPER Grain Tank

Схема запчастей Case IH 915 - (26-20) - GRAIN TANK, GRAIN TANK UNLOADER UPPER Grain Tank
18
7
12
26
11
31
31
22
2
17
9
20
13
14
8
30
19
32
31
1
6
24
27
28
3
25
21
30
25
5
16
23
29
4
30
9
29
9
10
15
FIT
1:1
100%

Артикул

Название

Примечание

Количество

1

178130C1

TUBE

ASSY, unloader vertical auger

1шт.

938017R1

FLANGE NUT,Flg, USR, 5/16"-18

5/16 C-Z flange lock

15шт.

135270

SERRATED SCREW,5/16" - 18 x 3/4"

5/16 x 3/4 C-Z slt-truss-hd

23шт.

541310R1

SPRING NUT

5/16 n-type speed

1шт.

2

178134C1

RING

grain tank unloader swivel male

1шт.

106899

RIVET, 1/4 x 5/8 wagon-box-hd

12шт.

3

178189C91

CASE ASSY.

HOUSING ASSY, unloader gear bearing

1шт.

21335R1

BOLT,Hex, 3/8" - 16 x 3/4", Gr 8

3/8 x 3/4 hex-hd type 8

4шт.

18481R1

COTTER PIN,3/16" x 1"

PIN, SPLIT (COTTER), 3/16" x 1"

2шт.

468286R1

HEADED PIN,12.7mm OD x 92.08mm L

PIN, 1/2 x 3.438 std-hd-hard

1шт.

21899R1

HEADED PIN

PIN, 1/2 x 2-1/2 std-hd-hard

1шт.

180075

BOLT,Hex, 5/16" - 18 x 5/8", Gr 5

SCREW, 5/16 x 5/8 hex-hd cap

2шт.

80681

LOCK WASHER,5/16"

WASHER, LOCK, 5/16"

2шт.

120382

LOCK WASHER,Helical Spring, 3/8"

WASHER, LOCK, 3/8"

4шт.

4

178140C1

ELBOW ASSY, grain tank upper unloader auger tube, includes ref no 10

1шт.

5

178177C1

BAR, unloading tube keeper

3шт.

120376

NUT,5/16"-18, G5

6шт.

180083

BOLT,Hex, 5/16" - 18 x 1 1/2", Gr 5

SCREW, 5/16 x1-1/2 znd hex-hd cap

1шт.

80681

LOCK WASHER,5/16"

WASHER, LOCK, 5/16"

6шт.

6

178145C91

PLATE

ASSY, grain tank unloading auger tube pivot, includes ref no 7

1шт.

120376

NUT,5/16"-18, G5

4шт.

180077

BOLT,Hex, 5/16" - 18 x 3/4", Gr 5

SCREW, 5/16 x 3/4 znd hex-hd cap

4шт.

80681

LOCK WASHER,5/16"

WASHER, LOCK, 5/16"

4шт.

7

561905R1

BUSHING

unloading auger pivot plate hub

1шт.

8

178148C1

SPACER

unloading auger pivot

1шт.

23061R1

BOLT,Hex, 5/8" - 11 x 4", Gr 8

5/8 x 4 znd hex-hd type 8

1шт.

9

219-8

LUBE NIPPLE,1/4" - 28 NPTF

FITTING, 1/4-28ns str lub

3шт.

10

178143C1

RING, unloading auger tube elbow

1шт.

106901

RIVET,Truss Hd, 1/4" x 7/8"

1/4 x 5/8 wagon-box-hd solid

12шт.

11

177988C1

SUPPORT, unloader top

1шт.

16897R1

CARRIAGE BOLT,Short Nk, 5/16" - 18 x 3/4", Gr 2, Full Thd

BOLT, 5/16 x 3/4 sq-nk-crg

2шт.

120376

NUT,5/16"-18, G5

2шт.

80681

LOCK WASHER,5/16"

WASHER, LOCK, 5/16"

2шт.

12

178149C1

AUGER

ASSY, unloader final, standard

1шт.

12

178172C1

AUGER

ASSY, unloader final, for use w/22-1/2 or 24 ft headers and 8 row corn heads

1шт.

13

178153C1

TUBE ASSY, unloader auger upper front, standard

1шт.

13

178175C2

TUBE ASSY, unloader auger, for use w/22-1/2 or 24 ft headers and 8 row corn heads

1шт.

14

178158C1

PLATE

unloader auger inspection

1шт.

15

196416C1

SUPPORT

ASSY, unloader tube, 24ft header or 8 row corn head

1шт.

432-1620

COTTER PIN,1/4" x 1 1/4"

Pin, Split (Cotter), 1/4" x 1 1/4"

1шт.

21758R1

WASHER

25/32 x 1-1/4 x 16 ga

1шт.

16

179373C91

ROD ASSY, unloader upper support, 24ft header or 8 row corn head

1шт.

432-1216

COTTER PIN,3/16" x 1"

Pin, Split (Cotter), 3/16" x 1"

1шт.

21341R1

HEADED PIN,1/2" x 1"

PIN, 1/2 x 1 std-hd

1шт.

17

363768R1

BUSHING

unloader tube support rod, 24 ft header or 8 row corn head

1шт.

18

179401C1

ROD, unloader tube outer upper support

1шт.

120378

NUT,Hex, 1/2" - 13, Gr 5

NUT, 1/2"-13, G5

1шт.

19

628698R1

TURNBUCKLE

unloader tube support rod, 24ft header or 8 row corn head

1шт.

20

178160C1

TUBE

ASSY, unloader auger upper, for grain and rice

1шт.

20

178163C1

TUBE ASSY, unloader auger upper, for bean and corn

1шт.

18778R1

SCREW,Hex, 3/8"-16 x 3/4", G2

BOLT, 3/8 x 3/4 type 1

1шт.

120377

NUT,3/8" - 16, Gr 5

1шт.

120382

LOCK WASHER,Helical Spring, 3/8"

WASHER, LOCK, 3/8"

1шт.

21

178165C2

COVER

auger tube perforated section, for bean and corn

1шт.

22

178166C1

CLAMP

auger tube perforated section cover, for bean and corn

3шт.

18475R1

BOLT,Hex, 5/16" - 18 x 1 1/4", Gr 2

5/16 x 1-1/4 hex-hd mach

3шт.

120376

NUT,5/16"-18, G5

3шт.

80681

LOCK WASHER,5/16"

WASHER, LOCK, 5/16"

3шт.

23

178159C1

CAP

unloader auger outer end

1шт.

18764R1

HARDWARE,Hex, 5/16"-18 x 3/4", G2

BOLT, 5/16 x 3/4 hex-hd mach

1шт.

120376

NUT,5/16"-18, G5

1шт.

80681

LOCK WASHER,5/16"

WASHER, LOCK, 5/16"

1шт.

24

155264C91

BALL BEARING,25.43mm ID x 52.09mm OD x 16mm W

ASSY, grain tank unloader auger outer bearing

1шт.

25

571424R1

FLANGE

grain tank unloader auger outer bearing

2шт.

12872R1

BOLT,Short NK, 5/16"-18 x 1", G2, Full Thd

CARRIAGE, Short NK, 5/16"-18 x 1", G2, Full Thd

3шт.

120376

NUT,5/16"-18, G5

3шт.

80681

LOCK WASHER,5/16"

WASHER, LOCK, 5/16"

3шт.

26

178167C1

SPOUT, DISCHARGE

DOWNSPOUT, grain tank unloader

1шт.

27

178168C1

STRIP

grain tank unloader downspout

2шт.

18764R1

HARDWARE,Hex, 5/16"-18 x 3/4", G2

BOLT, 5/16 x 3/4 hex-hd mach

8шт.

18474R1

BOLT,Hex, 5/16" - 18 x 1", Gr 2

5/16 x 1 hex-hd mach

2шт.

120376

NUT,5/16"-18, G5

10шт.

80681

LOCK WASHER,5/16"

WASHER, LOCK, 5/16"

10шт.

134238R1

WASHER

11/32 x 1 x 16 ga

10шт.

28

937779R91

HOSE,1/8" ID x 22" L

FLEXIBLE HOSE, , Unloader Tube Elbow 0.14" ID x 22.00"

1шт.

29

937782R91

HOSE

ASSY, unloader tube elbow, 31 in. B

2шт.

30

581873R1

TUBE NUT,4.8 mm Length

tube elbow hose pipe

3шт.

31

21347R91

ADAPTOR, 1/4-28 x 1/8-27 45 deg B

3шт.

32

589980R1

NO LONGER SERVICED

CLAMP, tube elbow hose

3шт.

Выбрано товаров: 79