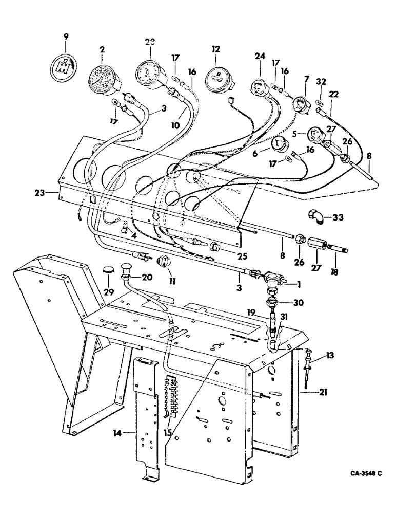
Запчасти Case IH 915 (11-1) - INSTRUMENTS, GAUGES AND INDICATORS Instruments

Схема запчастей Case IH 915 - (11-1) - INSTRUMENTS, GAUGES AND INDICATORS Instruments
31
2
8
15
16
29
16
26
21
23
24
6
26
28
17
17
18
8
27
4
9
27
11
1
14
32
13
16
30
7
17
10
20
22
3
33
19
25
12
17
3
5
FIT
1:1
100%

Артикул

Название

Примечание

Количество

1

(Not used in this application)

1шт.

2

167307C1

SPEEDOMETER

ASSY, not track

1шт.

2

169491C1

SPEEDOMETER

ASSY, track

1шт.

3

156042C91

SHAFT ASSY.

SHAFT ASSY, speedometer flexible

1шт.

4

362120R1

CLAMP,9.53mm ID, 10.32mm Bolt Hole, P Type

CLIP, speedometer shaft

2шт.

4

263717R91

CLIP

speedometer shaft

1шт.

5

163835C91

GAUGE

ASSY, oil pressure

1шт.

6

163836C91

GAUGE

ASSY, fuel

1шт.

7

178914C1

VOLTMETER

GAUGE ASSY, volt meter

1шт.

8

TUBE, oil pressure gauge, use 124 in. of 1/8 OD copper tubing from A 50-ft. roll marked 995059R1

1шт.

9

167008C1

PLUG, instrument panel

2шт.

10

164883C91

HOSE ASSY.

SHAFT ASSY, speed indicator, flexible

1шт.

11

164884C1

ADAPTER

UNION, speed indicator flexible shaft

1шт.

12

389985R92

METER

hour 12-volt

1шт.

13

673050C91

TIP AND WASHER ASSY, speedometer

1шт.

14

170716C1

BRACKET, fuse block support

1шт.

937059R1

SCREW,Serr, M10 x 70mm, Cl 10.9

1/4-20 x 1/2 slt-truss-hd

1шт.

938016R1

FLANGE NUT,Flg, USR, 1/4"-20

1/4 flange lock

1шт.

16897R1

CARRIAGE BOLT,Short Nk, 5/16" - 18 x 3/4", Gr 2, Full Thd

BOLT, 5/16 x 3/4 crg type 1

1шт.

120376

NUT,5/16"-18, G5

1шт.

80681

LOCK WASHER,5/16"

WASHER, LOCK, 5/16"

1шт.

15

198065C2

BLOCK

fuse panel

1шт.

120361

NUT,Hex Mach Screw, #10 - 24

2шт.

436734

SCREW,Slotted Pan Hd, #10-24 x 3/4"

no. 10 x 3/4 slt-pan-hd

1шт.

120217

LOCK WASHER,#10

WASHER, LOCK, #10

2шт.

16

372546R91

CABLE

SOCKET ASSY

1шт.

17

A14553

BULB

SOCKET

1шт.

18

192043

NIPPLE, 1/8 x 2 C-Z pipe, not diesel

1шт.

19

167832C1

GEAR, speedometer driven 16-T, rice, for use w/23, 1-34 8 ply R2, and for use w/24, 5-32 10 ply R2 main wheel tires

1шт.

19

167574C1

GEAR, speedometer drive 14-T, rice corn and soybean, for use w/28L-26 10 ply R2 and 23, 1-26 10 ply R1, and 26L-26 10 ply R2 and 67 x 34-30 8 ply R2 and 28L-26 10 ply R1 main wheel tires

1шт.

19

167831C1

GEAR, speedometer driven 14-T, grain and maize, for use w/23, 1-26 8 ply R1, and 28L-20 and 67 x 34 x 30 8 ply R2 main wheel tires and track

1шт.

20

174893C1

CABLE

ASSY, choke, not diesel

1шт.

21

CONSOLE ASSY, operator control, refer to group 13 under operators console for unit listing

1шт.

22

179102C1

HARNESS ASSY, voltmeter light socket, serial no. 19000 and below

1шт.

23

PANEL, instrument, refer to group 13 under operators console for unit listing

1шт.

24

163834C91

GAUGE

ASSY, water temperature, gasoline engine, serial no. 19000 and below

1шт.

24

174467C1

GAUGE

ASSY, water temperature, diesel engine

1шт.

25

144216

BUSHING,1/2" NPT Male x 3/8" NPT Fem

REDUCER, 1/2 x 3/8 steel, znp

1шт.

26

222-500

TUBE NUT,5/16" - 24 NPT

NUT, 5/16-14 flange tube, use one for diesel, use two gasoline

1шт.

27

19715D

CONNECTOR, 1/8 NPTF female hi-duty, use one for diesel, use two for gasoline

1шт.

27

59939D

HYD CONNECTOR,1/8" NPT x 5/16"-24

CONNECTOR, 1/8 NPTF male hi-duty, diesel engine

1шт.

28

159884C91

INDICATOR

ASSY, cylinder speed

1шт.

29

432535

HOLE PLUG BUTTON,13/32"

PLUG, 1/2 C-Z button, diesel engine

1шт.

30

892787R1

SLEEVE AND SEAL ASSY, speedometer gear, rubber tires

1шт.

31

300538R1

BUSHING, speedometer driven gear

1шт.

32

23713R1

BULB,C2F, #1889, 14V

voltmeter panel light

1шт.

33

140304

ELBOW

90 deg 1/8 NPTF ball, sleeve, use for diesel

1шт.

Выбрано товаров: 47