Запчасти Case IH 1010 (446) - A284 G-F, GO 298 ENGINES, FUEL TANK (10) - ENGINE

Схема запчастей Case IH 1010 - (446) - A284 G-F, GO 298 ENGINES, FUEL TANK (10) - ENGINE
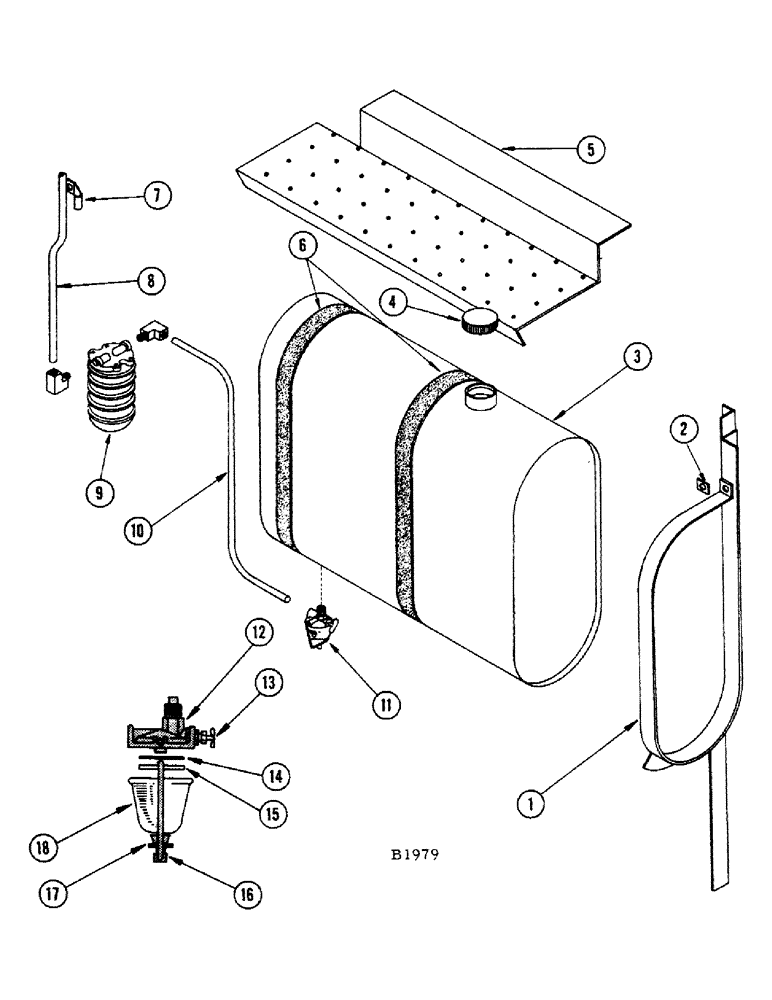
18
5
6
4
7
10
16
13
11
8
12
9
15
17
2
1
14
3
FIT
1:1
100%

Артикул

Название

Примечание

Количество

1

F79282

SUPPORT - fuel tank

2шт.

14-612

BOLT,Hex, 3/8" - 24 x 3/4", Gr 5, Full Thd

and nut (25-116) Hex, 3/8"-24 x 3/4", G5, Full Thd

4шт.

14-628

BOLT,Hex, 3/8" - 24 x 1-3/4", Gr 5

- 3/8" x 1-3/4" N.F. hex. and nut (25-116)

2шт.

2

F8190

WASHER - fuel tank strap

2шт.

3

F79390

TANK - fuel

1шт.

4

F6541

CAP

1шт.

5

F11084

STEP - fuel tank

1шт.

114-108

BOLT,Hex, 5/16" - 24 x 1/2", Gr 5, Full Thd

- 5/16" x 1/2" N.F. hex. and nut (129-122)

2шт.

114-102

BOLT,Hex, 5/16" - 24 x 3/4", Gr 5

and nut (129-102) Hex, 5/16"-24 x 3/4", G5, Full Thd

2шт.

6

F11082

CUSHION - felt, fuel tank

2шт.

7

F11177

CLAMP - fuel line (For F11176 or F11181 line)

1шт.

13-68

SCREW,Hex, 3/8" - 16 x 1/2", Gr 5

BOLT - 3/8" x 1/2" N.C. hex. and L.W. (92-6)

1шт.

8

F9542

LINE - fuel, Serial Range: pump-carburetor

1шт.

222-13

FITTING,1/2"-20 Inv Fl x 1/8" NPT Fem

CONNECTOR - 5/16" O.D. Imperial #66FL

1шт.

222-14

FITTING,5/8"-24 Inv Fl x 1/4" NPT Fem

ELBOW - 5/16" O.D. x 1/8" NPT Imperial #69FL

1шт.

F12094

LINE - fuel, pump to carburetor (Hercules engine)

1шт.

222-4

FITTING,9/16"-24, Flex Tube

UNION - 5/16" O.D. Imperial #62FL

1шт.

222-44

ELBOW,90 Degree, 9/16"-24 Fem x 1/8"-27 NPTF

- 5/16" O.D. x 1/8" NPT Imperial #69FL

1шт.

F11176

LINE - fuel, carburetor intake (Hercules engine)

1шт.

222-56

ELBOW - 5/16" O.D. x 1/8" NPT Imperial #70FL

1шт.

217-210

NIPPLE - 1/8" NPT x 1/8" NPT x 1-1/2" long Imperial #113B

1шт.

F11181

LINE - fuel, carburetor intake (A284 G-F engine)

1шт.

222-44

ELBOW,90 Degree, 9/16"-24 Fem x 1/8"-27 NPTF

- 5/16" O.D. x 1/8" NPT Imperial #69FL

1шт.

9

L11122

FUEL PUMP

PUMP - electric fuel (A284 G-F gas engine)

1шт.

F87898

PUMP - electric fuel (GO-298 engine)

1шт.

F9263

CLIP - fuel line (Hercules) not shown

1шт.

14-410

SCREW,Hex, 1/4" - 28 x 5/8", Gr 5

BOLT - 1/4" x 5/8" N.F. hex. and nut (25-114)

1шт.

F11196

CLIP - fuel line (A284 G-F) not shown

1шт.

14-512

BOLT,Hex, 5/16" - 24 x 3/4", Gr 5, Full Thd

and nut (25-115) Hex, 5/16"-24 x 3/4", G5, Full Thd

1шт.

F11198

COVER - canvas, fuel line (A284 G-F) not shown

1шт.

A26696

NO LONGER SERVICED

CLIP - not shown

3шт.

10

F12459

LINE - fuel, strainer to pump (#8243201 and after)

1шт.

222-46

ELBOW,90 Degree, 5/8"-24 Fem x 1/8"-27 NPTF

- 3/8" O.D. x 1/8" NPT Imperial #69FL

1шт.

222-26

HYD CONNECTOR,5/8"-24 x 1/8" NPTF W/Nut

CONNECTOR - 3/8" O.D. x 1/8" NPT Imperial #68FL

1шт.

F11083

LINE - fuel, strainer to pump (Before #8243201)

1шт.

222-24

FITTING,9/16"-24 x 1/8" NPTF

CONNECTOR - 5/16" O.D. x 1/8" NPT Imperial #68FL

1шт.

222-44

ELBOW,90 Degree, 9/16"-24 Fem x 1/8"-27 NPTF

- 5/16" O.D. x 1/8" NPT Imperial #69FL

1шт.

11

A30049

STRAINER ELEMENT

STRAINER - fuel

1шт.

12

A11214

HEAD

1шт.

13

A11205

VALVE

- needle

1шт.

14

A11211

FILTER SCREEN

SCREEN

1шт.

15

A11208

GASKET

- cork

1шт.

16

A11212

BAIL

1шт.

17

A11210

ADJUSTER

CUP AND NUT

1шт.

18

A11209

BOWL

- glass

1шт.

Выбрано товаров: 0