Запчасти Case IH 1010 (450) - A301 D-F ENGINE, DIESEL FUEL SYSTEM (10) - ENGINE

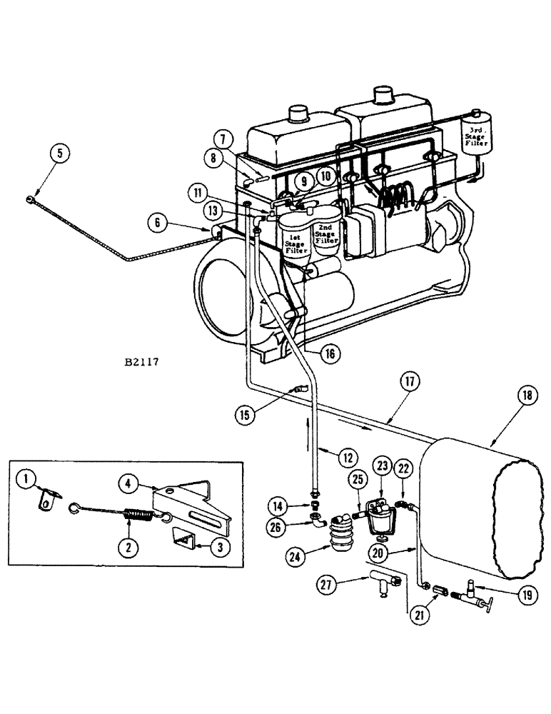
Схема запчастей Case IH 1010 - (450) - A301 D-F ENGINE, DIESEL FUEL SYSTEM (10) - ENGINE
8
17
13
16
6
27
23
15
3
9
26
25
1
19
24
22
10
14
20
5
12
2
4
21
11
7
18
FIT
1:1
100%

Артикул

Название

Примечание

Количество

1

F9910

CLIP - spring, throttle shut-off

1шт.

2

O1045FH

SPRING

- throttle shut-off

1шт.

3

F9945

STOP - throttle idler

1шт.

12-48

BOLT - 1/4" x 1/2" rhd. short sq. nk. and nut (25-104)

1шт.

195-18

WASHER,1/4"

- flat and L.W. (92-4) 1/4"

1шт.

4

F9907

LEVER - throttle shut-off

1шт.

75-414

SCREW,Rd, 1/4" x 7/8"

- 1/4" x 7/8" N.C. rhd. mach. and fl. wshr. (195-18)

1шт.

25-104

NUT,1/4"-20, G5

2шт.

5

A30858

SWITCH

STARTING SWITCH - push button type, For diesel manifold heat

1шт.

O10463AB

BOOT

1шт.

6

F10127

SOLENOID - heater

1шт.

173-97

SCREW,Sl Rnd Hd, #10 - 24 x 1/2"

- #10 x 1/2" N.C. rhd. mach. and nut (129-7)

2шт.

7

F12461

LINE - fuel return (#8243201 and after)

1шт.

8

222-55

ELBOW - 1/4" O.D. x 1/8" NPT Imperial #70FL

1шт.

9

A24661

TUBE - relief valve (#8243201 and after)

1шт.

10

222-43

ELBOW,90 Degree, 1/2"-24 Fem x 1/4"-27 NPTF

- 1/4" x 1/4" NPT Imperial #69FL

1шт.

11

222-83

TEE - 1/4" x 1/4" NPT Imperial #76FL

1шт.

12

F11171

LINE - fuel, flexible, Serial Range: (Pump-filter)

1шт.

13

217-21

ELBOW,90 Degree, 1/4"-18 NPTF, Fem x 1/4"-18 NPTF Male

- 1/4" x 1/4" NPT Imperial #116B

2шт.

14

218-901

HYD CONNECTOR,1/4" NPT x 1/4" ORFS

ADAPTOR - 1/4" x 1/4" swivel

1шт.

15

F11197

CLIP - fuel line

1шт.

14-512

BOLT,Hex, 5/16" - 24 x 3/4", Gr 5, Full Thd

and nut (25-115) Hex, 5/16"-24 x 3/4", G5, Full Thd

1шт.

F11198

COVER - canvas, fuel line (Not shown)

1шт.

16

F10141

CABLE - starter solenoid to heater solenoid

1шт.

F10142

CABLE

- starter solenoid to heater manifold (See electrical system)

1шт.

F11082

CUSHION - felt, fuel tank (Not shown - see gas)

2шт.

F11084

STEP - fuel tank (Not shown - see gas)

1шт.

114-108

BOLT,Hex, 5/16" - 24 x 1/2", Gr 5, Full Thd

- 5/16" x 1/2" N.F. hex. and nut (129-122)

2шт.

114-102

BOLT,Hex, 5/16" - 24 x 3/4", Gr 5

and nut (129-122) Hex, 5/16"-24 x 3/4", G5, Full Thd

2шт.

F8190

WASHER - fuel tank strap (Not shown - see gas)

2шт.

F79282

SUPPORT - fuel tank (Not shown - see gas)

2шт.

14-612

BOLT,Hex, 3/8" - 24 x 3/4", Gr 5, Full Thd

and nut (25-116) Hex, 3/8"-24 x 3/4", G5, Full Thd

4шт.

14-628

BOLT,Hex, 3/8" - 24 x 1-3/4", Gr 5

- 3/8" x 1-3/4" N.F. hex. and nut (25-116)

2шт.

17

F11172

LINE - fuel, flexible, Serial Range: (Return-tank)

1шт.

18

F79391

TANK - fuel

1шт.

F6541

CAP

- not shown (See gas)

1шт.

19

F12093

VALVE - needle

1шт.

20

F11085

TUBE - tank to strainer (Before #8243201) See F12459

1шт.

21

222-14

FITTING,5/8"-24 Inv Fl x 1/4" NPT Fem

CONNECTOR - 3/8" x 1/4" NPT Imperial #66FL

1шт.

22

222-47

ELBOW,90 Degree, 5/8"-24 Fem x 1/4"-27 NPTF

- 3/8" x 1/4" NPT Imperial #69FL

2шт.

F12459

LINE - fuel, tank valve to strainer (#8243201 and after)

1шт.

222-47

ELBOW,90 Degree, 5/8"-24 Fem x 1/4"-27 NPTF

- 3/8" O.D. x 1/4" NPT Imperial #69FL

1шт.

23

R18798

STRAINER ELEMENT

STRAINER - fuel

1шт.

R21356

HOUSING

BODY

1шт.

R21357

GASKET

1шт.

R21358

CLAMP

BAIL

1шт.

R21359

FILTER SCREEN

SCREEN

1шт.

R21360

TUBE,0.687" DIA x 3.344" L

1шт.

R21361

BOWL

- glass

1шт.

24

L11122

FUEL PUMP

PUMP - electric fuel (#8243201 and after)

1шт.

13-48

BOLT,Hex, 1/4" - 20 x 1/2", Gr 5

and L.W. (92-4) Hex, 1/4"-20 x 1/2", G5, Full Thd

2шт.

F14229

LINE - fuel (Use with L11122)

1шт.

25

222-26

HYD CONNECTOR,5/8"-24 x 1/8" NPTF W/Nut

FITTING - 3/8" x 1/8" Imperial #68FL connector (Use with L11122)

1шт.

217-60

REDUCER,1/4" - 18 NPT x 1/8" - 27 NPT

FITTING - 1/4" x 1/8" Imperial #123B nipple (Early production)

1шт.

26

217-220

ELBOW UNION

ELBOW - 1/4" x 1/8" NPT reducing Imperial #128B

1шт.

27

F78081

PUMP - hand fuel primer (Before #8243201)

1шт.

Выбрано товаров: 56