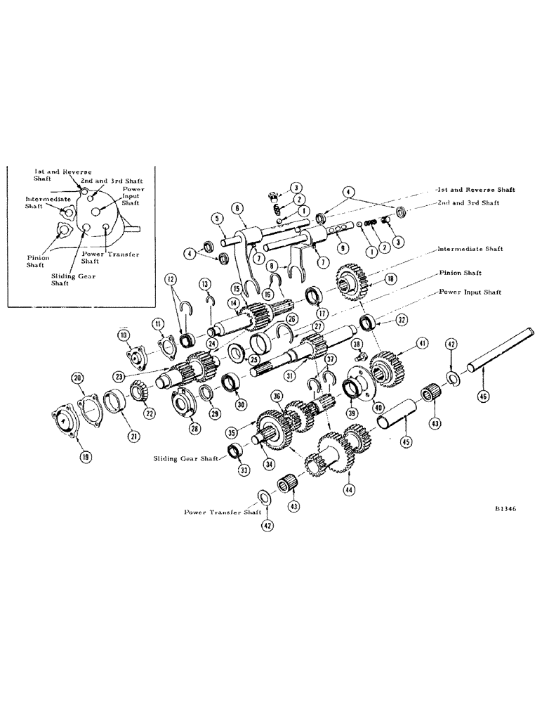
Запчасти Case IH 1010 (260) - TRANSMISSION, SHIFTER FORK AND SHAFTS (14) - MAIN GEARBOX & DRIVE

Схема запчастей Case IH 1010 - (260) - TRANSMISSION, SHIFTER FORK AND SHAFTS (14) - MAIN GEARBOX & DRIVE
22
42
20
40
10
19
39
27
42
21
33
7
4
43
30
44
15
23
1
18
31
3
16
37
12
8
45
25
2
2
36
13
3
6
1
7
38
5
24
14
41
35
4
34
46
32
29
43
11
9
17
28
26
FIT
1:1
100%

Артикул

Название

Примечание

Количество

1

211-12

BALL,7/16 Dia

- (7/16" dia.) gear shift lock, shifter fork shafts

4шт.

2

F9793

SPRING - gear shift lock ball

2шт.

3

F9736

SCREW - gear shift lock ball spring

2шт.

4

F9742

OIL SEAL

SEAL - oil, shifter shaft

4шт.

5

F9789

SHAFT - (11-13/16" long) shifter, 1st and reverse

1шт.

6

F3092

FORK - shift, 1st and reverse

1шт.

7

F9739

SCREW - shift fork lock

2шт.

8

F3093

FORK

- shift, 2nd and 3rd

1шт.

9

F9788

SHAFT - (11-13/16" long) shifter, 2nd and 3rd speed

1шт.

10

F1270

CAP - for intermediate shaft bearing

1шт.

BOLT - 3/8" x 1" N.C. hex. Gr. 7-8 stl. (113-215) L.W. (92-6), intermediate shaft

3шт.

11

F9783

GASKET - for F1270 bearing cap, intermediate shaft

1шт.

12

F9747

BEARING - (N.D. #43205) intermediate shaft, L.H.

1шт.

13

F9751

X

RING - snap, For F9747 bearing (Replaced by F20478 when stock is exhausted), intermediate shaft

1шт.

F20478

X

RING - snap, For F9747 bearing (Replaces F9751 when stock is exhausted), intermediate shaft

1шт.

14

F9798

SHAFT - (10-1/4") transmission intermediate

1шт.

15

F3099

GEAR - (19T) 2nd intermediate drive, shaft

1шт.

16

F9752

RING, SNAP

RING - snap, For F3105 gear, intermediate shaft

1шт.

17

O4509TF

X

BEARING - (N.D. #3208) intermediate shaft, R.H.

1шт.

18

F3105

GEAR - (35T) mating shaft F9798 (Grain and rice track) See F3140 for rice wheel, intermediate

1шт.

F3140

GEAR - (22T) mating shaft F9798 (Rice wheel) See F3105 grain and rice track, intermediate

1шт.

19

F1271

CAP - differential pinion bearing, shaft

1шт.

BOLT - 3/8" x 1" N.C. hex. Gr. 7-8 stl. (113-215) L.W. (92-6), differential pinion shaft

3шт.

20

F9780

SHIM - (.008" thick) differential pinion bearing cap, shaft

2шт.

F9781

SHIM - (.005" thick) differential pinion bearing cap, shaft

2шт.

F9782

SHIM - (.010" thick) differential pinion bearing cap, shaft

4шт.

21

G57451

BEARING, CUP

CUP - (Timken #LM48510) differential drive pinion, L.H., shaft

1шт.

22

G57452

ROLLER BEARING

CONE - (Timken #LM48548) differential pinion drive, L.H., shaft

1шт.

23

F3095

SHAFT - w/16T pinion (7-23/32") differential drive

1шт.

24

F3100

GEAR - (29T) differential intermediate, pinion shaft

1шт.

25

B12409

BEARING, ROLLER,31.763 mm ID x 16.84 mm

CONE - (Timken #LM67048) differential intermediate gear, R.H., pinion shaft

1шт.

26

B12408

BEARING CUP,59.156 mm OD x 11.862 mm

CUP - (Timken #LM67010) differential intermediate gear, R.H., pinion shaft

1шт.

27

F9756

RING - snap, For B12408 cup, differential pinion shaft

1шт.

28

F77789

CAP - input drive bearing, L.H., power shaft

1шт.

29

F9743

SEAL - oil, power input drive shaft

1шт.

30

O1720AB

BEARING

- (N.D. #1207) input drive shaft, L.H., power

1шт.

31

F3117

SHAFT - w/19T gear, input drive, power

1шт.

32

O7285A

BALL BEARING,0.9843" ID x 2.0472" OD x 0.5906"

BEARING - (N.D. #3205) input drive shaft, R.H., power

1шт.

33

O7285A

BALL BEARING,0.9843" ID x 2.0472" OD x 0.5906"

BEARING - (N.D. #3205) shifter gear shaft

1шт.

34

F9799

SHAFT - (9-43/64") shifter gear

1шт.

35

F3098

GEAR - (41T) low and reverse sliding

1шт.

36

F3103

GEAR - (29T - 17T) 2nd and 3rd sliding

1шт.

37

F9753

RING - snap, For F3104 gear and O1720AB bearing

2шт.

38

VT2554

SCREW - cap, drilled head (3/8" x 3/4" N.C. for F9794 cap)

3шт.

39

O1720AB

BEARING

- (N.D. #1207) shifter gear shaft, R.H.

1шт.

40

F9794

CAP - for O1720AB bearing

1шт.

41

F3104

GEAR - (28T) mating shaft F9799 (Grain and rice track) See F3141 for rice wheel

1шт.

F3141

GEAR - (41T) mating shaft F9799 (Rice wheel) See F3104 for grain and rice track

1шт.

F3104

GEAR - (28T) driver - std. gears 1010 grain and 1010 rice track

1шт.

F3105

GEAR - (35T) driven - std. gears 1010 grain and 1010 rice track

1шт.

F3141

GEAR - (41T) driver - std. gear 1010 rice wheel

1шт.

F3140

GEAR - (22T) driven - std. gear 1010 rice wheel

1шт.

F3111

GEAR - (35T) driver - slow speed - 1010 rice wheel

1шт.

F3110

GEAR - (28T) driven - slow speed - 1010 rice wheel

1шт.

F3135

GEAR - (31T) driver - hi-speed - 1010 grain (Kansas City Special)

1шт.

F3134

GEAR - (32T) driven - hi-speed - 1010 grain (Kansas City Special)

1шт.

F3118

GEAR - (24T) driver - slow speed standard - 1010 grain (Oregon Special)

1шт.

F3119

GEAR - (39T) driven - slow speed standard - 1010 grain (Oregon Special)

1шт.

42

F9749

WASHER - (1-7/8" O.D. x 29/32" I.D. x 1/16" thick) cluster shaft

2шт.

43

F9735

BEARING, ROLLER

BEARING - (Hyatt #93420) cluster shaft

2шт.

44

F3102

GEAR CLUSTER - (17T - 41T - 28T)

1шт.

45

F9760

SPACER - (1-1/8" O.D. x 3/-1/2" long) For F3102 cluster gear

1шт.

46

F9797

SHAFT - (8-1/16" long) cluster

1шт.

Выбрано товаров: 63