Запчасти Case IH 1010 (252) - MAIN DRIVE SHAFT, TRACTION DRIVE TIGHTENER (16) - TRACTION VARIATOR

Схема запчастей Case IH 1010 - (252) - MAIN DRIVE SHAFT, TRACTION DRIVE TIGHTENER (16) - TRACTION VARIATOR
9
17
14
11
18
3
7
15
8
5
16
13
6
4
11
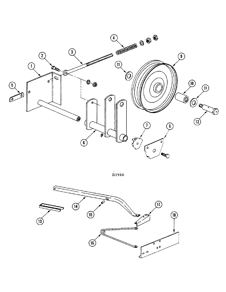
2
10
12
1
FIT
1:1
100%

Артикул

Название

Примечание

Количество

1

F86577

PLATE - anchor, pivot idler (Replaces F79809)

1шт.

BOLT - 3/8" x 1" N.F. hex. (14-616) nut (25-116)

2шт.

BOLT - 1/2" x 3/4" N.F. hex. (14-812) plain wshr. (195-33)

1шт.

F79809

PLATE - anchor, pivot idler (Replaced by F86577)

1шт.

2

F11259

BOLT - shoulder

1шт.

NUT - 3/8" N.F. hex. (25-116) L.W. (92-6)

1шт.

3

F12641

ROD - adjusting (#8262501 and after)

1шт.

NUT - 5/16" N.F. hex. (129-122)

2шт.

WASHER - 3/8" std. flat (195-103)

1шт.

F11616

ROD - adjusting (Before #8262501)

1шт.

NUT - 1/2" N.C. hex. (25-108)

2шт.

WASHER - 1/2" plain (195-33)

1шт.

4

F10901

SPRING - for ref. 3

1шт.

5

F11617

ANCHOR - spring

1шт.

6

F79810

HUB - pivot

1шт.

FITTING - #5042 Lincoln (219-20)

1шт.

7

F12508

CUP - adjusting, main drive idler (See F12507 also)

1шт.

BOLT - 5/16" x 1-3/4" rhd. sq. nk. (11-528) pl. wshr. (195-21) and elastic stop nut (131-4)

2шт.

BOLT - 5/16" x 2-1/2" rhd. sq. nk. (11-540) pl. wshr. (195-21) and elastic stop nut (131-4)

1шт.

8

F12507

BRACKET - main drive idler shaft (Replaces F11608) See F12508 also

1шт.

BOLT - 5/16" x 1" N.F. hex. (14-516) nut (25-115)

2шт.

F11608

STRUT - main drive idler (Replaced by F12507)

1шт.

BOLT - 5/16" x 3/4" N.F. hex. (14-512) nut (25-115)

2шт.

9

F86575

SHEAVE - idler

1шт.

10

O2167CK

X

BEARING - (Torrington #BL1628OH)

1шт.

11

O3739CK

X

WASHER - idler shaft

2шт.

F19583

BUSHING - plastic (Not shown)

1шт.

12

F11615

SHAFT - idler

1шт.

FITTING - #5410 Lincoln (219-57)

1шт.

NUT - 5/8" N.F. hex. (25-1110)

1шт.

13

F11618

STABILIZER - belt (w/bagging platform)

1шт.

BOLT - 3/8" x 3/4" N.F. hex. (114-209) nut (129-123)

1шт.

14

F12222

STRUT - elevator (Bagging platform)

1шт.

15

O650HT

X

SPACER - (3/8" x 3/4" long) elevator street (Bagging platform)

1шт.

BOLT - 3/8" x 1-1/2" N.F. hex. (114-203) nut (129-123)

1шт.

WASHER - 3/8" plain (195-525)

1шт.

16

F86156

STRUT - main drive idler (w/bagging platform)

1шт.

BOLT - 3/8" x 1" N.F. hex. (14-616) nut (25-116)

1шт.

WASHER - 3/8" plain (195-25) L.W. (92-6)

1шт.

BOLT - 3/8" x 1-1/4" N.F. hex. (14-620) nut (25-116)

1шт.

WASHER - 3/8" plain (195-25) L.W. (92-6)

1шт.

17

F12098

SUPPORT - upper strut (Bagging platform)

1шт.

BOLT - 5/16" x 3/4" N.F. hex. (14-512) nut (25-115)

2шт.

18

F12449

SUPPORT - lower strut, fuel strainer and pump (Bagging platform) Replaces F12097

1шт.

BOLT - 5/16" x 3/4" N.F. hex. (14-512) nut (25-115)

3шт.

F12097

SUPPORT - lower strut (Bagging platform) Replaced by F12449 when stock is exhausted

1шт.

Выбрано товаров: 46