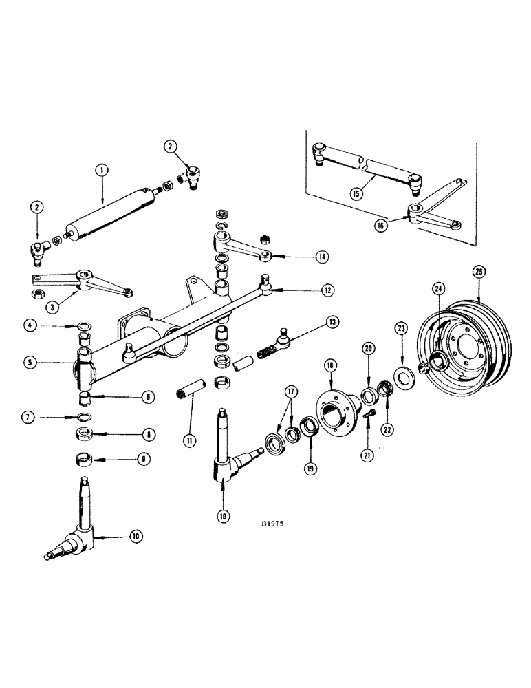
Запчасти Case IH 1010 (294) - STEERING ARMS AND AXLE (27) - REAR AXLE SYSTEM

Схема запчастей Case IH 1010 - (294) - STEERING ARMS AND AXLE (27) - REAR AXLE SYSTEM
4
19
6
15
10
25
17
22
18
14
8
1
2
11
12
9
21
24
10
23
7
16
13
20
5
2
3
FIT
1:1
100%

Артикул

Название

Примечание

Количество

1

F86540

CYLINDER - power (Serial #8243201 and after)

1шт.

2

F86541

SOCKET - cylinder (Serial #8243201 and after)

2шт.

NUT - 9/16" N.F. slotted hex. (25-119)

2шт.

PIN - 1/8" x 1" cotter (132-48)

2шт.

NUT - 5/8" N.F. hex. jam (25-1510)

2шт.

3

F86779

CRANK - control arm (Wide axle grain and rice axle) serial #8262501 and after (Replaces F86213 and F86537 when stocks are exhausted)

1шт.

F86780

CRANK - control arm (Narrow axle - grain) serial #8262501 and after (Replaces F86212 and F86538 when stocks are exhausted)

1шт.

F87537

CRANK - control arm (Wide axle grain and rice axle) serial #8243201 to serial #8262501 (See F86213 and F86779)

1шт.

F86538

CRANK - control arm (Narrow axle - grain) serial #8243201 to serial #8262501 (See F86212 and F86780)

1шт.

4

O168CB

WASHER - shim

1шт.

O1158C1

X

WASHER

1шт.

5

F86531

AXLE - rear, (Narrow axle - 34") serial #8243201 and after (See F86300) w/bushings

1шт.

F86535

AXLE - rear, (Rice - 34") serial #8243201 and after (Replaces F78504 when stocks are exhausted) w/bushings

1шт.

F86533

AXLE - rear, (Wide axle - 66") serial #8243201 and after (See F86304) w/bushings

1шт.

F78504

AXLE - rear, (Rice) before serial #8243201 (Replaced by F86535 when stocks are exhausted) w/bushings

1шт.

F86300

AXLE - rear, (Narrow rear axle) before serial #8243201 (See F86531) w/bushings

1шт.

F86304

AXLE - rear, (Wide rear axle) before serial #8243201 (See F86533) w/bushings

1шт.

6

F10298

BUSHING - for all rear axles

4шт.

FITTING - 1/8" x 45 degree Lincoln #5200 (219-36)

2шт.

FITTING - 1/8" x 67-1/2 degree Lincoln #5300 (219-40)

1шт.

7

F10300

WASHER

2шт.

8

O9058AB

X

BEARING

2шт.

9

F10299

SLEEVE - for O9058AB bearing

2шт.

10

F86312

SPINDLE - steering, R.H. and L.H. (Rice)

2шт.

F86417

SPINDLE - R.H. and L.H. (Grain)

2шт.

KEY - "G" Woodruff (126-40)

2шт.

NUT - 1" N.F. hex. jam (25-1516) L.W. (92-16)

2шт.

NUT - 1" N.F. hex. slotted (25-1316)

2шт.

PIN - 3/16" x 1-3/4" cotter (132-97)

2шт.

11

F12739

HOUSING

ROD - tie, (Wide axle) serial #8262501 and after

1шт.

F12740

ROD - tie, (Narrow axle) serial #8262501 and after

1шт.

12

F78982

ROD - tie, rear (Narrow axle) before serial #8262501

1шт.

F78983

ROD - tie, rear (Wide axle) before serial #8262501

1шт.

PIN - 1/8" x 1" cotter (132-48)

2шт.

NUT - 9/16" N.F. std. slotted hec. (25-139)

2шт.

13

F86782

END - tie rod, R.H. thread (For F12739 and 12740)

2шт.

NUT - 1" - 8 N.C. jam R.H. thd. (25-1416)

2шт.

NUT - 9/16" - 18 N.F. slotted (25-139)

2шт.

PIN - 1/8" x 1" cotter (132-48)

2шт.

F86783

END - tie rod, L.H. thread (For F12739 and F12740)

2шт.

NUT - 1" - 8 N.C. jam L.H. thd. (129-350)

2шт.

NUT - 9/16" - 18 N.F. slotted (25-139)

2шт.

PIN - 1/8" x 1" cotter (132-48)

2шт.

14

F3150

ARM - spindle R.H. (Serial #8262501 and after)

1шт.

F3144

ARM - spindle (Before serial #8262501)

1шт.

15

F78993

LINK - drag, rear (Narrow axle) before serial #8243201

1шт.

F78994

LINK - drag, rear (Wide axle) before serial #8243201

1шт.

16

F86212

CRANK - control arm (Narrow axle) See F86213 (Before serial #8243201)

1шт.

F86213

CRANK - control arm (Wide axle) See F86212 (Before serial #8243201)

1шт.

17

F86364

BEARING CONE

CONE AND SEAL - (Timken #13685L-13600L) wheel bearing, inner

2шт.

18

F79241

HUB - wheel

2шт.

19

O5428N

X

CUP - (Timken #13621) wheel bearing, inner

1шт.

20

B12408

BEARING CUP,59.156 mm OD x 11.862 mm

CUP - (Timken #LM67010) wheel bearing, outer

1шт.

21

O4236AB

X

BOLT -, Serial Range: wheel-hub

12шт.

22

B12409

BEARING, ROLLER,31.763 mm ID x 16.84 mm

CONE - (Timken #LM67048) wheel bearing, outer

2шт.

23

O4642AB

X

WASHER - spindle

2шт.

24

G57436

CYLINDER END CAP

CAP - hub

2шт.

25

F8873

DISC - wheel, for 6:50 x 16 4 ply implement tire

2шт.

O9930HT

DISC - wheel, for 7:50 x 18 4 ply implement tire

2шт.

Выбрано товаров: 59