Запчасти Case IH 1010 (244) - F86819 HYDRAULIC PUMP (35) - HYDRAULIC SYSTEMS

Схема запчастей Case IH 1010 - (244) - F86819 HYDRAULIC PUMP (35) - HYDRAULIC SYSTEMS
9
8
2
5
13
20
19
12
15
7
18
10
16
11
3
14
4
21
17
6
1
FIT
1:1
100%

Артикул

Название

Примечание

Количество

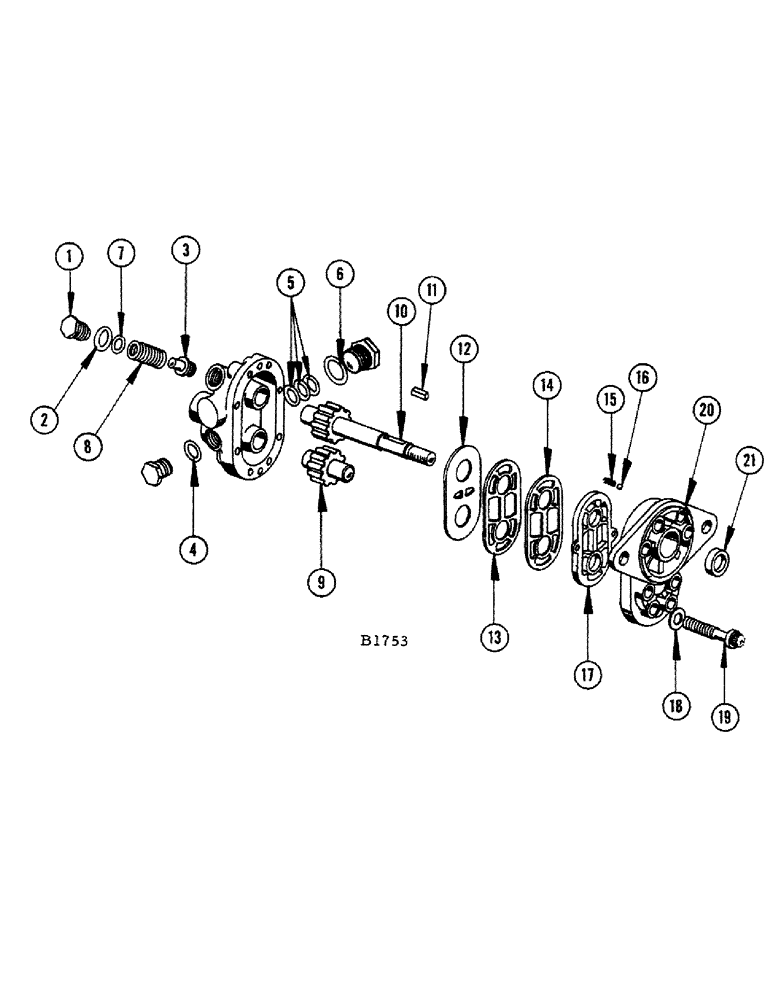
F86871

LARGE PLATE

KIT - back plate (Includes seat valve)

1шт.

1

F10890

PLUG

- (9/16" N.F.) poppet

1шт.

2

F59121

O-RING

"O" RING - (7/16" I.D. x 3/16" thick) poppet

1шт.

3

FH732180

VALVE POPPET

POPPET - (Replaces F86529 when stocks are exhausted)

1шт.

3

F86259

VALVE POPPET

POPPET - (Replaced by FH732180 when stocks are exhausted)

1шт.

4

A7982

O-RING,0.103" Thk x 0.612" ID, -114, Cl 5, 75 Duro

"O" RING - (5/8" I.D. x 13/16" thick) spool

1шт.

5

F10894

O-RING,0.07" Thk x 0.676" ID, -17, Cl 5, 75 Duro

"O" RING - (11/16" I.D. x 1/16" thick) back plate

3шт.

6

F10895

X

"O" RING - (7/16" I.D. x 3/32" thick) back plate

1шт.

NSS

NOT SOLD SEPARAT

BACK PLATE

1шт.

7

F12267

WASHER

SHIM - relief valve

1шт.

F21353

SPRING

- sleeve (Not shown)

1шт.

8

F12862

SPRING - relief valve

1шт.

9

F79200

GEAR

- idler (Includes shaft)

1шт.

10

F79201

GEAR

- drive (Includes shaft)

1шт.

11

F9856

KEY

1шт.

12

F11404

DIAPHRAGM

- front plate

1шт.

13

F11405

GASKET

- backup, front plate

1шт.

14

F10896

GASKET

- protector

1шт.

15

F9883

SPRING

- steel ball

2шт.

16

211-6

BALL,7/32" Dia

steel 7/32" Dia

2шт.

17

F11409

SEAL

- diaphragm

1шт.

18

F10897

WASHER

- body cap screws

8шт.

19

F11407

X

CAP SCREW - body

8шт.

20

F79198

PLATE ASSY.

PLATE - front

1шт.

21

F11406

SEAL

- drive gear shaft

1шт.

F79661

PACKAGE, REPAIR

BODY - pump, with dowel pins (Not shown)

1шт.

Выбрано товаров: 26