Запчасти Case IH 1010 (424) - A34126, A33983, A22684, A20632 GENERATOR, 301 DIESEL AND 284 SPARK IGNITION (55) - ELECTRICAL SYSTEMS

Схема запчастей Case IH 1010 - (424) - A34126, A33983, A22684, A20632 GENERATOR, 301 DIESEL AND 284 SPARK IGNITION (55) - ELECTRICAL SYSTEMS
27
49
26
36
21
14
12
37
5
10
16
22
47
38
17
41
15
11
6
1
53
31
9
44
54
34
48
33
30
29
28
7
51
29
13
19
4
56
3
46
20
40
8
25
52
18
45
55
50
14
2
35
24
42
16
15
43
32
23
39
FIT
1:1
100%

Артикул

Название

Примечание

Количество

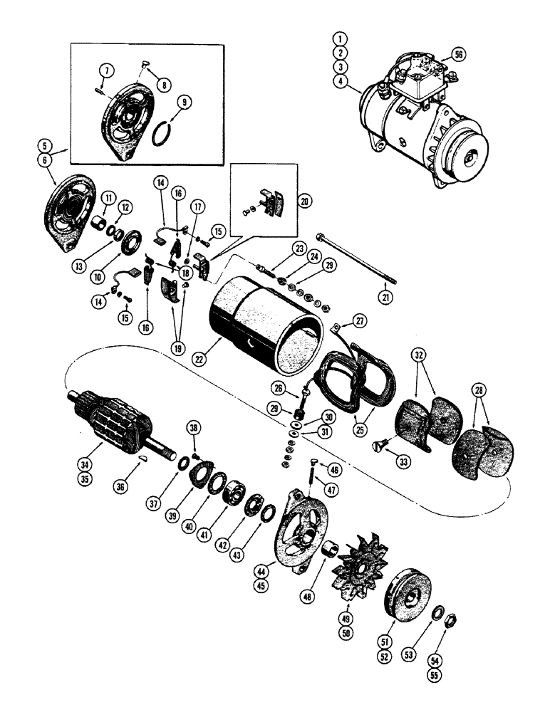
1

A34126

GENERATOR ASSY. - eng. (Delco-Remy #1100445)

1шт.

2

A33983

GENERATOR

ASSY. - (Order A34126) (Delco 1100444)

1шт.

3

A22684

GENERATOR ASSY. - (Order A34126) (Delco #1100407)

1шт.

4

A20632

X

GENERATOR ASSY. - (Order A34126) (Delco #1100369)

1шт.

4

103814A1R

REMAN-GENERATOR

Generator

1шт.

4

103814A1C

CORE-GENERATOR

Return Number

1шт.

5

A25413

HOUSING

ASSY. - comm. end (Used w/ref. #1 thru 3)

1шт.

6

R16153

X

HOUSING ASSY. - comm. end (Used w/ref. #4)

1шт.

7

NSS

NOT SOLD SEPARAT

PIN - dowel, comm. end

1шт.

8

NSS

NOT SOLD SEPARAT

OILER - commutator end

1шт.

9

NSS

NOT SOLD SEPARAT

WICK - oil, commutator end

1шт.

10

NSS

NOT SOLD SEPARAT

RETAINER - wick (w/ref. #6)

1шт.

11

A25461

BALL BEARING,0.6693" ID x 1.5748" OD x 0.4724"

BEARING - ball, comm. end (Use w/ref. #1, 2 & 3)

1шт.

12

NSS

NOT SOLD SEPARAT

WASHER - felt, comm. end

1шт.

13

NSS

NOT SOLD SEPARAT

CUP - felt retainer

1шт.

14

A4286

BUSHING

BRUSH - main, generator

2шт.

15

NSS

NOT SOLD SEPARAT

SCREW - brush lead

2шт.

16

R15090

ARM

- main brush

2шт.

17

NSS

NOT SOLD SEPARAT

WASHER - spacer, brush arm

2шт.

18

R16161

VALVE SPRING

SPRING - main brush

2шт.

19

A40703

NOZZLE HOLDER

HOLDER - ground, brush

1шт.

20

A40704

NOZZLE HOLDER

HOLDER - insulated brush

1шт.

21

A40129

BOLT

BOLT - thru, generator

2шт.

22

NSS

NOT SOLD SEPARAT

BODY - generator (Order A34126)

1шт.

23

A40701

STUD

- terminal "A"

1шт.

24

R16147

BUSHING

- insulating, term. "A"

1шт.

25

R16149

COIL ASSY.

- field

1шт.

26

R16150

X

STUD - term. "F", field coil

1шт.

27

NSS

NOT SOLD SEPARAT

CLIP -, Serial Range: term.-brush

2шт.

28

R16152

INSULATOR

- field coil

2шт.

29

A40702

STUD

BUSHING - term. "F" insulator

1шт.

30

NSS

NOT SOLD SEPARAT

WASHER - insulation, term stud

1шт.

31

NSS

NOT SOLD SEPARAT

WASHER - plain, term. stud

2шт.

32

A40700

SHOE - generator pole

2шт.

33

NSS

NOT SOLD SEPARAT

SCREW - shoe pole

2шт.

34

A40377

ARMATURE

ASSY. - gen. (Use w/ref. 1, 2 & 3)

1шт.

35

R16144

ARMATURE ASSY. - gen. (Use w/ref. 4)

1шт.

36

126-111

WOODRUFF KEY,#5, 1/8" x 5/8", HT

Drive end #5, 1/8" x 5/8", HT

1шт.

37

NSS

NOT SOLD SEPARAT

WASHER - spacer, drive hsg., inner

1шт.

38

NSS

NOT SOLD SEPARAT

SCREW - retainer plate

3шт.

39

R15101

PLATE

- retainer, brg., drive hsg.

1шт.

40

R16170

GASKET

- brg. retainer plate

1шт.

41

G10623

BALL BEARING

BEARING - ball, drive hsg.

1шт.

42

NSS

NOT SOLD SEPARAT

PLATE - retainer, felt washer

1шт.

43

NSS

NOT SOLD SEPARAT

WASHER - felt, drive housing

1шт.

44

A25442

HOUSING

ASSY. - drive end (Use w/ref. 1, 2 & 3)

1шт.

45

R16163

X

HOUSING ASSY. - drive end (Use w/ref. 4)

1шт.

46

NSS

NOT SOLD SEPARAT

OILER - housing

1шт.

47

NSS

NOT SOLD SEPARAT

WICK - oil, housing

1шт.

48

R16166

BUSHING

COLLAR - spacer, drive hsg. inner

1шт.

49

A25449

FAN

- vent, drive end (Use w/ref. 1, 2 & 3)

1шт.

50

R16180

FAN

- vent, drive end (Use w/ref. 4)

1шт.

51

A25452

PULLEY - drive, gen. (Use w/ref. 1 & 4)

1шт.

52

A22366

PULLEY

- drive, gen. (Use w/ref. 2 & 3)

1шт.

53

R16171

SPRING WASHER

- lock, shaft nut

1шт.

54

A25546

NUT

- armature drive end (Use w/ref. 1)

1шт.

55

R15105

X

NUT - armature drive end (Use w/ref. 2, 3 & 4)

1шт.

56

A20792

REGULATOR

ASSY. - voltage

1шт.

Выбрано товаров: 58