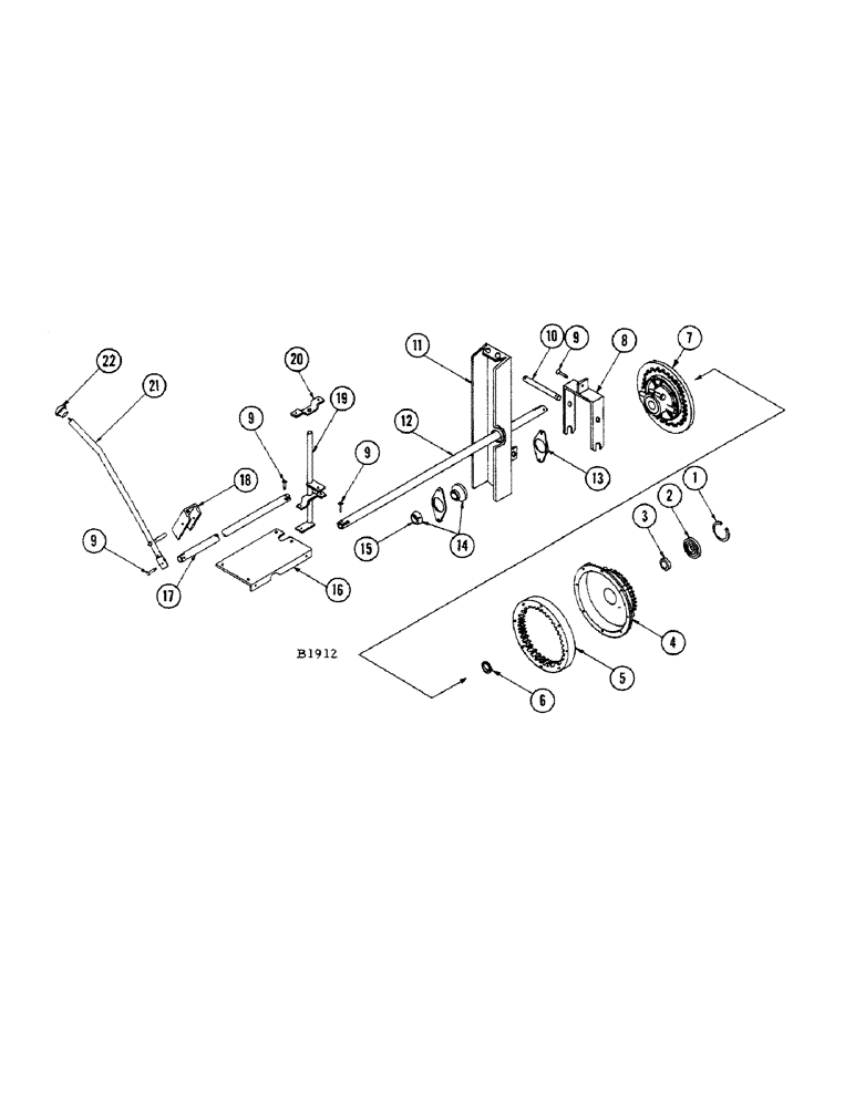
Запчасти Case IH 1010 (082) - OVER CENTER CLUTCH, HEADER DRIVE (60) - PRODUCT FEEDING

Схема запчастей Case IH 1010 - (082) - OVER CENTER CLUTCH, HEADER DRIVE (60) - PRODUCT FEEDING
14
9
9
7
2
16
22
6
1
21
13
10
4
18
17
11
3
9
15
20
12
9
8
5
19
FIT
1:1
100%

Артикул

Название

Примечание

Количество

1

O6947AB

X

SNAP RING - for ref. 2

1шт.

2

O3163CS

X

BEARING - (N.D. #Z99506P-LYIC or equivalent) For ref. 4

2шт.

3

F8467

SPACER - (1-7/16" O.D. #11 ga.) For ref. 2

1шт.

4

F86069

HUB - inner, with welded 27T sprocket

1шт.

BOLT - 5/16" x 1-1/4" N.C. hex. (13-520) L.W. (92-5)

8шт.

5

O3730CS

OUTER RING - clutch

1шт.

BOLT - 5/16" x 1-1/4" N.C. hex. (13-520) L.W. (92-5)

8шт.

6

F12380

SPACER - inner hub and clutch back plate

1шт.

7

F86068

CLUTCH - beater shaft

1шт.

FITTING - 1/8" #5000 Lincoln (219-1)

1шт.

8

F86154

YOKE

1шт.

9

O731CW

PIN - header

4шт.

PIN - 1/8" x 3/4" cotter (132-46) washer - 3/8" (19-525)

4шт.

10

F12090

PIVOT - yoke, clutch

1шт.

PIN - 3/16" x 1-1/4" cotter (132-93) washer - 5/8" (195-541)

2шт.

11

F86153

STRUT

1шт.

BOLT - 3/8" x 5/8" N.F. hex. (114-221) nut (129-123)

2шт.

12

F12092

LINK -, Serial Range: crank-yoke

1шт.

13

F9417

FLANGE

- for ref. 14

2шт.

BOLT - 5/16" x 5/8" N.f. hex. (114-105) nut (129-122)

2шт.

14

F90306

BEARING ASSY

BEARING - (Fafnir #RAO174PPB)

1шт.

15

O4233CS

COLLAR

1шт.

16

F12089

PLATE - crank support

1шт.

BOLT - 3/8" x 5/8" N.F. hex. (114-221) nut (129-123)

4шт.

17

F12091

LINK -, Serial Range: lever-crank

1шт.

18

F12088

BRACKET - hand lever

1шт.

BOLT - 3/8" x 3/4" N.F. hex. (114-209) nut (129-123)

2шт.

19

F86152

BELLCRANK

1шт.

PIN - 1/4" x 1" type "E" Drive Loc (135-76)

1шт.

20

F12083

PIVOT

1шт.

BOLT - 3/8" x 3/4" N.F. hex. (114-209) nut (129-123)

4шт.

21

F86151

LEVER - hand

1шт.

PIN - 1/8" x 3/4" cotter (132-46) washer - 3/8" (195-525)

1шт.

22

O3501AB

X

KNOB - hand lever

1шт.

Выбрано товаров: 34