Запчасти Case IH 1010 (146) - FAN AND FAN HOUSING (74) - CLEANING

Схема запчастей Case IH 1010 - (146) - FAN AND FAN HOUSING (74) - CLEANING
6
9
12
17
10
4
15
5
7
14
11
13
19
3
18
16
8
1
2
FIT
1:1
100%

Артикул

Название

Примечание

Количество

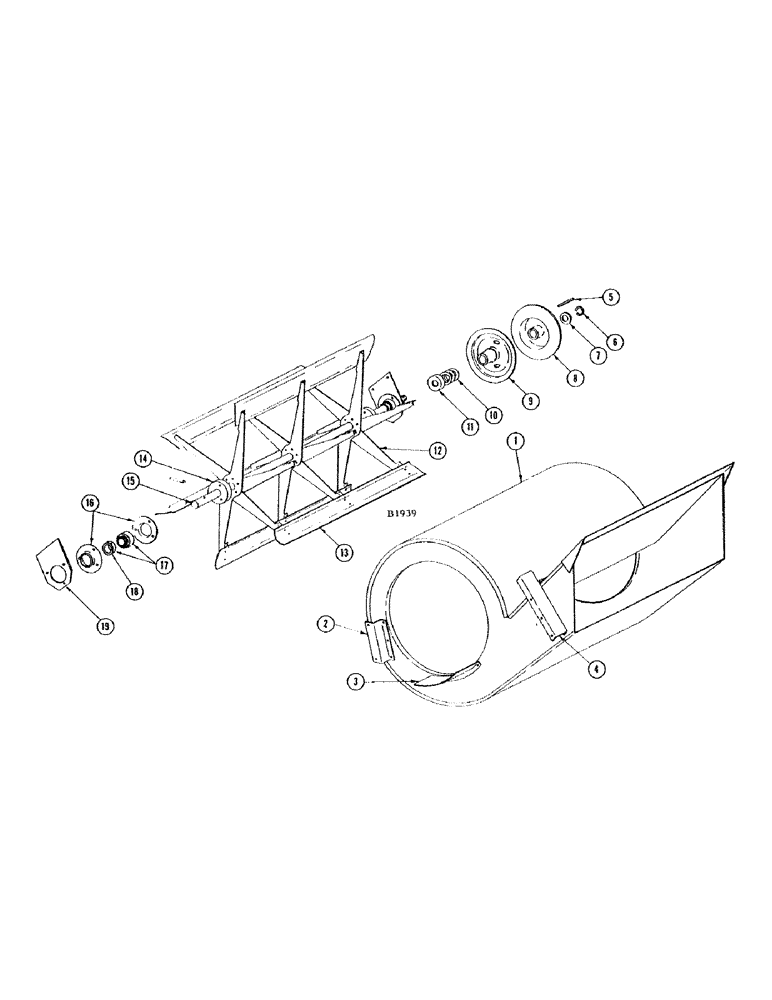
1

F86007

DRUM - fan

1шт.

2

F7669

SUPPORT - front fan

2шт.

SCREW - 1/4" x 1/2" N.C. mach. (75-48) nut (25-104)

6шт.

3

F7814

SCREEN - fan intake

2шт.

BOLT - 1/4" x 1/2" N.F. hex. (14-48) nut (25-114)

4шт.

4

F11840

FILLER - fan

2шт.

BOLT - 1/4" x 1/2" N.F. hex. (14-48) nut (25-114)

12шт.

5

F8896

KEY

1шт.

6

O5872AB

X

SNAP RING

111шт.

7

O124GR

WASHER

1шт.

8

F1313

SHEAVE

HALF

1шт.

9

F1314

SHEAVE HALF

1шт.

10

F9021

VALVE SPRING

SPRING - compression

1шт.

11

F16078

WASHER - cup, For ref. 10

1шт.

12

F7667

SPOKE - fan

9шт.

BOLT - 1/4" x 5/8" N.F. hex. (14-410) nut (25-114)

3шт.

13

F10656

BLADE - fan

6шт.

SCREW - 1/4" x 1/2" N.C. mach. (75-48) nut (25-104)

36шт.

14

F6413

HUB

2шт.

BOLT - 1/4" x 1-1/2" N.F. hex. (14-424) nut (25-114)

6шт.

BOLT - 5/16" x 3" N.F. hex. (14-548) nut (25-115)

2шт.

15

F12445

SHAFT - fan (Replaces F7671)

1шт.

PIN - 1/4" x 1-3/8" type A-3 drive lock (135-404)

1шт.

FITTING - 1/8" str. Lincoln #5000 (219-1)

1шт.

16

O799CB

X

FLANGE - for ref. 17

4шт.

BOLT - 5/16" x 3/4" rhd. sq. nk. (11-512) nut (25-105)

6шт.

17

3074CSA

BALL BEARING

- (Fafnir #RA100NPPB)

2шт.

18

O3785CS

X

COLLAR

1шт.

19

F7672

HOLDER - bearing

2шт.

BOLT - 5/16" x 3/4" N.F. hex. (14-512) nut (25-115)

4шт.

F9468

BELT

Fan Drive

1шт.

F1262

SHEAVE - (5-3/32" O.D. and 9-3/4" O.D. dbl.) drives fan (On grain auger shaft) See F86142, slow fan speed attachment

1шт.

See Figure Note.

1шт.

F1263

SHEAVE HALF - (10-5/16" O.D.) fan drive (On fan shaft), slow fan speed attachment

2шт.

See Figure Note.

1шт.

F1299

SHEAVE - (9-3/4" O.D. and 11" O.D. dbl.) drives grain auger and fan (On grain auger shaft), high fan speed attachment

1шт.

See Figure Note.

1шт.

F10269

BELT

Fan Drive, See F9468, High Speed Attachment

1шт.

See Figure Note.

1шт.

Выбрано товаров: 39