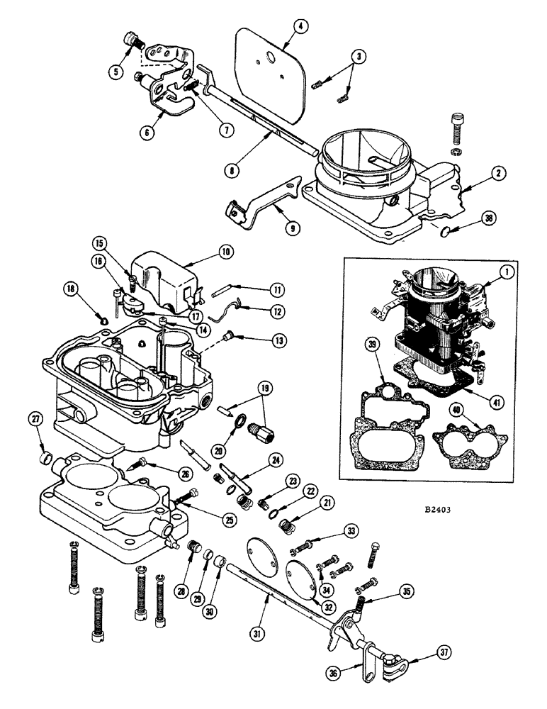
Запчасти Case IH 1010 (364) - MODEL H-318 ENGINE, CARBURETOR (10) - ENGINE

Схема запчастей Case IH 1010 - (364) - MODEL H-318 ENGINE, CARBURETOR (10) - ENGINE
28
15
9
7
16
18
1
19
5
6
24
41
29
11
40
2
20
25
12
35
30
38
34
21
13
14
39
3
33
17
37
36
31
22
27
4
23
32
8
10
26
FIT
1:1
100%

Артикул

Название

Примечание

Количество

1

F86750

CARBURETOR

1шт.

2

A40490

AIR HORN

1шт.

3

A40497

SCREW - choke valve

2шт.

4

A40936

VALVE - choke

1шт.

5

A40495

SCREW - choke lever

1шт.

6

A40935

LEVER - choke

1шт.

7

A40494

X

SPRING - choke lever return

1шт.

8

A40934

X

SHAFT - choke lever

1шт.

9

A40937

HOLDER - choke control tube

1шт.

A40500

WASHER - choke tube holder stop (Not shown)

1шт.

10

A40506

FLOAT

- lever

1шт.

11

A40507

PIN - float fulcrum

1шт.

12

A40508

SPRING - float fulcrum pin

1шт.

13

A40502

PLUG - pump inlet drive

1шт.

14

A40513

TUBE - idle

2шт.

15

A40505

SCREW - nozzle attaching

1шт.

16

A40503

NOZZLE - pump discharge

1шт.

17

A40504

GASKET - pump discharge nozzle

1шт.

18

A40501

BLEEDER - high speed

2шт.

19

A40514

VALVE - float needle seat

1шт.

20

A40515

GASKET - float valve seat

1шт.

21

A40509

PLUG - main metering jet

2шт.

22

A40510

GASKET - metering jet plug

2шт.

23

A40512

JET - main metering

2шт.

24

A40511

JET - main discharge

2шт.

25

B51410

SPRING - idle adjusting needle

2шт.

26

B51264

NEEDLE - idler adjusting

2шт.

27

B51438

PLUG

- cup

1шт.

28

A40483

BUSHING - throttle shaft

2шт.

29

A51534

SEAL - felt

1шт.

30

B59344

RETAINER - seal

1шт.

31

A40519

SHAFT - throttle lever

1шт.

32

A40489

PLATE - throttle

2шт.

33

173-260

SCREW - throttle plate

4шт.

34

192-14

LOCK WASHER,Helical Spring, #5, 0.13" ID, CST, ZND

Washer, Lock, , For 173-260 screw #5

4шт.

35

B51408

SPRING - throttle stop

1шт.

36

A40488

LEVER - floating

1шт.

37

A40486

STOP - floating lever

1шт.

A40487

WASHER - floating lever (Not shown)

1шт.

38

A40491

PLUG - expansion, air horn

1шт.

39

A40499

GASKET

- air horn

1шт.

40

A40482

GASKET - main body

1шт.

41

F12676

GASKET - carburetor

1шт.

13-516

BOLT,Hex, 5/16" - 18 x 1", Gr 5

and L.W. (92-5) Hex, 5/16"-18 x 1", G5, Full Thd

4шт.

222-619

ELBOW,90 Degree, 1/2"-24 x 1/8" NPT, Comp

- 5/16" O.D. x 1/8" NPT Imperial #69

1шт.

A40516

GASKET

KIT - carburetor

1шт.

A40482

GASKET - main body (See ref. 40)

1шт.

A40499

GASKET

- air horn (See ref. 39)

1шт.

A40504

GASKET - pump discharge nozzle (See ref. 17)

1шт.

A40510

GASKET - metering jet plug (See ref. 22)

2шт.

A40515

GASKET - float needle valve seat (See ref. 20)

1шт.

NSS

NOT SOLD SEPARAT

GASKET - discharge nozzle screw

1шт.

NSS

NOT SOLD SEPARAT

GASKET - by-pass jet plug

1шт.

A40517

REPAIR KIT - carburetor (Includes ref. 11, 12, 16, 17, 18, 19, 20, 22, 26, 27, 29, 30, 33, 34, 39 and 40)

1шт.

Выбрано товаров: 54