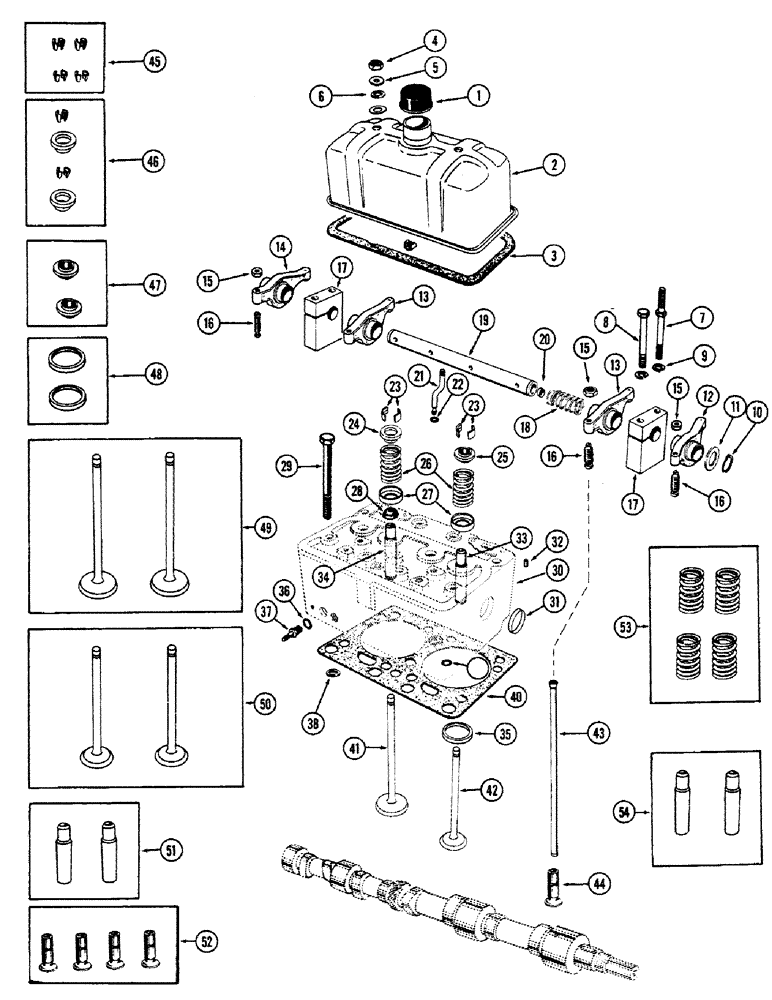
Запчасти Case IH 1010 (378) - CYLINDER HEAD ASSEMBLY, 301 DIESEL ENGINE, COMBINE SERIAL NUMBER 8262501 AND AFTER (10) - ENGINE

Схема запчастей Case IH 1010 - (378) - CYLINDER HEAD ASSEMBLY, 301 DIESEL ENGINE, COMBINE SERIAL NUMBER 8262501 AND AFTER (10) - ENGINE
25
53
21
35
27
51
20
49
14
48
24
16
13
5
54
52
10
33
47
36
4
15
17
16
8
42
16
28
30
9
13
31
2
37
12
19
15
23
17
46
11
44
23
6
50
15
34
43
40
3
41
26
32
7
18
38
29
22
1
45
FIT
1:1
100%

Артикул

Название

Примечание

Количество

1

O9960AB

X

BREATHER - cyl. head cover

2шт.

2

A20345

COVER - cylinder head

2шт.

3

O9959AB

X

GASKET - cylinder hd. cover

2шт.

4

25-117

NUT,7/16"-20, G5

- 7/16" N.F., hex.

4шт.

5

A23683

WASHER

- cover nut

4шт.

6

A23684

GASKET

GASKET - cover nut

4шт.

7

O10732AB

STUD - rocker shaft bracket

4шт.

8

13-760

BOLT,Hex, 7/16" - 14 x 3-3/4", Gr 5

4шт.

9

92-7

LOCK WASHER,7/16"

8шт.

10

O3658CH

X

RING - snap, rocker arm shaft

4шт.

11

O9770AB

X

WASHER - rocker arm shaft

1шт.

12

A22324

ROCKER

ARM ASSY. - rocker, exhaust (Cyl. #1 & 3)

2шт.

13

A22322

ROCKER

ARM ASSY.- rocker, intake valve

4шт.

14

A22326

ROCKER

ARM ASSY. - rocker, exhaust (Cyl. #2 & 4)

2шт.

15

25-156

JAM NUT,Jam, 3/8"-24, G5

- jam, adj. screw, 3/8" N.F., hex.

1шт.

16

A21105

ADJUSTMENT SCREW,3/8" - 24 x 1 9/16"

SCREW - adjusting

1шт.

17

O9773AB

BRACKET - rocker arm shaft

4шт.

18

O9769AB

X

SPRING - rocker arm shaft

2шт.

19

A21100

SHAFT

ASSY. - rocker arm

2шт.

20

O2803AB1

PLUG - end, rocker shaft

2шт.

21

O9771AB

X

TUBE - oil, rocker shaft

2шт.

22

O9772AB

X

"O" RING - oil tube

2шт.

23

NSS

NOT SOLD SEPARAT

KEEPER - valve spring, int. & exh. (Order ref. #45)

16шт.

24

NSS

NOT SOLD SEPARAT

RETAINER - int. valve spring (Order ref. #46)

4шт.

25

NSS

NOT SOLD SEPARAT

ROTO CAP - exh. valve spring (Order ref. #47)

4шт.

26

NSS

NOT SOLD SEPARAT

SPRING - int. & exh. valve (Order ref. #53)

8шт.

27

O9751AB

X

SEAT - int. & exh. valve spring

8шт.

28

A10726

SEAL

SHIELD - int. valve stem

4шт.

29

A23355

BOLT

- cylinder head

18шт.

30

A33644

X

HEAD ASSY. - cylinder

2шт.

31

A34124

PLUG,Cup, 1 5/8", Stainless

- cup, cyl.

2шт.

32

A11810

PIN,3.19mm OD x 6.99mm L

- locating, powrcel.

2шт.

33

NSS

NOT SOLD SEPARAT

GUIDE - valve, exhaust (Order ref. #51)

2шт.

34

NSS

NOT SOLD SEPARAT

GUIDE - valve, intake (Order ref. #54)

2шт.

35

NSS

NOT SOLD SEPARAT

INSERT - valve seat, exhaust (Order ref. #48)

2шт.

36

A10679

GASKET

- stud, nozzle

2шт.

37

A10678

STUD

- nozzle holder (Large)

2шт.

38

A7669

RING

- cylinder head (Rubber)

4шт.

39

O8569AB

X

"O" RING - cyl. hd. oil passage

2шт.

40

A23117

GASKET

- cylinder head

2шт.

41

NSS

NOT SOLD SEPARAT

VALVE - intake (Order ref. #49)

4шт.

42

NSS

NOT SOLD SEPARAT

VALVE - exhaust (Order ref. #50)

4шт.

43

A21060

ROD

- push, rocker arm

8шт.

44

NSS

NOT SOLD SEPARAT

LIFTER - push rod (Order ref. #52)

8шт.

45

A40352

LOCK

KEEPER KIT - valve spring (Set of 8)

2шт.

46

A21657

LOCK

RETAINER KIT - int. valve (Incl. 4 keepers and 2 retainers)

2шт.

47

A24993

CAP

ROTO CAP KIT - exh. valve (Set of 2)

2шт.

48

A21683

SHAFT

INSERT KIT - exh. valve (Set of 2)

2шт.

49

A24921

KIT

VALVE KIT - intake (Set of 2)

2шт.

50

A24881

KIT

VALVE KIT - exhaust (Set of 2)

2шт.

51

A21674

GUIDE

KIT - exhaust valve (Set of 2)

2шт.

52

A21653

KIT

LIFTER KIT - push rod (Set of 4)

2шт.

53

A21694

SPRING

KIT - int. & exh. (Set of 4)

2шт.

54

A21671

GUIDE

KIT - intake valve (Set of 2)

2шт.

Выбрано товаров: 54