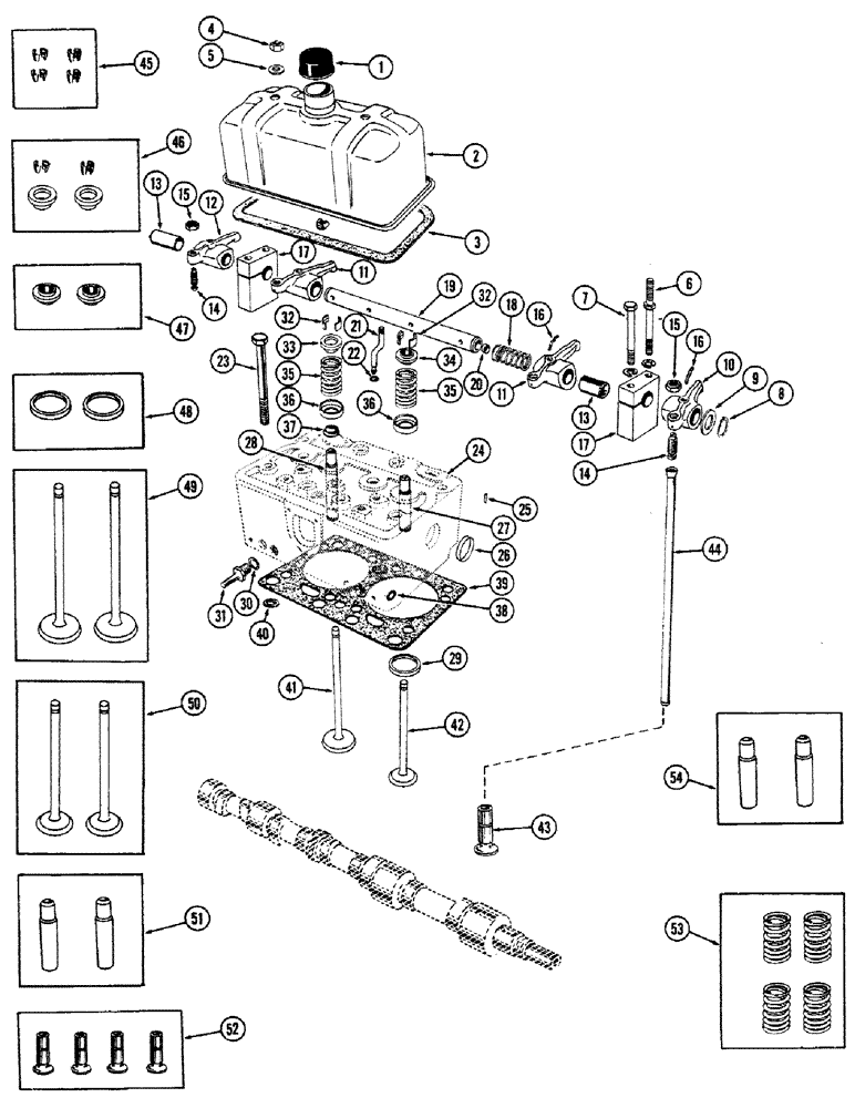
Запчасти Case IH 1010 (380) - CYLINDER HEAD ASSEMBLY, 301 DIESEL ENGINE, PRIOR TO COMBINE SERIAL NUMBER 8262501 (10) - ENGINE

Схема запчастей Case IH 1010 - (380) - CYLINDER HEAD ASSEMBLY, 301 DIESEL ENGINE, PRIOR TO COMBINE SERIAL NUMBER 8262501 (10) - ENGINE
26
43
52
36
23
33
17
2
20
1
14
44
8
11
35
6
40
16
14
18
5
32
29
38
27
12
24
49
17
54
34
48
51
37
39
9
30
19
42
41
22
13
32
15
11
4
31
16
47
46
45
15
28
7
3
21
53
13
35
10
50
25
36
FIT
1:1
100%

Артикул

Название

Примечание

Количество

1

O9960AB

X

BREATHER - cyl. head cover

2шт.

2

A20345

COVER - cylinder head

2шт.

3

O9959AB

X

GASKET - cyl. head cover

2шт.

4

25-117

NUT,7/16"-20, G5

- 7/16" N.F., hex.

4шт.

5

195-25

WASHER,3/8"

- plain, 13/32" I.D. x 13/16" O.D.

4шт.

6

O9774AB

STUD - rocker shaft bracket

4шт.

7

13-764

BOLT,Hex, 7/16" - 14 x 4", Gr 5

4шт.

8

O3658CH

X

RING - snap, rocker shaft

4шт.

9

O9770AB

X

WASHER - rocker arm shaft

1шт.

10

4608AA

ARM ASSY. - rocker, exh. (Cyl. #1 & 3)

2шт.

11

4607AA

X

ARM ASSY. - rocker, intake

4шт.

12

4609AA

ARM ASSY. - rocker, exhaust (Cyl. #2 & 4)

2шт.

13

O9767AB

X

BUSHING - rocker arm

1шт.

14

A21105

ADJUSTMENT SCREW,3/8" - 24 x 1 9/16"

SCREW - adj., rocker arm

8шт.

15

25-156

JAM NUT,Jam, 3/8"-24, G5

- jam, 3/8" N.F., hex.

8шт.

16

O9882AB

X

WICK - lube, exhaust rocker arm

4шт.

17

O9773AB

BRACKET - rocker arm shaft

4шт.

18

O9769AB

X

SPRING - rocker arm shaft

2шт.

19

A21100

SHAFT

ASSY. - rocker arm

2шт.

20

O2803AB1

PLUG - end, rocker shaft

2шт.

21

O9771AB

X

TUBE - oil, rocker shaft

2шт.

22

O9772AB

X

"O" RING - oil tube

2шт.

23

A23355

BOLT

- cylinder head

18шт.

24

A21022

HEAD

ASSY. - cylinder

2шт.

25

A11810

PIN,3.19mm OD x 6.99mm L

- locating, powrcel

2шт.

26

A34124

PLUG,Cup, 1 5/8", Stainless

- cap, cyl. head

2шт.

27

NSS

NOT SOLD SEPARAT

GUIDE - valve, exh. (Order ref. #51)

2шт.

28

NSS

NOT SOLD SEPARAT

GUIDE - valve, int. (Order ref. #54)

2шт.

29

NSS

NOT SOLD SEPARAT

INSERT - exh. valve (Order ref. #48)

2шт.

30

A10679

GASKET

- nozzle stud

2шт.

31

A10678

STUD

- nozzle holder (Large)

2шт.

32

NSS

NOT SOLD SEPARAT

KEEPER - valve spring (Order ref. #45)

16шт.

33

NSS

NOT SOLD SEPARAT

RETAINER - spring, intake (Order ref. #46)

4шт.

34

NSS

NOT SOLD SEPARAT

CAP - roto, exh. valve (Order ref. #47)

4шт.

35

NSS

NOT SOLD SEPARAT

SPRING - int. & exh. valve (Order ref. #53)

8шт.

36

O9751AB

X

SEAT - spring, int. & exh. valve

8шт.

37

A10726

SEAL

SHIELD - oil, intake valve stem

4шт.

38

O8569AB

X

"O" RING - oil passage, gasket

2шт.

39

A23117

GASKET

- cylinder head

2шт.

40

A7669

RING

- water passage, head gasket

4шт.

41

NSS

NOT SOLD SEPARAT

VALVE - intake (Order ref. #49)

4шт.

42

NSS

NOT SOLD SEPARAT

VALVE - exhaust (Order ref. #50)

4шт.

43

NSS

NOT SOLD SEPARAT

LIFTER - push rod (Order ref. #52)

8шт.

44

A21060

ROD

- push, rocker arm

8шт.

45

A40352

LOCK

KEEPER KIT - valve spring (Set of 8)

2шт.

46

A21657

LOCK

RETAINER KIT - intake spring (Set of 2 ret. & 4 keepers)

2шт.

47

A24993

CAP

ROTO CAP KIT - exhaust valve (Set of 2)

2шт.

48

A21683

SHAFT

INSERT KIT - exhaust valve (Set of 2)

2шт.

49

A24921

KIT

VALVE KIT - intake (Set of 2)

2шт.

50

A24881

KIT

VALVE KIT - exhaust (Set of 2)

2шт.

51

A21674

GUIDE

KIT - exh. valve (Set of 2)

2шт.

52

A21653

KIT

LIFTER KIT - push rod (Set of 4)

2шт.

53

A21694

SPRING

KIT - int. & exh. valve (Set of 4)

2шт.

54

A21671

GUIDE

KIT - intake valve (Set of 2)

2шт.

Выбрано товаров: 54