Запчасти Case IH 1060 (290[1]) - F86570 HYDROSTATIC HAND PUMP (41) - STEERING

Схема запчастей Case IH 1060 - (290[1]) - F86570 HYDROSTATIC HAND PUMP (41) - STEERING
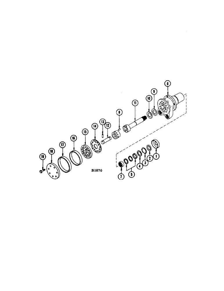
4
14
18
17
8
11
6
5
7
12
13
10
9
19
3
1
16
2
15
FIT
1:1
100%

Артикул

Название

Примечание

Количество

1

F19644

SEAL

- water

1шт.

2

F19645

BUSHING

- felt

1шт.

3

A21145

SNAP RING,1.25, Int, #125

Ring, Snap, 1.25", Int, #125

1шт.

4

F19643

WASHER

1шт.

5

A40624

SEAL

KIT

1шт.

NSS

NOT SOLD SEPARAT

V PACKING

1шт.

NSS

NOT SOLD SEPARAT

RING - backup

1шт.

NSS

NOT SOLD SEPARAT

RING - nylon

1шт.

6

F82945

BODY

- pump

1шт.

NSS

NOT SOLD SEPARAT

COMMUTATOR

1шт.

7

A30588

NEEDLE BEARING,Needle, 22.23mm ID x 28.57mm OD x 12.7mm W

BEARING

1шт.

8

F19631

PIN

- spool

1шт.

9

F19634

BEARING WASHER

RACE - needle thrust bearing

1шт.

10

F19633

NEEDLE BEARING,22.27mm ID x 36.24mm OD x 1.98mm W

BEARING - thrust, needle

1шт.

11

F12500

SHAFT - coupling

1шт.

12

F19635

LINK

- pump

1шт.

13

F19636

PIN

- link

2шт.

14

F19637

SPACER

- rotor

1шт.

15

F19638

ROTOR

1шт.

16

F19640

SEAL

- rotor

1шт.

17

F19639

RETAINER

- seal

1шт.

18

F19641

COVER - end

1шт.

19

F19642

SCREW - end cover

7шт.

F86570

PUMP - hydrostatic hand (See P. 292)

1шт.

Выбрано товаров: 0