Запчасти Case IH 1060 (224) - INSTRUMENT PANEL, GASOLINE AND L.P. (55) - ELECTRICAL SYSTEMS

Схема запчастей Case IH 1060 - (224) - INSTRUMENT PANEL, GASOLINE AND L.P. (55) - ELECTRICAL SYSTEMS
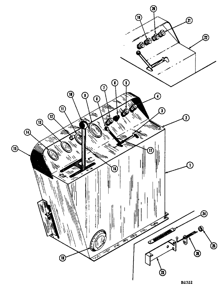
17
24
6
22
1
19
20
13
11
8
23
26
18
21
3
9
14
10
5
2
25
4
15
7
16
12
FIT
1:1
100%

Артикул

Название

Примечание

Количество

1

F87018

CONSOLE - instrument panel

1шт.

BOLT - 1/4" x 5/8" rhd. sq. nk. (11-410) nut (25-104)

4шт.

BOLT - 1/4" x 1/2" rhd. short sq. nk. (12-48) nut (25-104)

2шт.

2

F87052

PANEL - instrument (Gas and L.P.)

1шт.

F13051

SCREW

PANEL - instrument (Chrysler) Before #8311400

1шт.

SCREW - #10 x 3/8" self-tapping (187-1027)

13шт.

NUT - Tinnerman, type J (131-145)

3шт.

3

F13121

SCREW

BRACKET - idler positioning (Gas and L.P.)

1шт.

F13122

BRACKET - idler positioning (Chrysler)

1шт.

BOLT - 1/4" x 3/4" N.C. hex. (113-3) nut (129-468

1шт.

LOCKWASHER - 1/4" (192-59) fl. wshr. (195-518)

1шт.

O1045FH

SPRING

- for ref. 3

1шт.

4

A10942

KIT

SWITCH - light (Before #8311400)

1шт.

A7817

KNOB

- light switch (Before #8311400)

1шт.

FUSE - (SAE 20 amp) (223-20)

1шт.

5

A7935

SWITCH

- ignition (Before #8311400)

1шт.

A7819

KNOB

- ignition switch (Before #8311400)

1шт.

6

A30858

SWITCH

STARTING SWITCH - push button type (Before #8311400)

1шт.

O10463AB

BOOT

- rubber (Not shown) Before #8311400

1шт.

F13008

CLIP - for ref. 6 (Not shown) Replaced by F14006 when stocks are exhausted)

1шт.

F14006

CLIP - (Replaces F13008)

1шт.

7

F13010

KNOB

- choke

1шт.

F13060

CABLE

- choke (Not shown)

1шт.

8

F21683

KNOB

- throttle control rod

1шт.

9

F13114

SCREW

TACHOMETER - (See page 116)

1шт.

F13115

GROMMET

- rubber

4шт.

SCREW - #10 x 3/4" truss hd. mach. (175-449)

4шт.

NUT - ESNA (131-47) Fl. wshr. (195-512)

4шт.

10

A23885

KNOB

- gear shift lever

1шт.

11

F13116

SCREW

GAUGE - oil pressure

1шт.

12

A24087

LAMP BASE

LIGHT - instrument panel, with wire

1шт.

A22349

BULB

- (#1445)

1шт.

13

F13117

GAUGE

- temperature

1шт.

14

F13118

AMMETER

1шт.

15

F87054

HOOD - instrument panel

1шт.

F13009

GASKET

MOLDING - hood (Not shown)

1шт.

16

F13057

SCREW

LEVER - shift (See gear shift illustration)

1шт.

17

F13054

LEVER - throttle control

1шт.

18

D39286

GAUGE

KIT - engine hour meter (See page 310)

1шт.

F13119

SCREW

HARNESS - electric cable (See illustration of electrical system) Before #8311400

1шт.

F13849

HARNESS - electric cable, Chrysler (#8311400 and after)

1шт.

F14044

HARNESS - electric cable, LP (#8311400 and after)

1шт.

19

F91864

SWITCH

- ignition and starter (#8311400 and after)

1шт.

F13869

X

KNOB - ignition and starter switch (#8311400 and after)

1шт.

F14006

CLIP - for ref. 19

1шт.

20

A10942

KIT

SWITCH - light (#8311400 and after)

1шт.

A7817

KNOB

- light switch (#8311400 and after)

1шт.

21

F91851

SWITCH - flasher (#8311400 and after)

1шт.

F22376

KNOB - flasher switch (#8311400 and after)

1шт.

22

F13867

PANEL - instrument (Chrysler) #8311400 and after

1шт.

23

F14588

SUPPORT - gauge

1шт.

BOLT - 1/4" x 1/2" N.C. hex. (113-1) nut (129-101)

3шт.

24

F14589

PLATE - gauge

1шт.

SCREW - #10 x 3/8" tr. hd. mach. type "A" (187-1027)

2шт.

25

F53340

GROMMET - scarf cut (Speed cable thru cab)

1шт.

26

F14590

CABLE - speed indicator

1шт.

A26673

CLIP

- cable

2шт.

BOLT - 1/4" x 5/8" N.F. hex. (14-410) nut (25-114)

2шт.

Выбрано товаров: 0