Запчасти Case IH 1060 (242[1]) - A20965 FLOOD AND TAIL LAMP (55) - ELECTRICAL SYSTEMS

Схема запчастей Case IH 1060 - (242[1]) - A20965 FLOOD AND TAIL LAMP (55) - ELECTRICAL SYSTEMS
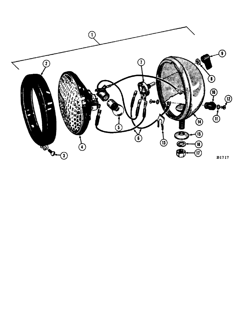
14
4
17
6
1
2
8
16
12
10
11
7
13
9
15
5
3
FIT
1:1
100%

Артикул

Название

Примечание

Количество

1

A20965

LAMP BASE

LAMP ASSEMBLY - tail combination

1шт.

2

B50255

MOLDING

- lamp

1шт.

3

B50230

SCREW - molding

1шт.

4

A40855

LAMP BASE

LAMP ASSEMBLY - sealed unit (Replaces B50335 when stock is exhausted)

1шт.

5

B50223

BULB

- 15 CP 12-16 volt (Mfg. #1003)

1шт.

6

B50273

WIRE ASSEMBLY

2шт.

7

B50275

SWITCH

1шт.

8

B50224

SPECIAL NUT

- retaining, switch

1шт.

9

B50310

SWITCH

KNOB - switch

1шт.

10

B50293

TERMINAL CONNECTOR

TERMINAL POST - complete

1шт.

11

193-4

LOCK WASHER,Ext Tooth, 0.145" ID x 0.318" OD, STL, PLN

WASHER, LOCK, , Terminal screw Ext Tooth, #6

2шт.

12

173-73

SCREW,Sl Rnd Hd, #8 - 32 x 1/4"

- terminal

2шт.

13

10927

SPRING

- terminal

1шт.

14

NSS

NOT SOLD SEPARAT

BODY ASSEMBLY - lamp (Order A20965)

1шт.

15

10923

WASHER

- bearing, lamp

1шт.

16

92-8

LOCK WASHER,1/2"

1шт.

17

25-118

NUT,1/2"-20, G5

- 1/2" N.C. hex.

1шт.

Выбрано товаров: 0