Запчасти Case IH 1060 (124) - BEATER (72) - SEPARATION

Схема запчастей Case IH 1060 - (124) - BEATER (72) - SEPARATION
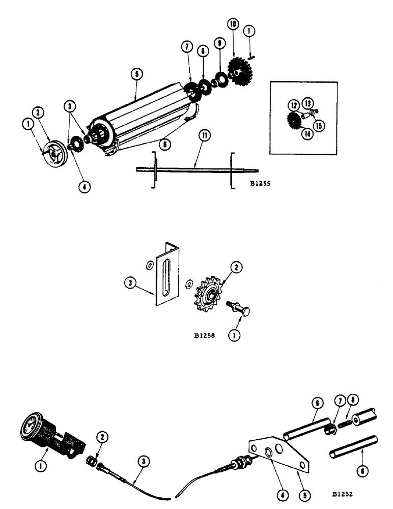
11
1
2
1
2
7
9
13
2
5
8
4
6
12
3
1
15
3
8
14
10
6
3
7
1
6
4
5
FIT
1:1
100%

Артикул

Название

Примечание

Количество

1

O909CK

KEY - (5/16" x 5/16" x 1-5/8")

2шт.

2

F1102

SHEAVE - (7-1/4" x 3/4" N.C. cup pt. set (85-512) and jam nut (25-145)

1шт.

3

F86214

BEARING ASSY,31.75mm ID x 72mm OD x 19mm W

BEARING

2шт.

4

O885CB

COLLAR

1шт.

5

F86710

BEATER - less shaft (Before #8311400)

1шт.

F87280

BEATER - less shaft (#8311400 thru #8334600)

1шт.

F88190

BEATER - less shaft (8334601 and after) (Replaced by F88834)

1шт.

6

F79911

SHIELD - beater

1шт.

NUT - 1/4" N.C. HEX. (25-104) L.W. (92-4)

8шт.

7

F11019

PLATE - mounting, beater bearing

2шт.

BOLT - 3/8" x 3/4" N.F. hex. (14-612) nut (25-116)

8шт.

8

F12596

FLANGETTE - inner

2шт.

9

F12597

FLANGETTE - outer

2шт.

BOLT - 3/8" x 1" rhd. sq. nk. (11-616) nut (25-106)

6шт.

10

F86067

SPROCKET - (40T) Beater drive

1шт.

11

F86709

SHAFT - beater (Before #8311400)

1шт.

F87279

SHAFT - beater (#8311400 and after)

1шт.

12

F11053

BOLT

SPACER - header drive sprocket

1шт.

13

O3345N

RING, SNAP

SNAP RING

1шт.

14

F79375

SPROCKET - header drive

1шт.

15

O2368FH

WASHER - (1-3/16" I.D. x 2-1/8" O.D. #20 ga.)

1шт.

F7872

CHAIN - beater drive (See chain page)

1шт.

1

F7848

BOLT - (Replaced by 14-1044 when stock is exhausted), beater drive tightener

1шт.

14-1044

BOLT,Hex, 5/8" - 18 x 2-3/4", Gr 5

- 5/8" x 2-3/4" N.F. hex. (Replaces F7848), beater drive tightener

1шт.

WASHER - 5/8" flat (195-41), beater drive tightener

3шт.

NUT - 5/8" N.F. hex. (25-1110) L.W. (92-10), beater drive tightener

1шт.

2

F10427

SPROCKET ASSY.

SPROCKET - (15T), beater drive tightener

1шт.

3

F11363

BRACKET, beater drive tightener

1шт.

BOLT - 3/8" x 1" N. F. hex. (14-616) nut (25-116), beater drive tightener

2шт.

F10566

SPACER - for ref. 2 (Not shown), beater drive tightener

1шт.

1

F13114

SCREW

TACHOMETER, beater drive tightener

1шт.

2

F13115

GROMMET

tachometer

4шт.

3

A24100

CABLE

- flexible, tachometer

1шт.

4

A7982

O-RING,0.103" Thk x 0.612" ID, -114, Cl 5, 75 Duro

"O" RING - for ref. 3, tachometer

1шт.

5

F11364

BRACKET - mounting, tachometer

1шт.

6

F11829

SPACER - mounting bracket, pipe, tachometer

2шт.

7

F6526

NUT - connector, tachometer

1шт.

8

F6438

BUSHING - connector, tachometer

1шт.

Выбрано товаров: 38