Запчасти Case IH 1060 (154) - ROCKER ARM DRIVE FOR SHOE, STRAWWALKER AND TAILINGS ELEVATOR (74) - CLEANING

Схема запчастей Case IH 1060 - (154) - ROCKER ARM DRIVE FOR SHOE, STRAWWALKER AND TAILINGS ELEVATOR (74) - CLEANING
13
18
25
15
11
5
8
23
14
12
3
6
21
4
22
7
16
2
18
28
19
24
9
17
1
15
FIT
1:1
100%

Артикул

Название

Примечание

Количество

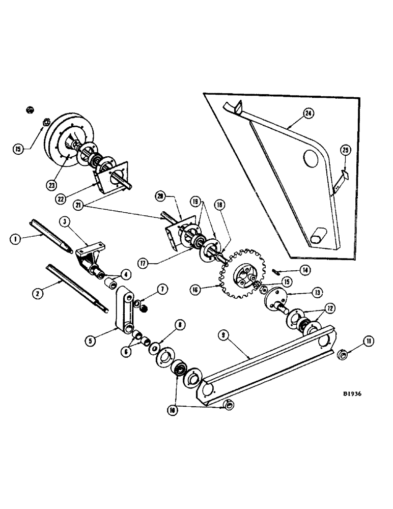
1

F11900

SHAFT - rocker arm

1шт.

NUT - 5/8" N.F. hex. (25-110) L.W. (92-10)

2шт.

2

F11880

SHAFT - front rocker for shoe

1шт.

3

F77274

HOUSING - rocker arm

2шт.

4

F10555

BUSHING

2шт.

FITTING - 1/8" str. (219-1)

1шт.

BOLT - 1/2" x 1-1/4" N.F. hex. (14-820) nut (25-118)

2шт.

BOLT - 1/2" x 1-1/2" N.F. hex. (14-824) nut (25-118)

2шт.

5

F86054

ARM - front rocker

2шт.

6

F10555

BUSHING

2шт.

FITTING - 1/8" str. (219-1)

2шт.

7

O236CH

WASHER - for ref. 1

1шт.

8

O15761S

SPACER - for ref. 2

2шт.

9

F11932

ARM - Pitman (Replaced by F88541 when stock is exh.)

2шт.

F88541

ARM - Pitman, with 2-B18282 (Replaces F11932)

2шт.

10

3074CSA

BALL BEARING

4шт.

11

F62108

COLLAR

1шт.

12

B18282

FLANGE

- (4-used w/F88541 and 8-used w/F11932)

1шт.

BOLT - 5/16" x 3/4" rhd. sq. nk. (11-512) nut (25-105)

12шт.

13

F86065

CRANK - Pitman

2шт.

14

O2237HT

KEY - Pitman crank and drive sprocket

2шт.

15

193-16

LOCK WASHER,Ext Tooth, 7/8"

LOCKWASHER - for F7701 jackshaft nut (7/8")

2шт.

16

F86063

SPROCKET ASSY.

SPROCKET - (40T)

1шт.

17

N3382

BALL BEARING

BEARING - jackshaft

2шт.

18

N3384

COLLAR CLAMP

COLLAR

1шт.

19

F62225

FLANGE

- for ref. 17

4шт.

BOLT - 3/8" x 1" rhd. sq. nk. (11-616) nut (25-106)

6шт.

20

NSS

NOT SOLD SEPARAT

BRACKET - shoe jackshaft support, L.H.

1шт.

21

F7701

JACKSHAFT - (43-3/8") strawwalker drive

1шт.

22

NSS

NOT SOLD SEPARAT

BRACKET - shoe jackshaft support, R.H.

1шт.

23

F86064

SHEAVE - (14") strawwalker drive w/crank

1шт.

24

F79479

SHIELD - chain, conveyor rake, strawwalker and tailings auger (Replaced by F87841 when stocks are depleted)

1шт.

F88425

SHIELD - chain, conveyor rake, strawwalker and tailings auger (Replaces F87841)

1шт.

25

F11276

BRACKET - rear, for ref. 24

1шт.

BOLT - 1/4" x 1/2" rhd. sq. nk. (111-107) nut (129-101)

2шт.

Выбрано товаров: 35