Запчасти Case IH 1060 (316) - AIR CLEANER AND STACK, CHRYSLER LH-318, SERIAL NUMBER 8311400 AND AFTER (10) - ENGINE

Схема запчастей Case IH 1060 - (316) - AIR CLEANER AND STACK, CHRYSLER LH-318, SERIAL NUMBER 8311400 AND AFTER (10) - ENGINE
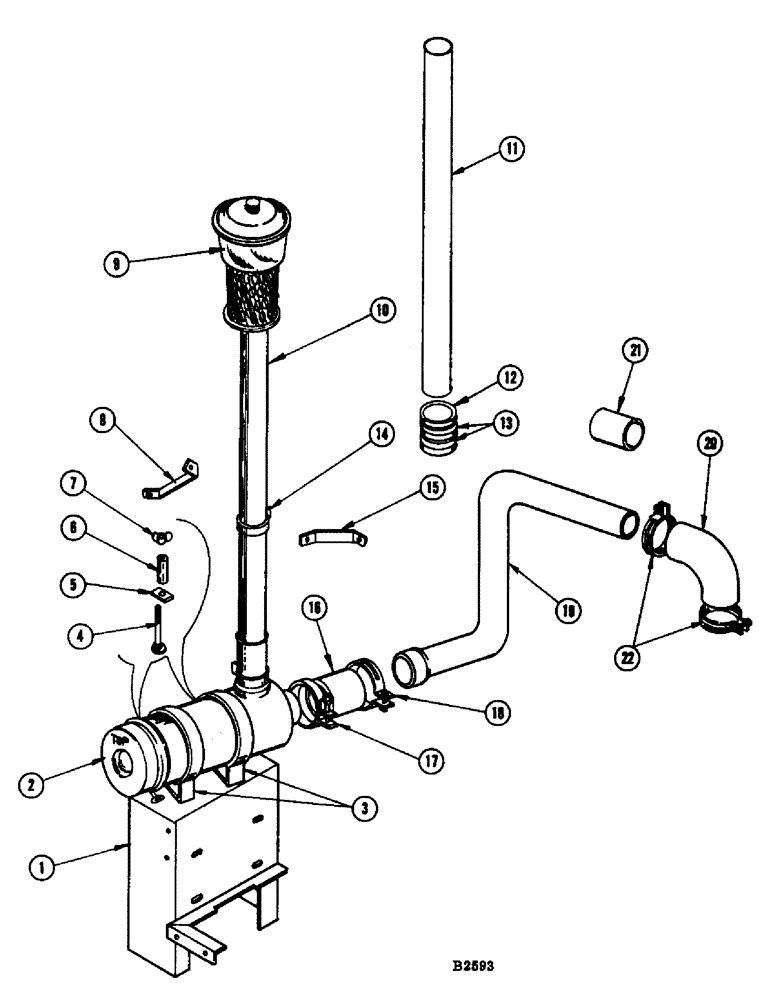
21
4
6
9
16
11
17
14
18
20
12
3
2
18
22
1
7
10
8
5
13
15
FIT
1:1
100%

Артикул

Название

Примечание

Количество

1

F87563

SUPPORT - air cleaner

1шт.

BOLT - 5/16" x 3/4" N.F. hex. (14-512) nut (25-115)

2шт.

2

D36261

CLEANER

AIR CLEANER - dry type

1шт.

3

F87564

BAND - mounting, for air cleaner

2шт.

BOLT - 5/16" x 5/8" N.F. hex. (14-510) nut (25-115)

4шт.

4

111-225

CARRIAGE BOLT,Short NK, 5/16"-18 x 2 1/2", G2

BOLT - 5/16" x 2-1/2" rhd. sq. nk.

2шт.

LOCKWASHER - 5/16" std. (192-20) fl. wshr. (195-521)

2шт.

5

F13866

FLANGE - for ref. 4

2шт.

6

VT3613

SPACER - for ref. 4

2шт.

7

129-419

WING NUT,5/16"-18

- 5/16" N.C., for ref. 4

2шт.

8

F14035

BRACE - L.H., air stack

1шт.

BOLT - 5/16" x 3/4" N.F. hex. (14-512) nut (25-115)

1шт.

9

F87566

PRE-SCREENER

1шт.

10

F13865

STACK - air (Includes sleeve, stack and clamp) Before #8334601

1шт.

11

F14916

MUFFLER

STACK - air (#8334601 and after)

1шт.

12

A23802

HOSE

- (Cleaner to air stack) #8334601 and after

1шт.

13

214-39

X

CLAMP - hose (For ref. 12)

2шт.

14

F87652

CLAMP - air stack (Includes bolt and nut)

1шт.

129-419

WING NUT,5/16"-18

- (5/16" N.C.) For bolt of F87652

1шт.

JAM NUT - 5/16" N.C. hex. (25-145) L.W. (92-5)

1шт.

15

F14034

BRACE - R.H. air stack

1шт.

BOLT - 5/16" x 3/4" N.F. hex. (14-512) nut (25-115)

1шт.

16

A23802

HOSE

-, Serial Range: cleaner-tube

1шт.

17

F87561

CLAMP - hose (Includes spacer, screw and nut)

1шт.

18

214-39

X

CLAMP - hose

1шт.

19

F13852

TUBE - air cleaner

1шт.

20

F13851

ELBOW - tube to carburetor (Gas)

1шт.

21

F13924

HOSE - air cleaner, ref. 19 to F1986 (L.P.)

1шт.

22

214-262

HOSE CLAMP,#44, 2.31" - 3.25", Type F Worm

CLAMP - hose, for ref. 20

2шт.

214-35

CLAMP

- hose, for ref. 21

2шт.

Выбрано товаров: 30