Запчасти Case IH 1060 (338) - FUEL TANK, A284 G-F ENGINE (10) - ENGINE

Схема запчастей Case IH 1060 - (338) - FUEL TANK, A284 G-F ENGINE (10) - ENGINE
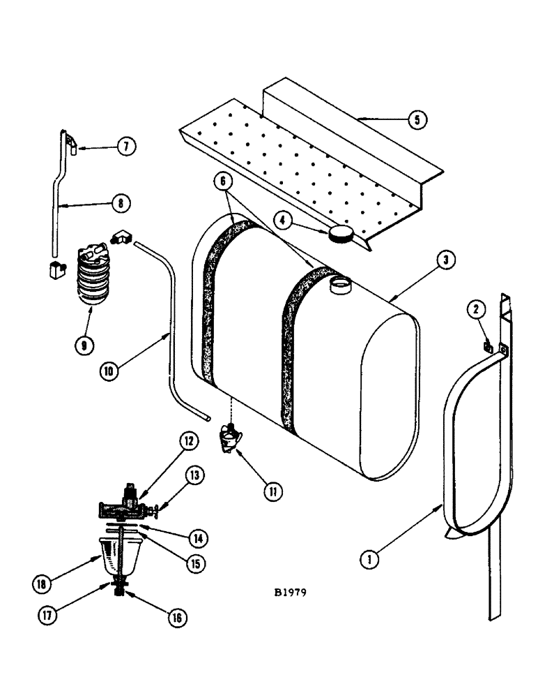
10
2
9
16
7
15
18
1
14
5
3
11
17
13
6
8
4
12
FIT
1:1
100%

Артикул

Название

Примечание

Количество

1

F79282

SUPPORT - fuel tank

2шт.

BOLT - 3/8" x 3/4" N.F. hex. (14-612) nut (25-116)

4шт.

BOLT - 3/8" x 1-3/4" N.F. hex. (14-628) nut (25-116)

2шт.

2

F8190

WASHER - fuel tank strap

2шт.

3

F79391

TANK - fuel

1шт.

4

F6541

CAP

- fuel tank

1шт.

5

F11084

STEP - fuel tank

1шт.

BOLT - 5/16" x 1/2" N.F. hex. (114-108) nut (129-122)

2шт.

BOLT - 5/16" x 3/4" N.F. hex. (114-102) nut (129-122)

2шт.

6

F11082

CUSHION - felt, fuel tank

2шт.

7

F11177

CLAMP - fuel line (For F11181 line)

1шт.

BOLT - 3/8" x 1/2" N.C. hex. (13-68) L.W. (92-6)

1шт.

8

F9542

LINE - fuel, Serial Range: pump-carburetor

1шт.

CONNECTOR - 5/16" O.D. Imp. #66FL (222-13)

1шт.

ELBOW - 5/16" O.D. x 1/8" NPT Imp. #69FL (222-14)

1шт.

F11181

LINE - fuel, carburetor intake

1шт.

ELBOW - 5/16" O.D. x 1/8" NPT Imp. #69FL (222-44)

1шт.

9

L11122

FUEL PUMP

PUMP - fuel, electric (Replaces F86588) See page 342

1шт.

F11196

CLIP - fuel line not shown

1шт.

BOLT - 5/16" x 3/4" N.F. hex. (14-512) nut (25-115)

1шт.

F11198

COVER - canvas, fuel line not shown

1шт.

10

F12459

LINE - fuel, Serial Range: strainer-pump

1шт.

ELBOW - 3/8" O.D. x 1/8" NPT Imp. #69FL (222-46)

1шт.

CONNECTOR - 3/8" O.D. x 1/8" NPT Imp. #68FL (222-26)

1шт.

11

A30049

STRAINER ELEMENT

STRAINER - fuel, complete

1шт.

12

A11214

HEAD

1шт.

13

A11205

VALVE

- needle

1шт.

14

A11211

FILTER SCREEN

SCREEN

1шт.

15

A11208

GASKET

- cork

1шт.

16

A11212

BAIL

1шт.

17

A11210

ADJUSTER

CUP AND NUT

1шт.

18

A11209

BOWL

- glass

1шт.

Выбрано товаров: 32