Запчасти Case IH 1060 (344) - CYLINDER HEAD, CHRYSLER H-318 ENGINE (10) - ENGINE

Схема запчастей Case IH 1060 - (344) - CYLINDER HEAD, CHRYSLER H-318 ENGINE (10) - ENGINE
17
32
29
8
1
12
11
20
27
3
19
4
2
17a
18
22
23
10
25
4
9
26
38
40
35
21
36
26
13
16
28
15
14
39
1
7
5
30
37
34
24
6
25
2
6
31
33
FIT
1:1
100%

Артикул

Название

Примечание

Количество

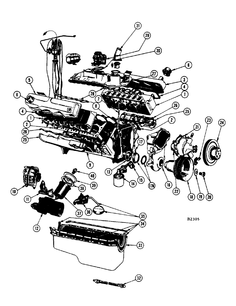
1

F1946

HEAD - cylinder

2шт.

F12924

BOLT - short, cylinder head (Not shown)

10шт.

F12925

BOLT - long, cylinder head (Not shown)

10шт.

2

F12922

GASKET - cylinder head

2шт.

3

F86917

COVER - cylinder head, L.H.

1шт.

BOLT - 5/16" x 2" N.F. hex. (114-122) F.W. (195-21)

1шт.

4

F12926

GASKET - cylinder head cover

2шт.

5

F86916

COVER - cylinder head, R.H.

1шт.

BOLT - 5/16" x 2" N.F. hex. (114-122) F.W. (195-21)

1шт.

6

F21213

BREATHER CAP - (Replaces F86744)

2шт.

7

F12662

DIPSTICK - oil level indicator

1шт.

8

F12663

TUBE - dipstick

1шт.

9

F85438

ENGINE - short (Chrysler #2268509), cylinder block

1шт.

BLOCK - cylinder (Includes plugs, dowels, with oil pump and distributor drive shaft bushing)

1шт.

CRANKSHAFT - (Includes clutch shaft pilot bushing), cylinder block

1шт.

BEARING SETS - main (#1-2-3-4-5 upper & lower halves), cylinder block

5шт.

CAPS AND SCREWS - main bearing, cylinder block

5шт.

SET OF OIL SEALS - (#5 main bearing), cylinder block

1шт.

PISTONS W/PINS - (Includes inserts and retaining rings), cylinder block

8шт.

CONNECTOR RODS - (Includes caps, nuts, screws and bushings), cylinder block

8шт.

RING SETS - (See F12886), cylinder block

8шт.

BEARING - camshaft (#1-2-3-4-5), cylinder block

5шт.

10

F86746

ALTERNATOR - with pulley, cylinder block

1шт.

BOLT - 3/8" x 4-1/4" N.F. hex. (14-6168), cylinder block

1шт.

NUT - 3/8" Gripco (131-366), cylinder block

1шт.

BOLT - 5/16" x 3/4" N.C. hex. (13-512) L.W. (92-5), cylinder block

1шт.

WASHER - 5/16" flat (195-21), cylinder block

1шт.

F12667

STRAP - adjusting, alternator, cylinder block

1шт.

BOLT - 3/8" x 1" N.F. hex. (14-616) nut (25-116) L.W. (92-6), cylinder block

1шт.

11

F12666

BRACKET - mounting, alternator, cylinder block

1шт.

BOLT - 3/8" x 1-1/4" N.C. hex. (13-620) L.W. (92-6), cylinder block

2шт.

12

F86743

STARTING MOTOR - (See page 362), cylinder block

1шт.

13

F12874

SLINGER - oil, cylinder block

1шт.

14

F86911

PUMP - fuel (Replaced by F86745 when stock is exhausted), cylinder block

1шт.

15

F12664

GASKET - fuel pump (Replaced by F14240 when stock is exh.), cylinder block

1шт.

F86745

PUMP - fuel (Replaces F86911), cylinder block

1шт.

F14240

GASKET - fuel pump (Replaces F12664), cylinder block

1шт.

BOLT - 3/8" x 1-3/8" N.C. hex. (13-622) L.W. (92-6), cylinder block

2шт.

16

F86923

COVER - chain case, cylinder block

1шт.

17

F12885

GASKET - cover, chain case, cylinder block

1шт.

17a

F87286

OIL SEAL ASSEMBLY - chain case cover, cylinder block

1шт.

18

F1935

PULLEY - fan drive, cylinder block

1шт.

19

F12671

WASHER - for F1935, cylinder block

1шт.

20

14-1224

BOLT,Hex, 3/4" - 16 x 1-1/2", Gr 5

- 3/4" x 1-1/2" N.F. hex., cylinder block

1шт.

21

F86912

PUMP - water (See page 360), cylinder block

1шт.

22

F12904

GASKET - water pump, cylinder block

1шт.

23

F86888

INDICATOR - timing, cylinder block

1шт.

24

F1936

PULLEY - fan, cylinder block

1шт.

25

F1945

MANIFOLD - exhaust

2шт.

26

F12918

GASKET - exhaust manifold

2шт.

F12920

STUD

- exhaust manifold (Not shown)

16шт.

F12919

WASHER - exhaust manifold (Not shown)

16шт.

F12921

NUT - exhaust manifold (Not shown)

16шт.

27

F86955

MANIFOLD - intake

1шт.

BOLT - 3/8" x 1-1/4" N.F. hex. (114-201)

8шт.

BOLT - 3/8" x 2" N.F. hex. (114-216)

8шт.

BOLT - 3/8" x 2-1/4" N.C. he, cylinder blockx. (113-213)

2шт.

28

F86915

GASKET SET - intake manifold

1шт.

F12914

SEALER - gasket, intake manifold (Not shown)

1шт.

29

F86750

CARBURETOR - (See page 366)

1шт.

BOLT - 5/16" x 1" N.C. hex. (13-516) Lockwasher (92-5)

4шт.

ELBOW - 5/16" O.D. x 1/8" MPT imp. #69F (222-619)

1шт.

30

F12676

GASKET - carburetor

1шт.

31

F1943

ELBOW - water outlet cylinder (See page 360)

1шт.

BOLT - 7/16" x 1-1/2" N.C. hex. (113-311)

2шт.

32

F12673

HOSE - drain, oil pan

1шт.

CAP - 1/2" NPT pipe (221-525)

1шт.

33

F86895

PAN - oil, front drain

1шт.

F86885

SCREW - oil pan attaching, with washer (Not shown)

18шт.

34

F87065

GASKET

KIT - oil pan

1шт.

35

F86897

PIPE AND STRAINER - suction

1шт.

36

F86969

PUMP - oil

1шт.

F13190

SPRING - relief valve, oil pressure (Not shown)

1шт.

37

G45210

FILTER, ELEMENT

FILTER - oil (Throw-away type) Replaced by A37189 when stocks are exhausted

1шт.

A37189

FILTER, ELEMENT

FILTER - oil (Replaces G45210)

1шт.

38

F12678

PLATE - oil filter adapter

1шт.

39

F12680

GASKET

1шт.

40

F12677

ADAPTER - oil filter to cylinder block

1шт.

F86919

GASKET SET - engine

1шт.

F12922

GASKET - cylinder head

2шт.

F12926

GASKET - cover, cylinder head

2шт.

F12885

GASKET - cover, chain case

1шт.

F12911

GASKET - water outlet cylinder elbow

1шт.

F87065

GASKET

SET - oil pan

1шт.

F12904

GASKET - water pump body

1шт.

F14240

GASKET - flange, fuel pump

1шт.

F12701

GASKET - flange, exhaust pipe

2шт.

F12900

GASKET - ignition distributor

1шт.

F86915

GASKET SET - intake manifold

1шт.

Выбрано товаров: 89