Запчасти Case IH 1060 (368) - CARBURETOR, LH-318-488 (10) - ENGINE

Схема запчастей Case IH 1060 - (368) - CARBURETOR, LH-318-488 (10) - ENGINE
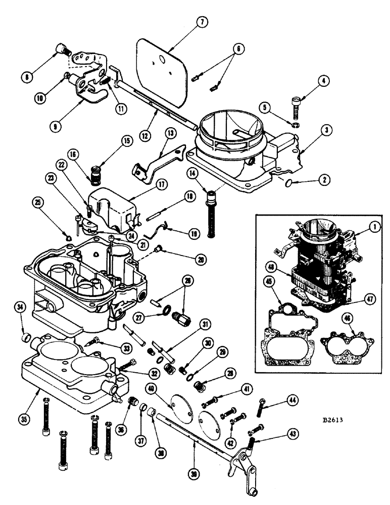
1
21
7
2
39
30
45
10
5
18
3
14
22
28
6
17
8
40
33
27
35
43
24
4
36
42
15
26
47
46
44
19
41
16
20
48
34
23
32
38
29
25
11
9
12
37
31
13
FIT
1:1
100%

Артикул

Название

Примечание

Количество

1

F87559

CARBURETOR

1шт.

2

A40491

PLUG - expansion, air horn

1шт.

3

A41330

AIR HORN

1шт.

4

169-137

SCREW - #10 x 5/8" N.C. fil. hd.

6шт.

5

192-18

LOCK WASHER,Helical Spring, #10, 0.196" ID, CST, ZND

WASHER, LOCK, #10

6шт.

6

A40497

SCREW - choke valve

2шт.

7

A40936

VALVE - choke

1шт.

8

A40495

SCREW - choke lever

1шт.

9

A40935

LEVER - choke

1шт.

10

163-1

SCREW

- #10 x 5/16" N.F. hex. mach.

1шт.

11

A40494

X

SPRING - return (Replaced by A41777 when stock is exh.)

1шт.

A41777

SPRING

- return (Replaces A40494)

1шт.

12

A40934

X

SHAFT - choke lever (Replaced by A41776 when exh.)

1шт.

A41776

SHAFT

- choke lever (Replaces A40934)

1шт.

13

A40937

HOLDER - choke control tube

1шт.

177-134

SCREW,Sl Fil Hd, #10 - 32 x 7/16""

- #10 x 7/16" N.F. fil. hd.; and nut (129-77)

1шт.

14

A41332

PISTON - vacuum power

1шт.

15

A41331

JET - power by-pass

1шт.

16

A41333

GASKET - power by-pass jet

1шт.

17

A40506

FLOAT

- lever

1шт.

18

A40507

PIN - float fulcrum

1шт.

19

A40508

SPRING - float fulcrum pin

1шт.

20

A40502

PLUG - pump inlet drive

1шт.

21

A40513

TUBE - idle

2шт.

22

A40505

SCREW - nozzle attaching

1шт.

23

A40503

NOZZLE - pump discharge

1шт.

24

A40504

GASKET - pump discharge nozzle

1шт.

25

A40501

BLEEDER - high speed

2шт.

26

A41411

VALVE - float needle seat

1шт.

27

A40515

GASKET - float valve seat

1шт.

28

A40509

PLUG - main metering jet

2шт.

29

A40510

GASKET - metering jet plug

2шт.

30

A41334

JET - main metering

2шт.

31

A40511

JET - main discharge

2шт.

32

B51410

SPRING - idle adjusting needle

2шт.

33

B51264

NEEDLE - idle adjusting

2шт.

34

B51438

PLUG

- cup

1шт.

35

A41337

BODY - throttle

1шт.

36

A40483

BUSHING - throttle shaft

2шт.

37

B51534

WASHER

SEAL - felt

1шт.

38

B59344

RETAINER - seal

1шт.

39

A41336

SHAFT - throttle lever

1шт.

40

A40489

PLATE - throttle

2шт.

41

173-260

SCREW - throttle plate

4шт.

42

192-14

LOCK WASHER,Helical Spring, #5, 0.13" ID, CST, ZND

Washer, Lock, , For 173-260 screw #5

4шт.

43

B51408

SPRING - throttle stop

1шт.

44

163-3

SCREW - #10 x 15/16" N.F. hex. mach.

1шт.

45

A40499

GASKET

- air horn

1шт.

46

A41329

GASKET - main body

1шт.

A40518

GASKET - flange (Not shown)

1шт.

47

F12676

GASKET - carburetor and spacer

2шт.

48

F14158

SPACER - carburetor

1шт.

BOLT - 5/16" x 1-1/2" N.C. hex. (13-524) L.W. (92-5)

4шт.

A41335

GASKET

KIT - carburetor

1шт.

A40499

GASKET

- air horn (See ref. 45)

1шт.

A40504

GASKET - pump discharge nozzle (See ref. 24)

1шт.

A40510

GASKET - metering jet plug (See ref. 29)

2шт.

A40515

GASKET - float valve seat (See ref. 27)

1шт.

A41329

GASKET - main body (See ref. 46)

1шт.

A41333

GASKET - power by-pass jet (See ref. 16)

1шт.

A41421

KIT

REPAIR KIT - carburetor ref. 6, 16, 19, 24, 25, 26, 29, 37, 38, 41, 45, 46 and A40518)

1шт.

Выбрано товаров: 61