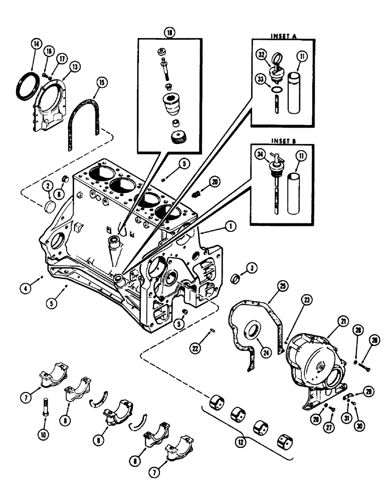
Запчасти Case IH 1060 (382) - CYLINDER BLOCK ASSEMBLY, (301) DIESEL ENGINE (10) - ENGINE

Схема запчастей Case IH 1060 - (382) - CYLINDER BLOCK ASSEMBLY, (301) DIESEL ENGINE (10) - ENGINE
15
16
11
8
34
28
24
30
33
10
7
25
27
8
3
9
22
4
21
14
2
11
29
32
13
23
6
12
5
28
1
5
5
20
7
31
18
26
17
FIT
1:1
100%

Артикул

Название

Примечание

Количество

A40361

SHORT ENGINE

BLOCK ASSY. - cylinder, short (Incl. stripped block, piston assy., connecting rods & brgs. crankshaft & brgs. camshaft, timing gears, push rod lifters & camshaft bushings)

1шт.

1

A23494

BLOCK

ASSY. - cylinder, stripped

1шт.

2

A24361

PLUG

- camshaft hole (2-3/8" cup type)

1шт.

3

41-1628

PLUG,Cup, 1 3/4", Stainless

- cup, frt. water gallery

1шт.

4

221-41

PLUG

- (1/8" P.T., sltd. hd.)

2шт.

5

221-1843

PLUG

- (3/8" P.T., sckt. hd.)

3шт.

6

221-26

DRAIN PLUG,Sq Soc, 1"-11 1/2, NTPF

PLUG - (1" P.T., sckt. hd.)

1шт.

7

A24941

CAP

- brg., crankshaft (Wide)

2шт.

8

A24942

CYLINDER END CAP

CAP - brg., crankshaft (Narrow)

2шт.

9

A24943

CAP

- brg., crankshaft (Thrust)

1шт.

10

A27836

SPECIAL BOLT,5/8" - 11 x 3 1/4"

- brg., cap (5/8 x 3-1/4" N.C. spec.)

10шт.

11

A34540

TUBE

SOCKET - oil level gauge (1st used engine ser. #2141473) (See inset "A")

1шт.

11

A20714

X

SOCKET - oil level gauge (Used prior engine ser. #2141473) (See inset "B")

1шт.

12

A23577

KIT

BUSHING KIT - camshaft (Set of 4)

1шт.

13

A57457

RETAINER

ASSY. - rear (Replaces A32182)

1шт.

14

A23085

OIL SEAL

- oil (4-3/4 x 5-3/4 x 1/2")

1шт.

15

A32830

GASKET

- rear retainer

1шт.

16

13-620

BOLT,Hex, 3/8" - 16 x 1-1/4", Gr 5, Full Thd

Retainer Hex, 3/8"-16 x 1 1/4", G5, Full Thd

6шт.

17

92-6

LOCK WASHER,3/8"

6шт.

18

A33610

DRIVE

ASY. - tach. (Not used in this appl.)

1шт.

20

A23656

COCK, DRAIN

VALVE - drain, cyl. block

1шт.

21

A57403

COVER

ASSY. - timing gear (Replaces A20718)

1шт.

22

A27840

PIN

- cover locating (5/16 x 3/4")

2шт.

23

A27869

BUTTON - thrust, bumper

2шт.

24

A23433

OIL SEAL

- oil, (2-5/8 x 3-5/8 x 1/2")

1шт.

25

A33018

GASKET

- timing gear cover

1шт.

26

13-640

BOLT,Hex, 3/8" - 16 x 2-1/2", Gr 5

- cover (3/8" x 2-1/2" N.C., hex.)

8шт.

27

13-616

BOLT,Hex, 3/8" - 16 x 1", Gr 5, Full Thd

Cover Hex, 3/8"-16 x 1", G5, Full Thd

2шт.

28

92-6

LOCK WASHER,3/8"

10шт.

29

A21362

CLIP

POINTER - timing indicator

1шт.

30

13-48

BOLT,Hex, 1/4" - 20 x 1/2", Gr 5

Pointer Hex, 1/4"-20 x 1/2", G5, Full Thd

2шт.

31

193-44

LOCK WASHER,Ext-Int Tooth, 1/4"

WASHER - (1/4" int. / ext. skpf.)

2шт.

32

A34541

DIPSTICK

GAUGE ASSY. - oil level (1st used eng. ser. #2141473) (See inset A)

1шт.

33

F62075

O-RING,0.139" Thk x 0.734" ID, -210, Cl 5, 75 Duro

"O" RING - oil gauge seal

2шт.

34

A20739

GAUGE

ASSY. - oil level (Used prior eng. ser. #2141473) (See inset "B")

1шт.

Выбрано товаров: 35