Запчасти Case IH 1060 (384) - CAMSHAFT, (301) DIESEL ENGINE (10) - ENGINE

Схема запчастей Case IH 1060 - (384) - CAMSHAFT, (301) DIESEL ENGINE (10) - ENGINE
19
31
5
6
11
24
1
18
41
45
43
20
29
9
19
42
18
37
7
3
30
38
4
25
18
18
27
18
23
26
18
21
10
22
20
2
40
8
36
19
44
28
39
19
17
12
FIT
1:1
100%

Артикул

Название

Примечание

Количество

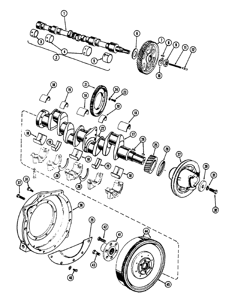
1

A23495

CAMSHAFT

- engine

1шт.

2

A23577

KIT

BUSHING KIT - camshaft (Set of 4)

1шт.

3

NSS

NOT SOLD SEPARAT

BUSHING - rear (Order A23577) (1-5/32" wide)

1шт.

4

NSS

NOT SOLD SEPARAT

BUSHING - intermediate (Order A23577) (1-7/16" wide)

2шт.

5

NSS

NOT SOLD SEPARAT

BUSHING - front (Order A23577) (1-21/32" wide)

1шт.

6

A21017

WASHER

- thrust, camshaft

1шт.

7

A22604

GEAR

- camshaft

1шт.

8

126-28

WOODRUFF KEY,#18, 1/4" x 1 1/8"

Camshaft gear #18, 1/4" x 1 1/8"

1шт.

9

A26445

NUT

- retaining, cam gear

1шт.

10

A26444

LOCK WASHER

LOCK - nut, cam gear (Tab washer)

1шт.

11

P0027853A

LARGE PIN

- thrust plunger

1шт.

12

A27852

PLUNGER

- thrust, camshaft bumper

1шт.

17

A22578

CRANKSHAFT - engine

1шт.

18

A28687

LINING

INSERT SET - main, brg. (Set of 2) (Wide) (Std. size), crankshaft

3шт.

18

A7182

KIT

INSERT ASSY. - main brg. (Set of 2) (Wide) (-.002"), crankshaft

3шт.

18

A7188

BEARING LINER

INSERT ASSY. - main brg. (Set of 2) (Wide) (-.010"), crankshaft

3шт.

18

A7194

KIT

INSERT ASSY. - main brg. (Set of 2) (Wide) (-.020"), crankshaft

3шт.

18

A7200

KIT

INSERT ASSY. - main brg. (Set of 2) (Wide) (-.030"), crankshaft

3шт.

19

A20394

LINING

INSERT ASSY. - main brg. (Set of 2) (Narrow) (Std. size), crankshaft

2шт.

19

A20579

LINING

INSERT ASSY. - main brg. (Set of 2) (Narrow) (-.002"), crankshaft

2шт.

19

A20582

LINING

INSERT ASSY. - main brg. (Set of 2) (Narrow) (-.010"), crankshaft

2шт.

19

A20585

KIT

INSERT ASSY. - main brg. (Set of 2) (Narrow) (-.020"), crankshaft

2шт.

19

A20588

KIT

INSERT ASSY. - main brg. (Set of 2) (Narrow) (-.030"), crankshaft

2шт.

20

A27835

WASHER

- thrust, crankshaft brg. (Std. size)

2шт.

20

A7204

WASHER

- thrust, crankshaft brg. (+.006")

2шт.

21

A22576

GEAR

- drive, balancer, crankshaft

1шт.

22

A8134

PIN

- dowel, balancer drive gear (3/8 x 3/4"), crankshaft

1шт.

23

A23583

HEX SOC SCREW,Flat Hd, 3/8" - 24 x 3/4"

SCREW - mtg., drive gear (3/8 x 3/4" N.F., flat sckt. hd.), crankshaft

4шт.

24

193-56

LOCK WASHER,Ext Csk Tooth, 3/8"

WASHER, LOCK, , Crankshaft Ext Csk Tooth, 3/8"

4шт.

25

A27837

GEAR

- crankshaft

1шт.

26

A23433

OIL SEAL

- oil, crankshaft front (2-5/8" x 3-5/8" x 1/2")

1шт.

27

F1215

PULLEY - drive, fan & generator, crankshaft

1шт.

28

126-129

WOODRUFF KEY,#C, 5/16" x 1 1/8", HT

Crankshaft gear & pulley #C, 5/16" x 1 1/8", HT

2шт.

29

A27903

WASHER

- drive pulley (21/32 x 2-1/8 x 17/64"), crankshaft

1шт.

30

88112

BOLT,Hex, 5/8" - 18 x 1 1/2", Gr 5

- drive pulley ret. (5/8 x 1-1/2" N.C. hex.), Crankshaft

1шт.

31

92-10

LOCK WASHER,5/8"

WASHER, LOCK, , Crankshaft 5/8"

1шт.

36

A8670

HOUSING - flywheel

1шт.

37

A20108

BOLT - clutch hsg. to cyl. block (3/4 x 2-3/4" N.C. hex.), flywheel and housing

2шт.

38

A32607

STEP BOLT

- dowel, hsg. to block, long, flywheel and housing

1шт.

38

A32608

STEP BOLT

BOLT - dowel, hsg. to block, short, flywheel and housing

1шт.

39

A7081

BEARING

SHIELD - dust, housing, flywheel

1шт.

40

14-820

BOLT,Hex, 1/2" - 20 x 1-1/4", Gr 5

- shield (1/2 x 1-1/4" N.F. hex.), flywheel and housing

4шт.

41

F3088

HUB SHAFT - engine output

1шт.

42

F7663

BOLT - hub & flywheel (5/8 x 2-9/32" N.C., sltd. hd.), housing

4шт.

43

F7662

BOLT - dowel, hub & flywheel to c'sft., housing

2шт.

44

A7963

FLYWHEEL ASSY. - engine crankshaft, housing

1шт.

45

A27920

GEAR

- ring, flywheel, housing

1шт.

Выбрано товаров: 47