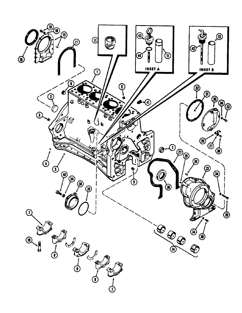
Запчасти Case IH 1060 (408) - CYLINDER BLOCK ASSEMBLY, (284) SPARK IGNITION ENGINE, USED PRIOR TO ENGINE SERIAL NUMBER 2174225 (10) - ENGINE

Схема запчастей Case IH 1060 - (408) - CYLINDER BLOCK ASSEMBLY, (284) SPARK IGNITION ENGINE, USED PRIOR TO ENGINE SERIAL NUMBER 2174225 (10) - ENGINE
24
14
2
13
34
39
3
44
36
32
4
6
34
19
8
15
11
29
41
30
5
1
23
34
35
5
17
26
42
28
43
8
18
38
5
10
16
27
33
40
9
5
7
12
34
7
25
37
31
FIT
1:1
100%

Артикул

Название

Примечание

Количество

A40360

BLOCK ASSY. - cyl., short (Incl. stripped block piston assy., connecting rods & brgs., crankshaft & brgs., camshaft & bushings timing gears, oil pump & push rod lifters) (Order A41216) (See page 406) (Casting #A23442 or A23552)

1шт.

1

A23510

X

BLOCK ASSY. - stripped (Casting #A23442 or A23552) (Order A41217) (See page 406)

1шт.

2

A24361

PLUG

- camshaft hole (2-3/8" cup type)

1шт.

3

41-1628

PLUG,Cup, 1 3/4", Stainless

- cup, front water gallery

1шт.

4

221-41

PLUG

- (1/8" P.T., sltd. hd.)

2шт.

5

221-1843

PLUG

- (3/8" P.T. ctsk. hd.)

5шт.

6

221-26

DRAIN PLUG,Sq Soc, 1"-11 1/2, NTPF

PLUG - (1" P.T., ctsk. hd.)

1шт.

7

A24941

CAP

- brg., crankshaft (Wide)

2шт.

8

A24942

CYLINDER END CAP

CAP - brg., crankshaft (Narrow)

2шт.

9

A24943

CAP

- brg., crankshaft (Thrust)

1шт.

10

A27836

SPECIAL BOLT,5/8" - 11 x 3 1/4"

- brg., caps (5/8 x 3-1/4" N.C. spec.)

10шт.

11

A34540

TUBE

SOCKET - oil level gauge (1st used engine serial #2141473 & after) (See inset "A")

1шт.

12

A20714

X

SOCKET - oil level gauge (Used prior engine serial #2141473) (See inset "B")

1шт.

13

A7621

INSERT - distributor

1шт.

14

A23577

KIT

BUSHING KIT - camshaft (Set of 4)

1шт.

15

A57457

RETAINER

- rear oil seal (Replaces A32182)

1шт.

16

A23085

OIL SEAL

- oil (4-3/4 x 5-3/4 x 1/2")

1шт.

19

92-6

LOCK WASHER,3/8"

6шт.

17

A32830

GASKET

- rear oil seal retainer

1шт.

18

13-620

BOLT,Hex, 3/8" - 16 x 1-1/4", Gr 5, Full Thd

Retainer Hex, 3/8"-16 x 1 1/4", G5, Full Thd

6шт.

23

A23334

COVER ASSY. - timing gear

1шт.

24

A27840

PIN

- cover locating (5/16 x 3/4")

2шт.

25

A27869

BUTTON - thrust, bumper

1шт.

26

A23433

OIL SEAL

- oil, front (2-5/8 x 3-5/8 x 1/2")

1шт.

27

A33018

GASKET

- timing gear cover

1шт.

28

13-640

BOLT,Hex, 3/8" - 16 x 2-1/2", Gr 5

- cover (3/8 x 2-1/2" N.C. hex.)

8шт.

29

13-616

BOLT,Hex, 3/8" - 16 x 1", Gr 5, Full Thd

Cover Hex, 3/8"-16 x 1", G5, Full Thd

2шт.

30

A20833

CAP ASSY. - timing cover

1шт.

31

A27869

BUTTON - thrust, bumper

1шт.

32

A27867

GASKET

- cap, timing cover

1шт.

33

13-618

BOLT,Hex, 3/8" - 16 x 1-1/8", Gr 5

Cap Hex, 3/8"-16 x 1 1/8", G5, Full Thd

3шт.

33

13-612

BOLT,Hex, 3/8" - 16 x 3/4", Gr 5, Full Thd

Cap Hex, 3/8"-16 x 3/4", G5, Full Thd

1шт.

34

92-6

LOCK WASHER,3/8"

17шт.

35

A28218

POINTER - timing indicator

1шт.

36

13-48

BOLT,Hex, 1/4" - 20 x 1/2", Gr 5

Pointer Hex, 1/4"-20 x 1/2", G5, Full Thd

2шт.

37

193-44

LOCK WASHER,Ext-Int Tooth, 1/4"

WASHER - lock, 1/4" int./ext. skpf.

2шт.

38

A7625

COVER - magneto opening

1шт.

39

A23316

O-RING,0.139" Thk x 4.484" ID, -246, Cl 5, 75 Duro

"O" RING - magneto opening cover

1шт.

40

13-618

BOLT,Hex, 3/8" - 16 x 1-1/8", Gr 5

Cover Hex, 3/8"-16 x 1 1/8", G5, Full Thd

3шт.

41

A23656

COCK, DRAIN

VALVE - drain, cylinder block

1шт.

42

A20739

GAUGE

ASSY. - oil level, (Dipstick) (Used prior engine serial #2141473) (See inset "B")

1шт.

43

A34541

DIPSTICK

GAUGE ASSY. - oil level (Dipstick) (1st used engine serial #2141473 & after) (See inset "A")

1шт.

44

F62075

O-RING,0.139" Thk x 0.734" ID, -210, Cl 5, 75 Duro

"O" RING - oil gauge seal (See inset "A")

2шт.

Выбрано товаров: 43