Запчасти Case IH 1060 (22) - HYDROSTATIC OIL LINES (29) - HYDROSTATIC DRIVE

Схема запчастей Case IH 1060 - (22) - HYDROSTATIC OIL LINES (29) - HYDROSTATIC DRIVE
2
5
15
6
7
29
28
18
13
4
32
30
9
22
23
24
31
33
25
3
17
1
19
10
14
21
26
12
16
27
8
11
20
FIT
1:1
100%

Артикул

Название

Примечание

Количество

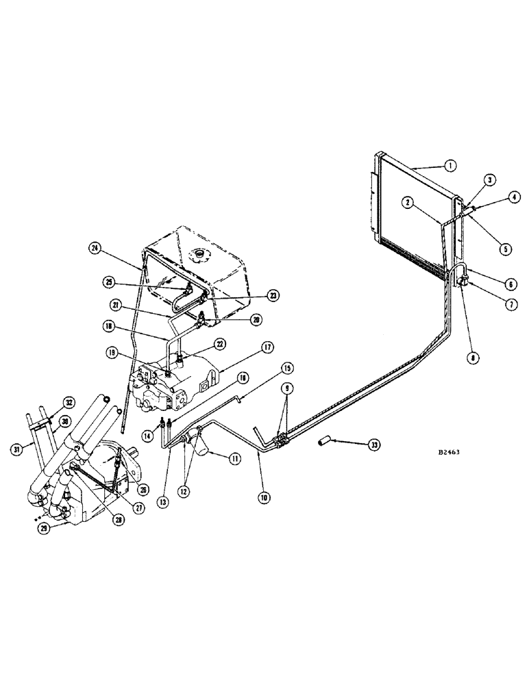
1

F87231

HEAT EXCHANGER

1шт.

BOLT - 5/16" x 1" rhd. sh. sq. nk. (12-516) wshr. (195-21)

4шт.

NUT - 5/16" N.C. hex. (25-105) L.W. (92-5)

4шт.

2

F88723

LINE - heat exchanger out, #1

1шт.

2a

221-841

PLUG

- pipe, 1/4" soc. hd. hex

1шт.

3

218-845

TEE,37 Degree, 3/4"-16 x 3/4"-16, Fem Sw Run

- branch, #8 R6 X-S, Parker

1шт.

218-755

CAP,37 Degree, 3/4"-16

Tee, #8 FNTX-S, Parker 37º, 3/4"-16

1шт.

4

218-5125

ELBOW,90 Degree, Adj, 3/4"-16 O-Ring x 3/4"-16 37º

- long, #A3400 LL-8, Lenz

1шт.

5

F88724

LINE - filter to heat exchanger, #1

1шт.

6

218-5125

ELBOW,90 Degree, Adj, 3/4"-16 O-Ring x 3/4"-16 37º

- long, #A3400 LL-8, Lenz

1шт.

7

218-735

UNION,3/4"-16, 37 Degree x 3/4"-16, 37 Degree

ADAPTER - straight, #8 JMS, Anchor

1шт.

8

F14517

SPACER - hydraulic line

2шт.

9

F30158

WASHER

CLIP - hydraulic line

1шт.

10

F30157

CLIP - hydraulic line

1шт.

BOLT - 1/4" x 3/4" rhd. sq. nk. (111-108)

1шт.

NUT - 1/4" N.C. hex. (129-101) L.W. (192-19)

1шт.

11

F88718

LINE - heat exchanger to filter, #2

1шт.

12

F88485

FILTER

- oil (See p. 26 for repairs)

1шт.

BOLT - 3/8" x 3/4" N.C. hex. (13-612) wshr. (92-6)

2шт.

13

218-5071

HYD CONNECTOR,3/4" - 16 Male JIC x 1-5/16" - 12 Male ORB

CONNECTOR - straight, #8-16 BC, Anchor

2шт.

14

F88719

HOSE - heat exchanger to pump, #2

1шт.

15

218-5060

HYD CONNECTOR,3/4" - 16 Male JIC x 7/8" - 14 Male ORB

straight, #8-10 BC, Anchor 3/4"-16, 37º x 7/8"-14, O-Ring

1шт.

16

F88722

HOSE -, Serial Range: filter-pump

1шт.

17

218-5070

HYD CONNECTOR,3/4" - 16 Male JIC x 1-1/16" - 12 Male ORB

CONNECTOR - straight, #8-12 BC, Anchor

1шт.

18

F87237

PUMP - hydrostatic (See page 25A for repairs)

1шт.

19

F88721

LINE - suction

1шт.

20

218-5064

HYD CONNECTOR,1-1/16" - 12 Male JIC x 1-1/16" - 12 Male ORB

CONNECTOR - straight, #12 BCO, Anchor

1шт.

21

218-5064

HYD CONNECTOR,1-1/16" - 12 Male JIC x 1-1/16" - 12 Male ORB

CONNECTOR - straight, #12 BCO, Anchor

1шт.

22

F88717

HOSE - pump return

1шт.

23

218-5062

HYD CONNECTOR,7/8"-14, 37 Degree x 7/8"-14, O-Ring

CONNECTOR - straight, #10 BCO, Anchor

1шт.

24

218-5107

90 ELBOW,90 Degree Elbow, 7/8" - 14 Male JIC x 7/8" - 14 Male ORB

- 90 degree adj., #10 BCAC, Anchor

1шт.

25

F88725

LINE - motor case, Serial Range: hose-reservoir

1шт.

26

F218-5062

CONNECTOR - straight, #10 BCO, Anchor

1шт.

27

F88760

HOSE - motor case to reservoir line

1шт.

28

218-5063

HYD CONNECTOR,7/8" - 14 Male JIC x 1-1/16" - 12 Male ORB

CONNECTOR - straight, #10-12 BC, Anchor

1шт.

29

F87207

MOTOR - hydrostatic (See p. 25A for repairs)

1шт.

30

F88145

BLOCK - relief valve

1шт.

F13297

HARDWARE

O-RING - (Behind relief valve block)

2шт.

31

F87817

HOSE - dump valve (Long)

1шт.

32

F87818

HOSE - dump valve (Short)

1шт.

33

F12441

CLAMP - hose

4шт.

Выбрано товаров: 41