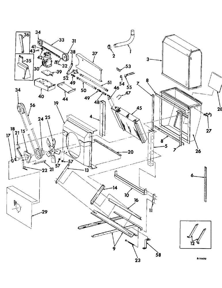
Запчасти Case IH 403 (247) - CONDENSOR AND COMPRESSOR, SERIAL NO. 16130 AND ABOVE (50) - CAB CLIMATE CONTROL

Схема запчастей Case IH 403 - (247) - CONDENSOR AND COMPRESSOR, SERIAL NO. 16130 AND ABOVE (50) - CAB CLIMATE CONTROL
18
11
5
20
2
44
16
34
32
31
26
46
7
42
22
7
33
17
1
49
43
14
55
41
47
13
57
4
8
40
25
9
8
21
57
21
45
51
36
38
56
35
53
48
50
28
30
34
19
24
58
3
29
12
39
49
6
37
23
15
54
10
52
27
FIT
1:1
100%

Артикул

Название

Примечание

Количество

1

634305R1

SPARE PART ELBOW, muffler

1шт.

2

31790DA

CLAMP

CLAMP, muffler

1шт.

18495R1

BOLT,Hex, 3/8" - 16 x 1 1/4", Gr 2

BOLT, 3/8 x 1-1/4 C-Z hex-hd mach

1шт.

120377

NUT,3/8" - 16, Gr 5

NUT, 3/8"-16, G5

1шт.

120382

LOCK WASHER,Helical Spring, 3/8"

WASHER, LOCK, 3/8"

1шт.

3

274734R91

SPARE PART SCREEN ASSY, oil cooler fan chute

1шт.

4

318284R2

SPARE PART CHANNEL, oil cooler fan chute left

1шт.

5

318285R3

SPARE PART CHANNEL, oil cooler fan chute right

1шт.

6

318102R1

SPARE PART STRIP, sta-foam sealing

1шт.

7

318106R1

SPARE PART STRIP, sta-foam sealing

2шт.

8

318104R1

SPARE PART STRIP, sta-foam sealing

2шт.

9

150923C91

SPARE PART FRAME ASSY, oil cooler support

1шт.

17351R1

CARRIAGE BOLT,Short Sq Nk, 3/8" - 16 x 1", Gr 2

BOLT, 3/8 x 1 C-Z sq-nk crg

2шт.

18494R1

BOLT,Hex, 3/8" - 16 x 1", Gr 2

BOLT, 3/8 x 1 C-Z hex-hd mach

10шт.

18421R1

CARRIAGE BOLT,Short Sq Nk, 7/16" - 14 x 1", Gr 2

BOLT, CARRIAGE, Short NK, 7/16"-14 x 1", G5, Full Thd

2шт.

120377

NUT,3/8" - 16, Gr 5

NUT, 3/8"-16, G5

12шт.

271501

SOCKET

NUT, 7/16 C-Z hex.

2шт.

120382

LOCK WASHER,Helical Spring, 3/8"

WASHER, LOCK, 3/8"

12шт.

120383

LOCK WASHER,Helical Spring, 7/16"

WASHER, LOCK, 7/16"

2шт.

575807R1

WASHER

WASHER, 13/32 x 1 x 11 ga

10шт.

10

150928C91

SPARE PART SUPPORT ASSY, oil cooler

1шт.

18684R1

BOLT,Sht Sq Nk, 3/8" - 16 x 1 1/4", Gr 2

BOLT, 3/8 x 1-1/4 C-Z sq-nk crg

4шт.

18695R1

CARRIAGE BOLT,Short Sq Nk, 7/16" - 14 x 1 1/4", Gr 2

BOLT, 7/16 x 1-1/4 C-Z sq-nk crg

2шт.

120377

NUT,3/8" - 16, Gr 5

NUT, 3/8"-16, G5

4шт.

NLS

NO LONGER SERVICED

NUT, 7/16 C-Z hex.

2шт.

120382

LOCK WASHER,Helical Spring, 3/8"

WASHER, LOCK, 3/8"

4шт.

120383

LOCK WASHER,Helical Spring, 7/16"

WASHER, LOCK, 7/16"

2шт.

11

150930C1

SPARE PART STRAP, oil cooler tightener

1шт.

12

150931C1

SPARE PART STRAP, oil cooler support

1шт.

18795R1

BOLT,Hex, 7/16"-14 x 1 1/4", G2

BOLT, 7/16 x 1-1/4 C-Z hex-hd mach

2шт.

271501

SOCKET

NUT, 7/16 C-Z hex.

2шт.

120383

LOCK WASHER,Helical Spring, 7/16"

WASHER, LOCK, 7/16"

2шт.

PO10534

WASHER

SPARE PART WASHER, 15/32 x 1-1/4 x 11 ga

2шт.

13

150932C1

ANGLE

ANGLE, oil cooler left

1шт.

18421R1

CARRIAGE BOLT,Short Sq Nk, 7/16" - 14 x 1", Gr 2

BOLT, CARRIAGE, Short NK, 7/16"-14 x 1", G5, Full Thd

1шт.

NLS

NO LONGER SERVICED

NUT, 7/16 C-Z hex.

1шт.

120383

LOCK WASHER,Helical Spring, 7/16"

WASHER, LOCK, 7/16"

1шт.

14

150933C1

SPARE PART ANGLE, oil cooler right tie

1шт.

18421R1

CARRIAGE BOLT,Short Sq Nk, 7/16" - 14 x 1", Gr 2

BOLT, CARRIAGE, Short NK, 7/16"-14 x 1", G5, Full Thd

1шт.

271501

SOCKET

NUT, 7/16 C-Z hex.

1шт.

120383

LOCK WASHER,Helical Spring, 7/16"

WASHER, LOCK, 7/16"

1шт.

15

150936C91

SPARE PART HUB ASSY, oil cooler fan

1шт.

16

150935C1

SPARE PART ANGLE, oil cooler tie rail

1шт.

17351R1

CARRIAGE BOLT,Short Sq Nk, 3/8" - 16 x 1", Gr 2

BOLT, 3/8 x 1 C-Z sq-nk crg

2шт.

120377

NUT,3/8" - 16, Gr 5

NUT, 3/8"-16, G5

2шт.

120382

LOCK WASHER,Helical Spring, 3/8"

WASHER, LOCK, 3/8"

2шт.

17

559203R1

SNAP RING,#118, 1.260", Int, Spiral

RING, oil cooler fan hub snap

1шт.

18

ST634

BEARING ASSY

BEARING, oil cooler fan hub ball

1шт.

19

150939C91

SPARE PART SHROUD ASSY, oil cooler fan

1шт.

181595

BOLT,Hex, 5/16" - 24 x 3/4", Gr 5

SCREW, 5/16 x 3/4 C-Z hex-hd cap

8шт.

80681

LOCK WASHER,5/16"

WASHER, LOCK, 5/16"

8шт.

362662R1

NUT, 5/16 C-Z speed grip

8шт.

20

387958R1

STRIP, sta-foam sealing

1шт.

21

150945C1

SPARE PART SUPPORT, oil cooler fan hub upper

2шт.

18764R1

HARDWARE,Hex, 5/16"-18 x 3/4", G2

BOLT, 5/16 x 3/4 C-Z hex-hd mach

5шт.

180075

BOLT,Hex, 5/16" - 18 x 5/8", Gr 5

SCREW, 5/16 x 5/8 C-Z hex-hd cap

2шт.

180077

BOLT,Hex, 5/16" - 18 x 3/4", Gr 5

SCREW, 5/16 x 3/4 C-Z hex-hd cap

2шт.

120376

NUT,5/16"-18, G5

NUT, 5/16"-18, G5

5шт.

80681

LOCK WASHER,5/16"

WASHER, LOCK, 5/16"

9шт.

PO105311/2

WASHER, 11/32 x 1-1/2 x 11 ga

4шт.

22

150946C1

SPARE PART SUPPORT, oil cooler fan hub lower

1шт.

18764R1

HARDWARE,Hex, 5/16"-18 x 3/4", G2

BOLT, 5/16 x 3/4 C-Z hex-hd mach

3шт.

180075

BOLT,Hex, 5/16" - 18 x 5/8", Gr 5

SCREW, 5/16 x 5/8 C-Z hex-hd cap

1шт.

180077

BOLT,Hex, 5/16" - 18 x 3/4", Gr 5

SCREW, 5/16 x 3/4 C-Z hex-hd cap

1шт.

120376

NUT,5/16"-18, G5

NUT, 5/16"-18, G5

3шт.

80681

LOCK WASHER,5/16"

WASHER, LOCK, 5/16"

5шт.

PO105311/2

WASHER, 11/32 x 1-1/2 x 11 ga

2шт.

23

150978C1

SPARE PART BOLT, oil cooler fan drive draw

1шт.

124589

BALL STUD,Hex, 5/8" - 11 x 2", Gr 5

NUT, 5/8-11 C-Z hex.

3шт.

24

372724R1

PULLEY

PULLEY, oil cooler fan driven

1шт.

25

267450R91

SPARE PART BLADE ASSY, oil cooler fan 5 blade

1шт.

413-410

BOLT,Hex, 1/4" - 20 x 5/8", Gr 5

SCREW, 1/4 x 5/8 C-Z hex-hd cap

4шт.

492-11025

LOCK WASHER,1/4"

WASHER, LOCK, 1/4"

4шт.

26

159931C91

SPARE PART CHUTE ASSY, condensor air

1шт.

181595

BOLT,Hex, 5/16" - 24 x 3/4", Gr 5

SCREW, 5/16 x 3/4 C-Z hex-hd cap

8шт.

80681

LOCK WASHER,5/16"

WASHER, LOCK, 5/16"

8шт.

362662R1

NUT, 5/16 C-Z speed grip

8шт.

27

353443R91

LATCH ASSY.

LATCH ASSY, air chute screw

2шт.

113356

RIVET,Tr Hd, 3/16" x 3/8"

RIVET, 3/16 x 3/8 small-ov-hd

4шт.

28

274733R1

SPARE PART DOOR, oil cooler fan chute

1шт.

29

151002C1

SPARE PART SIEVE, oil cooler fan drive shield

1шт.

30

527541R91

AIRCOND. COMPRESSOR

COMPRESSOR ASSY, When replacing 628565R9 compressor with 527541R91 compressor, 165129C91 clutch assy must also be ordered

1шт.

30

417888C93

AIRCOND. COMPRESSOR

Compressor Assy., A/C

1шт.

30

1924004C2

REMAN-A/C COMPRESSOR

Remanufactured COMPRESSOR

1шт.

30

1924005C1

CORE-A/C COMPRESSOR

Return Number

1шт.

31

165129C91

CLUTCH

CLUTCH ASSY, compressor

1шт.

22859R1

WASHER

WASHER, 11/32 x 3/4 x 7 ga C-Z

1шт.

32

629733R91

SPARE PART LEAD BRUSH AND BRACKET ASSY

1шт.

33

936331R1

V-BELT,0.50" W

Compressor drive

1шт.

34

150911C1

SPARE PART PULLEY, compressor drive, 2 used belt drive machines, one used hydrostatic machines

1шт.

180130

BOLT,Hex, 3/8" - 16 x 2", Gr 5

SCREW, 3/8 x 2 C-Z hex-hd cap

4шт.

113-257

BOLT,Hex, 3/8" - 16 x 2-1/2", Gr 5

SCREW, 3/8 x 2-1/2 C-Z hex-hd cap, For diesel engine only

4шт.

120382

LOCK WASHER,Helical Spring, 3/8"

WASHER, LOCK, 3/8"

4шт.

35

NOT USED

1шт.

36

155152C1

SPARE PART BRACE, compressor mounting bracket

1шт.

18494R1

BOLT,Hex, 3/8" - 16 x 1", Gr 2

BOLT, 3/8 x 1 C-Z hex-hd mach

1шт.

180126

BOLT,Hex, 3/8" - 16 x 1 1/2", Gr 5

SCREW, 3/8 x 1-1/2 C-Z hex-hd cap

1шт.

120377

NUT,3/8" - 16, Gr 5

NUT, 3/8"-16, G5

1шт.

120382

LOCK WASHER,Helical Spring, 3/8"

WASHER, LOCK, 3/8"

1шт.

37

159942C1

SPARE PART SHIELD, fan drive belt

1шт.

18764R1

HARDWARE,Hex, 5/16"-18 x 3/4", G2

BOLT, 5/16 x 3/4 C-Z hex-hd mach

3шт.

16897R1

CARRIAGE BOLT,Short Nk, 5/16" - 18 x 3/4", Gr 2, Full Thd

BOLT, 5/16 x 3/4 C-Z sq-nk crg

1шт.

120376

NUT,5/16"-18, G5

NUT, 5/16"-18, G5

4шт.

80681

LOCK WASHER,5/16"

WASHER, LOCK, 5/16"

4шт.

Q397

WASHER

WASHER, 11/32 x 3/4 x 16 ga

2шт.

38

159941C1

SPARE PART SUPPORT, fan drive belt shield

1шт.

16897R1

CARRIAGE BOLT,Short Nk, 5/16" - 18 x 3/4", Gr 2, Full Thd

BOLT, 5/16 x 3/4 C-Z sq-nk crg

1шт.

120376

NUT,5/16"-18, G5

NUT, 5/16"-18, G5

1шт.

80681

LOCK WASHER,5/16"

WASHER, LOCK, 5/16"

1шт.

39

632939R91

SPARE PART BASE ASSY, compressor mounting

1шт.

425-147

JAM NUT,Jam, 7/16"-14, G5

NUT, 7/16-14 C-Z hex-jam

1шт.

NLS

NO LONGER SERVICED

NUT, 7/16-14 C-Z hex.

1шт.

40

632933R91

SPARE PART BRACKET ASSY, compressor mounting

1шт.

113-233

BOLT,Hex, 3/8" - 16 x 1-3/4", Gr 5

BOLT, 3/8-16 x 1-3/4 C-Z hex-hd

4шт.

16897R1

CARRIAGE BOLT,Short Nk, 5/16" - 18 x 3/4", Gr 2, Full Thd

BOLT, 5/16 x 3/4 C-Z sq-nk crg

1шт.

18494R1

BOLT,Hex, 3/8" - 16 x 1", Gr 2

BOLT, 3/8 x 1 C-Z hex-hd mach

3шт.

120376

NUT,5/16"-18, G5

NUT, 5/16"-18, G5

1шт.

120377

NUT,3/8" - 16, Gr 5

NUT, 3/8"-16, G5

3шт.

120382

LOCK WASHER,Helical Spring, 3/8"

WASHER, LOCK, 3/8"

7шт.

80681

LOCK WASHER,5/16"

WASHER, LOCK, 5/16"

1шт.

575807R1

WASHER

WASHER, 13/32 x 1 x 11 ga

4шт.

41

161076C91

BEARING ASSY,17 mm ID x 47 mm OD x 14 mm

BEARING ASSY, compressor belt idler

2шт.

20299R1

BOLT, 5/8 x 3-3/4 C-Z hex-hd mach

1шт.

280374

NUT,Hex, 5/8" - 11, Gr 5

NUT, 5/8 C-Z hex.

1шт.

492-11062

BEARING WASHER,5/8"

WASHER, LOCK, 5/8"

1шт.

12258R1

WASHER

WASHER, 21/32 x 1-1/4 x 11 ga

7шт.

42

161092C91

PULLEY

RIM ASSY, compressor drive belt idler

2шт.

43

627389R1

SPACER,16.7mm ID x 22.23mm OD x 22.2mm L

SPACER, compressor drive belt idler

1шт.

44

150934C1

SPARE PART CHANNEL, battery support

2шт.

17351R1

CARRIAGE BOLT,Short Sq Nk, 3/8" - 16 x 1", Gr 2

BOLT, 3/8 x 1 C-Z sq-nk crg

8шт.

120377

NUT,3/8" - 16, Gr 5

NUT, 3/8"-16, G5

8шт.

120382

LOCK WASHER,Helical Spring, 3/8"

WASHER, LOCK, 3/8"

8шт.

159928C91

SPARE PART CONDENSOR ASSY, Includes ref. nos. 45 thru 52

1шт.

937059R1

SCREW,Serr, M10 x 70mm, Cl 10.9

SCREW, 1/4 x 1/2 C-Z slt-truss-hd

4шт.

45

163655C91

SPARE PART CORE W/FITTINGS, condenser

1шт.

46

572832R91

CONTAINER

FILTER, receiver dryer

1шт.

47

163659C1

SPARE PART U-BOLT, receiver filter

1шт.

178378

LOCK WASHER,Ext-Int Tooth, #10

NUT, no. 10-32 C-Z hex.

2шт.

120614

NUT,Hex, #10 - 32

WASHER, no. 10 C-Z int-ext tooth lock

2шт.

48

163657C91

SPARE PART COUPLING ASSY, condenser

1шт.

49

163658C91

SPARE PART COUPLING ASSY, condenser

2шт.

50

159929C91

SPARE PART HOSE W/FITTINGS, 3/8 in., Serial Range: condenser-evaporator

1шт.

51

159930C91

A/C HOSE,0.41" ID x 48.00"

1/2" Discharge

1шт.

52

399419R1

VALVE

VALVE ASSY

1шт.

53

159940C1

BAR

COVER, air chute tube opening

2шт.

145189

SCREW, no. 10 x 3/8 slt-pan-hd tap

2шт.

54

155482C1

CLIP

CLIP, thermostat

1шт.

55

155491C91

THERMOSTAT

THERMOSTAT ASSY

1шт.

56

150960C1

V-BELT,113.79" L

Oil Cooler Fan Drive

1шт.

57

142350

GROMMET,7/8" ID x 1 5/8" x .125", Diag Cut

GROMMET, rubber hose

2шт.

58

NOT USED

1шт.

Выбрано товаров: 151