Запчасти Case IH 403 (378) - ALTERNATOR GENERATOR, VOLTAGE REGULATOR AND CONNECTIONS, FOR C-263 ENGINE (55) - ELECTRICAL SYSTEMS

Схема запчастей Case IH 403 - (378) - ALTERNATOR GENERATOR, VOLTAGE REGULATOR AND CONNECTIONS, FOR C-263 ENGINE (55) - ELECTRICAL SYSTEMS
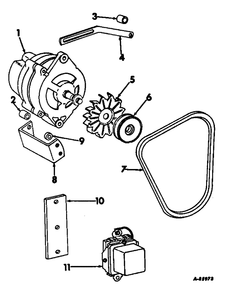
1
3
4
10
2
6
7
11
5
9
FIT
1:1
100%

Артикул

Название

Примечание

Количество

1

1100750

SPARE PART ALTERNATOR GENERATOR ASSY, 393820R91, Order 1100791, alternator generator assy, 397091R91, For components see list of parts under details of alternator generator

1шт.

1

103805A1R

REMAN-ALTERNATOR

Remanufactured Alternator, 12 volt 55 ampere

1шт.

1

103805A1C

CORE-ALTERNATOR

Return Number

1шт.

1

103806A1R

REMAN-ALTERNATOR

Remanufactured Alternator, 12 volt 60 ampere

1шт.

1

103806A1C

CORE-ALTERNATOR

Return Number

1шт.

120614

NUT,Hex, #10 - 32

NUT, #10-32

1шт.

225-14112

NUT,#12-24

12-24 C-Z hex. mach screw

1шт.

179819

BOLT,Hex, 5/16" - 18 x 1 1/8", Gr 5

BOLT, Hex, 5/16"-18 x 1 1/8", G5

1шт.

120217

LOCK WASHER,#10

WASHER, LOCK, #10

1шт.

121744

ANGLE

Washer, Lock, #12

1шт.

103320

LOCK WASHER,5/16"

WASHER, LOCK, 5/16"

1шт.

557264R1

WASHER

WASHER, 11/32 x 3/4 x 11 ga

1шт.

1

1100791

GENERATOR

ALTERNATOR GENERATOR ASSY, 397091R91, For components see list of parts under details of alternator generator

1шт.

120614

NUT,Hex, #10 - 32

NUT, #10-32

1шт.

121743

CHAIN,#12 - 24

12-24 C-Z hex. mach screw

1шт.

179819

BOLT,Hex, 5/16" - 18 x 1 1/8", Gr 5

BOLT, Hex, 5/16"-18 x 1 1/8", G5

1шт.

120217

LOCK WASHER,#10

WASHER, LOCK, #10

1шт.

492-11012

LOCK WASHER,#12

Washer, Lock, #12

1шт.

103320

LOCK WASHER,5/16"

WASHER, LOCK, 5/16"

1шт.

557264R1

WASHER

WASHER, 11/32 x 3/4 x 11 ga

1шт.

2

384993R1

SPACER

SPACER, alternator generator mounting bracket, long

1шт.

3

SPACER, alternator generator brace, Refer to Eng-2 parts catalog

1шт.

4

BRACE, generator, Refer to Eng-2 parts catalog

1шт.

5

1940994

FAN

FAN, alternator generator

1шт.

6

1961291

PULLEY

PULLEY, alternator generator

1шт.

7

394013R1

V-BELT,0.50" W x 53.00" L

Alternator & water pump

1шт.

8

BRACKET, alternator generator mounting, Refer to Eng-2 parts catalog

1шт.

9

SPACER, alternator generator mounting bracket, short, Refer to Eng-2 parts catalog

1шт.

10

393841R1

SPARE PART BRACKET, voltage regulator mounting

1шт.

938017R1

FLANGE NUT,Flg, USR, 5/16"-18

NUT, 5/16-18 whiz lock

1шт.

179818

BOLT,Hex, 5/16" - 18 x 1", Gr 5

BOLT, Hex, 5/16"-18 x 1", G5, Full Thd

1шт.

173127

SPARE PART WASHER, 5/16 int-ext tooth lock Ext-Int Tooth, 5/16"

1шт.

11

1119513

VOLTAGE REGULATOR

REGULATOR ASSY, voltage, 336410R91, Composed of

1шт.

1958151

COVER

1шт.

1962733

SCREW

SCREW, cover

2шт.

1119507

GOVERNOR

REGULATOR

1шт.

1962629

BRACKET

SHOCK BRACKET PACKAGE

1шт.

938016R1

FLANGE NUT,Flg, USR, 1/4"-20

NUT, 1/4-20 whiz lock

2шт.

179791

BOLT,Hex, 1/4" - 20 x 1/2", Gr 5

BOLT, Hex, 1/4"-20 x 1/2", G5, Full Thd

2шт.

Выбрано товаров: 39