Запчасти Case IH 403 (394) - ELECTRICAL SYSTEM, WIRING DIAGRAM, FOR D-301 ENGINE, COMBINE SERIAL NO. 9957 AND ABOVE (55) - ELECTRICAL SYSTEMS

Схема запчастей Case IH 403 - (394) - ELECTRICAL SYSTEM, WIRING DIAGRAM, FOR D-301 ENGINE, COMBINE SERIAL NO. 9957 AND ABOVE (55) - ELECTRICAL SYSTEMS
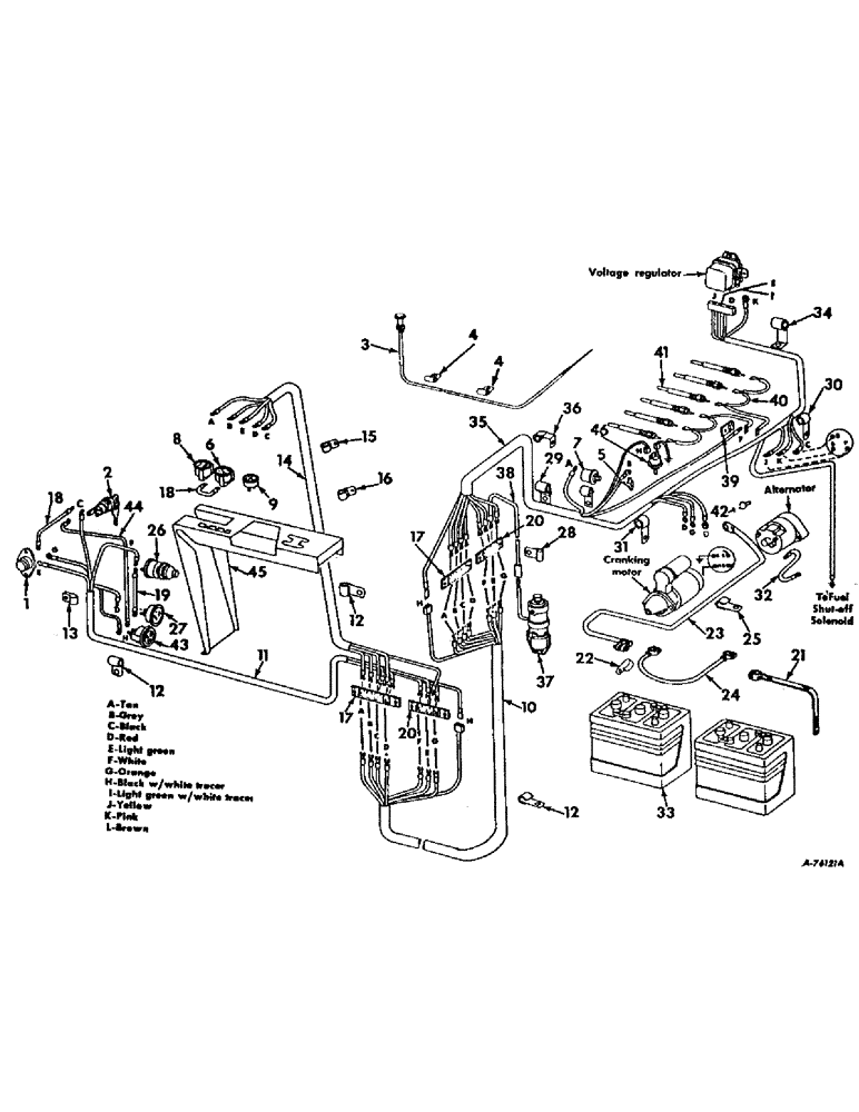
29
41
23
4
21
18
17
10
12
16
3
20
28
25
4
18
5
32
9
7
17
26
19
2
30
43
12
44
11
46
24
45
20
36
27
14
12
1
42
40
15
37
6
31
33
39
22
34
13
35
38
8
FIT
1:1
100%

Артикул

Название

Примечание

Количество

1

366317R91

IGNITION SWITCH

SWITCH ASSY, push button starting

1шт.

100751

SCREW,Slotted Rd Hd, #8-32 x 1/2"

8-32 x 1/2 slt-rd-hd mach

1шт.

132903

ADAPTER

SCREW, 10-32 x 7/16 C-Z slt-rd-hd mach

2шт.

120611

NUT,#10 - 32

10-32 C-Z sq mach screw

2шт.

120217

LOCK WASHER,#10

WASHER, LOCK, #10

2шт.

615226R1

WASHER

1-1/32 x 1-1/2 x 22 ga

2шт.

2

365522R92

SWITCH

ASSY, ignition, key type

1шт.

365502R1

NUT

switch mounting

1шт.

112871

SCREW, 6-32 x 5/16 slt-rd-hd mach

2шт.

NLS

NO LONGER SERVICED

LOCK, Int Tooth, 13/16"

1шт.

118872

DECAL

WASHER, no. 6 light lock

2шт.

3

588063R91

CABLE

ASSY, fuel shut-off

1шт.

4

362127R1

CLIP

shut-off cable

2шт.

5

665016R91

TEMPERATURE SENDER

UNIT ASSY, water temperature sending

1шт.

221-89

REDUCER,Hex, 1/2" x 3/8" NPT

BUSHING, 1/2 x 3/8 reducing

1шт.

6

939262R91

GAUGE ASSY.

GAUGE ASSY, water temperature

1шт.

7

UNIT ASSY, oil pressure sending, Refer to Eng-5 parts catalog

1шт.

8

GAUGE ASSY, oil pressure, Refer to Eng-5 parts catalog

1шт.

9

154818C91

GAUGE ASSY.

GAUGE ASSY, charge indicator, Optional with 264431R91

1шт.

9

264431R91

AMMETER

GAUGE ASSY, charge indicator, Optional with 154818C91

1шт.

10

154857C91

HARNESS ASSY, cable, Serial no. 16129 and below

1шт.

10

161290C91

HARNESS ASSY, cable, Serial no. 16130 and above

1шт.

11

154856C91

HARNESS ASSY, starter and starter switch cable, Serial no. 16129 and below

1шт.

11

161292C91

HARNESS ASSY, starter and starter switch cable, Serial no. 16130 and above

1шт.

12

362120R1

CLAMP,9.53mm ID, 10.32mm Bolt Hole, P Type

CLIP, cable harness

10шт.

13

589980R2

CLIP

starter switch cable harness

1шт.

113957

SCREW,Sl Rnd Hd, 1/4" - 20 x 3/4"

1/4-20 x 3/4 slt-rd-hd mach

1шт.

109084

NUT,1/4"-20, G5

1шт.

103319

LOCK WASHER,1/4"

WASHER, LOCK, 1/4"

1шт.

14

154855C91

HARNESS ASSY, instrument gauge cable

1шт.

15

140582

CLAMP

CLIP, cable harness

1шт.

16

140571

CLIP

cable harness

1шт.

17

565481R91

BAR

BLOCK ASSY, four terminal junction

2шт.

100779

BOLT,Rd Hd, #12 - 24 x 3/4"

SCREW, 12-24 x 3/4 slt-rd-hd mach

4шт.

103102

NUT, 12-24 sq mach screw

4шт.

106498

LOCK WASHER,#12

Washer, Lock, #12

4шт.

18

565553R91

CABLE ASSY, switch and gauge

2шт.

19

588052R91

CABLE ASSY, glow plug meter to glow plug switch

1шт.

20

155219C91

BLOCK ASSY, three terminal junction

2шт.

100779

BOLT,Rd Hd, #12 - 24 x 3/4"

SCREW, 12-24 x 3/4 slt-rd-hd mach

4шт.

103102

NUT, 12-24 sq mach screw

4шт.

106498

LOCK WASHER,#12

Washer, Lock, #12

4шт.

21

629029R92

NEG BATTERY CABLE

CABLE ASSY, Serial Range: battery-ground

1шт.

179856

BOLT,Hex, 7/16" - 14 x 3/4", Gr 5

SCREW, 7/16-14 x 3/4 hex-hd cap

1шт.

103322

LOCK WASHER,7/16"

WASHER, LOCK, 7/16"

1шт.

61252H

WASHER

15/32 x 3/4 x 11 ga

1шт.

22

140571

CLIP

closed

1шт.

17411R1

BOLT,Hex, 5/16"-18 X 3/4", G2

5/16-18 x 3/4 hex-hd

1шт.

9635082

NUT,5/16" - 18, Gr 5

5/16-18 hex.

1шт.

103320

LOCK WASHER,5/16"

WASHER, LOCK, 5/16"

1шт.

23

632106R91

CABLE

ASSY, battery to cranking motor

1шт.

24

259171R91

CABLE

ASSY, Serial Range: battery-battery

1шт.

25

362120R1

CLAMP,9.53mm ID, 10.32mm Bolt Hole, P Type

CLIP, battery cable

1шт.

17404R1

BOLT,Hex, 5/16" - 18 x 1/2", Gr 2

5/16-18 x 1/2 hex-hd

1шт.

9635082

NUT,5/16" - 18, Gr 5

5/16-18 hex.

1шт.

103320

LOCK WASHER,5/16"

WASHER, LOCK, 5/16"

1шт.

26

393209R91

SWITCH

glow plug, Less cap

1шт.

373612R1

CAP

glow plug switch, Red

1шт.

27

370380R92

METER

ASSY, glow plug

1шт.

28

362127R1

CLIP

fuel pump cable

1шт.

29

370383R1

CLIP

main cable harness, On fuel filter bracket upper LH mounting screw

1шт.

30

362120R1

CLAMP,9.53mm ID, 10.32mm Bolt Hole, P Type

CLIP, main cable harness, On alternator adjustment screw & on front plate upper mounting screw

2шт.

31

384559R1

CLIP

main cable harness, On crankcase oil pan RH side

2шт.

32

385006R91

CABLE ASSY, Serial Range: alternator-ground

1шт.

33

391546R91

BATTERY, Prestolite 2-A9Y 6 volt

2шт.

34

370383R1

CLIP

main cable harness, On LH water outlet housing mounting screw

1шт.

35

401138R1

HARNESS ASSY, main cable, Will work for 393837R91

1шт.

36

358986R1

CABLE CLIP

CLIP, main cable harness, On upper LH tapped hole in rear of cylinder head

1шт.

37

PUMP ASSY, fuel, Refer to Eng-5 parts catalog

1шт.

38

629826R91

CABLE ASSY, fuel pump

1шт.

39

42915D

BLOCK

junction

1шт.

40

319965R91

HARNESS

ASSY, glow plug cable

2шт.

41

PLUG, glow, Refer to Eng-5 parts catalog

1шт.

42

399470R1

BOOT

INSULATOR, terminal cover boot

1шт.

43

389871R91

GAUGE

INDICATOR ASSY, air cleaner restriction

1шт.

44

161293C91

CABLE ASSY, air cleaner restriction indicator

1шт.

45

SHROUD, See unit listed under operators lever shroud

1шт.

46

389682R91

SWITCH

electric air cleaner

1шт.

Выбрано товаров: 78