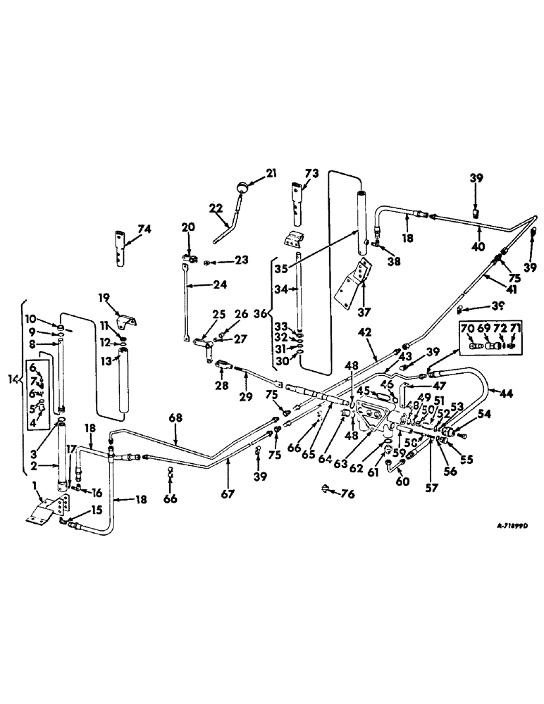
Запчасти Case IH 403 (201) - HYDRAULIC REEL LIFT, NOT HYDROSTATIC GROUND DRIVE (58) - ATTACHMENTS/HEADERS

Схема запчастей Case IH 403 - (201) - HYDRAULIC REEL LIFT, NOT HYDROSTATIC GROUND DRIVE (58) - ATTACHMENTS/HEADERS
24
19
50
48
76
64
34
39
18
68
7
55
1
72
69
59
60
43
22
40
75
39
71
74
35
6
38
18
16
28
2
8
56
51
21
11
25
36
30
66
17
23
3
37
39
29
14
15
49
57
44
41
52
5
70
39
65
75
4
73
31
48
33
62
12
66
6
26
13
63
18
9
54
50
53
46
45
20
39
75
61
32
10
48
42
47
27
67
FIT
1:1
100%

Артикул

Название

Примечание

Количество

1

634113R91

PLATE ASSY.

PLATE W/SUPPORT, cylinder lift support, Serial no. 7223 and below

1шт.

1

150367C91

BRACKET ASSY, cylinder lift support LH, Serial no. 7224 and above

1шт.

3/16 X 1 COTTER PIN

1шт.

Q3549

1/2 X 2-13/16 DLD PIN

1шт.

2

632463R91

HEAD ASSY

1шт.

3

298384R1

OIL SEAL

O-RING, 3/32 x 1-11/16 ID

1шт.

4

632458R1

PLUG, seat

1шт.

6

632460R91

POPPET ASSY

1шт.

7

632459R1

VALVE SPRING

SPRING

1шт.

8

632464R91

ROD ASSY, piston

1шт.

9

252483R1

O-RING,-218, 70 Duro, 1.234" ID x .139" Thk

1/8 x 1-1/4 ID

1шт.

10

632461R1

COLLAR

1шт.

17045R1

LOCK PIN,5/32" x 1 3/8", Slotted

PIN, 5/32" x 1 3/8", Slotted

1шт.

11

564808R91

WIPER

SEAL, 1-1/8 shaft

1шт.

12

356005R1

O-RING,1.109" ID x 0.139" Width

1/8 x 1-1/8 ID

1шт.

13

632462R91

BEARING ASSY

1шт.

14

632457R91

CYLINDER

ASSY, reel master, Includes ref nos 2 through 13

1шт.

159836C91

KIT

reel lift cylinder repair, Consists of

1шт.

632460R91

POPPET ASSY

2шт.

632459R1

VALVE SPRING

SPRING

1шт.

564808R91

WIPER

OIL SEAL

1шт.

356005R1

O-RING,1.109" ID x 0.139" Width

1шт.

252483R1

O-RING,-218, 70 Duro, 1.234" ID x .139" Thk

1шт.

298384R1

OIL SEAL

O-RING

1шт.

15

585694R1

ELBOW,90 Degree, 9/16"-18, 37 Degree x 3/8"-18, NPTF

master cylinder

1шт.

16

9410976

ELBOW,90 Degree, 9/16"-18, 37 Degree x 9/16"-18, O-Ring

master cylinder 90º, 9/16"-18, 37º x 9/16"-18, O-Ring

1шт.

17

364839R1

O-RING,0.078" Thk x 0.468" ID, -906, Cl 6, 90 Duro

6-1, 90 Duro, .468" ID x .078" Thk, master cylinder

1шт.

18

632455R91

HOSE

ASSY, cylinder to lower tubing

3шт.

19

634112R1

SUPPORT, reel lift cylinder upper

2шт.

1/2 X 1-1/4 MACH BOLT W/NUT

4шт.

3/16 X 1 COTTER PIN

2шт.

654415R1

PIN,1/2" x 3 3/4"

1/2 X 3-3/4 DLD PIN

2шт.

1/2 LOCK WASHER

4шт.

20

627415R1

ARM, upper

1шт.

3/32 X 3/4 COTTER PIN

1шт.

114785

3/8 X 1-3/32 ROD END PIN

1шт.

3/8 X 1 CAP SCREW

1шт.

3/8 LOCK WASHER

1шт.

21

634769R1

KNOB, control, Serial no. 7223 and below

1шт.

21

163574C1

KNOB

control, Serial no. 7224 and above

1шт.

22

627430R1

LEVER, control, Serial no. 7223 and below

1шт.

350515R1

WASHER

21/32 X 1 X 16 GA WASHER

3шт.

22

939246R1

LEVER, hydraulic reel lift control, Serial no. 7224 and above

1шт.

23

28459KA

WASHER

upper arm

1шт.

24

627431R1

ROD, vertical control, Serial no. 7223 and below

1шт.

24

627416R1

ROD, vertical control, Serial no. 7224 and above

1шт.

25

627414R1

BELLCRANK, lower

1шт.

1/8 X 1 COTTER PIN

1шт.

26

576015R1

SPACER,7/8" Tube x 11/16"

1шт.

27

558506R1

SPACER

1шт.

28

104039

ADJUSTABLE CLEVIS,1/2"-20 x 3"

CLEVIS, 1/2

1шт.

29

633461R1

ROD, rear control, Serial no. 7223 and below

1шт.

1/2-20NF C-Z NUT

2шт.

1/8 X 1 COTTER PIN

1шт.

103498

CLEVIS PIN,1/2" x 1.360"

1/2 X 27/64 ROD END PIN

1шт.

60530H

CLEVIS PIN,3/8" x 1"

3/8 X 1 ROD END PIN

1шт.

3/32 X 3/4 COTTER PIN

1шт.

29

939236R1

ROD, hydraulic reel lift rear control, Serial no. 7224 and above

1шт.

1/2-20 NF C-Z JAM NUT

1шт.

3/32 X 3/4 COTTER PIN

1шт.

1/8 X 1 COTTER PIN

1шт.

103498

CLEVIS PIN,1/2" x 1.360"

1/2 X 1-27/64 ROD END PIN

1шт.

60560H

3/8 X 1 ROD END PIN

1шт.

30

SNAP RING, Order repair kit 609986R91

1шт.

31

O-RING, Order repair kit 609986R91

1шт.

32

WASHER, back-up, Order repair kit 609986R91

1шт.

33

SEAL ASSY, Order repair kit 609986R91

1шт.

34

609985R1

ROD

piston

1шт.

35

609984R91

BARREL ASSY

1шт.

36

610899R92

CYLINDER BLOCK

CYLINDER ASSY, slave

1шт.

37

634115R91

BRACKET W/SUPPORT, cylinder lift RH

1шт.

7/16 X 3/4 CRG BOLT W/NUT

1шт.

1/2 X 1 CRG BOLT W/NUT

1шт.

1/2 X 1-1/4 CRG BOLT W/NUT

1шт.

3/16 X 1 COTTER PIN

1шт.

LC175

PIN

1/2 X 2-1/2 DLD PIN

1шт.

7/16 LOCK WASHER

1шт.

1/2 LOCK WASHER

2шт.

17/32 X 1 X 16 GA WASHER

9шт.

38

9402864

ELBOW,90 Degree, 9/16"-18, 37 Degree x 1/4"-18, NPTF

slave cylinder

1шт.

39

589980R2

CLIP

5шт.

1/4 NUT

5шт.

1/4 X 3/4 CAP SCREW

5шт.

1/4 LOCK WASHER

5шт.

40

632022R11

TUBE W/NUT, sleeve and spud, lower RH crossover

1шт.

41

632023R22

TUBE W/NUT AND SLEEVE, upper RH crossover 0.375" OD, 111, 1.78" Length

1шт.

42

632456R22

TUBE W/SPUD, upper LH crossover 0.375" OD, 98.75" Length

1шт.

43

935542R11

TUBE W/SPUD, upper pressure

1шт.

44

632454R91

HYDRAULIC HOSE,0.31" ID x 30.00", SAE 100R1 Class B

HOSE ASSY, valve to upper tube

1шт.

45

587594R1

O-RING

valve

1шт.

46

587579R1

O-RING

valve

10шт.

47

628562R1

SUPPORT, clip

1шт.

48

252707R1

O-RING,0.103" Thk x 0.75" ID, -116, Cl 5, 75 Duro

3шт.

49

11002VA

WASHER

1шт.

50

588345R1

SLEEVE

spool

1шт.

51

588353R1

SPRING

spool centering

1шт.

52

557268R1

WASHER

1шт.

53

572998R1

SNAP RING

1шт.

54

588343R91

CAP ASSY

1шт.

5/16-24NF X 3/4 CAP SCREW

1шт.

5

369384R1

O-RING,0.072" Thk x 0.414" ID, -905, Cl 6, 90 Duro

5-1, 90 Duro, .414" ID x .072" Thk

1шт.

114493

JAM NUT,Jam, 5/16"-24, G5

1шт.

369384R1

O-RING,0.072" Thk x 0.414" ID, -905, Cl 6, 90 Duro

5-1, 90 Duro, .414" ID x .072" Thk

1шт.

55

588347R1

PLUG

1шт.

56

252739R1

O-RING,0.103" Thk x 0.487" ID, -112, Cl 5, 75 Duro

1шт.

57

574789R1

SPRING

lockout

1шт.

58

588351R91

VALVE

POPPET ASSY

1шт.

59

935586R1

PLUNGER, lockout

1шт.

60

632452R11

TUBE W/NUT, sleeve and spud, valve to hose 0.375" OD, 5.81, 2.03" Length

1шт.

61

587639R1

HYD CONNECTOR,9/16"-18, 37 Degree x 3/4"-18, O-Ring

CONNECTOR, valve

1шт.

62

570828R1

O-RING,0.087" Thk x 0.644" ID, -908, Cl 6, 90 Duro

valve port

1шт.

63

935585R92

VALVE ASSY, three way, Includes ref. nos. 48 thru 59, 62, 64, and 65

1шт.

5/16 X 6-1/2 C-Z CAP SCREW

3шт.

159644C91

KIT

seal repair, Consists of

1шт.

252739R1

O-RING,0.103" Thk x 0.487" ID, -112, Cl 5, 75 Duro

1шт.

310925R1

O-RING,0.103" Thk x 0.75" ID, -116, Cl 5, 75 Duro

2шт.

588351R1

POPPET

1шт.

64

588342R1

PLUG

hex.

1шт.

65

SPOOL, single action, Order valve assy 935585R91, Ref no. 63

1шт.

66

561529R2

CLIP

2шт.

1/4 NUT

2шт.

1/4 X 3/4 CAP SCREW

2шт.

1/4 LOCK WASHER

2шт.

67

632021R11

TUBE W/NUT, sleeve and spud, lower pressure

1шт.

68

632453R11

TUBE W/NUT, sleeve and spud, lower LH crossover

1шт.

69

395150R91

COUPLING, QUICK, FEM

COUPLING ASSY, self sealing female

1шт.

70

395149R1

QUICK MALE COUPLING

COUPLING ASSY, self sealing male

1шт.

71

935433R1

HYD CONNECTOR,9/16"-18, 37 Degree x 7/8"-14, O-Ring

CONNECTOR, self sealing coupling

2шт.

72

364885R1

O-RING,0.097" Thk x 0.755" ID, -910, Cl 6, 90 Duro

self sealing coupling connector

2шт.

73

935598R1

COUPLING, slave cylinder extension

1шт.

3/16 X 1 COTTER PIN

1шт.

465839R1

1/2 X 2-5/16 DLD PIN

1шт.

74

935599R1

COUPLING, master cylinder extension

1шт.

3/8 X 1 COTTER PIN

1шт.

465839R1

1/2 X 2-5/16 DLD PIN

1шт.

75

631162R1

LUBE NIPPLE

FITTING, crossover pipe spud

3шт.

76

164787C1

PLATE, orifice

1шт.

Выбрано товаров: 137