Запчасти Case IH 403 (208) - HYDRAULIC REEL DRIVE CHAIN REDUCTION DIAGRAM (58) - ATTACHMENTS/HEADERS

Схема запчастей Case IH 403 - (208) - HYDRAULIC REEL DRIVE CHAIN REDUCTION DIAGRAM (58) - ATTACHMENTS/HEADERS
45
25
5
14
9
3
61
40
72
74
22
5
10
75
5
58
7
37
6
27
9
30
5
53
29
6
20
2
7
34
65
5
62
47
8
6
18
42
44
38
3
7
5
66
28
71
6
21
1
9
51
21
60
7
13
2
17
68
7
20
63
33
19
16
32
9
5
52
56
9
36
7
24
12
12
43
6
15
49
46
11
5
9
7
69
5
31
23
75
59
55
5
5
26
41
67
70
9
53
6
35
5
57
7
73
76
4
64
48
54
54
50
39
5
FIT
1:1
100%

Артикул

Название

Примечание

Количество

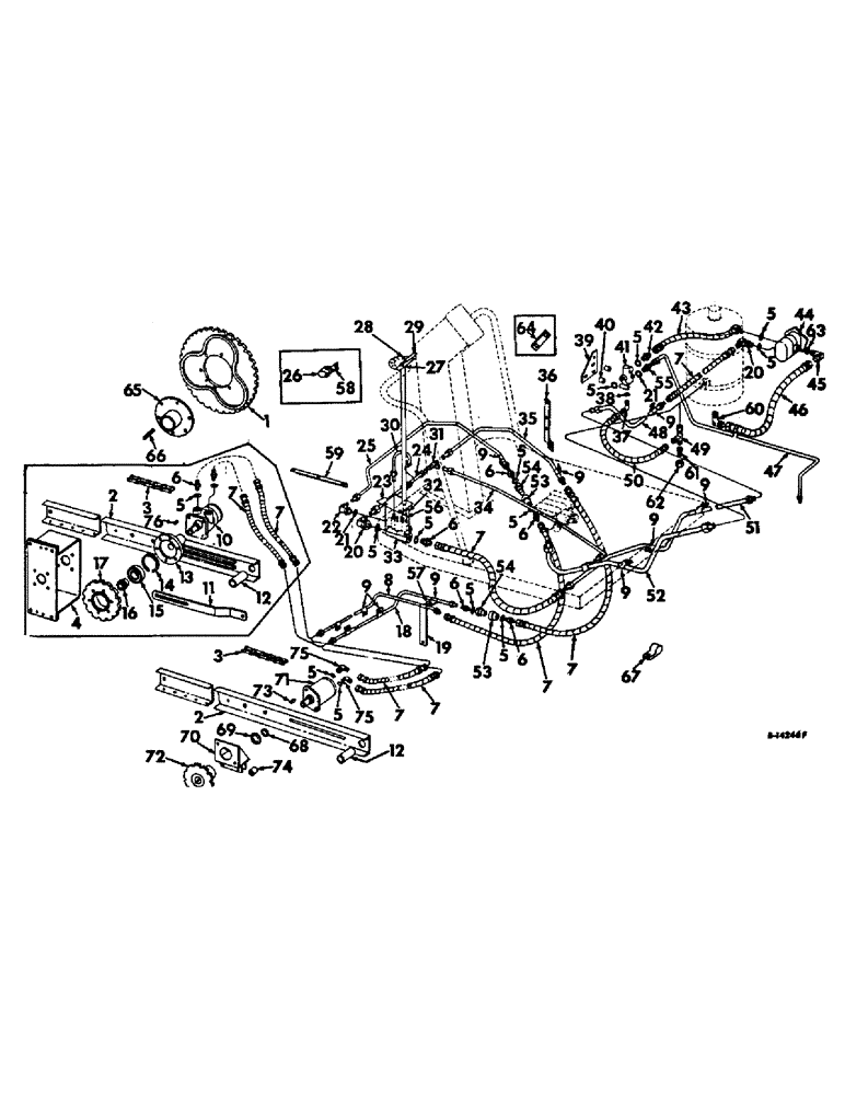
1

935676R1

SPROCKET, reel driven, 35-T

1шт.

18474R1

BOLT,Hex, 5/16" - 18 x 1", Gr 2

5/16 X 1 C-Z MACH BOLT W/NUT

6шт.

80681

LOCK WASHER,5/16"

WASHER, LOCK, 5/16"

6шт.

2

935657R91

ARM W/HUB, reel LH

1шт.

3

CHAIN, reel drive roller, Use 65 links of 1-1/2 extended pitch agricultural type roller chain from a 10-ft roll marked 569090R91, 5 connecting links 587368R91, one offset connecting link 567008R91 and 4 roller links 567006R91

1шт.

4

935939R91

BRACKET W/BAR, reel drive motor mounting, Serial no. 17486 and below

1шт.

1/2 X 1-1/2 C-Z MACH BOLT W/NUT

4шт.

5/8 X 1-3/4 C-Z MACH BOLT W/NUT

2шт.

5/16 X 5/8 ROLL PIN

2шт.

1/2 C-Z LOCK WASHER

4шт.

5/8 C-Z LOCK WASHER

2шт.

551177R1

WASHER

21/32 X 1-1/4 X 16 GA WASHER

4шт.

5

364885R1

O-RING,0.097" Thk x 0.755" ID, -910, Cl 6, 90 Duro

12шт.

6

481352R1

HYD CONNECTOR,3/4"-16, 37 Degree x 7/8"-14, O-Ring

CONNECTOR, 7/16-14 37 deg flared tube

5шт.

7

587582R91

HOSE ASSY.

HOSE ASSY, hydraulic

6шт.

8

935688R11

PIPE ASSY, reel drive upper

1шт.

9

587501R2

CLAMP

CLIP, hydraulic

1шт.

9

573099R2

CLIP

tube

1шт.

5/16 X 3/4 C-Z CRG BOLT W/NUT

1шт.

5/16 X 1 C-Z CRG BOLT W/NUT

1шт.

5/16 X 3/4 C-Z MACH BOLT W/NUT

1шт.

5/16 C-Z LOCK WASHER

1шт.

10

634733R91

HYDRAULIC MOTOR

MOTOR ASSY, hydraulic reel drive, Serial no. 17486 and below, For components see list of parts under details of hydraulic motor

1шт.

3/8 X 1-1/2 C-Z CAP SCREW

2шт.

3/8 C-Z LOCK WASHER

2шт.

11

935667R1

BRACKET, reel drive motor support, Serial no. 17486 and below

1шт.

12

516316R1

SPACER

reel arm LH channel, Serial no. 17486 and below

1шт.

13

935674R1

HUB, reel drive sprocket, Serial no. 17486 and below

1шт.

14

27073H

SNAP RING, reel drive sprocket, Serial no. 17486 and below

1шт.

15

658200R91

BEARING

reel drive sprocket, Serial no. 17486 and below

1шт.

16

935668R1

HUB, reel drive sprocket bearing, Serial no. 17486 and below

1шт.

7/8 X 2-3/4 C-Z MACH BOLT W/NUT

1шт.

7/8 C-Z LOCK WASHER

1шт.

619373R1

WASHER

29/32 X 2 X 7 GA WASHER

2шт.

17

935677R1

SPROCKET, reel drive, 14-T, Serial no. 17486 and below

1шт.

3/8 X 1-1/2 C-Z MACH BOLT W/NUT

6шт.

3/8 C-Z LOCK WASHER

6шт.

18

935687R11

PIPE ASSY, reel drive lower

1шт.

19

628562R1

SUPPORT, clip

1шт.

20

936450R91

ELBOW,90 Degree, 3/4"-16, 37 Degree x 7/8"-14, O-Ring

2шт.

21

570828R1

O-RING,0.087" Thk x 0.644" ID, -908, Cl 6, 90 Duro

For use with 1/2 OD tubing

2шт.

22

9410977

ELBOW,90 Degree, 3/4"-16, 37 Degree x 3/4"-16, O-Ring

1шт.

23

634767R92

MOUNTING W/INDICATOR ASSY, control handle, Serial no. 7223 and below

1шт.

23

939671R91

MOUNTING ASSY, reel drive control handle, Serial no. 7224 and above

1шт.

5/16 X 1/2 C-Z CRG BOLT W/NUT

1шт.

5/16 X 1 C-Z CRG BOLT W/NUT

2шт.

5/16 C-Z LOCK WASHER

3шт.

24

935701R91

PIPE ASSY, flow divider to return tee, Serial no. 7223 and below, Serial no. 2430 and below

1шт.

24

939672R91

PIPE ASSY, reel drive flow divider to return tee, Serial no. 7278 and above

1шт.

25

935644R11

PIPE ASSY, reel drive flow divider to feeder hose, Serial no. 7223 and below

1шт.

25

939679R91

TUBE ASSY, reel drive flow divider to feeder hose, Serial no. 7224 and above

1шт.

26

935671R1

BRACKET, control handle mounting, Serial no. 7223 and below

1шт.

1/4 X 1-1/4 C-Z CAP SCREW

1шт.

1/4 C-Z NUT

1шт.

1/4 C-Z LOCK WASHER

1шт.

27

634765R92

ARM W/HANDLE ASSY, control valve, Serial no. 7273 and below

1шт.

27

939708R91

HANDLE ASSY, control valve, Serial no. 7278 and above

1шт.

28

634980R1

STOP, flow control valve handle

1шт.

1/4 C-Z NUT

1шт.

1/4 C-Z LOCK WASHER

1шт.

29

634976R1

GRIP, flow control valve handle, White, Serial no. 7223 and below

1шт.

29

939928R1

GRIP, control valve handle, Black, Serial no. 7278 and above

1шт.

30

935702R11

PIPE ASSY, flow divider relief valve return

1шт.

31

9402982

TEE,3/4"-16, 37 Degree

3/4

1шт.

9403528

TUBE NUT,37 Degree, 3/4"-16, Type B

NUT, 3/4, Serial no. 3250 and below

1шт.

9403400

REDUCER,37 Degree, 1/2" x 3/8" Tube

Serial no. 3250 and below

1шт.

32

634781R1

BRACKET, reel drive flow divider support, Serial no. 7223 and below

1шт.

32

939681R1

BRACKET, reel drive flow divider support, Serial no. 7224 and above

1шт.

1/4 C-Z NUT

2шт.

1/4 X 2-1/4 C-Z CAP SCREW

2шт.

1/4 C-Z LOCK WASHER

2шт.

33

634743R91

DIVIDER ASSY, flow, For components see list of parts under details of flow divider

1шт.

1/8 X 1-1/4 COTTER PIN

1шт.

1/4 X 1 ROLL PIN

1шт.

34

935684R11

PIPE ASSY, reel drive return to platform lift return, Serial no. 7223 and below

1шт.

34

939680R91

PIPE ASSY, reel drive return to platform lift return, Serial no. 7224 and below

1шт.

35

935645R11

PIPE ASSY, reel drive to tee return, Serial no. 7223 and below

1шт.

35

939677R91

PIPE ASSY, reel drive to tee return, Serial no. 7224 and above

1шт.

36

935642R1

BRACKET, hydraulic tube holder on operators deck

1шт.

37

9410976

ELBOW,90 Degree, 9/16"-18, 37 Degree x 9/16"-18, O-Ring

1шт.

38

364839R1

O-RING,0.078" Thk x 0.468" ID, -906, Cl 6, 90 Duro

6-1, 90 Duro, .468" ID x .078" Thk

1шт.

39

653903R1

BRACKET, flow divider mount

1шт.

1/4 X 2-3/4 C-Z CRG BOLT W/NUT

2шт.

3/8 X 1 C-Z CRG BOLT

2шт.

1/4 C-Z LOCK WASHER

2шт.

40

U13039

SPACER

flow divider mount bracket

2шт.

41

570830R91

FLOW DIVIDER ASSY, For components see list of parts under details of flow divider

1шт.

42

9410204

HYD CONNECTOR,7/8"-14, 37 Degree x 7/8"-14, O-Ring

CONNECTOR

1шт.

43

653319R91

HOSE ASSY, flow, Serial Range: divider-pump

1шт.

44

632862R91

PUMP ASSY, hydraulic, For components see list of parts under details of hydraulic pump, Serial no. 9956 and below

1шт.

44

154680C92

PUMP

ASSY, hyd, For components see list of parts under details of hydraulic pump, Serial no. 9957 and above

1шт.

45

9402867

ELBOW,90 Degree, 1 1/16"-12, 37 Degree x 3/4"-14, NPTF

Serial no. 9956 and below

1шт.

45

9410981

ELBOW,90 Degree, 1 5/16"-12, 37 Degree x 1 5/16"-12, O-Ring

Serial no. 9957 and above

1шт.

46

935703R91

HOSE ASSY, suction, Serial no. 9956 and below

1шт.

46

154683C91

HOSE ASSY, suction 38 in., Serial no. 9957 and above

1шт.

47

937575R11

PIPE ASSY, steering upper pressure, Serial no. 7223 and below

1шт.

47

654581R11

TUBE ASSY, steering flow divider to steering valve, Serial no. 7224 and above

1шт.

48

935686R11

PIPE ASSY, pump to flow divider upper

1шт.

49

9411133

TEE,1 1/16"-12, 37 Degree x 1 1/16"-12, O-Ring run

Serial no. 7224 and above

1шт.

49

9410332

TEE,37 Degree, 9/16"-18, x 9/16"-18, Fem Sw Run

Serial no. 7223 and below

1шт.

50

632455R91

HOSE

ASSY, flow divider to return tee

1шт.

51

935689R11

PIPE ASSY, pump to flow divider flow, Serial no. 7223 and below

1шт.

51

939676R91

PIPE ASSY, pump to flow divider lower, Serial no. 7224 and above

1шт.

52

935685R91

PIPE ASSY, platform lift front return, Serial no. 7223 and below

1шт.

52

935673R91

TUBE ASSY, platform lift front return, Serial no. 7224 and above

1шт.

53

395150R91

COUPLING, QUICK, FEM

COUPLING ASSY, self sealing female

2шт.

54

395149R91

COUPLING

ASSY, self sealing male

2шт.

55

587639R1

HYD CONNECTOR,9/16"-18, 37 Degree x 3/4"-18, O-Ring

CONNECTOR

1шт.

56

634762R1

COLLAR, control valve

1шт.

1/8 X 1-1/4 COTTER PIN

1шт.

1/4 X 1 ROLL PIN

1шт.

57

567711R1

STRIP, hydraulic tube clip holder

1шт.

5/16 NUT

2шт.

5/16 X 3/4 CAP SCREW

2шт.

5/16 LOCK WASHER

2шт.

58

634824R1

U-BOLT, control to rail support, Serial no. 7223 and below

1шт.

1/4 NUT

2шт.

1/4 LOCK WASHER

2шт.

59

939688R1

ANGLE, control support, Serial no. 7224 and above

1шт.

12872R1

BOLT,Short NK, 5/16"-18 x 1", G2, Full Thd

CARRIAGE, Short NK, 5/16"-18 x 1", G2, Full Thd

2шт.

120376

NUT,5/16"-18, G5

2шт.

80681

LOCK WASHER,5/16"

WASHER, LOCK, 5/16"

2шт.

60

9410979

ELBOW,90 Degree, 1 1/16"-12, 37 Degree x 1 1/16"-12, O-Ring

reservoir suction, Serial no. 7224 to 9956

1шт.

60

9410981

ELBOW,90 Degree, 1 5/16"-12, 37 Degree x 1 5/16"-12, O-Ring

reservoir suction, Serial no. 9957 and above

1шт.

61

9403404

ROD, CONNECTING,37 Degree, 3/4" x 3/8" Tube

REDUCER, Serial no. 7224 and above

1шт.

62

9403530

TUBE NUT,37 Degree, 1 1/16"-12, Type B

NUT, Serial no. 7224 and above

1шт.

63

296247

O-RING, For 1 in. OD tubing, Serial no. 9957 and above

1шт.

64

154987C1

STRAP, steering flow divider pad, Serial no. 9957 and above

1шт.

65

164318C91

HUB ASSY, reel driven sprocket, For use w/Harrison pickup reel, reel driven sprocket attachment, Serial no. 13063 and above

1шт.

124829

JAM NUT,Hex, 3/8" - 16, Gr 5

2шт.

184635

3/8 X 1 C-Z SQ-HD CUP-PT SET SCREW

1шт.

66

586879R1

KEY

5/16 x 2 sq-parrell, For use w/Harrison pickup reel, reel driven sprocket attachment

1шт.

67

633125R2

CLAMP

CLIP

1шт.

68

878304C1

O-RING -242, Cl 8, 3.984" ID x .139" Thk

2шт.

69

168639C91

SEAL

dust

1шт.

70

160988C91

SUPPORT

BRACKET ASSY, reel drive motor mounting, Serial no. 17487 and above

1шт.

71

160455C91

MOTOR

ASSY, hydraulic reel drive, Serial no. 17487 and above

1шт.

72

160985C1

SPROCKET, reel drive 11-T, Serial no. 17487 and above

1шт.

73

113782

KEY

1/4 x 1 Woodruff

1шт.

74

164824C1

SPACER, reel drive motor mount support

2шт.

75

574874R91

ELBOW

7/16-14 37 deg flared tube 90 deg

2шт.

76

153865C1

KEY, 3/16 x 1 Woodruff

1шт.

168620C91

KIT ASSY, motor repair, For 160455R91 motor assy

1шт.

Выбрано товаров: 143