Запчасти Case IH 403 (279) - WINDROW PICKUP, BELT TYPE, BASIC AND RUNNER (58) - ATTACHMENTS/HEADERS

Схема запчастей Case IH 403 - (279) - WINDROW PICKUP, BELT TYPE, BASIC AND RUNNER (58) - ATTACHMENTS/HEADERS
38
62
68
29
22
58
28
60
39
21
63
24
57
23
73
54
37
46
70
49
47
48
35
43
25
67
56
51
42
69
50
27
17
23
15
40
61
31
18
64
44
14
16
55
53
52
30
32
59
74
19
45
33
71
66
20
34
65
41
72
26
36
FIT
1:1
100%

Артикул

Название

Примечание

Количество

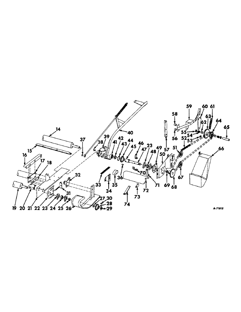
1

587819R1

SHIELD, knife guard, 12-ft platforms

1шт.

1

587836R1

SHIELD, knife guard, 14-ft platforms

1шт.

1

587838R1

SHIELD, knife guard, 16-ft platforms

1шт.

5/16 X 1/2 CRG BOLT W/NUT

1шт.

5/16 LOCK WASHER

1шт.

2

23658K

CLIP, knife guard shield, 12-ft, 14-ft, and 16-ft platforms

1шт.

3

626629R1

ROD, balance spring

2шт.

7/16 NUT

4шт.

PO10534

WASHER

15/32 X 1-1/4 X 11 GA WASHER

4шт.

4

632564R1

SPRING, balance

2шт.

5

626671R92

SUPPORT W/PAD, pickup RH

1шт.

3/8 X 1 CRG BOLT W/NUT

2шт.

3/8 X 1-3/4 CRG BOLT W/NUT

2шт.

3/8 LOCK WASHER

4шт.

6

155772C91

APRON

DRAPER ASSY, pickup

3шт.

1/4 X 1/2 MACH BOLT

240шт.

631652R1

NUT

SPRING ANCHOR NUT

240шт.

7

626679R1

ELECTRICAL WIRE

PIN, draper lacing

3шт.

8

626640R1

GUARD, draper center

5шт.

5/16 X 3/4 CRG BOLT W/NUT

10шт.

5/16 LOCK WASHER

10шт.

9

626741R1

CLAMP

BRACKET, finger retainer

120шт.

10

626742R1

SPRING

FINGER, pickup

120шт.

11

626632R1

SPRING WASHER

SPACER, spring bolt

240шт.

12

631652R1

NUT

spring anchor

240шт.

13

626745R1

STRIPPER, pickup finger RH

1шт.

3/8 X 1 CRG BOLT W/NUT

7шт.

3/8 X 1-3/4 CRG BOLT W/NUT

7шт.

3/8 LOCK WASHER

14шт.

14

626645R91

ROLLER W/PLATE AND SHAFT, upper

1шт.

1-1/32 X 1-3/4 X 22 GA WASHER

4шт.

15

626744R1

STRIPPER, pickup finger LH

1шт.

3/8 X 1 CRG BOLT W/NUT

6шт.

3/8 X 1-3/4 CRG BOLT W/NUT

6шт.

3/8 LOCK WASHER

12шт.

615098R1

WASHER

17/32 X 1-3/4 X 16 GA WASHER

1шт.

16

626641R1

GUIDE, draper LH outer

1шт.

16

626642R1

GUIDE, draper RH outer

1шт.

5/16 X 3/4 CRG BOLT W/NUT

2шт.

5/16 LOCK WASHER

2шт.

17

626674R91

STIFFENER W/PLATE, packup frame

1шт.

7/16 X 1-1/4 MACH BOLT W/NUT

8шт.

7/16 LOCK WASHER

8шт.

18

626631R1

FILLER, stiffener frame end plate

2шт.

19

626651R93

ROLLER W/PLATE AND SHAFT ASSY, lower

1шт.

1-1/32 X 1-3/4 X 22 GA WASHER

2шт.

1-1/32 X 1-3/4 X 16 GA WASHER

2шт.

20

626680R1

BRACKET, runner pivot

1шт.

5/16 X 3/4 CRG BOLT W/NUT

8шт.

5/16 LOCK WASHER

8шт.

21

626682R91

PLATE W/HOUSING, LH side

1шт.

21

626683R91

PLATE W/HOUSING, RH side

1шт.

5/16 X 3/4 CRG BOLT W/NUT

4шт.

7/16 X 1-3/4 MACH BOLT W/NUT

2шт.

5/16 LOCK WASHER

4шт.

7/16 LOCK WASHER

2шт.

11/32 X 1 X 16 GA WASHER

4шт.

22

626655R91

PLATE W/BOLT, lower roller adjusting

2шт.

5/16 NUT

6шт.

7/16 NUT

4шт.

114663

SCREW,Sl Flat Hd, 5/16" - 18 x 3/4"

5/16 X 3/4 SLT-FL-HD SCREW

6шт.

5/16 LOCK WASHER

6шт.

23

571424R1

FLANGE

bearing

4шт.

24

455101R91

BEARING

ball

2шт.

25

455102R11

COLLAR

W/SET SCREW ASSY

2шт.

83-1254

SET SCREW,Hex Soc, 1/4"-20 x 1/4"

1/4 X 1/4 CUP-PT SET SCREW

2шт.

26

626658R91

RUNNER W/EXTENSION AND PIVOT ASSY, LH

1шт.

26

626659R91

RUNNER W/EXTENSION AND PIVOT ASSY, RH

1шт.

27

551553R1

SPACER, lower roll LH shaft

1шт.

28

631590R91

SPROCKET W/HUB, lower driven

1шт.

29

16290K

CONCAVE

COLLAR, lower roll LH shaft

1шт.

3/16 X 1-1/2 COTTER PIN

1шт.

30

113782

KEY

1/4 x 1 Woodruff

1шт.

31

626628R1

BRACKET, lower roll tightener

2шт.

3/8 X 1 CRG BOLT W/NUT

4шт.

7/16 X 1-1/4 BOLT W/NUT

4шт.

3/8 LOCK WASHER

4шт.

7/16 LOCK WASHER

4шт.

32

626638R1

BRACKET, runner rear support, LH

1шт.

32

626639R1

BRACKET, runner rear support, RH

1шт.

3/8 X 3/4 CRG BOLT W/NUT

4шт.

3/8 LOCK WASHER

4шт.

33

CHAIN, lower roll drive roller, 5/8 pitch standard, Use 83 links from a 10-ft roll marked 1791D, 1 roller link 1309D, 2 connecting links 1310D and 1 offset connecting link 1360D

1шт.

34

631593R1

BRACKET, lower roll drive chain tightener

1шт.

35

575874R1

BLOCK

lower roll drive chain tightener

1шт.

5/16 X 2 CRG BOLT W/NUT

1шт.

5/16 LOCK WASHER

1шт.

11/32 X 1 X 16 GA WASHER

1шт.

36

NLS

NO LONGER SERVICED

1/4 x 1 Woodruff

1шт.

37

626630R1

BUSHING, balance spring rod

2шт.

38

16964R91

FITTING

1/4 90 deg. elbow lubrication

2шт.

39

626636R1

BRACKET, pivot

2шт.

7/16 X 1-1/4 CRG BOLT W/NUT

4шт.

7/16 LOCK WASHER

4шт.

40

626666R91

SUPPORT W/PAD, pickup LH

1шт.

3/8 X 1 CRG BOLT W/NUT

2шт.

3/8 X 1-3/4 CRG BOLT W/NUT

2шт.

3/8 LOCK WASHER

4шт.

41

455101R91

BEARING

ball

2шт.

42

455102R11

COLLAR

W/SET SCREW ASSY

2шт.

83-1254

SET SCREW,Hex Soc, 1/4"-20 x 1/4"

1/4 X 1/4 CUP-PT SET SCREW

2шт.

43

583564R1

SNAP RING,#250, 2.356, Ext

upper roll bearing

2шт.

44

631594R91

SPROCKET W/HUB, lower roll drive

1шт.

45

626627R1

COUPLING, drive shaft

1шт.

1/8 X 3/4 COTTER PIN

4шт.

27544K

DRIVE SHAFT COUPLING PIN

1шт.

46

NOT USED

1шт.

47

626711R1

JACKSHAFT, upper roller, 12-ft. platform

1шт.

47

626712R1

JACKSHAFT, upper roller, 14-ft. platform

1шт.

47

626713R1

JACKSHAFT, upper roller, 16-ft. platform

1шт.

48

455965R91

BALL BEARING,1.0005" ID x 52 mm OD x 15 mm

ball

1шт.

49

626633R1

BRACKET, jackshaft bearing

1шт.

5/16 X 3/4 CRG BOLT W/NUT

5шт.

5/16 LOCK WASHER

5шт.

50

629033R91

BRACKET W/STRAP, jackshaft drive inner bearing

1шт.

5/16 X 3/4 CRG BOLT W/NUT

6шт.

5/16 X 1 CRG BOLT W/NUT

1шт.

1/4 NUT

1шт.

113959

SCREW,Sl Rnd Hd, 1/4" - 20 x 1"

1/4 X 1 SLT-RD-HD SCREW

1шт.

1/4 LOCK WASHER

1шт.

5/16 LOCK WASHER

6шт.

11/32 X 3/4 X 16 GA WASHER

2шт.

51

565336R91

BEARING

SPROCKET ASSY, jackshaft drive chain idler, Optional for sprocket assy 565511R91

1шт.

51

563511R91

SPROCKET ASSY, jackshaft drive chain idler, Optional for sprocket assy 565336R91

1шт.

1/2 X 2-1/4 CRG BOLT W/NUT

1шт.

1/2 LOCK WASHER

1шт.

17/32 X 1 X 16 GA WASHER

6шт.

17/32 X 1 X 11 GA WASHER

1шт.

575811R1

WASHER

23/32 X 1-1/4 X 16 GA WASHER

1шт.

52

CHAIN, pickup roller drive, Use 75 links from a 10-ft roll marked 569088R91, 2 roller links 457112R91, 1 offset connecting link 457114R91 and 3 connecting links 457113R91

1шт.

53

109461

LUBE NIPPLE,1/8"-27 x .66 lg

NIPPLE, LUBE, 1/8"-27 x .66 lg

1шт.

54

568029R91

BEARING ASSY,25.4mm ID x 35mm OD x 25.4mm W

BEARING, cylindrical roller unit

2шт.

55

557189R91

SEAL

OIL SEAL, drive sprocket

2шт.

56

588736R1

SPACER

sprocket support

1шт.

57

587874R1

STIFFENER, divider sheet

1шт.

58

12302N

SPACER,1/4" Pipe x 15/16"

sprocket support

3шт.

59

631606R91

BRACKET W/BRACE AND GUSSET, drive sprocket support

1шт.

3/8 X 3/4 CRG BOLT W/NUT

2шт.

5/16 X 1-3/4 MACH BOLT W/NUT

2шт.

5/16 X 2 MACH BOLT W/NUT

2шт.

5/16 LOCK WASHER

4шт.

3/8 LOCK WASHER

2шт.

60

631602R1

BRACKET, support front

1шт.

1/2 X 5-1/4 CRG BOLT W/NUT

1шт.

1/2 LOCK WASHER

1шт.

42585V

1-1/32 X 2-1/4 X 16 GA WASHER

2шт.

551179R1

1-1/32 X 2-1/4 X 22 GA WASHER

1шт.

1-1/32 X 1-3/4 X 22 GA WASHER

3шт.

1-25/32 X 2-1/2 X 11 GA WASHER

1шт.

61

CHAIN, auger drive roller extension, Use 5 links of 3/4 pitch roller chain, standard from a 10-ft roll marked 1793D, 1 connecting link 1317D, and 12-ft platforms

1шт.

62

561479R1

BEARING

RACE, cylinderical roller unit

2шт.

63

631596R91

SPROCKET W/HUB, pickup drive, 12-ft platforms

1шт.

1-25/32 X 2-1/2 X 11 GA WASHER

1шт.

64

631601R1

SPROCKET, pickup drive shaft driver, 27-T, regular

1шт.

64

634080R1

SPROCKET, pickup drive shaft driver, 24-T, regular

1шт.

64

631599R1

SPROCKET, driver 30-T, special fast speed

1шт.

64

631600R1

SPROCKET, drive 22-T, special flow speed

1шт.

65

567804R1

SLEEVE, pickup drive sprocket

1шт.

66

584283R91

SHIELD W/CLIP, slip clutch

1шт.

5/16 X 3/4 CRG BOLT W/NUT

3шт.

5/16 LOCK WASHER

3шт.

67

565336R91

BEARING

SPROCKET ASSY, jackshaft drive chain tightener, Optional for sprocket assy 565511R91

1шт.

67

565511R91

BEARING

SPROCKET ASSY, jackshaft drive chain tightener, Optional for sprocket assy 565336R91

1шт.

1/2 X 2-1/2 CRG BOLT W/NUT

1шт.

1/2 LOCK WASHER

1шт.

17/32 X 1 X 16 GA WASHER

9шт.

575811R1

WASHER

23/32 X 1-1/4 X 16 GA WASHER

1шт.

68

631605R1

SPROCKET, main drive 16-T

1шт.

1/8 X 3/4 COTTER PIN

1шт.

AB5331

5/16 X 2-1/8 DLD PIN

1шт.

69

455102R11

COLLAR

W/SET SCREW ASSY

1шт.

83-1254

SET SCREW,Hex Soc, 1/4"-20 x 1/4"

1/4 X 1/4 CUP-PT SET SCREW

1шт.

70

626733R1

STRAP, jackshaft shield RH

1шт.

71

634123R1

STRAP, jackshaft shield upper, less cutting

1шт.

3/8 X 3/4 CRG BOLT W/NUT

1шт.

3/8 LOCK WASHER

1шт.

72

626715R1

SHIELD, jackshaft, 12-ft platforms

1шт.

72

626716R1

SHIELD, jackshaft, 14-ft platforms

1шт.

72

626717R1

SHIELD, jackshaft, 16-ft platforms

1шт.

5/16 X 3/4 CRG BOLT W/NUT

1шт.

5/16 X 3/4 MACH BOLT W/NUT

1шт.

5/16 LOCK WASHER

2шт.

73

567852R1

STRAP, jackshaft shield LH

1шт.

5/16 X 3/4 MACH BOLT W/NUT

1шт.

5/16 LOCK WASHER

1шт.

11/32 X 1 X 16 GA WASHER

1шт.

74

626856R1

STRAP, jackshaft shield lower

2шт.

5/16 X 3/4 CRG BOLT W/NUT

2шт.

3/8 X 1 CRG BOLT W/NUT

19шт.

5/16 LOCK WASHER

2шт.

3/8 LCOK WASHER

19шт.

Выбрано товаров: 191