Запчасти Case IH 403 (283) - WINDROW PICKUP, BELT TYPE, 10-FT (58) - ATTACHMENTS/HEADERS

Схема запчастей Case IH 403 - (283) - WINDROW PICKUP, BELT TYPE, 10-FT (58) - ATTACHMENTS/HEADERS
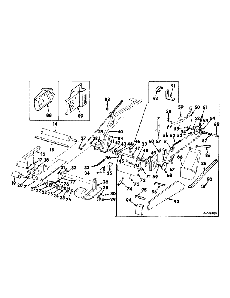
58
57
39
44
32
75
26
73
51
21
25
90
84
19
36
33
31
60
45
53
68
85
94
59
65
83
74
35
86
47
63
24
40
54
87
20
95
41
67
71
56
92
17
66
64
42
15
70
27
69
72
93
23
88
18
34
52
28
38
76
62
50
89
48
46
43
91
37
96
77
23
22
14
29
49
23
55
30
61
16
FIT
1:1
100%

Артикул

Название

Примечание

Количество

1

587819R1

SHIELD, knife guard, 12-ft platforms

1шт.

1

935460R1

SHIELD, knife guard, 13-ft platforms

1шт.

1

587836R1

SHIELD, knife guard, 14-ft platforms

1шт.

1

587838R1

SHIELD, knife guard, 16-ft platforms

1шт.

5/16 X 1/2 CRG BOLT W/NUT

1шт.

5/16 LOCK WASHER

1шт.

2

23658K

CLIP, knife guard shield, 12-ft, 13-ft, 14-ft, 16-ft and 18-ft platforms

1шт.

3

626629R1

ROD, balance spring

2шт.

7/16 NUT

4шт.

M86687

15/32 X 1-1/4 X 16 GA WASHER

4шт.

4

624160R1

SPRING

balance

2шт.

5

626671R92

SUPPORT W/PAD, pickup RH

1шт.

3/8 X 1 CRG BOLT W/NUT

2шт.

3/8 X 1-3/4 CRG BOLT W/NUT

2шт.

3/8 LOCK WASHER

4шт.

6

165472C92

APRON

ASSY, belt pickup (replaces 155772C91)

3шт.

1/4 X 5/8 MACH BOLT

240шт.

1/4 C-Z LOCK WASHER

240шт.

7

626679R1

ELECTRICAL WIRE

PIN, draper lacing

3шт.

8

935390R91

GUIDE

W/CLAMP, draper

5шт.

Q3429

DOWEL

5/16 X 3-1/2 DLD PIN

5шт.

1/8 X 3/4 COT. PIN

5шт.

Q397

WASHER

11/32 X 3/4 X 16 GA WASHER

5шт.

9

626741R1

CLAMP

BRACKET, finger retainer

120шт.

10

626742R1

SPRING

FINGER, pickup

120шт.

11

626632R1

SPRING WASHER

SPACER, spring bolt

240шт.

12

631652R1

NUT

spring anchor

240шт.

13

626745R1

STRIPPER, pickup finger RH

1шт.

3/8 X 1 CRG BOLT W/NUT

7шт.

3/8 X 1-3/4 CRG BOLT W/NUT

7шт.

3/8 LOCK WASHER

14шт.

14

626645R91

ROLLER W/PLATE AND SHAFT, upper

1шт.

1-1/32 X 1-3/4 X 22 GA WASHER

4шт.

15

626744R1

STRIPPER, pickup finger LH, grain

1шт.

3/8 X 1 CRG BOLT W/NUT

6шт.

3/8 X 1-3/4 CRG BOLT W/NUT

6шт.

3/8 LOCK WASHER

12шт.

615098R1

WASHER

17/32 X 1-3/4 X 16 GA WASHER

1шт.

16

626641R1

GUIDE, outer LH belt

1шт.

16

626642R1

GUIDE, outer RH belt

1шт.

5/16 X 3/4 CRG BOLT W/NUT

2шт.

5/16 LOCK WASHER

2шт.

17

935381R91

PIPE W/PLATE, pickup frame

1шт.

7/16 X 1-1/4 MACH BOLT W/NUT

4шт.

7/16 LOCK WASHER

4шт.

18

626631R1

FILLER, stiffener frame end plate

2шт.

19

935903R91

ROLLER W/PLATE AND SHAFT ASSY, lower

1шт.

Q116

WASHER

1-1/32 X 1-3/4 X 22 GA WASHER

3шт.

Q5036

WASHER

1-1/32 X 1-3/4 X 16 GA WASHER

3шт.

20

626680R1

BRACKET, runner pivot

1шт.

5/16 X 3/4 CRG BOLT W/NUT

8шт.

5/16 LOCK WASHER

8шт.

21

626682R92

PLATE W/HOUSING, LH side

1шт.

21

626683R92

PLATE W/HOUSING, RH side

1шт.

5/16 X 3/4 CRG BOLT W/NUT

4шт.

7/16 X 1-1/4 MACH BOLT W/NUT

2шт.

5/16 LOCK WASHER

4шт.

7/16 LOCK WASHER

2шт.

11/32 X 1 X 16 GA WASHER

4шт.

22

935377R1

RETAINER

HOUSING, lower roller brg

2шт.

NLS

NO LONGER SERVICED

5/16 X 1 SLT-FL-HD MACH SCREW

6шт.

114676

3/8 X 1-1/2 SLT-FL-HD MACH SCREW

2шт.

5/16 HEX. NUT

6шт.

3/8 HEX. NUT

2шт.

5/16 LOCK WASHER

6шт.

3/8 LOCK WASHER

2шт.

23

571424R1

FLANGE

bearing, chain drive

6шт.

24

455101R91

BEARING

ball

4шт.

25

455102R11

COLLAR

W/SET SCREW ASSY

2шт.

83-1254

SET SCREW,Hex Soc, 1/4"-20 x 1/4"

1/4 X 1/4 CUP-PT SET SCREW

2шт.

26

626658R91

RUNNER W/EXTENSION AND PIVOT ASSY, LH

1шт.

26

626659R91

RUNNER W/EXTENSION AND PIVOT ASSY, RH

1шт.

27

935378R1

RETAINER, lower roll bearing housing

2шт.

5/16 X 1/2 MACH BOLT

4шт.

5/16 LOCK WASHER

4шт.

28

631590R91

SPROCKET W/HUB, lower driven

1шт.

29

16290K

CONCAVE

COLLAR, lower roll LH shaft

1шт.

3/16 X 1-1/2 COTTER PIN

1шт.

30

113782

KEY

1/4 x 1 Woodruff

1шт.

31

935379R1

BRACKET

ANGLE, lower roll tightener

2шт.

3/8 X 1 CRG BOLT W/NUT

4шт.

3/8 LOCK WASHER

4шт.

32

626638R1

BRACKET, runner rear support, LH

1шт.

32

626639R1

BRACKET, runner rear support, RH

1шт.

3/8 X 3/4 CRG BOLT W/NUT

4шт.

3/8 LOCK WASHER

4шт.

33

CHAIN, lower roll drive roll, 5/8 pitch standard, Use 83 links from a 10-ft roll marked 1791D, 1 roller link 1309D, 2 connecting links 1310D and 1 offset connecting link 1360D

1шт.

34

631593R1

BRACKET, lower roll drive chain tightener

1шт.

35

575874R1

BLOCK

lower roll drive chain tightener

1шт.

5/16 X 2 CRG BOLT W/NUT

1шт.

5/16 LOCK WASHER

1шт.

11/32 X 1 X 16 GA WASHER

1шт.

36

NLS

NO LONGER SERVICED

1/4 x 1 Woodruff

1шт.

37

626630R1

BUSHING, balance spring rod

2шт.

38

16964R91

FITTING

1/4 90 deg. elbow lubrication

2шт.

39

626636R1

HOUSING, pickup pivot

2шт.

7/16 X 1-1/4 CRG BOLT W/NUT

4шт.

7/16 LOCK WASHER

4шт.

40

626666R93

SUPPORT W/PAD, pickup LH

1шт.

3/8 X 1 CRG BOLT W/NUT

2шт.

3/8 X 1-3/4 CRG BOLT W/NUT

2шт.

3/8 LOCK WASHER

4шт.

41

455101R91

BEARING

ball

2шт.

42

455102R11

COLLAR

W/SET SCREW ASSY

2шт.

83-1254

SET SCREW,Hex Soc, 1/4"-20 x 1/4"

1/4 X 1/4 CUP-PT SET SCREW

2шт.

43

583564R1

SNAP RING,#250, 2.356, Ext

upper roll bearing

2шт.

44

631594R91

SPROCKET W/HUB, lower roll drive

1шт.

45

626627R1

COUPLING, drive shaft, chain drive

1шт.

1/8 X 3/4 COTTER PIN

4шт.

27544K

DRIVE SHAFT COUPLING PIN

1шт.

46

NOT USED

1шт.

47

626711R1

JACKSHAFT, upper roller, 12-ft platform, chain drive

1шт.

47

935457R1

JACKSHAFT, upper roller, 13-ft platform, chain drive

1шт.

47

626712R1

JACKSHAFT, upper roller, 14-ft platform, chain drive

1шт.

47

626713R1

JACKSHAFT, upper roller, 16-ft platform, chain drive

1шт.

48

455965R91

BALL BEARING,1.0005" ID x 52 mm OD x 15 mm

ball, chain drive

1шт.

49

626633

BRACKET, main drive bearing, grain, chain drive

1шт.

49

161464C1

BRACKET, main drive bearing, grass, Serial no. 16130 and above

1шт.

5/16 X 3/4 C-Z CRG BOLT W/NUT

8шт.

5/16 C-Z LOCK WASHER

8шт.

50

629033R91

BRACKET W/STRAP, jackshaft drive inner bearing, chain drive, Serial no. 9956 and below

1шт.

5/16 X 3/4 CRG BOLT W/NUT

6шт.

5/16 X 1 BOLT W/NUT

1шт.

1/4 NUT

1шт.

113959

SCREW,Sl Rnd Hd, 1/4" - 20 x 1"

1/4 X 1 SLT-RD-HD SCREW

1шт.

1/4 LOCK WASHER

1шт.

5/16 LOCK WASHER

6шт.

11/32 X 3/4 X 16 GA WASHER

2шт.

51

565336R91

BEARING

SPROCKET ASSY, jackshaft drive chain idler, Optional for sprocket assy 565511R91, chain drive

1шт.

51

563511R91

SPROCKET ASSY, jackshaft drive chain idler, Optional for sprocket assy 565336R91, chain drive

1шт.

1/2 X 2-1/4 CRG BOLT W/NUT

1шт.

1/2 LOCK WASHER

1шт.

17/32 X 1 X 16 GA WASHER

6шт.

17/32 X 1 X 11 GA WASHER

1шт.

575811R1

WASHER

23/32 X 1-1/4 X 16 GA WASHER

1шт.

52

CHAIN, pickup roller drive, Use 75 links from a 10-ft roll marked 569088R91, 2 roller links 457112R91, 1 offset connecting link 457113R91, chain drive, Serial no. 9956 and below

1шт.

52

CHAIN ASSY, pickup drive, Order 119 links of 5/8 in. pitch standard roller chain from a 10-ft roller marked 1791D four connecting links 1310D four offset connecting links 1315D and three roller links 1309D, Serial no. 9957 and above

1шт.

53

109461

LUBE NIPPLE,1/8"-27 x .66 lg

NIPPLE, LUBE, , Chain drive 1/8"-27 x .66 lg

1шт.

54

588736R1

SPACER

sprocket support, chain drive

1шт.

55

568029R91

BEARING ASSY,25.4mm ID x 35mm OD x 25.4mm W

BEARING, cylindrical roller unit, chain drive

2шт.

56

577189R91

OIL SEAL, drive sprocket, chain drive

2шт.

57

587874R1

STIFFENER, divider sheet, chain drive, Serial no. 13062 and below

1шт.

58

12302N

SPACER,1/4" Pipe x 15/16"

sprocket support, chain drive

2шт.

59

631606R91

BRACKET W/BRACE AND GUSSET, drive sprocket support, chain drive

1шт.

3/8 X 3/4 CRG BOLT W/NUT

2шт.

5/16 X 1-3/4 MACH BOLT W/NUT

2шт.

5/16 X 2 MACH BOLT W/NUT

2шт.

5/16 LOCK WASHER

4шт.

3/8 LOCK WASHER

2шт.

60

631602R1

BRACKET, support front, chain drive

1шт.

1/2 X 5-1/4 CRG BOLT W/NUT

1шт.

1/4 LOCK WASHER

1шт.

42585V

1-1/32 X 2-1/4 X 16 GA WASHER

2шт.

551179R1

1-1/32 X 2-1/4 X 22 GA WASHER

1шт.

1-1/32 X 1-3/4 X 22 GA WASHER

3шт.

1-25/32 X 2-1/2 X 11 GA WASHER, Serial no. 9956 and below

1шт.

60

155087C1

BRACKET, drive sprocket outer, chain drive, Serial no. 9957 and above

1шт.

1/2 X 5-1/2 C-Z CRG BOLT W/NUT

1шт.

1/2 C-Z LOCK WASHER

1шт.

551179R1

1-1/32 X 2-1/4 X 22 GA WASHER

1шт.

615089R1

17/32 X 1-3/4 X 16 GA WASHER

3шт.

42585B

1-1/32 X 2-1/4 X 16 GA WASHER

2шт.

61

CHAIN, auger drive roller extension, Use 5 links of 3/4 in. pitch roller chain, standard, from 10-ft roll marked 1793D, 1 connecting link 1317D, 12-ft and 13-ft platform, chain drive

1шт.

62

561479R1

BEARING

RACE, cylindrical roller unit, chain drive, Serial no. 9956 and below

2шт.

62

588997R91

RACE, roller brg, Serial no. 9957 and above

2шт.

63

631596R91

SPROCKET W/HUB, pickup drive, 12-ft and 13-ft platforms, chain drive, Serial no. 9956 and below

1шт.

63

155096C91

SPROCKET ASSY, pickup drive, Serial no. 9957 and above

1шт.

64

631601R1

SPROCKET, pickup drive shaft driver, 27-T, regular, chain drive, Serial no. 9956 and below

1шт.

64

155084C1

SPROCKET, pickup drive shaft driver, 22-T regular, Serial no. 9957 and above

1шт.

64

634080R1

SPROCKET, pickup drive shaft driver, 24-T, regular, chain drive, Serial no. 9956 and below

1шт.

64

155085C1

SPROCKET, pickup drive shaft driver, 25-T regular, Serial no. 9957 and above

1шт.

64

631599R1

SPROCKET, drive, 30-T, special fast speed, chain drive, Serial no. 9956 and below

1шт.

64

155104R1

SPROCKET, pickup drive shaft driver, special fast speed, chain drive, Serial no. 9957 and above

1шт.

64

631600R1

SPROCKET, driver, 22-T, special slow speed, chain drive, Serial no. 9956 and below

1шт.

64

155105C1

SPROCKET, pickup drive shaft drive, 20-T, special slow speed, Serial no. 9957 and above

1шт.

65

567804R1

SLEEVE, pickup drive sprocket, chain drive

1шт.

66

584283R91

SHIELD W/CLIP, slip clutch, chain drive, Serial no. 16129 and below

1шт.

5/16 X 3/4 CRG BOLT W/NUT

3шт.

5/16 LOCK WASHER

3шт.

67

565336R91

BEARING

SPROCKET ASSY, jackshaft drive chain tightener, Optional for sprocket assy 565511R91, chain drive

1шт.

67

565511R91

BEARING

SPROCKET ASSY, jackshaft drive chain tightener, Optional for sprocket assy 565336R91, chain drive, Serial no. 9956 and below

1шт.

67

565442R91

SPROCKET

ASSY, jackshaft drive chain tightener, Serial no. 9957 and above

1шт.

1/2 X 2-1/4 CRG BOLT W/NUT

1шт.

1/2 LOCK WASHER

1шт.

17/32 X 1 X 16 GA WASHER

9шт.

575811R1

WASHER

23/32 X 1-1/4 X 16 GA WASHER

1шт.

16038R1

WASHER

17/32 X 1 X 11 GA WASHER

1шт.

68

631605R1

SPROCKET, main drive, 16-T, chain drive

1шт.

1/8 X 3/4 COTTER PIN

1шт.

AB5331

5/16 X 2-1/8 DLD PIN, Serial no. 9956 and below

1шт.

68

155089C91

SPROCKET ASSY, pickup driven 29-T, grain, chain drive

1шт.

68

155099C91

SPROCKET ASSY, pickup driven 54-T, grass, chain drive, Serial no. 9957 and above

1шт.

V4941/2

PIN

5/16 X 2 DLD PIN

1шт.

1/8 X 3/4 COT. PIN

1шт.

69

455102R11

COLLAR

W/SET SCREW ASSY, chain drive

1шт.

83-1254

SET SCREW,Hex Soc, 1/4"-20 x 1/4"

1/4 X 1/4 CUP-PT SET SCREW

1шт.

70

626733R1

STRAP, jackshaft shield RH, chain drive

1шт.

71

634123R1

STRAP, jackshaft shield upper, less cutting, chain drive

1шт.

3/8 X 3/4 CRG BOLT W/NUT

1шт.

3/8 LOCK WASHER

1шт.

72

626715R1

SHIELD, jackshaft, 12-ft platforms, chain drive

1шт.

72

935456R1

SHIELD, jackshaft, 13-ft platforms, chain drive

1шт.

72

626716R1

SHIELD, jackshaft, 14-ft platforms, chain drive

1шт.

72

626717R1

SHIELD, jackshaft, 16-ft platforms, chain drive

1шт.

5/16 X 3/4 CRG BOLT W/NUT

1шт.

5/16 X 3/4 MACH BOLT W/NUT

1шт.

5/16 LOCK WASHER

2шт.

73

567852R1

STRAP, jackshaft shield LH, chain drive

1шт.

5/16 X 3/4 MACH BOLT W/NUT

1шт.

5/16 LOCK WASHER

1шт.

11/32 X 1 X 16 GA WASHER

1шт.

74

626856R1

STRAP, jackshaft shield lower, less cutting, chain drive

2шт.

5/16 X 3/4 CRG BOLT W/NUT

2шт.

3/8 X 1 CRG BOLT W/NUT

19шт.

5/16 LOCK WASHER

2шт.

3/8 LOCK WASHER

19шт.

75

573535R1

SHIM, lower roll bearing flange

2шт.

76

935380R1

BOLT,1/2" - 13 x 5.50"

roller tightener

2шт.

1/2 NUT

4шт.

Q5035

WASHER

17/32 X 1 X 16 GA WASHER

4шт.

77

585389R1

SPACER, roll tightener bolt

2шт.

78

NOT USED

1шт.

79

935388R1

CLAMP, center stiffener

2шт.

3/8 X 1 MACH BOLT W/NUT

2шт.

3/8 LOCK WASHER

2шт.

80

935389R1

COLLAR, center support, key to units, a - wind deflector, for use with gauge wheels

2шт.

1/8 X 3/4 COTTER PIN, key to units, a - wind deflector, for use with gauge wheels

1шт.

3/8 X 3-3/8 DLD PIN, key to units, a - wind deflector, for use with gauge wheels

1шт.

81

935387R1

ANGLE, cradle support, key to units, a - wind deflector, for use with gauge wheels

2шт.

82

935383R91

SUPPORT W/SPACER, center stiffener, key to units, a - wind deflector, for use with gauge wheels

1шт.

3/8 X 3/4 CRG BOLT W/NUT, key to units, a - wind deflector, for use with gauge wheels

2шт.

7/16 X 1 CRG BOLT W/NUT, key to units, a - wind deflector, for use with gauge wheels

2шт.

3/8 LOCK WASHER, key to units, a - wind deflector, for use with gauge wheels

2шт.

7/16 LOCK WASHER, key to units, a - wind deflector, for use with gauge wheels

2шт.

83

935402R1

GUIDE, balance spring rod, key to units, a - wind deflector, for use with gauge wheels

2шт.

1/4 X 1 MACH BOLT W/NUT, key to units, a - wind deflector, for use with gauge wheels

4шт.

1/4 LOCK WASHER, key to units, a - wind deflector, for use with gauge wheels

4шт.

84

935401R1

STRAP, pivot bracket, key to units, a - wind deflector, for use with gauge wheels

2шт.

85

155106C1

BRACE, main drive sprocket, chain drive, Serial no. 9957 to 16129, key to units, a - wind deflector, for use with gauge wheels

1шт.

1/2 X 1-1/4 MACH BOLT W/NUT, key to units, a - wind deflector, for use with gauge wheels

1шт.

1/2 LOCK WASHER, key to units, a - wind deflector, for use with gauge wheels

1шт.

85

161466C1

BRACE, main drive sprocket, Serial no. 16130 and above, key to units, a - wind deflector, for use with gauge wheels

1шт.

135270

SERRATED SCREW,5/16" - 18 x 3/4"

5/16 x 3/4 C-Z slt-truss-hd, key to units, a - wind deflector, for use with gauge wheels

2шт.

938017R1

FLANGE NUT,Flg, USR, 5/16"-18

5/16 C-Z flange lock, key to units, a - wind deflector, for use with gauge wheels

2шт.

86

155109C1

BRACKET, auger drive shield, chain drive, Serial no. 9957 and above, key to units, a - wind deflector, for use with gauge wheels

2шт.

87

155282C1

WASHER, drive shaft sprocket, chain drive, Serial no. 9957 and above, key to units, a - wind deflector, for use with gauge wheels

1шт.

88

155092C91

BRACKET ASSY, jackshaft drive inner, grain, main drive, Serial no. 9957 and above, key to units, a - wind deflector, for use with gauge wheels

1шт.

5/16 X 1-1/4 C-Z CRG BOLT W/NUT, key to units, a - wind deflector, for use with gauge wheels

1шт.

5/16 X 3/4 C-Z HEX-HD MACH W/NUT, key to units, a - wind deflector, for use with gauge wheels

1шт.

3/8 X 1-1/4 C-Z CRG BOLT W/NUT, key to units, a - wind deflector, for use with gauge wheels

1шт.

1/2 X 1-1/4 C-Z CRG BOLT W/NUT, key to units, a - wind deflector, for use with gauge wheels

2шт.

5/16 C-Z LOCK WASHER, key to units, a - wind deflector, for use with gauge wheels

3шт.

3/8 C-Z LOCK WASHER, key to units, a - wind deflector, for use with gauge wheels

1шт.

1/2 C-Z LOCK WASHER, key to units, a - wind deflector, for use with gauge wheels

2шт.

11/32 X 3/4 X 16 GA C-Z, key to units, a - wind deflector, for use with gauge wheels

1шт.

89

155101C91

BRACKET ASSY, jackshaft drive brg, grass, chain drive, Serial no. 9957 and above, key to units, a - wind deflector, for use with gauge wheels

1шт.

5/16 X 3/4 C-Z CRG BOLT W/NUT, key to units, a - wind deflector, for use with gauge wheels

3шт.

3/8 X 3/4 C-Z CRG BOLT W/NUT, key to units, a - wind deflector, for use with gauge wheels

3шт.

5/16 C-Z LOCK WASHER, key to units, a - wind deflector, for use with gauge wheels

3шт.

3/8 C-Z LOCK WASHER, key to units, a - wind deflector, for use with gauge wheels

3шт.

90

P2066

SPACER, auger drive shield, chain drive, Serial no. 9957 and above, key to units, a - wind deflector, for use with gauge wheels

1шт.

91

155709C1

ANGLE, chain tightener block, grain, key to units, a - wind deflector, for use with gauge wheels

1шт.

18494R1

BOLT,Hex, 3/8" - 16 x 1", Gr 2

3/8 X 1 C-Z HEX-HD MACH BOLT, key to units, a - wind deflector, for use with gauge wheels

1шт.

120377

NUT,3/8" - 16, Gr 5

Key to units, A- wind deflector, for use with gauge wheels 3/8"-16, G5

1шт.

120382

LOCK WASHER,Helical Spring, 3/8"

WASHER, LOCK, , Key to units, a- wind deflector, for use with gauge wheels 3/8"

1шт.

92

936878R1

BLOCK

chain tightener, grain, key to units, a - wind deflector, for use with gauge wheels

1шт.

17140R1

CARRIAGE BOLT,Short Nk, 1/2" - 13 x 1 1/4", Gr 2, Full Thd

1/2 X 1-1/4 C-Z SQ-NK CRG BOLT, key to units, a - wind deflector, for use with gauge wheels

1шт.

120387

WASHER,3/8" x 3/4" x .060"

1/2 C-Z HEX. NUT, key to units, a - wind deflector, for use with gauge wheels

1шт.

120384

WASHER,1/2"

LOCK, , Key to units, A - wind deflector, for use with gauge wheels 1/2"

1шт.

93

161467C1

SHIELD, slip clutch, chain drive, key to units, a - wind deflector, for use with gauge wheels

1шт.

94

161461C91

SHIELD ASSY, main drive front, key to units, a - wind deflector, for use with gauge wheels

1шт.

18764R1

HARDWARE,Hex, 5/16"-18 x 3/4", G2

BOLT, 5/16 x 3/4 C-Z hex-hd mach, key to units, a - wind deflector, for use with gauge wheels

1шт.

470-1258

SCREW,Slotted Pan Hd, 1/4"-20 x 1/2"

1/4 x 1/2 C-Z slt-pan-hd mach, key to units, a - wind deflector, for use with gauge wheels

4шт.

120376

NUT,5/16"-18, G5

Key to units, A- wind deflector, for use with gauge wheels 5/16"-18, G5

1шт.

120375

NUT,Hex, 1/4" - 20, Gr 5

Key to units, a - wind deflector, for use with gauge wheels 1/4"-20, G5

4шт.

80681

LOCK WASHER,5/16"

WASHER, LOCK, , Key to units, A- wind deflector, for use with gauge wheels 5/16"

1шт.

492-11025

LOCK WASHER,1/4"

WASHER, LOCK, , Key to units, A -wind deflector, for use with gauge wheels 1/4"

4шт.

95

161465C1

BRACKET, main drive shield front, key to units, a - wind deflector, for use with gauge wheels

1шт.

16897R1

CARRIAGE BOLT,Short Nk, 5/16" - 18 x 3/4", Gr 2, Full Thd

BOLT, 5/16 x 3/4 C-Z sq-nk crg, key to units, a - wind deflector, for use with gauge wheels

2шт.

17351R1

CARRIAGE BOLT,Short Sq Nk, 3/8" - 16 x 1", Gr 2

BOLT, 3/8 x 1 C-Z sq-nk crg, key to units, a - wind deflector, for use with gauge wheels

1шт.

120376

NUT,5/16"-18, G5

Key to units, A- wind deflector, for use with gauge wheels 5/16"-18, G5

2шт.

120377

NUT,3/8" - 16, Gr 5

Key to units, A- wind deflector, for use with gauge wheels 3/8"-16, G5

1шт.

80681

LOCK WASHER,5/16"

WASHER, LOCK, , Key to units, A- wind deflector, for use with gauge wheels 5/16"

2шт.

120382

LOCK WASHER,Helical Spring, 3/8"

WASHER, LOCK, , Key to units, a- wind deflector, for use with gauge wheels 3/8"

1шт.

96

163591C1

BRACE, pickup drive shield, key to units, a - wind deflector, for use with gauge wheels

1шт.

135270

SERRATED SCREW,5/16" - 18 x 3/4"

5/16 x 3/4 C-Z slt-truss-hd, key to units, a - wind deflector, for use with gauge wheels

2шт.

18764R1

HARDWARE,Hex, 5/16"-18 x 3/4", G2

BOLT, 5/16 x 3/4 C-Z hex-hd mach, key to units, a - wind deflector, for use with gauge wheels

2шт.

938017R1

FLANGE NUT,Flg, USR, 5/16"-18

5/16 C-Z flange lock, key to units, a - wind deflector, for use with gauge wheels

2шт.

120376

NUT,5/16"-18, G5

Key to units, A- wind deflector, for use with gauge wheels 5/16"-18, G5

2шт.

80681

LOCK WASHER,5/16"

WASHER, LOCK, , Key to units, A- wind deflector, for use with gauge wheels 5/16"

2шт.

Выбрано товаров: 290