Запчасти Case IH 403 (314) - GROUND EAR CORN FEED, SERIAL NO. 9957 AND ABOVE (88) - ACCESSORIES

Схема запчастей Case IH 403 - (314) - GROUND EAR CORN FEED, SERIAL NO. 9957 AND ABOVE (88) - ACCESSORIES
13
3
6
30
18
22
7
2
4
10
29
11
25
19
9
15
23
11
1
8
17
9
16
32
19
20
14
31
5
12
18
27
33
26
28
16
20
14
33
FIT
1:1
100%

Артикул

Название

Примечание

Количество

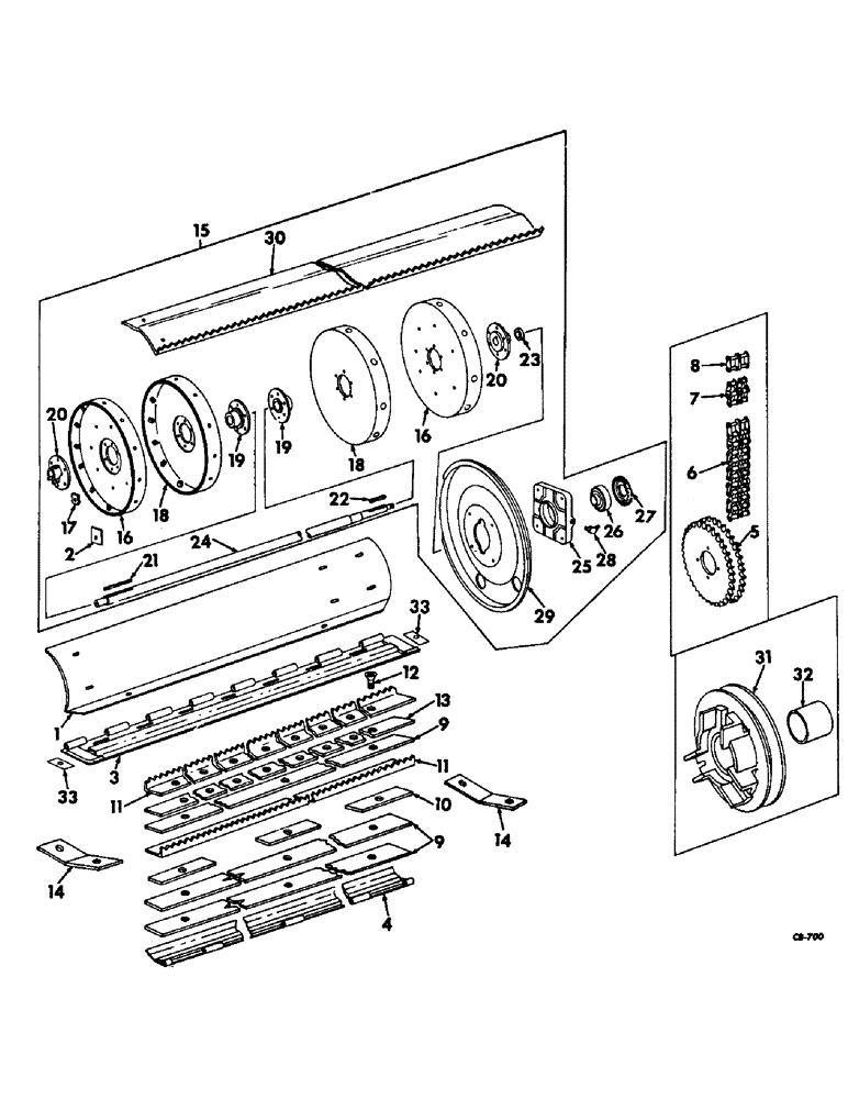
1

161715C91

SUPPORT ASSY, concave sawtooth bar, Serial no. 18142 and above

1шт.

181698

BOLT,Hex, 1/2" - 20 x 1 1/4", Gr 5

SCREW, 1/2 x 1-1/4 C-Z hex-hd cap

6шт.

120384

WASHER,1/2"

LOCK, 1/2"

6шт.

2

629903R1

BAR, balance weight

1шт.

3

159395C91

EXTENSION ASSY, concave front

1шт.

4

159492C11

EXTENSION ASSY, feeder frame bottom, For use w/corn heads only

1шт.

5

569582R2

SPROCKET, cylinder drive 48-T

1шт.

6

EXTENSION, cylinder drive chain, Use 11 links of 3/4 standard pitch double roller chain from a 10-ft roll marked 1355D, one two-pitch combination offset link 570988R91 and three spring clip connecting links 569206R91

1шт.

7

570988R91

DRAG LINK

LINK, 3/4 standard double pitch combination offset connecting

1шт.

8

569206R91

CHAIN LINK

LINK, 3/4 standard double pitch connecting

1шт.

9

155126C2

STRAP, concave filler, Serial no. 18141 and below

3шт.

17351

3/8 X 1 C-Z CRG BOLT W/NUT

9шт.

120382

LOCK WASHER,Helical Spring, 3/8"

WASHER, LOCK, 3/8"

9шт.

3587H

13/32 X 9/16 X 16 GA WASHER

27шт.

10

585209R1

WASHER, concave filler

9шт.

11

936367R1

ANGLE, sawtooth concave

2шт.

12

936339R1

BOLT, sawtooth concave angle

16шт.

18526R1

LOCK NUT,7/16"-14, GB

7/16-14 ESNA STOP NUT

16шт.

13

936370R2

STRAP, sawtooth concave angle tie

2шт.

14

936372R1

BRACE, sawtooth concave angle

8шт.

15

155600C91

CYLINDER ASSY, Includes ref nos. 16 thru 27, 29, 30 and 36

1шт.

16

155598C91

RETAINER ASSY, outer cylinder

2шт.

120377

NUT,3/8" - 16, Gr 5

Used as required for balance 3/8"-16, G5

1шт.

120382

LOCK WASHER,Helical Spring, 3/8"

WASHER, LOCK, , Used as required for balance 3/8"

1шт.

17

23760KA

STRIP, Used as required for balance

20шт.

18

155110C91

RETAINER ASSY, inner cylinder

3шт.

19

155119C91

HUB ASSY, cylinder retainer

1шт.

104098

RIVET,But Hd, 5/16" x 7/8"

5/16 x 7/8 b-hd

6шт.

20

156396C1

HUB CAP

HUB, cylinder

2шт.

18709R1

BOLT,Short NK, 1/2"-13 x 2 3/4", G2

1/2 X 2-3/4 C-Z CRG BOLT W/NUT

2шт.

120384

WASHER,1/2"

LOCK, 1/2"

2шт.

104099

RIVET,But Hd, 5/16" x 1"

5/16 x 1 b-hd

12шт.

21

Q1432

KEY,3/8" Sq x 5", Par

3/8 x 5 sq-parallel

1шт.

22

Q51

KEY,3/8" Sq x 2 1/2", Par

1шт.

23

155121C1

BUSHING, cylinder shaft spacer

1шт.

24

627714R11

SHAFT ASSY, cylinder

1шт.

427651

SLOTTED NUT,1"-14, G5

1-14NS SLT-HEX NUT

1шт.

103389

SPLIT PIN/SAFETY PIN,1/8" x 2"

Pin, Split (Cotter), 1/8" x 2"

1шт.

564708R1

1-21/32 X 2-1/2 X 5 GA WASHER

1шт.

10619P

1-21/32 X 2-1/4 X 16 GA WASHER

2шт.

25

939617R11

BOX

HOUSING ASSY, cylinder shaft bearing, Includes ref nos. 26 and 27

1шт.

26

939618R91

BEARING

ball

1шт.

27

939619R91

SEAL

SEAL ASSY, cylinder shaft

1шт.

28

332040

LUBE NIPPLE,90 Degree, 1/8" NPT x .84" lg

FITTING, 1/8 90 deg lubrication

1шт.

29

633514R91

PLATE ASSY, cylinder right hand

1шт.

120378

NUT,Hex, 1/2" - 13, Gr 5

NUT, 1/2"-13, G5

4шт.

120384

WASHER,1/2"

LOCK, 1/2"

4шт.

30

155118C11

BAR ASSY, sawtooth cylinder

12шт.

77746H

SCREW,Hex, 1/2" - 20 x 1 3/4", Gr 8

1/2-20 1-3/4 C-Z HEX-HD MACH SCREW

60шт.

138549

LOCK WASHER,Int Tooth, 1/2"

WASHER, LOCK, Int Tooth, 1/2"

60шт.

31

936394R1

PULLEY, elevator drive slip clutch

1шт.

32

627736R1

BUSHING

elevator drive slip clutch pulley

1шт.

33

159428C1

BAR, sawtooth bar brace spacer

1шт.

Выбрано товаров: 53