Запчасти Case IH 403 (051) - SEPARATOR, HOOD AND SERVICE LADDER (90) - PLATFORM, CAB, BODYWORK AND DECALS

Схема запчастей Case IH 403 - (051) - SEPARATOR, HOOD AND SERVICE LADDER (90) - PLATFORM, CAB, BODYWORK AND DECALS
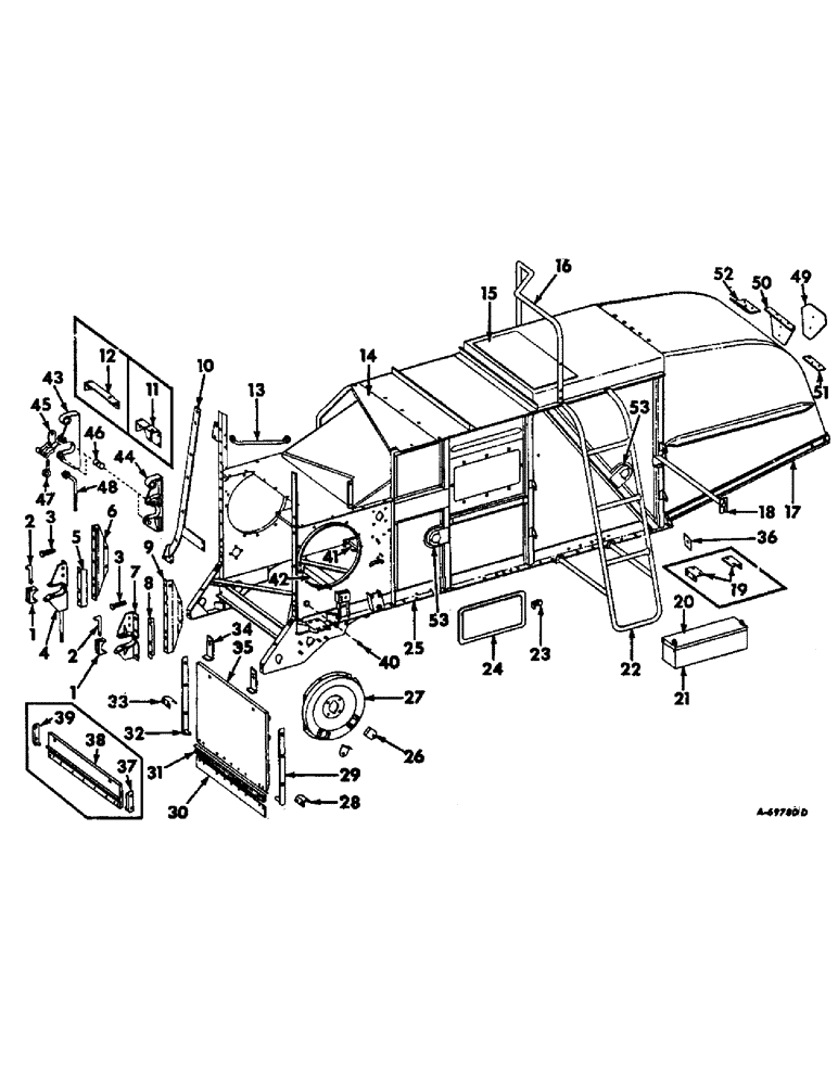
36
9
21
52
30
4
34
16
15
14
42
10
49
51
46
19
3
41
27
32
48
23
7
47
8
37
53
5
39
26
29
12
3
13
22
35
20
40
33
31
6
38
18
50
53
24
2
45
11
43
28
1
17
44
25
2
FIT
1:1
100%

Артикул

Название

Примечание

Количество

1

628332R1

BLOCK

RETAINER, feeder pivot shaft, Not for grain machines w/grain tank serial no. 19528 and above

2шт.

2

628846R1

PIN, feeder pivot bracket, Not for grain machines w/grain tank serial no. 19528 and above

2шт.

520175R1

CLIP

QUICK ATTACHABLE COTTER

2шт.

3

427566

BOLT,Hex, 1/2"-13 x 1 1/2", G8, Full Thd

feeder pivot bracket, Not for grain machines w/grain tank serial no. 19528 and above

8шт.

21330R1

NUT,1/2"-13, G8

1/2 C-Z HEX. TYPE 8 NUT

4шт.

1/2 LOCK WASHER

4шт.

20601R1

WASHER

17/32 X 1-1/4 X 11 GA C-Z WASHER

4шт.

487374R1

BEARING LOCK NUT,Flg, USR, 1/2"-13

1/2 FLANGE LOCK NUT

2шт.

4

628331R91

BRACKET W/BOLT, feeder pivot RH, Not for use with windrow special, Not for grain machines w/grain tank serial no. 19528 and above

1шт.

4

634200R91

BRACKET W/BOLT, feeder pivot RH, For use with windrow special

1шт.

280374

NUT,Hex, 5/8" - 11, Gr 5

5/8 C-Z HEX. NUT

2шт.

464623R1

WASHER

21/32 X 1-1/2 X 11 GA C-Z WASHER

2шт.

5

172262C1

SPACER

SEAL, feeder pivot plate RH, Not for grain machines w/grain tank serial no. 19528 and above

1шт.

6

654320R1

REINFORCEMENT, front post RH

1шт.

3/8 X 3/4 CRG BOLT W/NUT

2шт.

1/2 X 1 MACH BOLT W/NUT

1шт.

3/8 LOCK WASHER

2шт.

1/2 LOCK WASHER

1шт.

7

628323R91

BRACKET W/GUSSET, feeder pivot LH, Not for grain machines w/grain tank serial no. 19528 and above

1шт.

8

172261C1

SPACER

SEAL, feeder pivot plate LH, Not for grain machines w/grain tank tank serial no. 19528 and above

1шт.

9

654319R1

REINFORCEMENT, separator front post LH, Serial no. 2196 and above

1шт.

3/8 X 3/4 CRG BOLT W/NUT

2шт.

1/2 X 1 MACH BOLT W/NUT

1шт.

3/8 LOCK WASHER

1шт.

1/2 LOCK WASHER

1шт.

10

627889R91

BRACE W/PAD, Serial Range: separator-axle

1шт.

1/4 X 1-3/4 MACH BOLT

1шт.

1/2 X 1-1/4 CRG BOLT W/NUT

3шт.

1/2 X 1 MACH BOLT W/NUT

2шт.

1/2 X 1-1/4 MACH BOLT W/NUT

2шт.

1/4 CD-PLTD WING NUT

1шт.

5/8 X 1-1/4 CAP SCREW

2шт.

1/2 LOCK WASHER

2шт.

5/8 LOCK WASHER

2шт.

115551

LOCK WASHER,Int Tooth, 1/2"

WASHER, LOCK, Int Tooth, 1/2"

4шт.

11

NOT USED

1шт.

12

634336R91

GUSSET W/PLATE, separator to axle brace, For machines w/grain hopper

1шт.

7/16 X 1 CRG BOLT W/NUT

1шт.

1/2 X 1-1/4 CRG BOLT W/NUT

1шт.

7/16 X 1 NO. 3 PLOW BOLT

1шт.

7/16 LOCK WASHER

2шт.

1/2 LOCK WASHER

1шт.

13

633639R1

BRACE, separator to axle gusset, For machines w/grain hopper

1шт.

7/16 NUT

1шт.

7/16 X 1-1/4 CAP SCREW

1шт.

7/16 LOCK WASHER

1шт.

14

629843R1

EXTENSION

separator top

1шт.

5/16 X 3/4 CRG BOLT W/NUT

2шт.

118832

DRIVE BUSHING

NO. 10 X 1/2 SLT-RD-HD SELF-TAPPING SCREW

5шт.

5/16 LOCK WASHER

2шт.

15

568700R91

DOOR W/STIFFENER, separator top

1шт.

16

634387R1

HAND RAIL, service ladder

1шт.

5/16 X 1-1/2 MACH BOLT W/NUT

4шт.

5/16 LOCK WASHER

4шт.

17

627261R91

HOOD ASSY, separator, Serial no. 7223 and below

1шт.

17

938020R91

HOOD ASSY, separator, Serial no. 7224 and above, Not for straw chopper

1шт.

5/16 X 3/4 CAP SCREW

1шт.

5/16 X 1 CAP SCREW

1шт.

3/8 X 1/2 MACH BOLT W/NUT

1шт.

5/16 NUT

1шт.

5/16 LOCK WASHER

1шт.

3/8 LOCK WASHER

1шт.

Q397

WASHER

11/32 X 3/4 X 16 GA WASHER

1шт.

18

631201R91

TIE W/PAD, separator rear cross

1шт.

19

629776R1

BRACKET, tool box, For machines equipped with L.P. gas engines

2шт.

1/4 X 3/4 CRG BOLT W/NUT

4шт.

3/8 X 3/4 CRG BOLT W/NUT

4шт.

1/4 LOCK WASHER

4шт.

3/8 LOCK WASHER

4шт.

20

629769R1

TOP, tool box

1шт.

1/8 X 3/4 COTTER PIN

2шт.

557109R1

WASHER

17/64 X 1/2 X 16 GA WASHER

4шт.

21

629767R91

BOX W/TOP, tool

1шт.

1/4 X 1-1/4 MACH BOLT W/NUT

3шт.

1/4 X 1-3/4 MACH BOLT

1шт.

1/4 CD-PLTD WING NUT

1шт.

1/4 LOCK WASHER

4шт.

136661H

WASHER

17/64 X 1 X 16 GA WASHER

4шт.

22

628588R91

LADDER W/SIDE SERVICE, For machines w/grain hopper

1шт.

3/8 X 1-1/4 MACH BOLT W/NUT

2шт.

3/8 LOCK WASHER

2шт.

23

565449R1

CLIP

straw rack inspection door

16шт.

5/16 X 1 CRG BOLT W/NUT

16шт.

935736R1

NUT, WING

5/16 WING NUT

16шт.

5/16 LOCK WASHER

16шт.

24

568807R1

DOOR, straw rack inspection

2шт.

25

633601R91

CAB ASSY, separator, gasoline, diesel and windrow special, Serial no. 7223 and below

1шт.

25

938751R91

CAB ASSY, separator, gasoline, diesel and windrow special, Not hydrostatic ground drive, Serial no. 7224 and above

1шт.

25

633635R91

CAB ASSY, separator, LP gas, Serial no. 7223 and below

1шт.

25

150013C91

CAB ASSY, separator, LP gas, Not hydrostatic ground drive, Serial no. 7224 and above

1шт.

25

150754C91

BODY ASSY, separator, gasoline, diesel and windrow special, For hydrostatic ground drive

1шт.

25

150758C91

BODY ASSY, separator, LP gas, For hydrostatic ground drive

1шт.

5/16 X 1 CRG BOLT W/NUT

1шт.

3/8 X 3/4 CRG BOLT W/NUT

1шт.

7/16 X 1 CRG BOLT W/NUT

1шт.

1/2 X 1-1/2 CRG BOLT W/NUT

1шт.

1/2 X 1-1/2 CRG BOLT W/NUT

1шт.

3/8 X 1/2 MACH BOLT W/NUT

1шт.

3/8 X 1-1/4 MACH BOLT W/NUT

1шт.

3/8 X 1-3/4 MACH BOLT W/NUT

1шт.

3/8 X 4-3/4 MACH BOLT W/NUT

1шт.

1/2 X 1 MACH BOLT W/NUT

1шт.

1/2 X 1-1/2 MACH BOLT W/NUT

1шт.

1/2 X 2-3/4 MACH BOLT W/NUT

1шт.

5/8 X 1-1/2 MACH BOLT W/NUT

1шт.

3/4 X 1-3/4 MACH BOLT W/NUT

1шт.

1/4 NUT

1шт.

5/16 NUT

1шт.

3/8 NUT

1шт.

7/16 NUT

1шт.

1/2 NUT

1шт.

5/8 NUT

1шт.

935763R1

5/16 WING NUT

1шт.

9413944

NUT

5/8 STOVER LOCK NUT

1шт.

3/16 X 1 COTTER PIN

1шт.

1/8 X 3/4 COTTER PIN

1шт.

5/16 X 3 DLD PIN

1шт.

1/2 X 2DLD PIN

1шт.

1/4 X 3/4 CAP SCREW

1шт.

1/4 X 3/8 CAP SCREW

1шт.

1/4 X 1-1/2 CAP SCREW

1шт.

1/4 X 3-1/4 CAP SCREW

1шт.

1/4 X 3/8 STLD-RD-HD MACH SCREW

1шт.

7/16 X 5 CAP SCREW

1шт.

1/2 X 1-1/4 CAP SCREW

1шт.

364257R1

BOLT,Hex, 1/2" - 13 x 1 3/4", Gr 8

1/2 X 1-1/2 CAP SCREW

1шт.

1/2 X 1-3/4 CAP SCREW

1шт.

1/2 X 2 CAP SCREW

1шт.

5/8 X 1-1/2 CAP SCREW

1шт.

161068R1

BOLT,Spcl, Hex, 5/8" - 11 x 1 1/2"

5/8 X 1-3/4 CAP SCREW

1шт.

5/8 X 2 CAP SCREW

1шт.

5/16 X 1 HEX-HD SELF TAPPING SCREW

1шт.

1/4 LOCK WASHER

1шт.

5/16 LOCK WASHER

1шт.

7/16 LOCK WASHER

1шт.

3/8 LOCK WASHER

1шт.

1/2 LOCK WASHER

1шт.

5/8 LOCK WASHER

1шт.

115554

LOCK WASHER,Int Tooth, 3/4"

3/4 INTERNAL TOOTH LOCK WASHER

1шт.

11/32 X 3/4 X 16 GA WASHER

1шт.

13/32 X 3/4 X 16 GA WASHER

1шт.

17/32 X 1 X 11 GA WASHER

1шт.

38971H

17/32 X 1-3/4 X 11 GA WASHER

1шт.

551177R1

WASHER

21/32 X 1-1/4 X 16 GA WASHER

1шт.

575810R1

WASHER

21/32 X 1-1/2 X 11 GA WASHER

1шт.

26

633518R1

DOOR

concave inspection

4шт.

27

633513R91

DOOR W/GUIDE, cylinder LH

1шт.

27

633514R91

DOOR W/GUIDE, cylinder RH

1шт.

3/8 X 1/2 CRG BOLT W/NUT

2шт.

7/16 X 1 CRG BOLT W/NUT

1шт.

7/16 X 1-3/4 CRG BOLT W/NUT

1шт.

1/2 NUT

4шт.

3/8 LOCK WASHER

2шт.

7/16 LOCK WASHER

2шт.

1/2 LOCK WASHER

2шт.

28

569623R1

CLAMP

CLIP, cylinder door support LH

1шт.

1/4 X 1 SLT-RD-HD MACH SCREW

2шт.

1/4 NUT

2шт.

1/4 LOCK WASHER

2шт.

557109R1

WASHER

17/64 X 1/2 X 16 GA WASHER

2шт.

29

627705R91

RETAINER W/STUD, cylinder front door LH, Not for use with windrow special

1шт.

5/16 X 1 MACH BOLT

3шт.

5/16 LOCK WASHER

3шт.

30

568875R1

DOOR SEAL

cylinder door, Not windrow special

1шт.

31

569470R1

STRIP, cylinder door seal, Not windrow specail

1шт.

32

627706R91

SUPPORT

RETAINER W/STUD, cylinder front door RH, Not for use with windrow special

1шт.

5/16 X 1 MACH BOLT

3шт.

5/16 LOCK WASHER

3шт.

33

569624R1

CLAMP

CLIP, cylinder door support RH

1шт.

1/4 NUT

2шт.

1/4 X 1 SLT-RD-HD MACH SCREW

2шт.

1/4 LOCK WASHER

2шт.

557109R1

WASHER

17/64 X 1/2 X 16 GA WASHER

2шт.

34

569362R1

HANDLE, cylinder door

2шт.

35

627709R91

DOOR W/STIFFENER, cylinder front, Not for use with windrow special

1шт.

1/4 X 1 SLT-RD-HD MACH SCREW

7шт.

1/4 LOCK WASHER

7шт.

36

654045R1

SHIM, separator hood tie bracket

4шт.

37

634553R91

RETAINER W/STUD, cylinder front door LH, For use with windrow special

1шт.

5/16 X 3/4 MACH BOLT

2шт.

5/16 LOCK WASHER

2шт.

38

634549R91

DOOR W/STIFFENER, cylinder front, For use with windrow special

1шт.

39

634554R91

RETAINER W/STUD, cylinder front door RH, For use with windrow special

1шт.

5/16 X 3/4 MACH BOLT

2шт.

5/16 LOCK WASHER

2шт.

40

219-8

LUBE NIPPLE,1/4" - 28 NPTF

FITTING, 1/4 straight lubrication

1шт.

41

NOT USED

1шт.

42

NOT USED

1шт.

43

170709C1

SUPPORT, feeder pivot RH, For grain machines w/grain tank serial no. 19528 and above

1шт.

44

170708C1

SUPPORT, feeder pivot LH, For grain machines w/grain tank serial no. 19528 and above

1шт.

45

170706R1

CLAMP, feeder pivot, For grain machines w/grain tank serial no. 19528 and above

2шт.

170703C1

SCREW, 1/4 x 1/2 C-Z nylon inset

2шт.

46

170702C1

PIN, feeder pivot clamp, For grain machines w/grain tank serial no. 19528 and above

4шт.

427566

BOLT,Hex, 1/2"-13 x 1 1/2", G8, Full Thd

1/2 x 1-1/2 znd hex-hd

4шт.

20534R1

BOLT,Hex, 1/2" - 13 x 1 3/4", Gr 8

1/2 x 1-3/4 znd hex-hd

2шт.

21330R1

NUT,1/2"-13, G8

1/2 C-Z hex.

4шт.

487374R1

BEARING LOCK NUT,Flg, USR, 1/2"-13

1/2 flange lock

4шт.

366864C1

LOCK WASHER,1/2"

1/2"

4шт.

20601R1

WASHER

17/32 x 1-1/4 x 11 ga C-Z

4шт.

47

170704C1

EYEBOLT, feeder pivot clamp, For grain machines w/grain tank serial no. 19528 and above

2шт.

170703C1

SCREW, 1/4 x 1/2 C-Z nylon inset

2шт.

280954

NUT,3/4"-10, G5

2шт.

87340

LOCK WASHER,Helical Spring, 0.759" ID, CST, ZND

WASHER, LOCK, 3/4"

2шт.

495-11081

WASHER,3/4", SAE

13/16 x 1-1/2 x 10 ga C-Z

2шт.

48

170705C1

EYEBOLT, feeder pivot leveling, For grain machines w/grain tank serial no. 19528 and above

1шт.

425-1410

JAM NUT,Jam, 5/8"-11, G5

3/8 C-Z hex. jam

2шт.

424623R1

WASHER, 21/32 x 1-1/2 x 11 ga C-Z

2шт.

18497R1

BOLT,Hex, 1/2"-13 x 1 3/4", G2

1/2 x 1-3/4 C-Z hex-hd mach

1шт.

120378

NUT,Hex, 1/2" - 13, Gr 5

NUT, 1/2"-13, G5

1шт.

120384

WASHER,1/2"

LOCK, 1/2"

1шт.

49

202013C1

PRODUCT GRAPHIC

EMBLEM, SMV

1шт.

275-5478

SELF-TAP SCREW,Hex Hd, 1/4" x 1/2"

SCREW, 1/4-14 x 1/2 C-Z hex-hd tap. type 8

2шт.

50

171987C1

SUPPORT, SMV emblem

1шт.

18766R1

BOLT,Hex, 5/16"-18 x 1 3/4", G2

5/16 x 1-3/4 C-Z hex-hd mach

3шт.

120376

NUT,5/16"-18, G5

3шт.

80681

LOCK WASHER,5/16"

WASHER, LOCK, 5/16"

3шт.

51

171989C1

PLATE, SMV emblem support clamp

1шт.

52

171988C1

PLATE, SMV emblem support

1шт.

275-5478

SELF-TAP SCREW,Hex Hd, 1/4" x 1/2"

SCREW, 1/4-14 x 1/2 C-Z hex-hd tap. type 8

2шт.

53

569121R1

PLATE, straw rack bearing mounting

4шт.

Выбрано товаров: 220