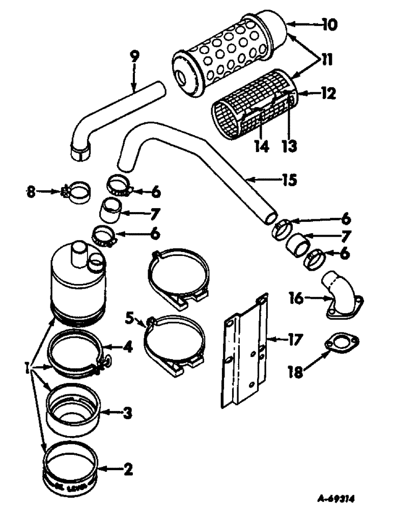
Запчасти Case IH 403 (341) - AIR CLEANER AND CONNECTIONS, NOTE, FOR D-282 ENGINE (10) - ENGINE

Схема запчастей Case IH 403 - (341) - AIR CLEANER AND CONNECTIONS, NOTE, FOR D-282 ENGINE (10) - ENGINE
10
3
6
5
8
7
9
18
13
16
7
11
14
12
4
6
6
15
2
17
6
FIT
1:1
100%

Артикул

Название

Примечание

Количество

1

372978R91

CLEANER ASSY, air

1шт.

2

313181R1

CUP, oil

1шт.

3

373180R1

CUP ASSY, inner oil

1шт.

4

59960D

CLAMP ASSY, oil cup retaining

1шт.

5

260790R91

BRACKET ASSY, air cleaner

2шт.

9635082

NUT,5/16" - 18, Gr 5

3/8 NUT

4шт.

25-285

SQUARE NUT,Sq, 5/16"-18

5/16 SQ-NUT

2шт.

179837

BOLT,Hex, 3/8" - 16 x 3/4", Gr 5

4шт.

117295

5/16 X 1-1/4 FIL-HD MACH SCREW

2шт.

103321

LOCK WASHER,3/8"

WASHER, LOCK, 3/8"

4шт.

6

279029R91

HOSE CLAMP,#48, 2.56/3.50 Type F Worm

CLAMP, air cleaner pipe hose

4шт.

7

275340R2

HOSE, air cleaner pipe

1шт.

8

379368R91

COLLAR CLAMP

CLAMP, pre-screener pipe

1шт.

9

316469R1

PIPE, pre-screener

1шт.

10

355145R91

BODY ASSY, pre-screener

1шт.

11

354983R91

CLEANER

PRE-SCREENER ASSY

1шт.

12

355146R91

SCREEN

W/CLIPS AND SPRINGS ASSY, pre-screener

1шт.

13

353758R1

CLIP

screen lock spring

2шт.

14

353639R1

VALVE SPRING

SPRING, screen lock tension

4шт.

15

379975R1

PIPE, air cleaner

1шт.

16

379977R1

ELBOW, intake manifold

1шт.

17438R1

BOLT,Hex, 7/16" - 14 x 1 1/8", Gr 2

7/16 X 1-1/8 CAP SCREW

2шт.

103322

LOCK WASHER,7/16"

WASHER, LOCK, 7/16"

2шт.

17

316465R1

SUPPORT, air cleaner

1шт.

179839

BOLT,Hex, 3/8" - 16 x 1", Gr 5

2шт.

103321

LOCK WASHER,3/8"

WASHER, LOCK, 3/8"

2шт.

18

369497R2

GASKET

intake manifold elbow

1шт.

Выбрано товаров: 27