Запчасти Case IH 403 (124) - PROPULSION VARIABLE SPEED AND JACKSHAFT AND DRIVE (16) - TRACTION VARIATOR

Схема запчастей Case IH 403 - (124) - PROPULSION VARIABLE SPEED AND JACKSHAFT AND DRIVE (16) - TRACTION VARIATOR
27
36
14
54
26
32
22
47
56
17
57
32
41
13
34
7
43
19
22
44
38
29
57
45
4
46
55
3
11
16
20
42
25
34
52
8
38
58
40
9
35
30
48
39
12
31
2
21
50
1
6
24
37
23
51
15
33
28
5
33
18
49
6
10
22
53
FIT
1:1
100%

Артикул

Название

Примечание

Количество

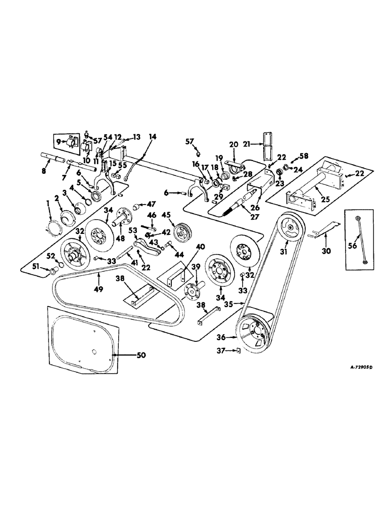
1

565367R1

SHOE, propulsion variable speed adjusting outer

2шт.

441013R1

LOCK PIN,1/4" x 2 1/2", Slotted

Pin, 1/4" x 2 1/2", Slotted

4шт.

2

565366R1

OIL SEAL

RING, propulsion variable speed adjusting outer

2шт.

3

564797R1

OIL SEAL

RING, propulsion variable speed sheave adjusting inner

2шт.

103877

PLUG

1/8 SQ-HD PIPE PLUG

2шт.

4

565371R1

WASHER

propulsion sheave adjusting ring felt

2шт.

5

559302R91

BALL BEARING,2.7559" ID x 4.3307" OD x 0.7874"

ball

2шт.

6

565345R1

SHAFT

propulsion sheave adjusting arm pivot

4шт.

7

565416R91

SHAFT W/CLIP, propulsion sheave outer pivot

1шт.

1/2 X 2-1/2 CAP SCREW

2шт.

1/2 NUT

2шт.

1/2 LOCK WASHER

2шт.

243

1-17/32 X 2 X 16 GA WASHER

8шт.

126A

WASHER

1-17/32 X 2 X 11 GA WASHER

1шт.

8

NOT USED

1шт.

9

NOT USED

1шт.

10

565352R91

SUPPORT

BRACKET W/BUSHING ASSY, propulsion sheave support post, Includes ref. no. 11

1шт.

11

565357R1

BUSHING, Serial no. 7223 and below

1шт.

11

936744R1

BUSHING,47.66mm ID x 50.83mm OD x 19.05mm L

Serial no. 7224 and above

2шт.

12

627549R92

LEVER W/BALL AND BUSHING ASSY, sheave support, Includes ref. nos. 16, 54 and lever 936601R91, Serial no., Serial Range: 501-4643

1шт.

12

936601R91

LEVER W/BUSHING ASSY, propulsion, Includes ref. no. 16, Serial no. 4644 and above

1шт.

432-1216

COTTER PIN,3/16" x 1"

Pin, Split (Cotter), 3/16" x 1"

1шт.

Q1396

AXLE PIN,1/2" x 1 5/8"

PIN, 1/2 x 1-5/8 std-hd-dld

1шт.

243

WASHER, 1-17/32 x 2 x 16 ga

2шт.

565665R1

WASHER, 1-29/32 x 2-1/2 x 16 ga

6шт.

13

565415R1

BOLT,1/2" - 20 x 8"

propulsion sheave adjusting arm connecting

1шт.

1/2-20UNF C-Z NUT

2шт.

14

627550R1

BRACE, propulsion sheave outer pivot shaft, Serial no., Serial Range: 501-4643

1шт.

14

935916R1

BOLT,Eye, 5/8" - 11 x 274.32mm, Bent

BRACE, propulsion sheave outer pivot shaft, Serial no. 4644 and above

1шт.

5/8 NUT

2шт.

5/8 X 1-3/4 CAP SCREW

1шт.

5/8 LOCK WASHER

1шт.

12258R1

WASHER

21/32 X 1-1/4 X 11 GA WASHER

1шт.

615131R1

WASHER

21/32 X 1 X 22 GA WASHER

1шт.

10620

FITTING

21/32 X 1-1/2 X 16 GA WASHER

1шт.

15

565410R91

ARM W/BUSHING ASSY, propulsion sheave adjusting pivot, Includes ref. no. 16

1шт.

16

565414R1

BUSHING

For use with lever assy 627549R91 and 628608R91, Serial no., Serial Range: 501-4643

1шт.

16

936743R1

BUSHING, For use with lever assy 936601R91 and 936602R91, Serial no. 4644 and above

2шт.

17

631705R91

SEAL

ASSY, propulsion jackshaft LH bearing

1шт.

18

NOT USED

1шт.

19

631986R91

BALL BEARING,1.6255" ID x 85 mm OD x 1.6875"

ball

1шт.

20

627545R11

SUPPORT W/BEARING AND SEAL ASSY, propulsion jackshaft LH bearing, Includes ref. nos. 17 and 19

1шт.

5/16 X 1 CAP SCREW

2шт.

5/16 LOCK WASHER

2шт.

21

631353R1

BRACE, propulsion jackshaft RH bearing support, grain tank

1шт.

3/8 X 3/4 CRG BOLT W/NUT

4шт.

3/8 LOCK WASHER

4шт.

22

109461

LUBE NIPPLE,1/8"-27 x .66 lg

NIPPLE, LUBE, 1/8"-27 x .66 lg

3шт.

23

632034R91

BALL BEARING,30 mm ID x 62 mm OD x 24 mm

ball

1шт.

24

632033R91

OIL SEAL

OIL SEAL

1шт.

25

NOT USED

1шт.

26

631349R91

SUPPORT W/PLATE, propulsion jackshaft RH bearing

1шт.

1/2 X 1-1/4 MACH BOLT W/NUT

2шт.

1/2 LOCK WASHER

2шт.

27

627541R11

SHAFT

JACKSHAFT ASSY, propulsion

1шт.

425-138

SLOTTED NUT,1/2"-20, G8

NUT, SLOTTED, 1/2"-20, G8

1шт.

219755

BACK-UP RING

1-1/4 JAM NUT

1шт.

3/32 X 1-1/4 COTTER PIN

1шт.

550610R1

WASHER

17/32 X 1-1/2 X 16 GA WASHER

1шт.

615231R1

WASHER

1-1/32 X 2-1/4 X 11 GA WASHER

1шт.

551768R1

1-21/32 X 2-1/2 X 16 GA WASHER

3шт.

28

332040

LUBE NIPPLE,90 Degree, 1/8" NPT x .84" lg

FITTING, 1/8 90 deg. elbow lubrication

1шт.

29

587803R1

SUPPORT, propulsion sheave pivot shaft, Serial no. 7223 and below

1шт.

29

936750R1

SUPPORT, propulsion sheave pivot shaft, Serial no. 7224 and above

1шт.

30

NOT USED

1шт.

31

627732R1

SHEAVE, propulsion jackshaft drive

1шт.

32

633353R11

PULLEY

SHEAVE ASSY, propulsion drive, adjustable half

2шт.

33

633433R1

BEARING

BUSHING

6шт.

34

633352R11

PULLEY

SHEAVE W/BUSHING ASSY, propulsion drive, Includes ref. no. 33

2шт.

35

937931R1

V-BELT

Propulsion jackshaft drive

1шт.

36

633354R1

SHEAVE, propulsion jackshaft driven

1шт.

37

633349R1

LOCKING PLATE

KEEPER, propulsion jackshaft lock nut

1шт.

38

628416R1

SUPPORT, propulsion variable speed shield lower, Serial no. 7224 and below

2шт.

3/8 X 1 MACH BOLT W/NUT

2шт.

3/8 LOCK WASHER

2шт.

39

633351R1

SLEEVE

propulsion variable speed rear

1шт.

5/8 X 3-1/4 MACH BOLT W/NUT

3шт.

5/8 LOCK WASHER

3шт.

40

628415R1

SUPPORT, propulsion variable speed shield upper, Serial no. 7224 and below

1шт.

41

629520R1

SHAFT

propulsion belt tightener pivot

1шт.

1/4 X 1-1/2 COTTER PIN

1шт.

616252R1

LOCK PIN,3/8" x 2 1/8", Slotted

Pin, 3/8" x 2 1/8", Slotted

1шт.

1-1/32 X 1-3/4 X 16 GA WASHER

10шт.

42

629521R1

SPRING

propulsion belt tightener

1шт.

43

559203R1

SNAP RING,#118, 1.260", Int, Spiral

1шт.

44

ST634

BEARING ASSY

BEARING, propulsion belt tightener

1шт.

45

569963R1

PULLEY

SHEAVE, propulsion drive belt tightener

1шт.

46

559017R1

BOLT,Eye, 1/2" - 13 x 4 1/8", Full Thd

propulsion belt tightener spring

1шт.

1/2 C-Z NUT

2шт.

17/32 X 1 X 16 GA WASHER

2шт.

47

633435R1

BUSHING

SPACER, propulsion sheave hub

1шт.

48

633350R1

HUB

SLEEVE, propulsion variable speed drive sheave front

1шт.

5/8 X 2 CAP SCREW

3шт.

5/8 LOCK WASHER

3шт.

49

935951R1

BELT

propulsion drive

1шт.

50

628413R11

SHIELD W/WIRE ASSY, propulsion variable speed sheave, Serial no. 7223 and below

1шт.

3/8 X 1 MACH BOLT W/NUT

2шт.

1/2 X 1 MACH BOLT W/NUT

1шт.

3/8 LOCK WASHER

2шт.

1/2 LOCK WASHER

1шт.

51

574257R1

STOP

propulsion sheave propulsion shaft

1шт.

52

290028R1

O-RING

4шт.

53

629519R1

ARM, propulsion drive belt tightener

1шт.

432482

PLUG,5/8"

5/8 BUTTON PLUG

1шт.

54

936612R1

BALL, propulsion lever

1шт.

1/2-20UNF NUT

1шт.

1/2 LOCK WASHER

1шт.

55

565414R1

BUSHING

2шт.

56

935704R1

BRACE, propulsion jackshaft RH bearing support, Bagger

1шт.

1/2 LOCK WASHER

2шт.

17/32 X 1-1/2 X 16 GA WASHER

3шт.

1/2 X 1-1/2 CRG BOLT W/NUT

1шт.

1/2 X 1-1/2 MACH BOLT W/NUT

1шт.

57

219-8

LUBE NIPPLE,1/4" - 28 NPTF

FITTING, 1/4 straight lub

2шт.

58

NOT USED

1шт.

Выбрано товаров: 115