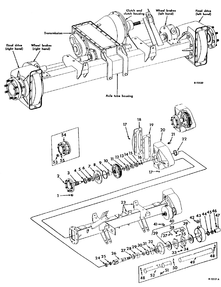
Запчасти Case IH 403 (037) - AXLE TUBE, FINAL DRIVE AND WHEEL BRAKES, AXLE, OVER ALL VIEW (25) - FRONT AXLE SYSTEM

Схема запчастей Case IH 403 - (037) - AXLE TUBE, FINAL DRIVE AND WHEEL BRAKES, AXLE, OVER ALL VIEW (25) - FRONT AXLE SYSTEM
19
45
53
40
17
48
51
6
32
2
24
25
34
33
4
44
13
8
46
49
1
14
42
9
48
22
50
38
15
35
29
52
37
17
36
23
20
39
31
5
7
27
18
28
55
47
10
26
30
11
16
43
39
3
12
54
21
41
FIT
1:1
100%

Артикул

Название

Примечание

Количество

1

554480R1

WHEEL NUT

5/8-18UNF wheel bolt, Not for power adjusted wheel, For track attachment

16шт.

1

364450R1

SPECIAL NUT

NUT, 5/8-18UNF wheel bolts, For power adjusted wheels, Not for track attachment

16шт.

2

566206R2

BOLT,5/8" - 18 x 2.38", Class 8

wheel, Not power adjusted wheels or tracks

16шт.

2

379510R2

BOLT,5/8" - 18 x 3 1/16"

wheel, For power adjusted wheel or track

16шт.

3

385945R1

SHAFT

final drive, Not power adjusted wheels or track, Serial no. 17486 and below

2шт.

3

379509R2

SHAFT, final drive, For power adjusted wheels or track, Serial no. 17486 and below

2шт.

3

404070R1

SHAFT, final drive, Serial no. 17487 and above

2шт.

PIN, 1/8 x 2-1/2 cot.

1шт.

4

380185R91

OIL SEAL

OIL SEAL, final drive outer bearing cage, Not tracks, Serial no. 17486 and below

2шт.

4

567816R91

SEAL

OIL SEAL, final drive outer bearing cage, track, Serial no. 17486 and below

2шт.

4

404489R91

OIL SEAL,83.57mm ID x 127.1mm OD x 11.89mm Thk

OIL SEAL, final drive outer bearing cage, Serial no. 17487 and above

1шт.

5

ST2157

TAPERED BEARING,3.035" ID x 4.8126" OD x 1.3"

CONE ASSY, final drive shaft outer bearing

2шт.

6

ST985

CUP

final drive shaft outer bearing

2шт.

7

583236R1

CAGE, final drive outer bearing, Serial no. 13062 and below

2шт.

7

395674R1

CAGE, final drive outer bearing, Serial no., Serial Range: 13063-17486

1шт.

7

404077R1

CAGE, final drive outer bearing, Serial no. 17487 and above

1шт.

7/16 X 1-1/4 CAP SCREW

12шт.

7/16 LOCK WASHER

12шт.

8

252741R1

O-RING

final drive housing

2шт.

9

380282R1

SPACER, final drive shaft outer, Serial no. 17486 and below

2шт.

9

404071R1

BUSHING

SPACER, final drive shaft outer, Serial no. 17487 and above

1шт.

10

384101R91

GEAR ASSY, final drive

2шт.

373109R1

RIVET, final drive gear

6шт.

11

379505R1

SPACER

final drive gear inner, Not power adjusted wheels or track, Serial no. 17486 and below

2шт.

11

379512R1

SPACER, final drive gear inner, For power adjusted wheels or track, Serial no. 17486 and below

2шт.

11

404074R1

SPACER

SPACER, final drive gear inner, Serial no. 17487 and above

2шт.

12

583237R1

CAGE, final drive inner bearing, Not power adjusted wheels or track, Serial no. 17486 and below

2шт.

12

376459R1

CAGE, final drive inner bearing, For power adjusted wheels or track, Serial no. 17486 and below

1шт.

12

404075R1

RETAINER, final drive inner bearing, Serial no. 17487 and above

1шт.

297330R1

BOLT

3/8 X 1 NYLOCK CAP SCREW

8шт.

13

130503H

BEARING CUP

CUP, final drive shaft inner bearing, Not power adjusted wheels or tracks, Serial no. 16129 and below

2шт.

13

22365V

BEARING CUP,3.6718" OD x 0.93"

CUP, final drive shaft inner bearing, For power adjusted wheels or track, Serial no. 16129 and below

2шт.

13

ST863

BEARING CUP,93.22mm OD x 23.81mm W

CUP, final drive shaft inner bearing, Serial no. 16130 and above

1шт.

14

62923R91

ROLLER BEARING

CONE ASSY, final drive shaft, inner bearing, Not power adjusted wheels or tracks, Serial no. 16129 and below

2шт.

14

85971H

BEARING

CONE ASSY, final drive shaft inner bearing, For power adjusted wheels or track, Serial no. 16129 and below

2шт.

14

ST2122

BEARING ASSY,52.39mm ID x 30.16mm W

CONE ASSY, final drive shaft inner, Serial no. 16130 and above

1шт.

15

589765R1

WASHER

final drive shaft, Serial no. 17486 and below

2шт.

15

404076R1

WASHER

final drive shaft, Serial no. 17487 and above

2шт.

16

73177R1

NUT

final drive shaft, Serial no. 17486 and below

2шт.

16

393756R1

NUT

final drive shaft, Serial no. 17487 and above

2шт.

17

444592

PLUG,Sq Hd, 1/4"-14 NPTF

3/4 sq-hd pipe

4шт.

18

587078R91

PAN ASSY.

PAN ASSY, final drive housing

2шт.

3/8 X 3/4 CAP SCREW

12шт.

3/8 LOCK WASHER

12шт.

19

587655R1

GASKET

final drive housing pan

2шт.

20

379500R1

HOUSING, final drive LH

1шт.

20

379501R1

HOUSING, final drive RH

1шт.

21

61991R91

BREATHER,1/8"-27 NPT, Short, w/washer

final drive housing oil

2шт.

22

583238R1

PLATE

CAP, final drive shaft inner bearing

2шт.

23

633693R91

AXLE, less transmission, brakes, wheels and tires, Not track, Not for hydrostatic ground drive

1шт.

23

633694R91

AXLE, less transmission, brakes, wheels and tires, track, Not for hydrostatic ground drive

1шт.

23

150750C91

AXLE ASSY, less transmission, brakes and tire, For hydrostatic ground drive, Not tracks, Serial no. 8824, 8987 through 8999, 9060 through 9077 and 9957 and above

1шт.

23

150751C91

AXLE ASSY, less transmission, brakes and tires, For hydrostatic ground drive, tracks, Serial nos 8824, 8987 through 8999, 9060 through 9077 and 9957 and above

1шт.

54700R1

DOWEL

axle end flange

4шт.

17473R1

BOLT,Hex, 1/2" - 13 x 1 1/2", Gr 2

SCREW, 1/2 x 1-1/2 C-Z hex-hd cap

2шт.

427566

BOLT,Hex, 1/2"-13 x 1 1/2", G8, Full Thd

SCREW, 1/2 x 1-3/4 C-Z hex-hd cap

2шт.

9406829

HEX SOC SCREW,1/2" - 13 x 3 1/2"

SCREW, 1/2 x 3-1/2 C-Z hex-hd cap

2шт.

525841R1

BOLT,Hex, 5/8" - 11 x 1 1/2", Gr 8

SCREW, 5/8 x 1-1/2 C-Z hex-hd cap

6шт.

20548R1

BOLT,Hex, 5/8" - 11 x 1 3/4", Gr 8

SCREW, 5/8 x 1-3/4 C-Z hex-hd cap

12шт.

PIN, 3/16 x 1 cot

1шт.

138549

LOCK WASHER,Int Tooth, 1/2"

WASHER, LOCK, Int Tooth, 1/2"

6шт.

492-11062

BEARING WASHER,5/8"

WASHER, LOCK, 5/8"

18шт.

115553

LOCK WASHER,Int Tooth, 5/8"

WASHER, LOCK, Int Tooth, 5/8"

4шт.

Q5035

WASHER

17/32 x 1 x 16 ga

3шт.

16038R1

WASHER

17/32 x 1 x 11 ga

2шт.

24

618024R1

BEARING CUP,65.113mm OD x 13.97mm W

Final drive pinion shaft outer

2шт.

25

618023R91

BEARING ASSY,34.93mm ID x 18.2mm W

CONE, final drive pinion shaft outer bearing

2шт.

26

376461R2

SHAFT

final drive pinion

2шт.

27

56934D

ROLLER BEARING,2.1663" ID x 3.8125" OD x 0.8268"

CONE, final drive pinion shaft inner bearing

2шт.

28

105497H

BEARING CUP,96.85mm OD x 15.77mm W

CUP, final drive pinion shaft inner bearing

2шт.

29

380186R91

OIL SEAL

OIL SEAL, brake adapter

2шт.

30

317923R1

O-RING,0.139" Thk x 3.609" ID, -239, Cl 5, 75 Duro

brake adapter

2шт.

31

376467R1

SHIM

brake adapter, light

4шт.

32

379506R1

ADAPTER, brake

2шт.

141279

DOWEL,1/2" x 3/4"

1/2 X 3/4 DOWEL PIN

2шт.

376465R1

7/16 X 1-1/4 NYLOCK CAP SCREW

10шт.

33

357116R1

SPRING

6шт.

34

16028R1

BALL

7/8 STELL CHROME

10шт.

35

354642R1

STUD

actuating disc

4шт.

5/16 - 24 UNF jam nut

4шт.

36

357114R91

LINK

actuating

2шт.

37

357113R1

LINK

actuating plain

2шт.

38

366182R91

DISC

ASSY, actuating

2шт.

39

321162R91

DISC

ASSY, middle

4шт.

40

321163R91

BRAKE ASSY, wheel

2шт.

41

357043R1

CLEVIS,3/8" - 24

YOKE, brake operating

2шт.

16618R1

CLEVIS PIN,7/16" x 1.190"

7/16 X 1-15/16 DLD PIN

2шт.

3/32 X 5/8 COTTER PIN

2шт.

42

381699R1

BOOT

wheel brake

2шт.

43

574914R2

HOUSING

wheel brake

2шт.

7/16 X 3-1/4 CAP SCREW

10шт.

7/16 NUT

10шт.

PO10535

WASHER

17/32 X 1-1/4 X 11 GA WASHER

12шт.

44

NOT USED

1шт.

45

380637R91

SEAL,44.45mm ID x 66.72mm OD x 5.08mm Thk

brake housing dirt

2шт.

46

937589R1

SCREW,Set, 7/16" - 14 x 5/8", Steel

axle drive shaft sleeve set

2шт.

SCREW, Order from bulk stock

2шт.

47

573957R2

COUPLING

SLEEVE, axle drive shaft

2шт.

48

568810R1

CLIP, axle final drive shaft shield inner, rice

6шт.

15/32 X 1 X 11 GA WASHER

6шт.

49

588803R1

SHIELD, axle final drive shaft RH, rice machines with tires

1шт.

49

628912R1

SHIELD, final drive shaft RH, track

1шт.

440-1258

SCREW,Cross Pan Hd, 1/4"-20 x 1/2"

1/4 X 1/2 SLT-RD-HD MACH SCREW

4шт.

1/4 LOCK WASHER

4шт.

50

634978R1

CLIP, axle final drive shaft shield, rice

6шт.

575807R1

WASHER

13/32 X 1 X 11 GA WASHER

3шт.

51

564791R1

SPRING NUT

1/4 speed, rice

6шт.

52

588802R1

SHIELD, final drive shaft LH, rice machines with tires

1шт.

52

628910R1

SHIELD, final drive shaft LH, rice machines with tracks

1шт.

440-1258

SCREW,Cross Pan Hd, 1/4"-20 x 1/2"

1/4 X 1/2 SLT-RD-HD MACH SCREW

3шт.

1/4 LOCK WASHER

3шт.

53

554480R1

WHEEL NUT

5/8 - 18UNF wheel bolt, grain

8шт.

54

654676R11

SPACER W/BOLT AND NUT ASSY, RH main wheel, includes ref nos 53 and 55, grain

1шт.

55

566206R2

BOLT,5/8" - 18 x 2.38", Class 8

wheel spacer, grain

8шт.

Выбрано товаров: 114