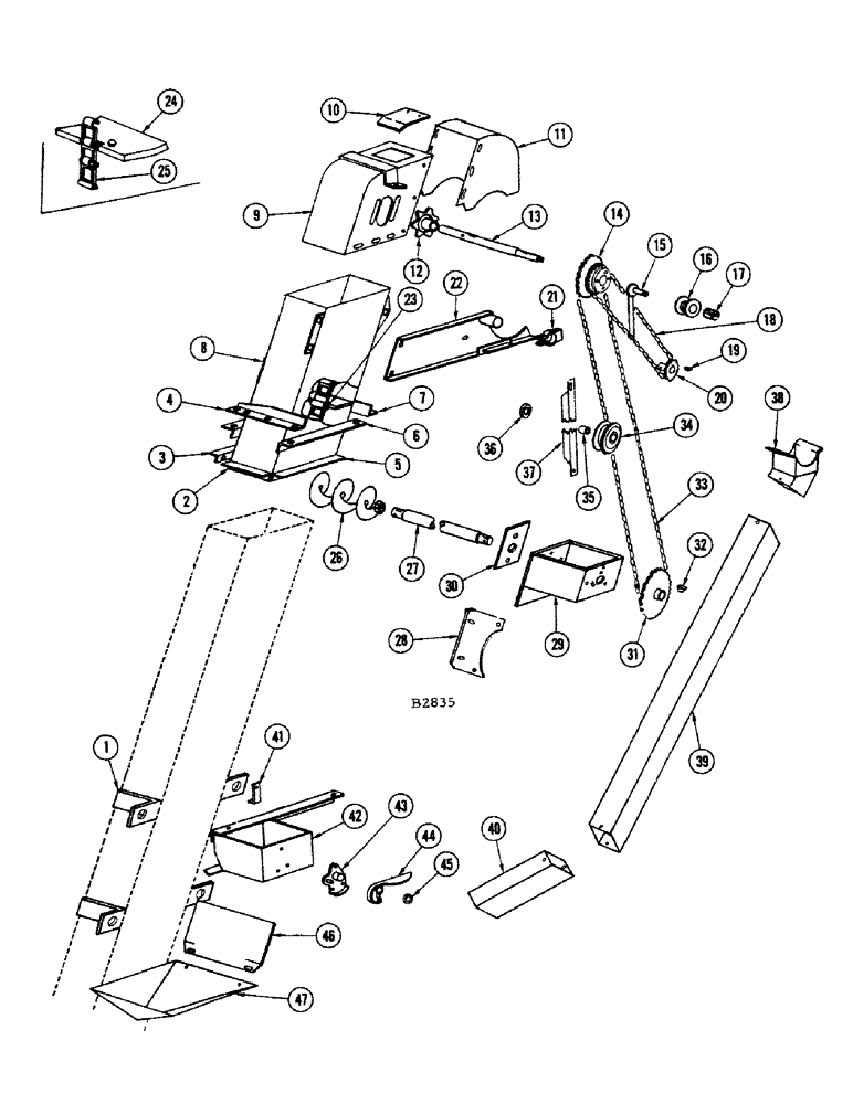
Запчасти Case IH 660 (195A) - SCOURKLEEN ATTACHMENT, ELEVATOR EXTENSION AND DRIVE, GRAIN BIN COMBINES NUMBER 8357001 AND AFTER

Схема запчастей Case IH 660 - (195A) - SCOURKLEEN ATTACHMENT, ELEVATOR EXTENSION AND DRIVE, GRAIN BIN COMBINES NUMBER 8357001 AND AFTER
43
33
26
5
46
30
22
45
27
15
11
32
29
17
8
47
3
4
20
14
42
28
24
6
31
41
44
19
40
18
12
25
2
35
38
23
10
37
36
34
21
1
13
39
16
9
7
FIT
1:1
100%

Артикул

Название

Примечание

Количество

1

F23081

BRACKET - clamp

2шт.

2

F23079

ANGLE - rear

1шт.

3

F20347

ANGLE - L.H. side

1шт.

4

F23086

SCREW

SUPPORT - rear

1шт.

5

F20346

ANGLE - R.H. side

1шт.

6

F17778

SUPPORT - R.H. and L.H.

2шт.

7

F23085

SUPPORT - front

1шт.

8

F94994

TUBE - elevator extension

1шт.

9

F94993

HEAD - grain elevator

1шт.

10

F20341

DOOR - clean out

1шт.

11

F94992

SPOUT - elevator discharge

1шт.

12

51B

SPROCKET ASSY.

SPROCKET - (7T) grain elevator upper shaft (Standard - not part of attachment)

1шт.

13

F23078

SHAFT - upper, grain elevator

1шт.

14

F94988

SPROCKET - (20T and 30T dbl.) drives ScourKleen

1шт.

126-121

WOODRUFF KEY,#A, 1/4" x 7/8", HT

1шт.

15

F84771

ARM - chain tightener roller

1шт.

16

F83368

ROLLER - chain tightener

1шт.

17

F4345

BUSHING

1шт.

18

F20444

X

CHAIN - ScourKleen drive (NSS - see page 7)

1шт.

19

126-124

WOODRUFF KEY,#15, 1/4" x 1", HT

Ref. 20 sprocket to rotor shaft #15, 1/4" x 1", HT

1шт.

20

F22067

SPROCKET - (15T) drives rotor shaft, driven

1шт.

85-610

SET SCREW,Sq Hd, 3/8"-16 x 5/8"

SCREW - 3/8" x 5/8" sq. hd. set

1шт.

21

F1648

CLAMP - collar, on chain tightener arm

1шт.

85-610

SET SCREW,Sq Hd, 3/8"-16 x 5/8"

SCREW - 3/8" x 5/8" N.C. sq. hd. set

1шт.

22

F94989

BRACKET - support, for chain tightener

1шт.

23

F89226

EXTENSION - chain and flights (NSS - use (1) F86420, (2) F78446, (9) F77894 and (1) 235-65 att. link)

1шт.

24

F77894

FLIGHT - rubber (Includes F6614 flight, 1-235-65 att. link, 2-235-11 plain links and 2-151-135 rivets)

1шт.

25

F86420

CHAIN AND FLIGHTS - (Consists of chain and 5 flights)

1шт.

F78446

CHAIN AND FLIGHTS - (Consists of chain and 2 flights)

2шт.

26

F94995

AUGER - leveling, grain bin

1шт.

27

F23080

SHAFT - grain bin auger

1шт.

28

F22098

BRACKET - support

1шт.

29

F94999

BRACKET - bearing support

1шт.

30

F23087

SEAL - auger shaft

1шт.

31

F84909

SPROCKET ASSY.

SPROCKET - (36T) driven, leveling auger (Standard - not part of attachment)

1шт.

132-102

COTTER PIN,3/16" x 2 1/2"

Pin, Split (Cotter), 3/16" x 2 1/2"

1шт.

32

126-21

WOODRUFF KEY,#A, 1/4" x 7/8"

Ref. 31 sprocket to leveling auger shaft (Standard - not part of attachment) #A, 1/4" x 7/8"

1шт.

33

F60261

X

CHAIN - elevator drive (NSS - see page 7)

1шт.

34

O3511CS

PULLEY

- idler (Standard - not part of attachment)

1шт.

12-848

BOLT - 1/2" x 3" rhd. sh. sq. nk., nut (25-108) Short NK, 1/2"-13 x 3", G2

1шт.

195-33

WASHER,1/2"

- flat 1/2"

1шт.

35

F22068

SPACER

1шт.

36

F22074

WASHER - idler pulley

4шт.

37

F22063

BRACE - tie

1шт.

38

F83489

DOWNSPOUT - for weed seed tubes

1шт.

173-92

SCREW - 3/16" x 3/8" N.C. rhd. mach.

4шт.

39

F83491

TUBE - upper, weed seed

1шт.

40

F89227

TUBE - lower, weed seed

1шт.

41

F22064

BRACKET - attaching, lower weed seed tube to bag holder

1шт.

42

F83388

HOLDER - bag

1шт.

43

F1651

BRACKET

1шт.

132-91

COTTER PIN,3/16" x 1"

Pin, Split (Cotter), 3/16" x 1"

1шт.

44

F1650

LEVER

1шт.

45

A26411

WASHER

- ref. 44

1шт.

46

F20340

SHIELD - front

1шт.

47

F88370

BOX - bag

1шт.

Выбрано товаров: 0