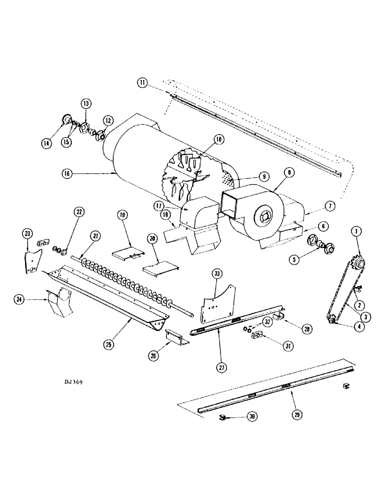
Запчасти Case IH 660 (204) - SCOURKLEEN ATTACHMENT, 660 SPECIAL COMBINE

Схема запчастей Case IH 660 - (204) - SCOURKLEEN ATTACHMENT, 660 SPECIAL COMBINE
27
1
23
8
22
11
29
26
7
16
12
14
4
19
3
31
13
9
15
20
10
30
24
17
2
21
28
33
25
6
5
18
FIT
1:1
100%

Артикул

Название

Примечание

Количество

1

F1656

SPROCKET - (9T) on discharge end of rotor shaft, drives weed seed auger

1шт.

SCREW - 3/8" x 5/8" N.C. sq. hd. set (85-610)

1шт.

2

F83373

TIGHTENER - chain

1шт.

SCREW - 1/4" x 3/4" N.C. mach. (68-412) nut (25-104)

1шт.

LOCKWASHER - 1/4" (92-4) fl. wshr. (95-4)

1шт.

3

B15926

LINK

- #25 steel chain, weed seed auger drive chain

31шт.

4

F1649

SPROCKET - (12T) weed seed auger, driven

1шт.

PIN - cotter, 3/16" x 1-1/2" (132-95)

1шт.

5

F4347

BEARING

- (Wood) on rotor shaft

2шт.

6

F83382

CHUTE - front, grain discharge

1шт.

SCREW - 3/16" x 3/8" N.C. mach. (173-93) nut (129-7)

4шт.

7

F83376

ELBOW - at discharge end

1шт.

SCREW - 3/16" x 3/8" N.C. mach. (173-92) nut (129-7)

3шт.

8

F83378

DRUM - discharge

1шт.

SCREW - 1/4" x 3/4" N.C. mach. (68-412) L.W. (92-4)

3шт.

NUT - 5/16" wing (129-405)

3шт.

9

F83260M

SCREEN - (.165" triangular hole) Standard (See screens, extra)

1шт.

10

F83416

ROTOR BLADE

1шт.

11

F20344

REINFORCEMENT - front and rear top (F84347 bin)

2шт.

BOLT - 1/4" x 5/8" N.C. hex (13-410) nut (25-104)

8шт.

LOCKWASHER - 1/4" (92-4) fl. wshr. (95-4)

8шт.

F20419

REINFORCEMENT - front (F84353 bin)

1шт.

BOLT - 1/4" x 5/8" N.C. hex (13-410) nut (25-104)

5шт.

LOCKWASHER - 1/4" (92-4) fl. wshr. (95-4)

5шт.

12

F20337

RETAINER - inner, bearing

2шт.

13

F20336

RETAINER - outer, bearing

2шт.

SCREW - 1/4" x 1/2" N.C. mach. (68-48) nut (25-104)

8шт.

14

F22067

SPROCKET - (15T) drives rotor shaft, driven

1шт.

SCREW - 3/8" x 5/8" sq. hd. set (85-610)

1шт.

15

F20286

WASHER

- rotor shaft

6шт.

16

F83408

HOUSING - main

1шт.

SCREW - #14 x 3/4" type "A" metal (187-149) nut (131-136)

4шт.

17

F83376

ELBOW - at discharge end, ref. 18 chute

1шт.

SCREW - 3/16" x 3/8" N.C. mach. (173-92) nut (129-7)

3шт.

18

F83385

CHUTE - rear, grain discharge

1шт.

SCREW - 3/16" x 3/8" N.C. mach. (173-92) nut (129-7)

4шт.

19

F84774

DOOR - auger trough

1шт.

SCREW - #10 x 1/2" metal (187-329) Tinnerman nut (131-135)

4шт.

20

F22166

COVER - auger trough

1шт.

SCREW - 3/16" x 3/8" N.C. hex hd. (173-92) L.W. (92-3)

2шт.

21

F83407

AUGER - weed seed

1шт.

22

F1647

COLLAR - set, auger shaft

1шт.

SCREW - 3/8" x 1/2" sq. hd. set (85-68)

1шт.

23

F83375

BRACKET - support, weed seed auger trough

1шт.

BOLT - 1/4" x 5/8" N.C. hex (13-410) nut (25-104)

1шт.

24

F83377

DOWNSPOUT - for weed seed tubes

1шт.

SCREW - 3/16" x 3/8" N.C. rhd. mach. (173-92) L.W. (92-3)

4шт.

25

F83413

TROUGH - weed seed auger

1шт.

SCREW - #10 x 1/2" type "A" metal (187-329) and speed nut (131-121)

8шт.

26

F20360

TIE BRACKET - support angle, at rear end (F84353 bin)

1шт.

BOLT - 5/16" x 3/4" N.C. hex (13-512) nut (25-105) and l.w. (92-5) fl. wshr. (95-5)

1шт.

BOLT - 5/16" x 1" N.C. hex (13-516) nut (25-106)

2шт.

27

F22160

ANGLE - support (F84353 bin)

1шт.

28

F20367

"U" CLAMP - support angle, at front end (F84353 bin)

1шт.

BOLT - 5/16" x 1-3/4" N.C. hex (13-528) nut (25-105)

1шт.

WASHER - 5/16" flat (95-5) L.W. (92-5)

1шт.

29

F84864

ANGLE - support (F84347 bin)

1шт.

30

F20349

"U" CLAMP - support angle, at both ends (F84347 bin)

2шт.

BOLT - 5/16" x 1-3/4" N.C. hex (13-528) nut (25-105)

2шт.

31

F4346

BEARING - (Wood) auger shaft

2шт.

SCREW - 1/4" x 3/4" N.C. truss hd. mach. (187-947)

2шт.

32

A26411

WASHER

- auger shaft

4шт.

33

F22165

BRACKET - support, at discharge end

1шт.

BOLT - 5/16" x 3/4" N.C. hex (13-512) nut (25-105)

2шт.

Выбрано товаров: 64