Запчасти Case IH 660 (216) - STRAWSPREADER ATTACHMENT

Схема запчастей Case IH 660 - (216) - STRAWSPREADER ATTACHMENT
10
21
23
2
3
11
16
19
4
1
15
6
17
18
12
8
10
6
24
20
22
11
13
9
5
14
7
FIT
1:1
100%

Артикул

Название

Примечание

Количество

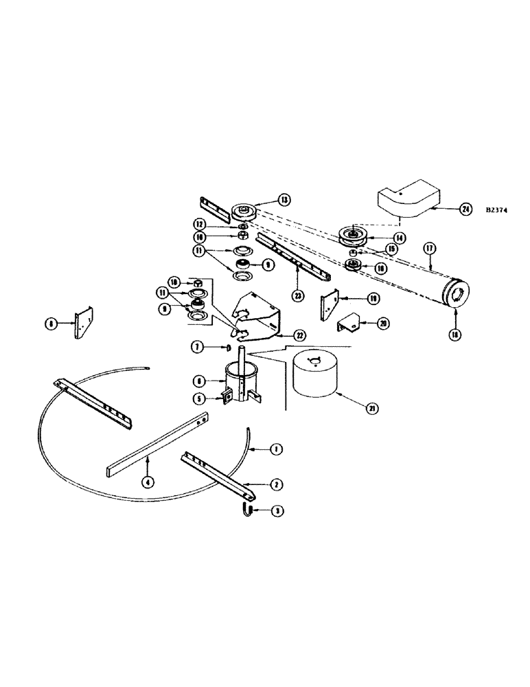
1

F16705

GUARD - spreader paddles

1шт.

BOLT - 5/16" x 1-1/2" N.F. hex (114-107) nut (129-122)

2шт.

2

F22144

BRACE - paddle guard

1шт.

BOLT - 5/16" x 1" N.F. hex (114-104) nut (129-122) and L.W. (192-20) fl. wshr. (195-103)

4шт.

3

A22439

"U" BOLT - guard

2шт.

NUT - 5/16" N.F. (129-102) L.W. (192-20)

4шт.

4

F4021

PADDLE

- (Wood) spreader

3шт.

BOLT - 5/16" x 2" N.C. rhd. sq. nk. (111-207) nut (129-102) and L.W. (192-20) fl. wshr. (195-103)

6шт.

4

F30269

PADDLE - (Rubber) spreader (Recommended for corn harvesting)

3шт.

F30270

WASHER - for F30269 paddle

3шт.

111-221

CARRIAGE BOLT,Short NK, 5/16"-18 x 1 1/2", G2

BOLT, CARRIAGE, (131-69) Locknut Short NK, 5/16"-18 x 1 1/2", G2

6шт.

5

F82707

SHAFT - spreader

1шт.

6

F19327

SHIELD - strawspreader paddles

1шт.

7

126-121

WOODRUFF KEY,#A, 1/4" x 7/8", HT

Ref. 13 pulley to shaft #A, 1/4" x 7/8", HT

1шт.

8

F21908

CARRIAGE BOLT

REINFORCEMENT - L.H. idler bracket

1шт.

BOLT - 1/4" x 5/8" N.F. hex (114-3) nut (129-121)

1шт.

BOLT - 5/16" x 3/4" N.F. hex (114-102) nut (129-122)

2шт.

9

3074CSA

BALL BEARING

- spreader shaft

2шт.

10

F62108

COLLAR

1шт.

11

B18282

FLANGE

4шт.

BOLT - 5/16" x 1" N.C. rhd. sq. nk. (11-516) nut (25-105)

6шт.

12

O906B

WASHER

- between ref. 13 pulley and bearing collar

1шт.

13

F82706

PULLEY - spreader shaft, driven

1шт.

PIN - cotter, 3/16" x 1-1/2" (132-95)

1шт.

14

F6474

PULLEY

SHEAVE - upper idler

1шт.

15

V13384

SPACER - between upper and lower idler sheaves

1шт.

16

F6845

SHEAVE

- lower idler

1шт.

BOLT - 5/8" x 4" N.F. hex (14-1064) nut (25-1110)

1шт.

WASHER - 5/16" flat (95-10)

5шт.

17

F16710

BELT

Spreader Drive

1шт.

18

F1482

SHEAVE - drives spreader (Bolts to tailings auger drive sheave)

1шт.

BOLT - 5/16" x 2-1/4" N.F. hex (114-109) nut (129-122)

3шт.

19

F21908

CARRIAGE BOLT

REINFORCEMENT - R.H., idler bracket

1шт.

BOLT - 1/4" x 5/8" N.F. hex (114-3) nut (129-121)

1шт.

BOLT - 5/16" x 3/4" N.F. hex (114-102) nut (129-122)

2шт.

20

F19330

BRACKET - idler

1шт.

BOLT - 5/16" x 7/8" N.F. hex (14-414) nut (25-115) L.W. (92-5)

2шт.

WASHER - 5/16" flat (95-5)

2шт.

21

F83365

SHIELD - anti-wrap (Fits over ref. 6 shield)

1шт.

22

F21889

CARRIAGE BOLT

BRACKET - spreader mounting

1шт.

BOLT - 3/8" x 3/4" N.C. rhd. sq. nk. (111-302) nut (129-103)

2шт.

BOLT - 3/8" x 1" N.C. rhd. sq. nk. (11-317) nut (129-103)

2шт.

WASHER - 3/8" flat (195-104)

4шт.

23

F21909

CARRIAGE BOLT

ANGLE - upper reinforcement, for ref. 22 bracket

1шт.

BOLT - 5/16" x 3/4" N.F. hex (114-102) nut (129-122) and L.W. (192-20) fl. wshr. (195-103)

3шт.

24

F84662

SHIELD - strawspreader sheaves

1шт.

Выбрано товаров: 46