Запчасти Case IH 660 (239A) - AIR CONDITIONER

Схема запчастей Case IH 660 - (239A) - AIR CONDITIONER
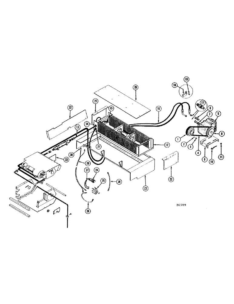
32
9
8
27
26
29
13
7
12
11
3
16
4
18
10
2
14
22
21
31
5
15
24
23
19
17
26
33
20
1
30
25
6
FIT
1:1
100%

Артикул

Название

Примечание

Количество

1

F2900

PULLEY - compressor, Serial Range: (Bolts-F1711)

1шт.

2

192-20

LOCK WASHER,Helical Spring, 0.318" ID, CST, ZND

WASHER, LOCK, 5/16"

3шт.

3

113-103

BOLT,Hex, 5/16" - 18 x 1", Gr 5

3шт.

4

F14287

"V" BELT - compressor drive

1шт.

5

COMPRESSOR

1шт.

Not stocked by J.I. Case Co. Order from Cummins distributor.

1шт.

113-206

BOLT,Hex, 3/8" - 16 x 3/4", Gr 5, Full Thd

and fl. wshr. (195-525) Hex, 3/8"-16 x 3/4", G5, Full Thd

2шт.

113-208

BOLT,Hex, 3/8" - 16 x 1-1/4", Gr 5

Dbl. fl. wshr. (195-525) Hex, 3/8"-16 x 1 1/4", G5, Full Thd

2шт.

6

COUPLER - femlae (For 5/8" tube)

1шт.

Not stocked by J.I. Case Co. Order from Cummins distributor.

1шт.

7

COUPLER - female (For 1/2" tube)

1шт.

Not stocked by J.I. Case Co. Order from Cummins distributor.

1шт.

8

CLUTCH - 7" magnetic

1шт.

Not stocked by J.I. Case Co. Order from Cummins distributor.

1шт.

9

F14298

BRACKET - compressor mounting

1шт.

111-202

CARRIAGE BOLT,Short NK, 5/16"-18 x 3/4", G2

BOLT, CARRIAGE, Short NK, 5/16"-18 x 3/4", G2, Nut (129-102) L.W. (192-20)

2шт.

113-102

BOLT,Hex, 5/16" - 18 x 3/4", Gr 5

Hex, 5/16"-18 x 3/4", G5, Full Thd, Nut (129-102) L.W. (192-20)

2шт.

195-521

WASHER,5/16", SAE

- 5/16" flat

2шт.

10

F14286

EYEBOLT - belt take up

2шт.

11

9635082

NUT,5/16" - 18, Gr 5

4шт.

12

CONDENSER

1шт.

Not stocked by J.I. Case Co. Order from Cummins distributor.

1шт.

13

HOSE - condenser to receiver (33")

1шт.

Not stocked by J.I. Case Co. Order from Cummins distributor.

1шт.

14

F14499

GROMMET

2шт.

15

COUPLER - male (For 3/8" tube)

1шт.

Not stocked by J.I. Case Co. Order from Cummins distributor.

1шт.

16

HOSE - compressor to condenser (150")

1шт.

Not stocked by J.I. Case Co. Order from Cummins distributor.

1шт.

17

COUPLER - male (For 1/2" tube)

1шт.

Not stocked by J.I. Case Co. Order from Cummins distributor.

1шт.

111-108

CARRIAGE BOLT,Short NK, 1/4"-20 x 3/4", G2

BOLT - 1/4" x 3/4" rhd. sq. nk., nut (129-101) L.W. (192-19)

4шт.

195-104

WASHER,3/8"

- flat 3/8"

4шт.

195-2012

WASHER

- 5/16" flat

4шт.

18

F17487

CLAMP - for ref. 16 and 35 hoses

3шт.

F14784

PAD - hose clamp (Not shown)

3шт.

19

187-456

SCREW - #10 x 1/2" self-tapping type "A"

3шт.

113-3

BOLT,Hex, 1/4" - 20 x 3/4", Gr 5

Nut (129-101) L.W. (192-19) Hex, 1/4"-20 x 3/4", G5, Full Thd

1шт.

20

F14288

COVER - top, condenser

1шт.

187-1016

SCREW,Cross Truss Hd, #8 x 5/8"

- #8 x 1/2" self-tapping type "A"

8шт.

21

F14273

COVER - R.H., condenser

1шт.

187-1016

SCREW,Cross Truss Hd, #8 x 5/8"

- #8 x 1/2" self tapping type "A"

2шт.

22

F14272

COVER - L.H., condenser

1шт.

187-1016

SCREW,Cross Truss Hd, #8 x 5/8"

- #8 x 1/2" self tapping type "A"

2шт.

23

F87951

MOUNTING - condenser

1шт.

113-2

BOLT,Hex, 1/4" - 20 x 5/8", Gr 5

and L.W. (192-19) Hex, 1/4"-20 x 5/8", G5, Full Thd

3шт.

175-402

SCREW,Sl Truss Hd, 1/4" - 20 x 5/8"

- 1/4" x 5/8" N.C. truss hd. mach. and L.W. (192-19)

8шт.

7770

NUT,Hex, 1/4 - 20, Cl 5

1/4"-20, G5

11шт.

24

F87939

LAMP - indicator

1шт.

F21950

BULB - red (Mfg. #431R)

1шт.

25

F87934

SWITCH - toggle

1шт.

26

F87938

WIRE - jumper, fuse block to toggle switch (4")

1шт.

27

A13751

WIRE - jumper (3")

2шт.

28

F87936

WIRE - ground (8")

1шт.

29

F87937

HARNESS - wire, switch to condenser (36")

1шт.

30

F21330

CONNECTOR - wire harness

2шт.

31

F11046

GROMMET - rubber, for F87937 harness

1шт.

32

F14289

SHIELD - hose

1шт.

187-1037

SELF-TAP SCREW,Slotted Pan Hd, #8 x 3/8"

SCREW - #8 x 3/8" self tapping type "B"

3шт.

33

F14290

SHIELD - hose

1шт.

187-1037

SELF-TAP SCREW,Slotted Pan Hd, #8 x 3/8"

SCREW - #8 x 3/8" self tapping type "B"

2шт.

34

EVAPORATOR

1шт.

Not stocked by J.I. Case Co. Order from Cummins distributor.

1шт.

HARNESS - wire, evaporator to blower switch (Not shown)

1шт.

Not stocked by J.I. Case Co. Order from Cummins distributor.

1шт.

GREEN WIRE - thermostat and high temp cut-out switch

1шт.

RED WIRE - blower ("C" terminal) and high temp cut-out switch

1шт.

BLUE WIRE - compressor clutch and thermostat switch

1шт.

YELLOW WIRE - blower ("B" terminal) and terminal box

1шт.

BLACK WIRE - blower ("M" terminal) and blower motor

1шт.

F21330

CONNECTOR - wire harness

2шт.

35

HOSE - compressor to evaporator (200")

1шт.

Not stocked by J.I. Case Co. Order from Cummins distributor.

1шт.

36

COUPLER - male (For 5/8" tube)

1шт.

Not stocked by J.I. Case Co. Order from Cummins distributor.

1шт.

37

RECEIVER - drier (Horizontal)

1шт.

Not stocked by J.I. Case Co. Order from Cummins distributor.

1шт.

38

CLAMP - drier receiver

2шт.

Not stocked by J.I. Case Co. Order from Cummins distributor.

1шт.

187-1016

SCREW,Cross Truss Hd, #8 x 5/8"

- #8 x 1/2" self tapping type "A"

2шт.

39

COUPLER - female (For 3/8" tube)

1шт.

Not stocked by J.I. Case Co. Order from Cummins distributor.

1шт.

40

HOSE - receiver to evaporator (42")

1шт.

Not stocked by J.I. Case Co. Order from Cummins distributor.

1шт.

41

CLAMP - drain hose

4шт.

Not stocked by J.I. Case Co. Order from Cummins distributor.

1шт.

42

187-1016

SCREW,Cross Truss Hd, #8 x 5/8"

- #8 x 1/2" self tapping type "A"

3шт.

43

F14267

HOSE - drain, evaporator (76")

1шт.

44

F87946

VENT - evaporator

1шт.

175-400

SCREW,Sl Truss Hd, 1/4" - 20 x 1/2"

- 1/4" x 1/2" N.C. truss hd. mach. and L.W. (192-19)

2шт.

131-2

NUT,1/4"-20, GB

LOCKNUT, , N.C. Esna stop 1/4"-20, GB

2шт.

45

F14499

GROMMET - rubber

6шт.

46

F14270

COVER - bottom, evaporator

1шт.

175-400

SCREW,Sl Truss Hd, 1/4" - 20 x 1/2"

- 1/4" x 1/2" N.C. truss hd. mach. and Shakeproof L.W. (193-57)

8шт.

47

F14269

SEAL - bottom, evaporator

1шт.

48

F14268

SEAL - top, evaporator

1шт.

49

F87944

COVER - R.H., evaporator

1шт.

113-2

BOLT,Hex, 1/4" - 20 x 5/8", Gr 5

and L.W. (192-19) Hex, 1/4"-20 x 5/8", G5, Full Thd

4шт.

195-518

WASHER,1/4", SAE

- 1/4" flat and 1/4" Shakeproof L.W. (193-57)

4шт.

187-1038

SCREW - #14 x 3/8" self tapping type "A"

1шт.

50

F87945

COVER - L.H., evaporator

1шт.

113-2

BOLT,Hex, 1/4" - 20 x 5/8", Gr 5

and L.W. (192-19) Hex, 1/4"-20 x 5/8", G5, Full Thd

4шт.

195-518

WASHER,1/4", SAE

- 1/4" flat and 1/4" Shakeproof L.W. (193-57)

4шт.

187-1038

SCREW - #14 x 3/8" self tapping type "A"

1шт.

51

F14281

SEAL - front, evaporator

1шт.

52

F14264

HOSE - evaporator tee (5")

1шт.

53

214-253

HOSE CLAMP,#10, 0.56" - 1.06", Type F Worm

CLAMP - worm type hose

1шт.

54

F14266

TEE - (Nylon) evaporator hoses

1шт.

55

F14265

HOSE - evaporator tee (18")

1шт.

56

214-253

HOSE CLAMP,#10, 0.56" - 1.06", Type F Worm

CLAMP - worm type hose

1шт.

Выбрано товаров: 110